Stromversorgung für Lighting-Anwendungen

LEDs dimmen ohne Flackern

6. November 2012, 8:10 Uhr | Von Thomas Stamm

Bei dimmbaren LED-Treibern kommt es zu Stabilitätsproblemen, wenn die LEDs auf eine sehr geringe Helligkeit herabgedimmt werden. Ursache für das sichtbare Flackern ist meist die zu hohe Welligkeit der getakteten Spannungsversorgung. Doch mit einigen Schaltungstricks lässt sich Abhilfe schaffen.

Diesen Artikel anhören

Wer eine Beleuchtung auf LED-Basis auf sehr geringe Helligkeit herunterdimmt, nimmt oft ein deutlich sichtbares und störendes Flackern wahr. Was sind die Ursachen für dieses Phänomen, und wie lässt sich Abhilfe schaffen? Das Dimmen der Spannung per Triac wollen wir hier nicht untersuchen, denn die Instabilitäten bei geringer Helligkeit sind auf andere Mechanismen zurückzuführen.

Anbieter zum Thema

zu Matchmaker+
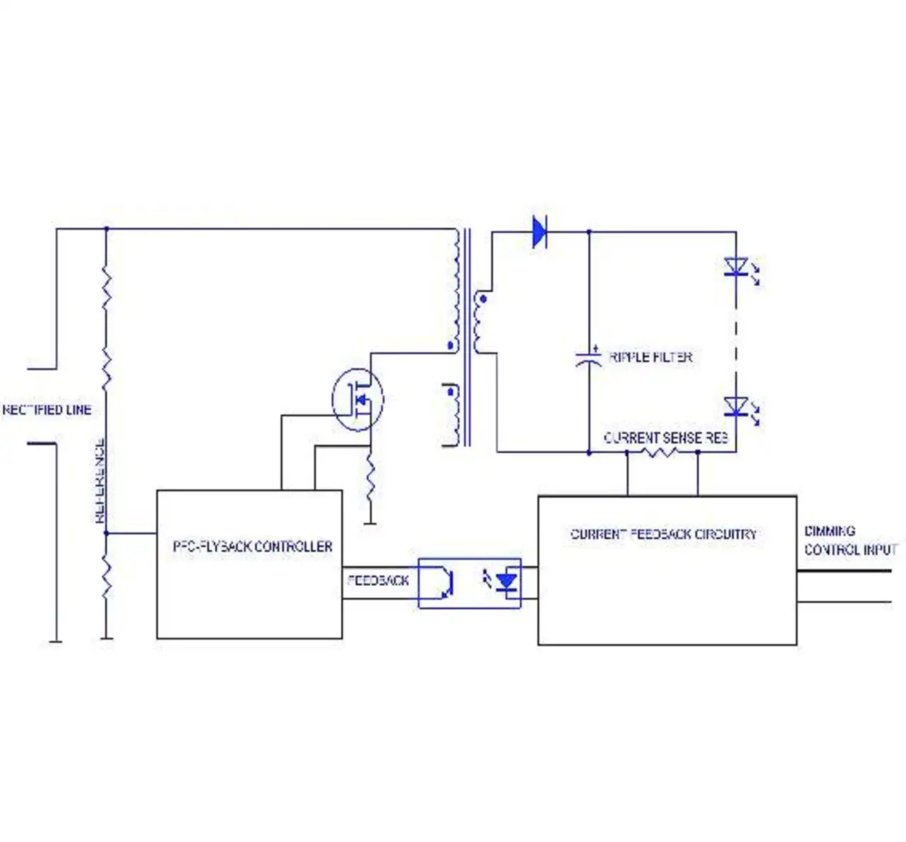
Bild 1: Typischer LED-Treiber nach dem PFC-Sperrwandler-Prinzip mit externer Steuerung
Bild 1: Typischer LED-Treiber nach dem PFC-Sperrwandler-Prinzip mit externer Steuerung
© STMicroelectronics

Zu den Dimmungsverfahren, die ein bestimmtes Kommunikationsschema zum Einstellen der LED-Helligkeit nutzen, gehören beispielsweise »DALI«, »0-10V«, »ZigBee« und die Powerline-Übertragung. Ein vom LED-Treiber empfangenes Signal gibt einen Referenzstrom vor, woraufhin ein Regelkreis den skalierten LED-Strom so variiert, dass er diesem Referenzstrom entspricht. Hierbei ist eine exakte Regelung gefragt, damit benachbarte Leuchteinheiten einen einheitlichen Helligkeitseindruck vermitteln.

Das oben beschriebene Flackern bei geringer Helligkeit tritt allerdings niemals auf, wenn ein zweistufiger Wandler zum Einsatz kommt. Denn die erste Stufe (Boost- oder PFC-Sperrwandler) erzeugt eine relativ stabile Spannung, während die zweite Stufe (meist ein inverser Abwärtswandler) für die exakte Regelung der LED-Ströme zuständig ist. Diese zweistufige Lösung benötigt jedoch mehr Bauelemente und ist in der Regel weniger effizient als ein einstufiges System. Nicht zuletzt aus Kostengründen entscheiden sich Hersteller deshalb üblicherweise für einen einstufigen PFC-Sperrwandler (Bild 1).

Stromwelligkeit lässt LEDs flackern

Beim Dimmen wird ein Helligkeitsbereich von mindestens zwei Zehnerpotenzen angestrebt. Beleuchtungslösungen auf Basis der traditionellen Glühlampen haben keine Schwierigkeiten, diesen weiten Bereich abzudecken. Da der Wirkungsgrad dieser Leuchtmittel bei geringer Leistung steil abfällt, ist der Leistungsbereich ziemlich überschaubar, der für einen Helligkeitsunterschied von zwei Größenordnungen benötigt wird: Um die Helligkeit auf 1% zu reduzieren, muss die Spannung oder der Strom lediglich auf 40% verringert werden.

Aufgrund der langjährigen Erfahrungen der Verbraucher mit Glühlampen orientieren sich die Erwartungen, die der Markt an LEDs richtet, leider an dieser Charakteristik. LEDs aber legen ein wesentlich lineareres Verhalten an den Tag, und ihr Wirkungsgrad nimmt bei geringen Stromstärken sogar zu. Hinzu kommt, dass das Auge Helligkeitsunterschiede von 5% zwischen benachbarten Lichtquellen erkennen kann und außerdem nicht auf die absolute Helligkeit, sondern auf den prozentualen Unterschied reagiert. Hieraus folgt, dass erstens grundsätzlich eine sehr exakte Regelung des Stroms erforderlich ist und zweitens die Regelung umso präziser sein muss, je geringer der absolute Strom wird.

Eine primärseitige Regelung scheidet von vornherein aus, wenn ein Dimmen auf 1% des vollen Ausgangsstroms gewünscht wird. Anders als die eher trägen Glühlampen besitzen LEDs keine Eigenfilterwirkung. Während also die Eigenkapazität der Glühwendel die Netzfrequenz zufriedenstellend ausfiltert, sind LEDs auf ein externes Filter angewiesen. Dieses besteht meist aus einem großen Elektrolytkondensator, der den LEDs unmittelbar parallelgeschaltet wird und sich in dieser Funktion sehr gut bewährt.

Bild 2: An dieser U/I-Kennlinie einer typischen LED wird der dynamische Widerstand (dV/dI) deutlich, der sich mit dem Strom verändert
Bild 2: An dieser U/I-Kennlinie einer typischen LED wird der dynamische Widerstand (dV/dI) deutlich, der sich mit dem Strom verändert
© STMicroelectronics

Welche Kapazität dieser Elko haben muss, richtet sich danach, welches Maß an Helligkeitsschwankungen hinnehmbar ist. Liegt der Effektivwert (rms) der Stromwelligkeit unter 10% (dies entspricht ca. 28% Peak-to-Peak), empfindet der Betrachter die Lichtqualität als ebenso gut wie die einer LED-Leuchte, die mit echtem Gleichstrom betrieben wird. Außerdem verlangt das US-amerikanische »Energy Star«-Label einen Hinweis auf der Lampe, wenn die Welligkeit größer als 10% ist. LEDs haben einen dynamischen Widerstand (Slope Resistance, Ersatzwiderstand), der bei ungefähr einem Zehntel des scheinbaren U/I-Widerstands liegt.

Bild 2 zeigt die U/I-Kennlinie einer typischen LED. Um also eine Welligkeit beim Effektivwert von weniger als 10% zu erzielen, muss der Kondensator die Schwankung der an den LEDs liegenden Spannung auf weniger als 1% begrenzen. Der dazu nötige Kapazitätswert lässt sich gemäß Formel [1] berechnen.

(1) C space equals space fraction numerator 0 comma 707 space times space 100 space times space I subscript <a href=LED over denominator 2 pi space times space 120 space Hz space times space U subscript string end fraction" class="Wirisformula" data-mathml="«math xmlns=¨http://www.w3.org/1998/Math/MathML¨»«mi»C«/mi»«mo»§#160;«/mo»«mo»=«/mo»«mo»§#160;«/mo»«mfrac»«mrow»«mn»0«/mn»«mo»,«/mo»«mn»707«/mn»«mo»§#160;«/mo»«mo»§#183;«/mo»«mo»§#160;«/mo»«mn»100«/mn»«mo»§#160;«/mo»«mo»§#183;«/mo»«mo»§#160;«/mo»«msub»«mi»I«/mi»«mi»LED«/mi»«/msub»«/mrow»«mrow»«mn»2«/mn»«mi»§#960;«/mi»«mo»§#160;«/mo»«mo»§#183;«/mo»«mo»§#160;«/mo»«mn»120«/mn»«mo»§#160;«/mo»«mi»Hz«/mi»«mo»§#160;«/mo»«mo»§#183;«/mo»«mo»§#160;«/mo»«msub»«mi»U«/mi»«mi»string«/mi»«/msub»«/mrow»«/mfrac»«/math»" src="https://wor.wfmdev.de/js/ckeditor/plugins/ckeditor_wiris/integration/showimage.php?formula=88e6fa818b7689d64c1e30b2ad22459b">
Leider ist der Kondensator auch Bestandteil der Regelschleife. Durch den Kondensator und den dynamischen Widerstand der LED gibt es eine Polstelle bei etwa 30 Hz. Somit entsteht bei dieser Frequenz eine Phasenverzögerung von 45°, und die Schleifenverstärkung geht um 6 dB zurück.

Bild 3: Verlagerung der Polstelle als Funktion des LED-Stroms infolge des zunehmenden dynamischen Widerstands
Bild 3: Verlagerung der Polstelle als Funktion des LED-Stroms infolge des zunehmenden dynamischen Widerstands
© STMicroelectronics

Hierzu aber später mehr. Die Grafik in Bild 3 gibt im Detail die Verschiebung von Verstärkung und Phase wieder, die allein auf die Polstelle infolge des Kondensators und der LED zurückzuführen sind. Die dynamische Impedanz der LED wächst, wenn der Strom sinkt. Ungünstigerweise verlagert sich die Polstelle hierdurch nach links.

Beträgt der Strom nur noch 10% des ursprünglichen Werts, liegt die Eckfrequenz bei 3 Hz, und bei 1% Stromstärke beträgt sie nur mehr 0,3 Hz. Die typische Regelschleife einer PFC-Stufe weist aber eine Durchtrittsfrequenz zwischen 3 Hz und 20 Hz auf. Der Entwurf einer Regelschleife mit einer Polstelle, die sich über einen derart weiten Bereich verschiebt, wäre nicht sinnvoll. Die einzig mögliche Lösung wäre, das Design für eine Durchtrittsfrequenz im Bereich zwischen 0,03 Hz und 0,1 Hz auszulegen, was aber eine sehr schleppend reagierende Regelschleife zur Folge hätte.

Kleines C, große Wirkung

Bild 4: Unterbinden der Phasenverzögerung durch die sich verschiebende Polstelle
Bild 4: Unterbinden der Phasenverzögerung durch die sich verschiebende Polstelle
© STMicroelectronics

Es gibt jedoch noch eine andere Lösung. Diese benötigt zwar mehr Bauteile, doch ihr Wirkungsgrad ist nur unwesentlich geringer, und ihr Kostenaufwand ist nicht so hoch wie bei einem zweistufigen Treiber. Der Strom, der in den Kondensator und die LED fließt, lässt sich über einen Shunt messen (Bild 4). Es handelt sich dabei um den Ausgangsstrom des Wandlers.

Allerdings hat der vom PFC-Sperrwandler abgegebene Strom ein dreieckförmiges Profil, und diese Pulse werden von einer 120-Hz-Sinuswelle mit einem Gleichstrom-Offset moduliert. Genau diesen DC-Offset gilt es zu messen, während der hochfrequente Anteil und die 120-Hz-Komponente ausgefiltert werden müssen. Außerdem würde der gepulste Strom die Verlustleistung im Stromabtast-Widerstand erheblich ansteigen lassen.

Bild 5: Ausgangsstrom des PFC-Sperrwandlers (HF-Periode ist überhöht dargestellt)
Bild 5: Ausgangsstrom des PFC-Sperrwandlers (HF-Periode ist überhöht dargestellt)
© STMicroelectronics

Bild 5 zeigt den Verlauf und die Hüllkurve des hochfrequenten Stromanteils. Der Effektivwert des Stroms der sägezahnförmigen Komponente ist beträchtlich. Bei geringer Netzspannung ergibt sich bei einem Wandler mit großem Eingangsspannungsbereich (90 V bis 305 V Wechselspannung) eine Spitzenstromstärke, die mehr als das Achtfache des durchschnittlichen Gleichstroms am Ausgang ausmacht, während der Effektivwert des Stroms mehr als das Doppelte des durchschnittlichen Gleichstroms am Ausgang beträgt.

Die Verlustleistung im Abtastwiderstand wäre viermal so groß wie bei seiner Anordnung nach dem Elko. Abhilfe lässt sich hier schaffen, indem man den Wandlerausgang mit einem kleinen Folien- oder Keramikkondensator bestückt. Dieser muss keine große Kapazität haben, aber sein ESR-Wert muss niedrig sein, und er sollte einen hinreichend hohen effektiven Strom verkraften.

Bild 6: Dieses Schaubild zeigt die mit der doppelten Netzfrequenz schwingende Komponente und den DC-Anteil (die Sägezahn-Komponente ist ausgefiltert)
Bild 6: Dieses Schaubild zeigt die mit der doppelten Netzfrequenz schwingende Komponente und den DC-Anteil (die Sägezahn-Komponente ist ausgefiltert)
© STMicroelectronics

Möglicherweise muss der Entwickler mehrere Kondensatoren parallel schalten. Nützlich kann es ebenfalls sein, eine kleine Induktivität mit dem Stromabtastwiderstand in Reihe zu schalten. Allerdings hat der Folienkondensator nur einen vernachlässigbaren Effekt auf die mit der doppelten Netzfrequenz schwingende Komponente (Bild 6), die somit nach wie vor entfernt werden muss.

Zur Erwärmung des Stromabtastwiderstands trägt der sinusförmige Anteil nur einen kleinen Teil bei, da es sich hierbei nur um einen Bruchteil des Gesamtstroms handelt. Die Beziehung zwischen der Gleichstrom- und der 120-Hz-Komponente ist konstant - so beträgt der Peak-to-Peak-Wert der Wechselspannungskomponente das Doppelte des Gleichstrom-anteils, sodass ihr Effektivwert das 0,707-Fache des Gleichstroms (also des LED-Stroms) ausmacht. Die Addition der Effektivwerte der Ströme erfolgt wie gewohnt, indem man die Quadratwurzel aus der Summe der Quadrate errechnet (siehe Formel [2]).

(2) I subscript rms space equals space square root of I subscript dc squared end root space plus space left parenthesis 0 comma 707 space times space I subscript dc right parenthesis squared space equals space 1 comma 225 space times space I subscript dc
Die Verlustleistung im Stromabtastwiderstand wäre dennoch erheblich größer, als wenn der LED-Gleichstrom erfasst würde (Zunahme um den Faktor I², siehe Formel [3]).

(3) P subscript 120 plus dc end subscript space equals space left parenthesis 1 comma 225 space times space I subscript dc right parenthesis squared space times space P subscript dc space equals space 1 comma 50 space times space P subscript dc

Bild 7: Die Ausgangsstufe in ihrer endgültigen Form mit stabilen Regelpunkten
Bild 7: Die Ausgangsstufe in ihrer endgültigen Form mit stabilen Regelpunkten
© STMicroelectronics

Dies bedeutet jedoch eine deutliche Verbesserung gegenüber der Situation, als die Schaltfrequenzkomponente noch enthalten war.

In der Regelschleife lässt sich die 120-Hz-Komponente mit einem simplen, aus kleinen SMT-Bauteilen bestehenden RC-Filter entfernen. Verstärkung und Phasenverschiebung weisen stabile Werte auf, ändern sich nur mit der Frequenz und sind nicht vom Laststrom abhängig. Der 6-dB-Punkt kann auf die gleiche Weise festgelegt werden wie bei der Messung des vollen LED-Gleichstroms (oder bei einer etwas geringeren Frequenz).

Bild 7 zeigt die Ausgangsschaltung in ihrer endgültigen Form.

Über den Autor:

Thomas Stamm ist Field Application Engineer bei STMicroelectronics USA.


Lesen Sie mehr zum Thema


Das könnte Sie auch interessieren

Jetzt kostenfreie Newsletter bestellen!

Weitere Artikel zu STMicroelectronics GmbH

Weitere Artikel zu LEDs