Systemdesign / Energy-Harvesting

Temperaturgradienten effizient wandeln

24. Oktober 2018, 12:00 Uhr | Bruce Haug, Sr. Product Marketing Engineer, Analog Devices
Diesen Artikel anhören

Fortsetzung des Artikels von Teil 1

Integrierte Schaltungen zur Energieernte

Eine Reihe von integrierten Produkten soll die Energieernte erleichtern. Im Folgenden werden die Möglichkeiten der Erfassung, Verarbeitung, Speicherung und Nutzung von Umgebungsquellen mit Bausteinen von Analog Devices diskutiert.

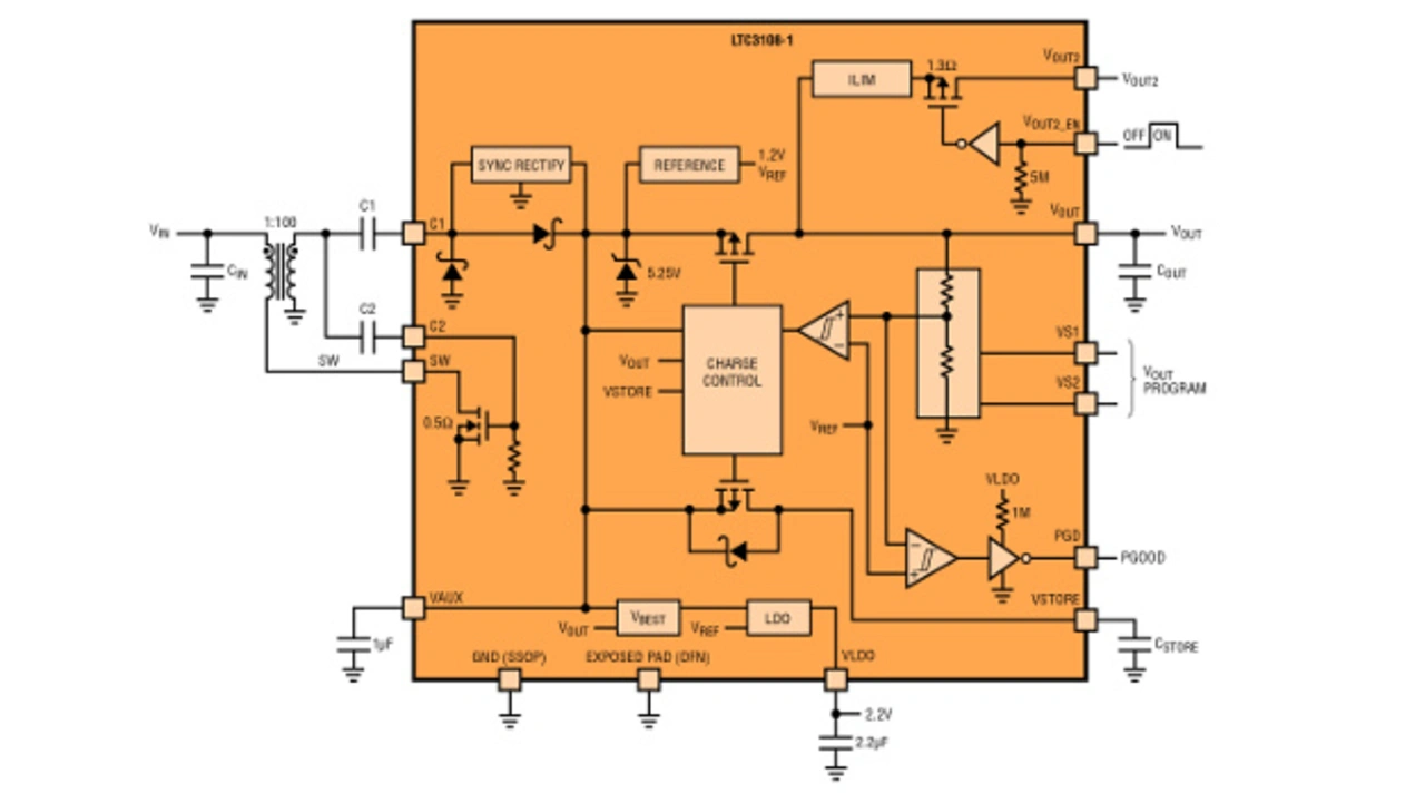
Eine integrierte monolithische Lösung für den Betrieb an Eingangsspannungen bis zu 20 mV bietet LTC3108. Damit werden drahtlose Sensoren an einen thermoelektrischen Generator (TEG) angebunden, der Energie aus 2 °C Temperaturgradienten wandelt. Mit einem gewöhnlichen Step-up-Transformator (Formfaktor: 6 mm x 6 mm) und zusätzlichen Kondensatoren liefert er die geregelten Ausgangsspannungen zur WSN-Versorgung. Das Design kann 50 mW Last mit einer Einschaltdauer von bis zu 3,7% aufnehmen. Im LTC3108 bilden ein Step-up-Transformator und der interne Mosfet einen resonanten Oszillator, der mit sehr niedrigen Eingangsspannungen arbeiten kann. Mit einem Übersetzungsverhältnis von 1:50 oder 1:100 kann der Umrichter unter Eingangsspannungen von bis zu 20 mV anlaufen.

Die Sekundärwicklung des Transformators speist eine Ladungspumpe und eine Gleichrichterschaltung, die zur Versorgung des IC (über den VAUX-Pin) und zum Laden der Ausgangskondensatoren verwendet wird.

Der 2,2 V LDO-Ausgang regelt dabei am schnellsten, um einen Low-Power-Mikrocontroller zu starten. Danach wird der Hauptausgangskondensator auf die von den VS1- und VS2-Pins (2,35 V, 3,3 V, 4,1 V oder 5,0 V) programmierte Spannung aufgeladen, um Sensoren, analoge Schaltungen, HF-Transceiver oder sogar einen Superkondensator oder eine Sekundärbatterie zu betreiben.

Bild 2: Blockschaltbild des LTC3108
Bild 2: Blockschaltbild des LTC3108
© Analog Devices

Der VOUT-Speicherkondensator liefert die während des Lastimpulses mit niedriger Einschaltdauer (Sensoraktivität) benötigte Energie. Ein vom Host steuerbarer Schaltausgang VOUT2 versorgt dabei Schaltungsteile, die keinen Abschalt- oder Energiesparmodus beherbergen. Ein "Power Good"-Output weist den Host darauf hin, dass die Hauptausgangsspannung nahe am voreingestellten Wert liegt. Bild 2 zeigt das LTC3108-Blockdiagramm.

Bild 3: Spannungssequenz zur Inbetriebnahme
Bild 3: Spannungssequenz zur Inbetriebnahme
© Analog Devices

Sobald VOUT aufgeladen und geregelt ist, wird der entnommene Strom auf den VSTORE-Pin umgeleitet, um einen großen Speicherkondensator oder eine Sekundärbatterie zu laden. Dieses Speicherelement kann die Regelung aufrechterhalten und das System mit Strom versorgen, falls die Wandlung der Quelle unterbrochen ist oder zusätzliche Übertragungsspitzen anfallen.

Die Reihenfolge der Ausgangsspannung beim Ein- und Ausschalten zeigt Bild 3. Ein Shuntregler am VAUX-Pin verhindert, dass VSTORE über 5,3 V beträgt. Mit einem typischen 40 mm x 40 mm-TEG kann der LTC3108 bei einer Temperaturdifferenz von 2 °C betrieben werden. Bei höherer Temperaturdifferenz liefert LTC3108 einen höheren durchschnittlichen Ausgangsstrom.

TEG-Grundlagen

TEGs wandeln über den Seebeck-Effekt eine Temperaturdifferenz in eine Spannung um. Die Umkehrung, der Peltier-Effekt, erzeugt durch Anlegen einer Spannung eine Temperaturdifferenz.

Bild 4: Aufbau einer TEG-Komponente
Bild 4: Aufbau einer TEG-Komponente
© Analog Devices

Die Polarität der Ausgangsspannung hängt von der Polarität der Temperaturdifferenz über das TEG ab: sie ändert das Vorzeichen unter Tausch von Warm- und Kaltseite. TEGs bestehen aus Paaren von N- und P-dotierten Halbleiterpellets, die elektrisch in Reihe geschaltet und zwischen zwei wärmeleitenden Keramikplatten angeordnet sind. Das am häufigsten verwendete Halbleitermaterial ist Wismut-Tellurid (Bi2Te3). Bild 4 veranschaulicht den physikalischen Aufbau einer TEG-Komponente.

Einige Hersteller unterscheiden zwischen TEG und TEC: im Allgemeinen bedeutet TEG, dass das Lötmittel zur Verbindung der Paare innerhalb des Moduls einen höheren Schmelzpunkt aufweist. Damit wird der Betrieb bei höheren Temperaturen und Temperaturdifferenzen und eine höhere Ausgangsleistung als ein Standard-TEC möglich (der normalerweise auf maximal 125 °C begrenzt ist).

Die meisten Low-Power-Harvesting-Anwendungen unterliegen keinen hohen Temperaturen oder hohen Temperaturdifferenzen. Die gängigsten TEG-Module sind quadratisch und messen etwa 10 mm bis 50 mm Seitenlänge und etwa 2 mm bis 5 mm Höhe. Mehrere Variablen steuern, wie viel Spannung ein TEG bei einer bestimmten Temperaturdifferenz (proportional zum Seebeck-Koeffizienten) erzeugt.

Ihre Ausgangsspannung liegt im Bereich von 10 mV/°C bis 50 mV/°C Differenztemperatur (abhängig von der Anzahl der Paare), mit einem Quellenwiderstand im Bereich von 0,5 Ω bis 5 Ω. Im Allgemeinen gilt: je mehr Paare ein TEG in Serie hat, desto höher ist seine Ausgangsspannung bei einer gegebenen Temperaturdifferenz. Mit Steigerung der Anzahl der Paare erhöht sich aber auch der Serienwiderstand des TEGs, was einen größeren Spannungsabfall unter Last bewirkt. Hersteller können dies mit Anpassung von Größe und Design einzelner Pellets kompensieren.


  1. Temperaturgradienten effizient wandeln
  2. Integrierte Schaltungen zur Energieernte
  3. Lastenabgleich
  4. TEG-Auswahl zur Stromerzeugung
  5. Lastabgleich am Sensorknoten
  6. Solarenergie

Lesen Sie mehr zum Thema


Das könnte Sie auch interessieren

Jetzt kostenfreie Newsletter bestellen!

Weitere Artikel zu Analog Devices GmbH

Weitere Artikel zu Energy Harvesting