Bipolartransistor statt MOSFET als Leistungsschalter

Pfennigfuchserei #####

15. November 2006, 16:57 Uhr | Steve Sheard
Diesen Artikel anhören

Fortsetzung des Artikels von Teil 1

Weitere Verbesserungen

Somit lassen sich durch den Austausch des MOSFETs samt Schottky-Diode gegen einen Low-VCEsat-BJT plus Basis-Widerstand immerhin 0,075 US-Dollar pro Einheit einsparen. Außerdem sinkt der Energieverbrauch um 265 mW gegenüber der MOSFET-Lösung, wodurch sich die Batterielaufzeit verlängern und/oder die thermischen Erwägungen für das tragbare Produkt deutlich einfacher gestalten lassen

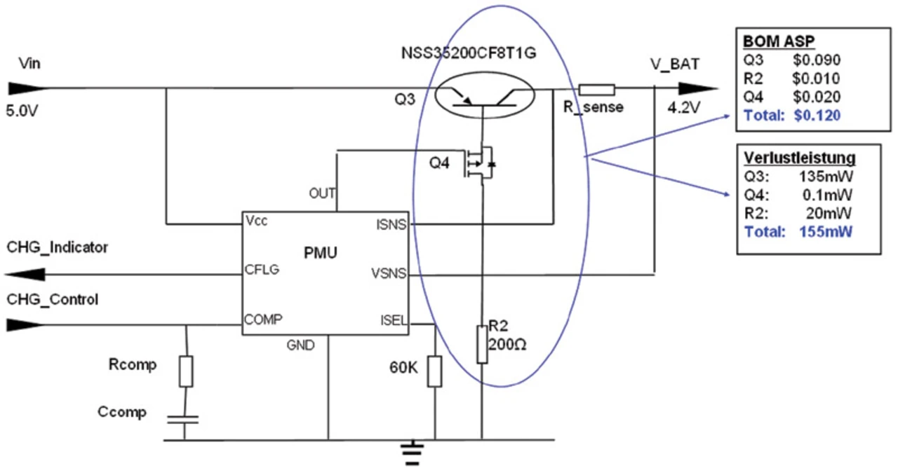
Speziell für die Verwendung eines externen MOSFETs zugeschnittene ICs können unter Umständen nicht genügend Strom liefern, um den Bipolartransistor direkt in die Sättigung zu bringen. In derartigen Schaltungen kann ein zusätzlicher Digitaltransistor oder ein kleiner Allzweck-MOSFET (Q4) eingefügt werden (Bild 3). Das Ergebnis ist zwar nicht ganz so überzeugend wie beim Beispiel mit der direkten Stromansteuerung, jedoch beträgt die Kosteneinsparung immer noch 0,055 US-Dollar pro Einheit. Bei der Leistungsaufnahme ergibt sich kein Unterschied. Ein weiterer Vorteil eines bipolaren Transistors ist, dass er viel unempfindlicher gegenüber ESD-Beschädigungen ist als ein MOSFET. Und so kann man es als weitere Einsparung betrachten, dass keinerlei zusätzliche ESD-Schutzmaßnahmen notwendig sind. Der BJT hat eine niedrigere Einschaltspannung (0,7 V typisch) und daher können eine eventuell benötigte Ladungspumpe bzw. ein zugehöriger Oszillator, wie sie normalerweise bei einem MOSFET nötig sein mögen, völlig entfallen. Zudem hat der Bipolartransistor einen höheren Wirkungsgrad beim Schalten mittlerer Ströme.

Low-VCEsat-BJTs bieten eine interessante Niedrigpreis-Alternative zu herkömmlichen Planar-MOSFETs in Applikationen, bei denen die Ströme zwischen 500 mA und 5,0 A liegen. Entwickler, die bipolare Transistoren mit niedriger Sättigungsspannung in ihren Schaltungen verwenden, stellen damit sicher, dass ihre Produkte mit der am wenigsten kostenden aktuellen Lösung aufgebaut sind und dass sie auf einem hart umkämpften Markt ihren Produkten dadurch vielleicht zu einer Führungsposition verhelfen.

ON Semiconductor
Telefon 089/93 08 08 0
www.onsemi.com

Autor
Steve Sheard arbeitet als Marketing Engineer bei ON Semiconductor 

Ralf Higgelke, DESIGN&ELEKTRONIK

Bild_476602.jpg
Bild 3 Ist die Treiberleistung der PMU für den Bipolartransistor nicht groß genug, eignet sich diese Lösung

Verwandte Artikel:


  1. Pfennigfuchserei #####
  2. Weitere Verbesserungen

Jetzt kostenfreie Newsletter bestellen!