Ansteuer-IC für elektronische Lampenvorschaltgeräte

Ein Lichtlein brennt

15. November 2006, 17:02 Uhr | Michael Herfurth und Dieter Zipprick

Leuchtstofflampen benötigen elektronische Vorschaltgeräte, die früher oft eine aufwändige Schaltung besaßen und mit wenig Features aufwarten konnten. Dieser Beitrag beschreibt, wie moderne Lamp-Ballast-Controller in solchen Vorschaltgeräten arbeiten. Beispielsweise gewährleisten sie durch den spezifischen Startprozess eine lange Lebensdauer moderner T4- und T5-Lampen und sie können deren Betriebsverhalten intensiver überwachen.

Diesen Artikel anhören

Ansteuer-IC für elektronische Lampenvorschaltgeräte

Leuchtstofflampen benötigen elektronische Vorschaltgeräte, die früher oft eine aufwändige Schaltung besaßen und mit wenig Features aufwarten konnten. Dieser Beitrag beschreibt, wie moderne Lamp-Ballast-Controller in solchen Vorschaltgeräten arbeiten. Beispielsweise gewährleisten sie durch den spezifischen Startprozess eine lange Lebensdauer moderner T4- und T5-Lampen und sie können deren Betriebsverhalten intensiver überwachen.

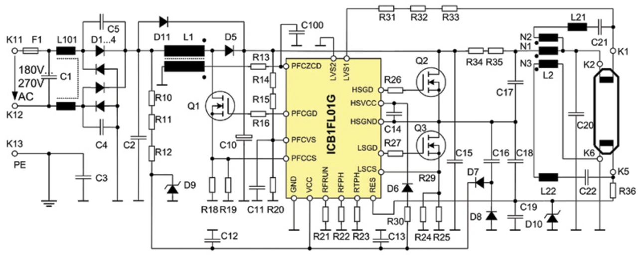
Lamp-Ballast-Controller wie der »ICB1FL01G« von Infineon steuern elektronische Vorschaltgeräte von Leuchtstofflampen (Bild 1). Grundsätzlich besteht dieses IC aus zwei Schaltungsteilen: Der eine steuert einen Hochsetzsteller als aktives PFC-Oberschwingungsfilter, der andere einen Wechselrichter in Halbbrückenschaltung. Zum Einsatz kommt ein neuartiges »Coreless-Transformer«-Verfahren, bei dem über einen Level-Shifter der High-Side-MOSFET (Q2 in Bild 2) »schwebend« angesteuert wird. Der Wechselrichter speist die Leuchtstofflampe über einen Schwingkreis, wodurch er über eine Änderung der Betriebsfrequenz die Zustände Vorheizung, Zünden und Nennbetrieb in zeitlicher Abfolge steuert. Eingestellt werden die zeitund frequenzbestimmenden Parameter nur durch Widerstände – Kondensatoren sind dazu nicht erforderlich. Einen Lampenwechsel sowie den gefährlichen Gleichrichtereffekt am Ende des Lebens der Lampe erkennt der Baustein in Konfigurationen mit einer, zwei bis hin zu vier Lampen.

14-Bild_10.jpg
Bild 1 Referenzaufbau eines elektronischen Vorschaltgeräts für Leuchtstofflampen mit dem ICB1FL01G

Nach dem Einschalten der Netzspannung laden sich die Kondensatoren C12 und C13 über die Anlaufwiderstände R11 und R12 auf. Die Stromaufnahme des IC ist kleiner als 100 µA, bis die Versorgungsspannung Vcc 10 V erreicht hat. Dann aktiviert sich eine Stromquelle mit typisch 20 µA am Pin RES, um die Existenz der Heizwendel an der Plus-Elektrode zu ermitteln. Solange der Spannungspegel am Pin RES unter 1,6 V liegt, nimmt der Controller an, die Heizwendel ist unbeschädigt.

Über die Widerstände R34 und R35 gelangt Strom an die Heizwendel der Plus- Elektrode, die Widerstände R31, R32 und R33 leiten diesen wieder zum Pin LVS1 ab. Der Baustein erkennt eine Heizwendel, wenn der Strom mehr als 15 µA beträgt. Für Mehrlampenbetrieb steht ein zweiter Messeingang LVS2 zur Verfügung, der – wie auch LVS1 – im Bedarfsfall durch Kurzschluss nach Masse stillgelegt werden kann. Wenn der Controller erkennt, dass die Heizwendeln vorhanden sind, und die Spannung am Pin PFCVS mindestens 0,375 V beträgt, was der ICB1FL01G als geschlossene Regelschleife für den Hochsetzsteller interpretiert, kann dieser seine Treiberausgänge aktivieren, sofern die Versorgungsspannung Vcc die Einschaltschwelle von 14 V überschritten hat.

14-Bild_09.jpg
Bild 2 Schaltbild eines elektronischen Vorschaltgeräts mit ICB1FL01G für eine Leuchtstofflampe

  1. Ein Lichtlein brennt
  2. Ein Lichtlein brennt
  3. Aktives Oberschwingungsfilter

Jetzt kostenfreie Newsletter bestellen!