Volldifferenzverstärker

Rauscharmes Hochspannungssignal

14. April 2025, 12:00 Uhr | Darwin P. Tolentino, Analog Devices
Analogsignal
© kimkimchin/stock.adobe.com

Der Artikel zeigt, wie sich mit diskreten JFET-Op-Amps rauscharme Hochspannungs-FDAs mit einstellbarem Gleichtaktausgang aufbauen lassen. Zwei VOCM-Schaltungen werden verglichen – eine mit einem Verstärker, eine mit zwei. Ziel ist ein optimales SNR für präzise ADC-Signalketten.

Diesen Artikel anhören

Volldifferenzverstärker (Fully Differential Amplifiers, FDAs) sind Bauteile mit differentiellen Eingängen und Ausgängen, deren Ausgangsgleichtaktpegel unabhängig über eine DC-Eingangsspannung eingestellt wird. Sie werden im Eingang von analogen Datenerfassungssystemen eingesetzt, um das Signal auf einen geeigneten Pegel für die nächste Stufe, typischerweise einen A/D-Wandler (ADC), zu bringen. FDAs sind generell als Einzelchip ausgeführt, arbeiten mit kleineren Versorgungsspannungen und haben somit einen begrenzten Ausgangsdynamikbereich. Dieser Artikel zeigt einen Ansatz zur Entwicklung eines diskret aufgebauten Hochspannungs-FDA mit geringem Rauschen und einstellbarem Gleichtaktausgang. Dazu wird eine vollständige Analyse des FDA-Rauschens und dessen Einfluss auf das gesamte Signal-Rausch-Verhältnis (Signal-to-Noise Ratio, SNR) der Signalkette eines Hochleistungs-Datenerfassungssystems durchgeführt.

Einleitung

Hochspannungs-FDAs werden für Anwendungen benötigt, die einen großen Ausgangsdynamikbereich und eine AC-Signalverarbeitungsqualität ähnlich der von hochperformanten integrierten FDAs benötigen. Beispielsweise kann ein Hochspannungs-FDA zum Testen und Bewerten einer Präzisionssignalkette zur Datenerfassung mit einem großen Eingangsbereich erforderlich sein. Die meisten FDAs sind heutzutage aufgrund der geringeren Versorgungsspannungen typischerweise auf kleinere Ausgangsspannungsbereiche beschränkt. FDAs eignen sich zur direkten Ansteuerung des Eingangs von Hochleistungs-ADCs, die üblicherweise mit einer Einzelspannung versorgt werden. Sie bieten exzellente AC-Eigenschaften – insbesondere hinsichtlich Signal-Rausch-Verhältnis (SNR) und totaler harmonischer Verzerrung (THD). Allerdings schneiden sie im Vergleich zu vielen Präzisions-Operationsverstärkern mit höherer Spannung bei Parametern wie Rail-to-Rail-Aussteuerung, Offset, Bias-Strom und Drift schlechter ab. Geht es aber um die Ansteuerung von ADCs, sind diese Nachteile aber überhaupt kein Problem. Analog Devices bietet für unterschiedliche Anwendungen eine optimale Auswahl an ADC-Treibern.

Bild 1
Bild 1: FDA
© Analog Devices

FDAs können Single-ended- oder differenzielle Eingangssignale verarbeiten, verfügen über eine Verstärkung und einen differenziellen Ausgang, dessen Gleichtaktpegel typischerweise über einen Gleichtakt-Eingangspin (VOCM) einstellbar ist (siehe Abbildung 1). FDAs haben gegenüber einfachen Operationsverstärkern den Vorteil eines größeren dynamischen Ausgangsbereichs, da sie eine maximale Ausgangsspannung liefern können, die nahezu doppelt so hoch ist wie die Versorgungsspannung, eine höhere Störfestigkeit und weniger geradzahlige harmonische Verzerrungen aufweisen. Beispielsweise kann ein ±5-V-FDA einen maximalen Ausgangswert (p-p, Peak-to-Peak) von fast ±10 V oder 20 V (p-p) erzeugen.

Die Entwicklung eines FDAs mit diskreten Operationsverstärkern kann herausfordernd sein, wenn dieser alle DC- und AC-Anforderungen der Anwendung erfüllen muss. Die ADA4625-1/ADA4625-2 von Analog Devices sind rauscharme JFET-Verstärker mit sehr guten Rausch- und Verzerrungsparametern und einem weiten Versorgungsbereich von bis zu ±18 V.

Bild 2
Abbildung 2: Schaltung: Single-ended zu differenziell
© Analog Devices

Eine naheliegende Möglichkeit, einen Differenzverstärker zu erstellen, besteht darin, einen nichtinvertierenden und einen invertierenden Verstärker zu verwenden, um am Ausgang ein Differenzsignal zu erzeugen (Abbildung 2). Der Nachteil dieses Ansatzes ist, dass die beiden Verstärker U1 und U2 nicht perfekt symmetrisch arbeiten, was zu einem suboptimalen Ergebnis führt.

Ein besserer Ansatz besteht darin, die beiden Operationsverstärker auf differenzielle Weise zu konfigurieren, so wie bei einem einfachen integrierten Differenzverstärker, wobei der Rückkopplungs- und Verstärkungswiderstand zwischen U1 und U2 geteilt wird und die Verstärkung Av = (RG + 2RF)/RG beträgt (siehe Abbildung 3).

Bild 3
Abbildung 3: Differenzverstärkerschaltung.
© Analog Devices

Diese Konfiguration bietet einen symmetrischen Ausgang mit einem vereinfachten Verstärkungsnetzwerk, bei dem sich die Verstärkung einfach über den Gain-Widerstand RG einstellen lässt. Wenn das Eingangssignal aber single-ended ist, ist das differentielle Ausgangssignal in der Amplitude nicht symmetrisch (siehe Abbildung 4).

Bei asymmetrischen Ausgängen wäre der Ausgangsbereich stark eingeschränkt, da einer der Ausgänge die Versorgungsspannung (Rail) früher als der andere erreicht. Dieses Problem lässt sich durch die Anpassung des Widerstandsnetzwerks beheben, so dass der Ausgang wieder symmetrisch wird (Abbildung 5). Man sieht, dass der Verstärkungswiderstand in zwei Teile (RG1 und RG2) aufgeteilt wurde und die Rückkopplung von U2 erfolgt vom Mittelpunkt zwischen RG1 und RG2, wodurch die Ausgänge symmetrisch arbeiten. Die Verstärkung wird wie folgt berechnet: Av = (RG1 + RG2 + RF1 + RF2)/RG1.

Bild 4 uns 5
Abbildung 4 und 5
© Analog Devices

Erweiterung um eine einstellbare Gleichtaktspannung am Ausgang

Es gibt zwei Möglichkeiten, eine einstellbare Gleichtaktspannung hinzuzufügen: Die erste Möglichkeit besteht darin, an jedem Eingang einen VOCM-Verstärker anzuschließen, also mit zwei ADA4625-Bausteinen zu arbeiten (Abbildungen 6 und 7). Die zweite Methode besteht darin, nur einen ADA4625-1 als VOCM-Verstärker zu verwenden (Abbildungen 8 und 9). Beide Ansätze haben unterschiedliche Vor- und Nachteile, welche später in diesem Artikel erörtert werden.

Durch das Hinzufügen der Verstärker U3 und U4 wird eine DC-Gleichspannung (V6) zu den positiven und negativen Eingängen addiert. Da jedem Eingang die gleichen Spannungen eingeprägt werden, erscheinen sie am Ausgang als DC-Gleichtakt. U3 und U4 bewirken jedoch eine zusätzliche Leistungsaufnahme in der Schaltung, außerdem zusätzliches Rauschen, das durch die Differenzstufen U1 und U2 weiter verstärkt wird. Diese Methode ist aber sehr einfach umzusetzen und hat keinen Einfluss auf die Gesamtsignalverstärkung. Die Signalverstärkung wird durch Av = (RG1 + RG2 + RF1 + RF2)/RG1 für die Schaltung in Abbildung 6 und Av = (RG + RF1 + RF2)/RG für die Schaltung in Abbildung 7 beschrieben.

Bild 6 und 7
Abbildung 6 und 7
© Analog Devices

Eine andere Methode zum Hinzufügen einer einstellbaren VOCM besteht darin, einen einzelnen Verstärker zu nutzen, dessen Ausgangsspannung zu jedem der Eingänge hinzuaddiert wird. Vorteilhaft ist, dass weniger Komponenten benötigt werden, nämlich nur ein zusätzlicher Verstärker und weniger Widerstände. Zudem ist das Rauschen durch die hinzugefügten Komponenten geringer. Tatsächlich trägt U3 überhaupt nicht zusätzlich zum Rauschen bei, da das ausgangsbezogene Rauschen als Gleichtaktsignal an den Eingängen von U1 und U2 erscheint – mit Ausnahme des Rauschens, das von den Widerstandsteilern R4 bis R7 stammt. Die Widerstände R3 bis R7 bilden ein Addiernetzwerk, das VOCM zu den Eingangssignalen hinzufügt. R3 bis R5 fügen dem positiven Eingangssignal einen Gleichtaktanteil hinzu, während R6 bis R8 (R6 und R7 bei single-ended-Eingängen) dem negativen Eingangssignal einen Gleichtaktanteil hinzufügen. Man muss beachten, dass dasselbe Widerstandsnetzwerk gleichzeitig auch die Eingangssignale dämpft. Dadurch wird die Gesamtsignalverstärkung der Schaltung reduziert. Die Signalverstärkung wird durch Av = [(RG1 + RG2 + RF1 + RF2)/RG1][(R4//R5)/(R4//R5 + R3)] für die Schaltung in Abbildung 8 und Av = [(RG + RF1 + RF2)/RG][(R4//R5)/(R4//R5 + R3)] für die Schaltung in Abbildung 9 beschrieben.

Bild 8 und 9
Abbildung 8 und 9
© Analog Devices

Der Abschnitt zur Rauschanalyse geht auf die dominanten Rauschbeiträge ein. Je nach gewünschter Gesamtverstärkung und anderen, für das Design wichtige, Faktoren wird gezeigt, ob die zweite Methode zum Hinzufügen des VOCM vorteilhafter ist als die erste.

Rauschanalyse

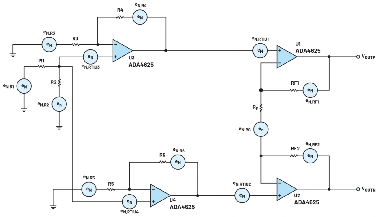
Rauschen ist ein entscheidender Faktor einer Präzisionssignalkette zur Datenerfassung, da es letztendlich die Grenzen des Systems in Bezug auf Dynamikbereich und SNR festlegt. Ein 16-Bit-ADC hat ein theoretisches SNR von -98 dB (6,02 N + 1,76 dB, N = Anzahl der Bits), was einem äquivalenten Rauschen am Ausgang von ~36 μV rms für 4,096 Vp (oder 8,192 V p-p) entspricht. Dieses Rauschen (Quantisierungsrauschen) ist auf den Quantisierungsfehler des ADCs zurückzuführen. Das SNR von -98 dB stellt die physikalische Grenze eines idealen 16-Bit-Systems dar und jedes zusätzliche Rauschen an den Eingängen oder Schaltkreisen um den ADC verschlechtert das im System erreichbare SNR. Im Folgenden werden die Rauschbeiträge der einzelnen Komponenten in den Schaltkreisen analysiert. Abbildung 10 zeigt das Rauschmodell des FDA-Schaltkreises mit einem VOCM-Eingang mit zwei Verstärkern.

Differentialstufe – Rauschbeiträge von U1 und U2

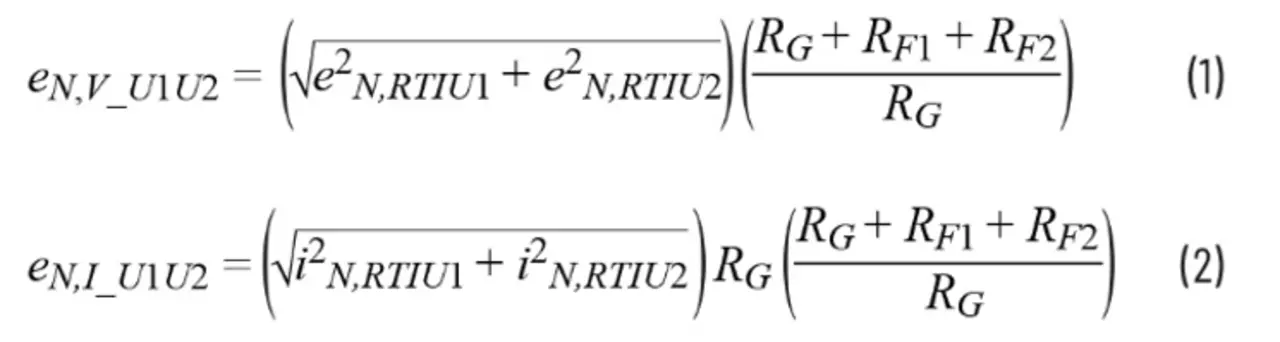
Die ADA4625-1/ADA4625-2 weisen eine ultraniedrige Stromrauschdichte von 4,5 fA/√Hz bei 1 kHz auf, während das Spannungsrauschen des Referenzeingangs (RTI) bei 1 kHz bei etwa 3 nV/√Hz liegt, was wir in dieser Analyse als Breitbandrauschen betrachten können. Der Gesamtbeitrag des Strom- und Spannungsrauschens von U1 und U2 am Ausgang kann differentiell im Effektivwert wie folgt dargestellt werden:

Gleichungen 1 + 2

© Analog Devices

eNv,U1U2 ist der Wert des Ausgangsspannungsrauschen aufgrund des RTI-Spannungsrauschens von U1 und U2, während eNI,U1U2 für das vom Eingangsstromrauschen induzierte Ausgangsspannungsrauschen steht. Das RTI-Spannungsrauschen wurde errechnet, indem die einzelnen Rauschanteile am Eingang mittels der Quadratwurzel der Summe der Quadrate (Root of the Sum of the Squares, RSS) zusammengeführt werden und dann mit dem durch das Verstärkungs- und Rückkopplungsnetzwerk RF und RG gegebenen Verstärkungsfaktor multipliziert wurden.

Bild 10
Abbildung 10: VOCM-Rauschmodell mit zwei Verstärkern
© Analog Devices

Das Eingangsstromrauschen wird in gleicher Weise mittels RSS ermittelt, durch Multiplikation mit RG in ein Spannungsrauschen umgewandelt und mit dem Verstärkungsfaktor multipliziert. Da das Eingangsstromrauschen sehr klein ist, bleibt sein Beitrag vernachlässigbar. Die Widerstände und das Spannungsrauschen der Verstärker erzeugen die dominierenden Rauschbeiträge am Ausgang.

Das Ausgangsrauschen aufgrund des Verstärkungs- und Rückkopplungswiderstandsnetzes von U1 und U2 (RF1, RF2 und RG) beträgt:

Gleichung 3

© Analog Devices

Allein das thermische Rauschen eines Widerstandes von 1 kΩ bei Raumtemperatur beträgt 4,06 nV/√Hz.

Kombiniert man am Ausgang das Spannungsrauschen von U1 und U2 und das Rauschen des Rückkopplungs-Widerstandsnetzwerks und ignoriert das Stromrauschen, ergibt sich unter Verwendung der Gleichungen 1 und 3:

Gleichung 4

© Analog Devices

Aus dem Vorhergehenden ist erkennbar, dass das Spannungsrauschen der Verstärker bei höherer Verstärkung durchaus dominant werden kann. Der Rauschbeitrag der Widerstände hingegen lässt sich durch die Verwendung kleinerer Werte für RG – z.B. 500 Ω – ein Stück weit minimieren.

VOCM-Schaltung – Rauschen von U3 und U4

Als Nächstes analysieren wir das Rauschen der VOCM-Schaltung in Abbildung 10. Das Gesamtrauschen der VOCM-Schaltung (U3 und U4) einschließlich Widerstandsrauschen und unter Vernachlässigung des Eingangsstromrauschens von jedem der Verstärker lässt sich wie folgt ableiten:

Gleichung 5 und 6

© Analog Devices

Dabei ist R1//R2 die Parallelschaltung von R1 und R2. Aus dem Vorhergehenden geht auch hervor, dass das Gesamtrauschen von U3 und U4 sowohl vom Spannungsrauschen der Verstärker als auch vom Widerstandsrauschen bestimmt wird. Es ist sinnvoll, die Werte der Widerstände niedrig zu halten, um ihren Beitrag zum Gesamtrauschen zu minimieren, sodass das Verstärkerrauschen der einzige dominante Rauschbeitrag ist. Das Rauschen vom Ausgang der VOCM-Schaltung erscheint an den Eingängen der Differenzstufe und wird entsprechend von der Differenzstufe zum Ausgang hin verstärkt.

VOCM-Schaltung – Rauschen eines einzelnen Verstärkers U3

Wie bereits erwähnt, erscheint das Rauschen am Ausgang von U3 als Gleichtakt an den Eingängen von U1 und U2 (dargestellt als inp und inn, siehe Abbildung 11) und fügt daher der Differenzstufe kein Rauschen hinzu. Das zusätzliche Rauschen stammt von den Widerständen R3 bis R8, die für die Rauschberechnung als drei parallel geschaltete Widerstände an jedem Eingang der Differenzstufe betrachtet werden können. R3 bis R5 befinden sich am positiven Eingang und R6 bis R8 am negativen Eingang (Abbildung 11c), was jeweils die Widerstandsbeiträge minimiert.

Von den beiden Schaltungen – mit zwei und einem Verstärker- weist die letztere wesentlich geringere Rauschbeiträge auf. Ihr Nachteil besteht ausschließlich in der geringeren Gesamtsignalverstärkung. Dafür punktet sie mit einer geringeren Leistungsaufnahme und benötigt weniger Einzelverstärker. Die Gleichungen 7 und 8 zeigen das Ausgangsrauschen der VOCM-Schaltung in Abbildung 11 und den jeweils resultierenden Rauschbeitrag am Ausgang der Differenzstufe.

Gleichungen 7 und 8

© Analog Devices

Alles zusammengenommen – Gesamt-SNR der ADC-Signalkette

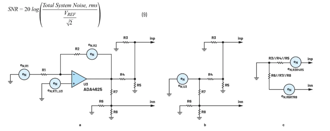
Das Gesamt-SNR des ADC-Signals wird durch den Gesamtrauschbeitrag des analogen Frontends (Analog Front End, AFE) und des ADC bestimmt, der auch Rauschen aus anderen Quellen enthalten kann. Das Gesamt-SNR der ADC-Signalkette wird angegeben durch:

Bild 11
Gleichung 9 und Abbildung 11: VOCM-Rauschmodell mit einem Verstärker
© Analog Devices

Dabei wird angenommen, dass VREF der positive Full Scale eines bipolaren angesteuerten ADC ist.

Im Allgemeinen kann das gesamte SNR der Signalkette in Abbildung 12 zusammengefasst werden.

Bild 12
Abbildung 12: Signalkette für die Datenerfassung am Frontend
© Analog Devices

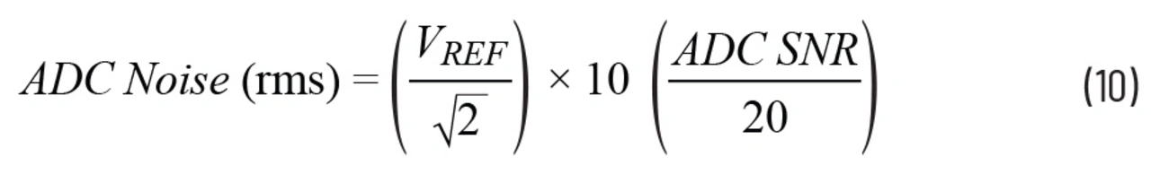
Das Rauschen des ADC in Kombination mit dem Rauschen am Eingang des AFE führt zu einem insgesamt verschlechterten SNR gegenüber dem theoretischen oder idealen Wert des ADC. Um das Rauschen des AFE mit dem des ADC zu kombinieren, muss das SNR des ADC in sein äquivalentes Rauschen mit Effektivwert umgewandelt werden, das wie folgt angegeben wird:

Gleichung 10

© Analog Devices

Das Modul ADAQ7767-1 hat beispielsweise ein typisches SNR von -106 dB und ein äquivalentes Effektivrauschen von 14,5 μV.

ADAQ7767-1 ist eine 24-Bit-Datenerfassungslösung mit integriertem ADC-Treiber und Antialiasing-Filter. Dieses Modul bietet drei selektierbare Verstärkungseinstellungen von 1 oder 0,364 oder 0,143 V/V. Es besitzt eine Rauschbandbreite (Bandwidth, BW) von 110 kHz bei 250 kSPS. Ein steiler Frequenzabfall oberhalb seiner Grenzfrequenz wird durch das integrierte digitale Brickwall-Filter ermöglicht. Da die ADA4625-1/ADA4625-2 ein typisches Breitband-Spannungsrauschen von 3,3 nV/√Hz aufweisen, ist der Ausgangsrauschbeitrag der Differenzstufe (U1 und U2) aus Abbildung 13 mit einer Rauschverstärkung von 6 wie folgt:

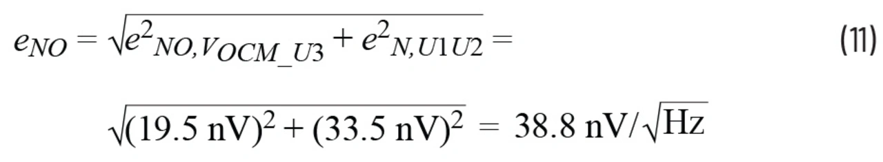
eN,V_U1U2 = [√2(3,3 nV)2] (500 Ω + 1,5 kΩ + 1 kΩ)/500 Ω = 28 nV⁄√Hz, aufgrund des U1- und U2-RTI-Rauschens, unter Verwendung von Gleichung 1.

eN,RES_U1U2 = √[2,87 nV(6)] 2 + (4 nV)2 + (4,97 nV)2 = 18,4 nV⁄√Hz, aufgrund des Widerstandsverstärkungsnetzwerks, unter Verwendung von Gleichung 3.

eN,U1U2 = √(28 nV) 2 + (18,4 nV) 2 = 33,5 nV⁄√Hz, Gesamtbeitrag des Ausgangsrauschens der Differenzstufe.

Aus Gleichung 8, in der der Äquivalenzwert der drei parallel geschalteten Widerstände (1 kΩ) 333,3 Ω zum Eingang der Differenzstufe beträgt, mit 2,3 nV/√Hz Rauschen:

eNO,V     _U3 = 6√2(2,3 nV)2 = 19,5 nV⁄√Hz, Ausgangsrauschbeitrag der Differenzstufe aufgrund der Widerstände R3 bis R8.

Damit errechnet sich das Gesamtausgangsrauschen, welches am Eingang des ADAQ7767-1 erscheint, wie folgt:

Gleichung 11

© Analog Devices

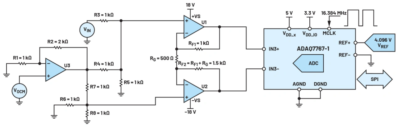
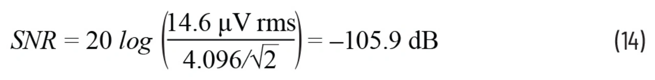
Für die Berechnung wird die Eingangsverstärkerstufe des ADAQ7767-1 auf 0,143 V/V konfiguriert und hat damit einen Eingangsbereich von ±28 V (56 V s-s). Kombiniert man das Rauschen des Eingangskreises mit dem Rauschen des Moduls, ergibt sich bei einem typischen SNR von -106 dB, was einem Rauschen von 14,5 μv rms entspricht, Folgendes:

Gleichung 12 und 13

© Analog Devices

Der Beitrag des Eingangskreises zum Gesamtsystemrauschen ist äußerst gering, was zum Teil auf die ausgewählte niedrige Eingangsverstärkung des ADAQ7767-1 zurückzuführen ist. Es gilt zu beachten, dass kein Filterbandbreiten-Anpassungsfaktor verwendet wird, wenn wir mit der Bandbreite multiplizieren, da das 110-kHz-Filter ein Digitalfilter mit Brickwall-Charakteristik ist. Aus dem typischen SNR von -106 dB ergibt sich daher das folgende SNR der Signalkette:

Gleichung 14

© Analog Devices

Die Rauschsimulation des Eingangskreises in Abbildung 13 mit LTspice (Abbildung 14) zeigt ein Effektiv-Gesamtrauschen von 12,3 μV rms bei einer Bandbreite von 110 kHz. Dies ist mit der Verstärkung von 0,143 V/V zu multiplizieren, was zu einem Rauschen von 1,8 μV rms am Eingang des ADAQ7767-1 führt und dem berechneten Wert des gesamten Eingangsrauschens entspricht.

Bild 14
Abbildung 14: LTspice-Rauschen in Abbildung 13 der ADAQ7767-1-Eingangsschaltung
© Analog Devices
Bild 13
Abbildung 13: Präzisionssignalkette des ADAQ7767-1 mit Hochspannungseingang.
© Analog Devices

Tabelle 1 zeigt das resultierende Gesamt-SNR der Signalkette unter Verwendung der anderen Verstärkungen des ADAQ7767-1.

Gesamte-AFE-Rauschen (FDA) in VrmsBandbreite in Hz (Brickwall)ADAQ7767-1 VerstärkungGesamt-ADC-Eingangsrauschen (Vrms)Gesamtsystemrauschen (Vrms)Gesamt-SRN (dB)
3,88E-081,10E+050,1431,84E-061,46E-05-105,94
3,88E-081,10E+050,3644,68E-061,52E-05-105,58
3,88E-081,10E+0511,29E-051,94E-05-103,49

Tabelle 1: Gesamt-SNR der Signalkette mit verschiedenen ADAQ7767-1-Verstärkungen

Wir haben nur die VOCM-Schaltung mit einem Verstärker aus Abbildung 13 verwendet. Die Schaltung kann genutzt werden, um eine große Eingangsspannung an ein Frontend-Signalkettensystem zu liefern, ohne dass dies einen signifikanten Einfluss auf die Rauschleistung hat. Die VOCM-Schaltung mit zwei Verstärkern kann bei gleicher Gesamtsignalverstärkung eine ähnliche Rauschleistung bieten. Die im Abschnitt »Rauschanalyse« dargestellten Rauschgleichungen, VOCM-Schaltung (U3 und U4), können zur Berechnung des Gesamtrauschens am Ausgang der VOCM-Schaltung mit zwei Verstärkern verwendet werden. Mit denselben Methoden und Konzepten lässt sich das Gesamt-SNR der Signalkette berechnen.

Fazit

Der Aufbau eines FDA mit diskreten Operationsverstärkern unter Verwendung des ADA4625-1/ADA4625-2, entsprechend den in diesem Artikel vorgestellten Schaltungen, bietet eine rauscharme Treiberlösung für hohe Spannungsfestigkeit und einstellbarem Gleichtakt, die sich zum Treiben einer Hochpräzisionssignalkette für die Datenerfassung mit einem weiten Eingangsspannungsbereich eignet. Eine entsprechende Konfiguration des Rückkopplungsnetzwerks der Differenzstufe erlaubt die Nutzung von symmetrischen oder unsymmetrischen Eingängen. Die VOCM-Schaltung mit einem Verstärker ist der VOCM-Schaltung mit zwei Verstärkern überlegen, da sie weniger Betriebsleistung und weniger Verstärker benötigt. Unser Beispiel zeigt, dass das Gesamt-SNR der ADAQ7767-1-Signalkette bei niedrigeren Verstärkungen nur unwesentlich durch die FDA-Schaltung beeinträchtigt wird. Es  ergeben sich Eingangsspannungsbereiche von ±4,096 V, ±11,264 V und ±28 V für Verstärkungen von 1 V/V, 0,364 V/V bzw. 0,143 V/V, wobei die niedrigste Verstärkung den weitesten Eingangsbereich bietet und am meisten von der Lösung profitiert.

Autor:

Darwin Tolentino ist derzeit Product/Test Development Manager bei Analog Devices in General Trias, Cavite, Philippinen, für die µModule-Präzisionssignalketten, welche integrierte und vollständige Lösungen für die Präzisionsdatenkonvertierung darstellen. Er kam im Jahr 2000 als Product Manufacturing Engineer zu ADI und wurde später Product and Test Development Engineer. Er entwirft ATE-Lösungen für verschiedene lineare und Präzisionsprodukte wie Verstärker, Referenzen und Wandler.


Lesen Sie mehr zum Thema


Das könnte Sie auch interessieren