Sensortechnologien im Vergleich

Auswahlkriterien für Temperatursensoren

24. März 2025, 16:34 Uhr | Mehrdad Peyvan, Analog Devices
Adobe Schmuckbild Temperatur
© student/stock.adobe.com

Temperatursensoren sind essenziell für vielfältige Anwendungen unter anderem in Industrie, Unterhaltungselektronik und Umweltüberwachung. Die Wahl des am besten geeigneten Temperatursensors kann jedoch schwierig sein. Welche Temperatursensoren gibt es, und welcher passt zu welcher Anwendung?

Diesen Artikel anhören

Bei der Suche nach dem passenden Temperatursensor für eine spezielle Anwendung sind einige grundlegende Faktoren zu berücksichtigen. Zunächst einmal ist es wichtig, den Temperaturbereich anzugeben, den die jeweilige Anwendung erfordert. Ebenfalls zu berücksichtigen sind die Anforderungen an Genauigkeit und Stromverbrauch, Größenbeschränkungen, Kommunikationsprotokoll (SMBus, SPI, I2C, 1-Wire, usw.) sowie der Kostenrahmen. Jede dieser Anforderungen trägt zur Eingrenzung des am besten geeigneten Bauelements bei.

Arten von Temperatursensoren

Aus technischer Sicht sind die vier beliebtesten Kategorien von Temperatursensoren die folgenden:

  • Widerstandstemperaturfühler (RTDs): RTDs bieten eine hohe Genauigkeit über einen begrenzten Temperaturbereich (-200 bis +850 °C). Wenn Genauigkeit Priorität hat, ist ein RTD die richtige Wahl.
  • Thermoelemente: Für Anwendungen, bei denen ein weiter Temperaturmessbereich erforderlich ist, kommen in der Regel Thermoelemente zum Einsatz. Zwar ist ihre Genauigkeit bei hohen Temperaturen (-270 bis +1800 °C) gering, für Situationen mit hohen Temperaturen sind sie dennoch die geeignete Wahl.
  • Thermistoren: Thermistoren sind kostengünstig und werden üblicherweise in der Unterhaltungselektronik eingesetzt. Sie bieten eine relativ gute Genauigkeit über einen begrenzten Temperaturbereich (-270 bis +1800 °C).
  • Diodenbasierte Sensoren: Diodenbasierte Sensoren nutzen den Spannungsabfall über einer Diode in Abhängigkeit von der Temperatur. Sie sind kostengünstig, haben einen begrenzten Temperaturmessbereich (-55 bis +150 °C), eine schnelle Reaktionszeit und sind zudem kleiner als die anderen drei Typen. Diodenbasierte Temperatursensoren können problemlos mit Mikrocontrollern, ADCs und ASICs verbunden werden. Sie haben ein breites Anwendungsspektrum in der Unterhaltungselektronik, der Industrieautomation, in Rechenzentren (Speichersystemen), in der Automobilindustrie und vielen anderen elektronischen Anwendungen.

Kommunikation

Das Ausgangssignal eines Temperatursensors kann eine analoge Spannung oder ein digitales Signal sein. Moderne Temperatursensoren verwenden digitale Kommunikation wie SMBus-, SPI-, I2C- und 1-Wire-Schnittstellen und ermöglichen so eine einfache Kommunikation mit Mikrocontrollern und anderen digitalen Bauelementen. Eine 1-Wire-Schnittstelle ermöglicht den Anschluss mehrerer Sensoren an eine einzige Datenleitung.

Genauigkeit

Die Wahl eines hochgenauen Temperatursensors ist unerlässlich, insbesondere für Anwendungen, die exakte Temperaturmessungen erfordern. Um dies zu erreichen, sollte ein RTD- oder ein diodenbasierter Temperatursensor mit Kalibrierung gewählt werden. 

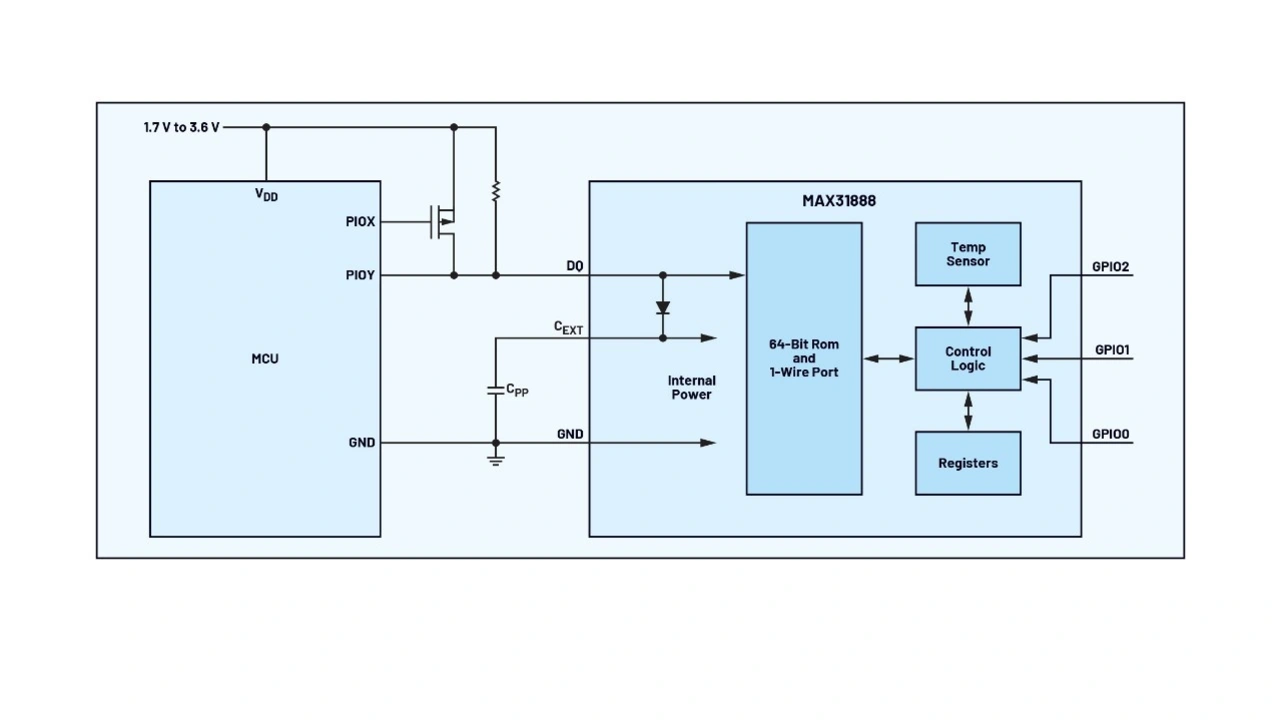
Bild 1: Typische Anwendungsschaltung mit dem MAX31888
Bild 1: Typische Anwendungsschaltung mit dem MAX31888
© Analog Devices

Ein Beispiel für einen sehr genauen Temperatursensor, den MAX31888, zeigt Bild 1. Dies ist ein hochpräziser 1-Wire-Digital-Temperatursensor mit geringem Stromverbrauch und einer beeindruckenden Genauigkeit von ±0,25 °C zwischen -20 und +105 °C. Der IC verbraucht während der Messung einen Betriebsstrom von 68 µA und hat eine Auflösung von 16 bit (0,005 °C). Der Sensor kommuniziert mit einem Mikrocontroller über einen 1-Wire-Bus, der für die Kommunikation nur eine Datenleitung (und eine Massereferenz) benötigt. Darüber hinaus kann der Sensor seinen Strom direkt über die Datenleitung durch parasitäre Energie beziehen, sodass keine externe Stromversorgung nötig ist. Der MAX31888 ist in einem μDFN-Gehäuse mit sechs Pins erhältlich. Bei Verwendung einer externen Stromversorgung beträgt die Versorgungsspannung 1,7 bis 3,6 V. Der Betriebstemperaturbereich liegt zwischen -40 und +125 °C.

Stromverbrauch und Größe

Bei batteriebetriebenen Geräten wie etwa Wearables sind Stromverbrauch und Größe (die eng miteinander zusammenhängen) die Schlüsselfaktoren für die Wahl des geringstmöglichen Versorgungsstroms und des kompaktesten Bauelements. Stromsparende Sensoren können die Ladezeit verkürzen und die Lebensdauer der Batterie verlängern, ohne die Genauigkeit zu beeinträchtigen. Bild 2 zeigt die neuesten Low-Power-Temperatursensoren und ihre Genauigkeit.

Bild 2: Low-Power-Temperatursensoren und ihre Genauigkeit
Bild 2: Low-Power-Temperatursensoren und ihre Genauigkeit
© Analog Devices

Der MAX31875 von Analog Devices ist ein lokaler Temperatursensor mit einer Genauigkeit von ±1 °C und einer I2C/SMBus-Schnittstelle. Er verbraucht einen mittleren Strom von <10 µA. Eine typische Anwendungsschaltung ist in Bild 3 dargestellt. Die Kombination aus besonders kleiner Gehäusegröße, hervorragender Temperaturmessgenauigkeit und sehr geringem Stromverbrauch macht dieses Bauteil ideal für eine Vielzahl von Geräten, insbesondere für batteriebetriebene Geräte und Wearables. Die I2C/SMBus-kompatible serielle Schnittstelle akzeptiert Standardbefehle zum Schreiben, Lesen, Senden und Empfangen von Bytes, um die Temperaturdaten auszulesen und das Verhalten des Sensors zu konfigurieren. Der MAX31875 ist in einem 4-Ball-Wafer-Level-Package (WLP)-Gehäuse erhältlich und arbeitet im Temperaturbereich von -50 bis +150 °C.

Bild 3: Typische Anwendungsschaltung mit dem MAX31875
Bild 3: Typische Anwendungsschaltung mit dem MAX31875
© Analog Devices

CPU, FPGA, ASIC usw. (mit integrierter Thermodiode)

Zum Schutz von Hochleistungs-ICs wie CPUs, FPGAs und ASICs integrieren Halbleiterhersteller einen mit einer Temperatursensor-Diode verbundenen Bipolartransistor. Weil der Transistor für die Temperaturmessung auf dem IC-Chip platziert ist, ist die Messgenauigkeit deutlich höher als bei anderen Messverfahren.

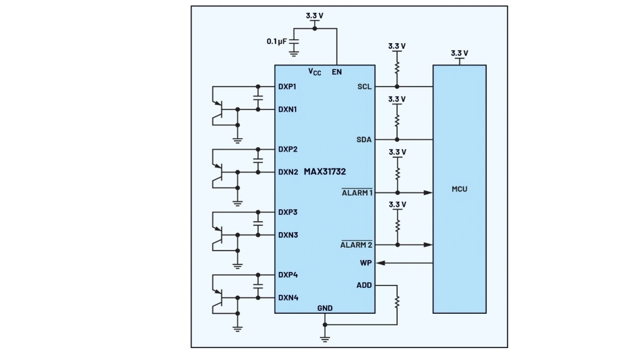
Analog Devices bietet mehrere ICs an, die speziell dafür entwickelt sind, die Temperatur einer Thermodiode präzise zu erfassen und in ein digitales Format umzuwandeln. Während einige dieser Bauelemente nur eine Thermodiode enthalten, können andere bis zu vier oder sogar acht aufweisen. Bild 4 zeigt einige dieser ICs, darunter die Typen MAX6654, MAX6655/MAX6656, MAX31730, MAX31732, und MAX6581.

Bild 4: Mehrkanal-Temperatursensoren für Remote- und lokale Messung
Bild 4: Mehrkanal-Temperatursensoren für Remote- und lokale Messung
© Analog Devices

Mit entsprechender Aufmerksamkeit bei der Gestaltung und interner und externer Filterung können Remote-Dioden-Sensoren auch in verrauschten Umgebungen wie beispielsweise Displays, Taktgeneratoren, Speicherbussen und PCI-Bussen eingesetzt werden.

Ein Beispiel für einen Remote-Temperatursensor zeigt Bild 5. Der MAX31732 ist der neueste Mehrkanal-Temperatursensor, der seine eigene Temperatur und die Temperaturen von bis zu vier externen, über Dioden geschaltete Transistoren überwacht. Eine Widerstandskompensation kompensiert den hohen Serienwiderstand zwischen den Leiterbahnen, der Leiterplatte und der externen Thermodiode, wobei die Beta-Kompensation Temperaturmessfehler aufgrund von Sensortransistoren mit niedrigem Beta-Wert korrigiert.

Bild 5: Typische Anwendungsschaltung mit dem MAX31732
Bild 5: Typische Anwendungsschaltung mit dem MAX31732
© Analog Devices

Dieses Bauelement verfügt über zwei Open-Drain-, Active-Low-Alarmausgänge, ¯("ALARM1" ) und ¯("ALARM2" ), um die primären Über- bzw. Untertemperaturgrenzwerte überwachen. Ein nichtflüchtiger Speicher (NVM) ermöglicht es dem Sensor, die Konfigurationsregister während des Einschaltens ohne Software-/Firmware-Eingriff zu programmieren. Die serielle 2-Wire-Schnittstelle akzeptiert SMBus-Protokolle (Byte schreiben, Byte lesen, Byte senden und Byte empfangen) zum Lesen der Temperaturdaten und Programmieren der Temperaturgrenzwerte.

Fazit

Durch das Verständnis der Anforderungen der Anwendung an Temperaturbereich, Genauigkeit, Umgebungsbedingungen, Ausgangsschnittstelle, Stromverbrauch und Kosten sowie die Bewertung der verfügbaren Optionen kann ein Temperatursensor ausgewählt werden, der den spezifischen Anforderungen entspricht und genaue und zuverlässige Temperaturmessungen in der jeweiligen Anwendung gewährleistet. Wird im Vorfeld Zeit und Mühe in die Auswahl des richtigen Temperatursensors investiert, kann dies langfristig zu einer besseren Leistung, Effizienz und Kosteneffektivität führen. Silizium-Temperatursensoren haben sich erheblich weiterentwickelt und sind mittlerweile so genau, dass sie ein hohes Maß an Präzision gewährleisten. Um dies zu erreichen, haben die IC-Entwickler viel Arbeit in die kalibrierte Trimmung gesteckt.

Mehrdad Peyvan kam 1995 zu Analog Devices und hatte in dieser Zeit verschiedene Positionen inne.
Mehrdad Peyvan, Analog Devices. 
© Analog Devices

Der Autor: Mehrdad Peyvan kam 1995 zu Analog Devices und hatte in dieser Zeit verschiedene Positionen inne. Derzeit ist er in San Jose, Kalifornien, als Application Manager für Temperatursensoren und Lüftertreiber in Produktanwendungen zuständig.


Lesen Sie mehr zum Thema


Das könnte Sie auch interessieren