HF-Verstärkerschaltungen

Störungsfrei dank Multilayer-Ferrit

26. Oktober 2022, 16:00 Uhr | Joanne Wu, Würth Elektronik eiSos, Ralf Higgelke
Würth Elektronik eiSos
© Würth Elektronik eiSos

In drahtlosen Kommunikationssystemen sind universell einsetzbare Hochfrequenzverstärker verbreitet. Damit ein solcher störungsfrei arbeitet, sind Multilayer-Ferrite eine Option, um HF-Signale von der DC-Versorgung zu entkoppeln.

Diesen Artikel anhören

Da die drahtlose Kommunikation allgegenwärtig ist, steigt der Bedarf nach universell einsetzbaren HF-Verstärkern, die sich in vielen Kategorien, von 5G-Systemen bis hin zu Funk- und Antennenanwendungen, einsetzen lassen. Bei der Entwicklung ei- nes HF-Verstärkers sind zunächst einige wichtige Parameter wie die Zielfrequenz und der Verstärkungsfaktor zu definieren. Durch die Auswahl der optimalen passiven Bauelemente können Schaltungsentwickler die Übertragungseigenschaften des Verstärkers erweitern und verbessern. Ein gut konzipiertes Layout, das HF-Signale und den Gleichstrom (DC) zur Versorgung der Verstärkerstufe in einer einzigen Leitung ohne Störungen und gegenseitige Beeinflussung übertragen kann, verbessert das HF-Verhalten zusätzlich.

Evaluierungsboard für HF-Gain-Block-Verstärker
Bild 1: Evaluierungsboard für HF-Gain-Block-Verstärker.
© Würth Elektronik eiSos

Eine Schlüsselkomponente für diesen störungsfreien Betrieb der Übertragung von Mischsignalen (HF und DC) ist die Induktivität, die beide Anteile entkoppelt. Üblicherweise kommt dafür eine Standardinduktivität zum Einsatz, eine Alternative sind Multilayer-Ferrite. Zum Vergleich und zur Bewertung des Ferrits und der Induktivität in dieser Applikation wurde ein Evaluierungsboard eines HF-Verstärkers realisiert und vermessen (Bild 1).

HF-Gain-Block-Verstärker

Ziel im Folgenden ist es, bei der Auswahl der passiven Bauelemente eine alternative Methode zur üblichen empfohlenen Applikationsschaltung im Datenblatt der HF-Verstärker-ICs zu bieten. Mit Online-Tools wie z. B. RedExpert von Würth Elektronik lassen sich die elektrischen Eigenschaften von passiven Bauelementen anhand realer Messwerte des gleichen Serientyps miteinander vergleichen, und die am besten geeigneten Induktivitäten und Kondensatoren ermitteln.

Eigenschaften der HF-Gain-Block-Verstärker ADL5544 und HMC311ST89 von Analog Devices
Tabelle 1: Eigenschaften der HF-Gain-Block-Verstärker ADL5544 und HMC311ST89 von Analog Devices.
© Würth Elektronik eiSos

Für die Messung wurden mit dem ADL5544 und HMC311ST89 von Analog Devices zwei Blockverstärker mit ähnlicher Verstärkung ausgewählt [1, 2]. Wie aus Tabelle 1 hervorgeht, stimmen die Spezifikationen beider Module nahezu überein. Die Hauptunterschiede sind die spezifizierte Betriebsbandbreite, die Rauschzahl und die Stromaufnahme, wobei der ADL5544 über einen integrierten Vorwiderstand (RBIAS) zur Strombegrenzung verfügt und der HMC311ST89 einen externen Vorwiderstand benötigt.

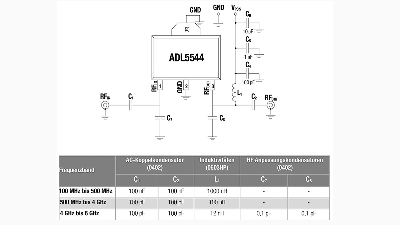
 Beschaltungsempfehlungen zum ADL5544 von Analog Devices
Bild 2: Beschaltungsempfehlungen zum ADL5544 von Analog Devices [1].
© Würth Elektronik eiSos

Der ADL5544 ist ein unsymmetrischer HF/ZF-Verstärker mit einer Verstärkung von 17 dB und einem breitbandigen Betrieb von 30 MHz bis 6 GHz. Der Schaltkreis verfügt über eine unabhängige Bias-Steuerschaltung, die im IC integriert ist. Die Applikation ist direkt aus dem Datenblatt entnommen (Bild 2). Der Schaltplan entspricht der Grundschaltung des Verstärkers, die Tabelle zeigt eine Liste der empfohlenen LC-Konfigurationen für den Betrieb des Bauelements in verschiedenen Frequenzbändern.

Wie in der Tabelle in Bild 2 angegeben, kann die Konfiguration der Platine angepasst werden, um im jeweiligen Frequenzband die beste Leistung zu erzielen. Die empfohlenen AC-Koppelkondensatoren C1 und C2 liegen zwischen den Werten 100 nF und 100 pF. Für die Induktivität L1 zur Entkopplung des HF-Signals werden drei verschiedene Induktivitätswerte für die jeweiligen drei Frequenzbereiche empfohlen. Dies ist in der Entwurfsphase Standard und gibt dem Anwender die Flexibilität, das Frequenzspektrum zu bestimmen und Bauelemente entsprechend zu ändern.

 Beschaltungsempfehlungen zum HMC3311ST89 von Analog Devices
Bild 3: Beschaltungsempfehlungen zum HMC3311ST89 von Analog Devices [2].
© Würth Elektronik eiSos

Der HMC311ST89 ist ein Single- Ended-Block-Verstärker. Ähnlich wie der ADL5544 bietet er eine Verstärkung von bis zu 16 dB über einen Frequenzbereich von DC bis 6 GHz. Dieses IC verfügt jedoch nicht über eine integrierte Bias-Steuerschaltung, weshalb ein externer Vorwiderstand erforderlich ist (Bild 3). Für eine stabilere Stromquelle kann ein kleiner, stromsparender und kostengünstiger linearer LED-Treiber verwendet werden. Der LED-Treiber BCR402W von Infineon Technologies beispielsweise kann im Gegensatz zu einem Vorwiderstand bei sehr geringem Spannungsabfall den Strom besser regeln.

Die Wechselstrom-Koppelkondensatoren C1 und C2 sind alle auf 100 pF ausgelegt, im Frequenzbereich um die 50 MHz liegt der Zielwert jedoch laut Tabelle des Datenblattes bei 0,01 μF. Dagegen wird eine Reihe verschiedener Induktivitäten L1 in Abhängigkeit von einer bestimmten Frequenz empfohlen.

HF-Signal abblocken

Da die beiden HF-Verstärker ähnliche Eigenschaften haben, wird die Induktivität entsprechend ausgewählt, um in beiden Schaltungen ein möglichst breites Frequenzspektrum abzudecken. Die Induktivität, die das HF-Signals abblocken soll, dient dazu, hochfrequente Signale durch eine hohe Impedanz zu entkoppeln und gleichzeitig Gleichstrom durchzulassen.

Die Werte der ausgewählten Induktivitäten im Überblick
Tabelle 2: Die Werte der ausgewählten Induktivitäten im Überblick.
© Würth Elektronik eiSos

Die Auswahl dieser HF-Drossel hängt also vom Betriebsfrequenzbereich des Verstärkers ab. Das bedeutet, dass Drosseln mit unterschiedlichen Werten nur in einem bestimmten Frequenzbereich gut entkoppeln. Der Nachteil besteht darin, dass eine neue Induktivität ausgewählt werden muss, wenn sich die Designspezifikationen ändern. Hier bietet sich ein Multilayer-Ferrit als unkonventionelle Alternative zur Induktivität an, der einen universellen Einsatz zu geringeren Kosten ermöglicht.

Die Multilayer-Ferrit-Bausteine WE-CBF HF (links) im Vergleich zu den gewickelten Keramik-Induktivitäten WE-KI SMT (rechts)
Bild 4: Die Multilayer-Ferrit-Bausteine WE-CBF HF (links) im Vergleich zu den gewickelten Keramik-Induktivitäten WE-KI SMT (rechts).
© Würth Elektronik eiSos

Tabelle 2 listet eine Reihe von Multilayer-Ferriten und Induktivitäten, die für den Einsatz als HF-Drossel in der beschriebenen Applikation verglichen wurden. Die WE-KI und die WE-KI HC (High Current) sind drahtgewickelte keramische Induk-tivitäten, die sich vor allem für HF-Anwendungen eignen. Die vom Hersteller empfohlenen Werte von 56 nH und 100 nH (siehe Bilder 2 und 3) bilden die Grundlage für den Vergleich mit den alternativen Multilayer-Ferriten. Bild 4 zeigt die Multilayer-Ferrite WE-CBF HF im Vergleich zu den gewickelten Keramik-Induktivitäten WE-KI SMT.

Multilayer-Ferrite sind passive Bauteile mit einer hohen Dämpfung über einen breiten Frequenzbereich. Ihre Funktion besteht hauptsächlich darin, hochfrequente Störungen in Signalzweigen zu reduzieren, indem sie im hohen Frequenzbereich als Impedanz (Widerstand) wirken, die Gleichstromsignale durchlässt und Wechselstromsignale herausfiltert. Da Multilayer-Ferrite in der Regel mit Impedanzwerten angegeben werden, ist zunächst die Induktivität zu berechnen, um sie der empfohlenen Anwendung zuzuordnen.

Die Induktivität eines Multilayer-Ferrits lässt sich anhand der Impedanz bei einer bestimmten Frequenz abschätzen. Diese angenäherte Induktivität L wird mit folgender Gleichung berechnet:

L=Z2π·f 

Dabei sind Z die Impedanz des Multilayer-Ferrits bei der angegebenen Frequenz und f die angegebene Frequenz.

Bei Induktivitäten haben Faktoren wie der DC-Bias (Sättigung durch Gleichstrom) einen geringeren Einfluss auf den Erhalt der Induktivität, solange die Induktivitäten nicht in Sättigung gehen. Im Gegensatz dazu beeinflusst der DC-Bias die Multilayer-Ferrite stark und der Strom durch das Bauteil verändert die Induktivität über einen bestimmten Frequenzbereich. Die Multilayer-Ferrite sättigen in Abhängigkeit des durchfließenden DC-Stroms (Bias-Strom), wodurch sich die Impedanzkurve im unteren Frequenzbereich (<100 MHz) ändert und sich gleichzeitig die Eigenresonanzfrequenz (SRF) zu höheren Frequenzen hin verschiebt. Daher sollten Schaltungsentwickler die Impedanz in Abhängigkeit des Betriebsstromes annähern, um die korrekte Induktivität bei der Anwendung anzunähern.

Impedanzkurven der HF-Drosseln WE-CBF 742792656 (gelb), WE-CBF HF 742863160 (blau) und WE-TMSB 74269262601 (grün) bei 0,1 A
Bild 5: Impedanzkurven der HF-Drosseln WE-CBF 742792656 (gelb), WE-CBF HF 742863160 (blau) und WE-TMSB 74269262601 (grün) bei 0,1 A.
© Würth Elektronik eiSos

Mit der auf realen Messwerten basierten Online-Design-Plattform RedExpert von Würth Elektronik lassen sich die Impedanz und andere elektrische Eigenschaften beliebiger Multilayer-Ferrite bei jeder Betriebsfrequenz und jedem DC-Bias bestimmen. Laut Datenblatt beträgt die Stromaufnahme des Verstärkers etwa 55 mA. Wie Bild 5 zeigt, beträgt der kleinste in RedExpert dargestellte Nennstromwert für alle ausgewählten Multilayer-Ferrite 100 mA. Dies ist ein um den Faktor 2 höherer Strom, als der in der Applikation verwendete, sodass die dargestellte Kurve eine niedrigere Impedanz ergibt und damit einen ungünstigeren Fall darstellt (Worst Case).

Berechnete Induktivitätswerte für den Multilayer-Ferrit WE-CBF HF 742863160
Tabelle 3: Berechnete Induktivitätswerte für den Multilayer-Ferrit WE-CBF HF 742863160.
© Würth Elektronik eiSos

Der Multilayer-Ferrit WE-CBF HF 742863160 mit einem Bias-Strom von 100 mA soll als Beispiel die Situation verdeutlichen. Der Induktivitätswert L ergibt sich durch die Impedanz Z zu 240 Ω bei einer Frequenz f von 100 MHz mit L von 382 nH. Die für verschiedene Frequenzen berechneten Induktivitäten sind in Tabelle 3 aufgeführt und zeigen, dass im Bereich von 100 MHz bis 500 MHz die Induktivität zwischen 382 nH und 239 nH liegt.

Obwohl dieser Induktivitätsbereich unter dem empfohlenen Bereich liegt, lässt er sich durch Hinzufügen eines zweiten Multilayer-Ferrits in Serie kompensieren. Dadurch wird der Wertebereich über der Frequenz im Bereich von 478 nH bis 764 nH erweitert. Dies ist ein akzeptabler Bereich, zumal ja auch die Impedanz in dem hier dargestellten Beispiel geringer ist, da ein höherer Bias-Strom als Testbedingung (TC) angesetzt wurde. Im HF-Bereich kann der einzelne WE-CBF HF eine Induktivität von 5,3 nH erreichen, was deutlich unter dem empfohlenen Wert von 12 nH liegt.

Indem man zwei Ferrite in Reihe schaltet, lässt sich jedoch das gesamte nutzbare Spektrum des Verstärkerblocks abdecken. Insgesamt bieten Multilayer-Ferrite die Möglichkeit, das größtmögliche Frequenzspektrum abzudecken. Im Gegensatz dazu stehen die einzeln selektierten Induktivitäten, die lediglich für unterschiedliche Frequenzbereiche geeignet sind. Obwohl Multilayer-Ferrite und keramische Induktivitäten in Standardanwendungen unterschiedliche Aufgaben haben, sind sie hier ein geeigneter Ersatz und können eine bessere Leistung als eine klassische Induktivität erzielen.

DC-Abblockkondensator auswählen

Im HF-Pfad ist ein DC-Abblockkondensator erforderlich. Dieser stoppt den Fluss von Gleichstrom, während er die HF-Signale durchlässt. Sie lassen sich als Hochpassfilter auffassen und werden in der Regel durch die Anordnung von Kondensatoren in Serie mit der HF-Übertragungsleitung eingebaut. Das Hinzufügen eines DC-Abblockkondensators führt jedoch bei hohen Frequenzen zu einer Diskontinuität in der Übertragungsleitung, weshalb die Wahl eines geeigneten Kondensators entscheidend ist.

Impedanzkurven der Kondensatoren WCAP-CSGP der Baugröße 1206 mit 100 μF (dunkelblau), der Baugröße 0805 mit 47 μF (gelb), der Baugröße 0402 mit 100 nF (grün) und der Baugröße 0402 mit 100 pF (hellblau)
Bild 6: Impedanzkurven der Kondensatoren WCAP-CSGP der Baugröße 1206 mit 100 μF (dunkelblau), der Baugröße 0805 mit 47 μF (gelb), der Baugröße 0402 mit 100 nF (grün) und der Baugröße 0402 mit 100 pF (hellblau)
© Würth Elektronik eiSos

Kondensatoren mit kleineren Kapazitätswerten haben normalerweise eine höhere Eigenresonanzfrequenz (SRF), während größere Werte eine niedrigere SRF aufweisen. Dies lässt sich anhand des RedExpert-Diagramms in Bild 6 nachvollziehen. Hier sind die Impedanzkurven von vier gängigen Kapazitätswerten in verschiedenen Größen dargestellt. Beide Verstärkerdatenblätter empfehlen den Einsatz von Kondensatoren in der Gehäusegröße 0402 mit einem Wert zwischen 100 pF (grüne Kurve) und 100 nF (hellblaue Kurve). Um optimale Ergebnisse zu erzielen, werden abhängig vom Frequenzbereich der Applikation die Kondensatorwerte so gewählt, dass der Signalpfad eine niedrige Impedanz hat, den Gleichstrom jedoch blockiert.Aufgrund ihrer SRF haben reale Kondensatoren einen begrenzt nutzbaren Frequenzbereich. Nach dem Impedanzdiagramm zu urteilen, ist bei Kondensatoren mit höheren Werten die Impedanz bei der Resonanzfrequenz niedriger und liegt bei einer niedrigeren Frequenz als bei Bauteilen mit kleineren Werten.

Zum Beispiel beginnt der SRF-Punkt des 100-pF-Kondensators in Größe 0402 bei 1 GHz mit einem hohen Impedanzwert von 800 mΩ. Ein 100-μF-Kondensator der Baugröße 1206 hat dagegen seine SRF bei 1 MHz mit einer Impedanz von 2,5 mΩ.

Neben einer niedrigen Impedanz ist auch eine breitbandige Nutzbarkeit erforderlich, um das gesamte Spektrum des Verstärkers auszunutzen. Tabelle 4 schlüsselt die Impedanzwerte zwischen 10 kHz bis 1 GHz auf.

Kondensator (Baugröße)100 μF (1206)47 μF (0805)100 nF (0402)100 pF (0402)
Impedanz 0,33 – 1,28 Ω0,522 – 1,10 Ω180 – 5,53 Ω10k - 0,797 Ω

Tabelle 4: Kondensatoren WCAP-CSGP, Impedanz im Frequenzbereich 10 kHz bis 1 GHz

HF-Platinen-Layout und mehr

Tipps zu einem HF-tauglichen Platinen-Layout und eine detaillierte Beschreibung des Messaufbaus sowie eine umfangreiche Auswertung und Interpretation der Messungen zu den Aspekten DC-Bias, einem Vergleich verschiedener Multilayer-Ferrite und ihr Einsatz zusammen mit den HF-Gain-Block-Verstärkern sind in [3] dargestellt.

Literatur

[1] Datenblatt ADL5544 (Rev. A): 30 MHz to 6 GHz RF/IF Gain

Block, Analog Devices (aufgerufen am 08.09.2022)

[2] Datenblatt HMC311ST89/311ST89E: InGaP HBT Gain Block MMIC Amplifier, DC - 6 GHz, Analog Devices (aufgerufen am 03.09.2022).

[3] Wu, J.: HF-Gain-Block-Verstärker mit integriertem Multilayer-Ferrit für Breitbandbetrieb. Application Note ANP101 (aufgerufen am 03.09.2022).

Die Autorin

Joanne Wu von Würth Elektronik eiSos
Joanne Wu von Würth Elektronik eiSos.
© Würth Elektronik eiSos

Joanne Wu

studierte an der TU München und schloss ihr Studium der Elektro- und Informationstechnik mit dem Master-Grad ab. Seitdem arbeitete sie an der Entwicklung neuer Verfahren zur Impedanzmessung und verbesserte den Messbereich hin zu höheren Frequenzen und Strömen. Seit 2018 ist Wu Produkt-Managerin bei Würth Elektronik eiSos und verantwortet EMV-Komponenten und Ferrite für die Montage auf Platinen.

Anbieter zum Thema

zu Matchmaker+

Lesen Sie mehr zum Thema


Das könnte Sie auch interessieren