Filterkomponenten Für Schaltregler

Perfekter Audiogenuss

15. Mai 2014, 10:20 Uhr | von Stefan Klein

Selbst empfindliche analoge Schaltungen wie Audioverstärker lassen sich mit Schaltreglern versorgen. Allerdings muss der Entwickler dann sehr auf die Auswahl der Filterkomponenten achten und wie er das Layout der Platine gestaltet. Ein Fallbeispiel.

Diesen Artikel anhören

Geräte der Unterhaltungselektronik, gerade im Audiobereich, werden meist noch mit analogen Verstärkern aufgebaut. Zu ihrer Spannungsversorgung werden mittlerweile vermehrt Schaltregler eingesetzt, weil sie einen hohen Wirkungsgrad erzielen. Schaltregler sind getaktete Schaltungen, die unterschiedliche Störquellen aufweisen und zu diversen EMV-Störungen führen können. Klassische Störungen wie die leitungsgebundenen Störungen stehen jedoch nicht in jeder Schaltung im Vordergrund. In analogen Verstärkerschaltungen können Schaltregler zu nichtlinearen Verzerrungen führen.

Doch selbst analoge Schaltungen können mit Schaltreglern versorgt werden, sofern ein besonderes Augenmerk auf eine Filterung der Störungen und das Layout der Leiterplatten gelegt wird. Allerdings ist
Filter nicht gleich Filter. In Abhängigkeit von der Frequenz, mit der die Störung behaftet ist, werden unterschiedliche Filterspulen betrachtet. Bei hochfrequenten Störungen kommen Drahtspulen mit relativ niedriger Eigenresonanzfrequenz nicht mehr in Frage. Ausgewählt werden hierfür SMD-Ferrite, die in großer Vielfalt von Würth Elektronik angeboten werden. Dieser Fachbericht befasst sich mit dem EMV-gerechten Design von DC/DC-Schaltreglern für analoge Audioverstärker, unter Verwendung von SMD-Ferriten von Würth Elektronik.

Bei analogen Verstärkern unterscheidet man zwischen Class A, B und AB. Class-A-Verstärker arbeiten mit einem einzigen Ausgangstransistor, der im linearen Teil seiner Kennlinie betrieben wird und dadurch eine hervorragende Linearität aufweist. Class-B-Verstärker erweitern dieses Konzept mit einem zweiten Transistor, von denen einer für die positive und der andere für die negative Halbwelle des Audiosignals zuständig ist. Somit wird der hohe Ruhestrom vermieden, und der Wirkungsgrad beträgt (theoretisch) bis zu 78,5%. Class-AB-Verstärker sind eine Kombination aus den beiden anderen. Die Schaltung besteht wie Class B aus zwei Transistoren, ist aber derart erweitert, dass ein DC-Ruhestrom fließt (wie bei Class A, aber deutlich weniger), der dafür sorgt, dass die beim Crossover auftretenden Verzerrungen minimiert werden.

Crossover ist der Wechsel von positiver beziehungsweise negativer Halbwelle von einem zum anderen Transistor. Die AB-Verstärkertechnik ist inzwischen ausgereift: Die Linearität bekommt man mit Differenzverstärkern in den Vorstufen in den Griff, und ersetzt man die bipolaren Transistoren durch MOSFETs, erhält man leistungsfähige und sehr rauscharme Verstärker.

Störquellen und Kopplungsmechanismen

Zunächst ist zwischen der leitungsgebundenen und der abgestrahlten Störaussendung zu unterscheiden. Am Eingang des Schaltreglers fließt der Eingangsstrom mit einem überlagerten Wechselstromanteil, der eine hohe HF-Energie beinhaltet. Diese Energie wird durch den Gegentaktstrom hervorgerufen und hat die gleiche Frequenz, mit welcher der Schaltregler taktet. Wegen des Eingangsstroms entsteht an den Impedanzen des Eingangskreises und dem äquivalenten Serienwiderstand (ESR) des Eingangskondensators eine Störspannung, die elektrische Geräte stören kann.

Ausgangsseitig fließt über den Ausgangskondensator des Schaltreglers ein Wechselstromanteil, der über dem ESR des Ausgangskondensators zu einer unerwünschten Restwelligkeit führt. Sie kann nachfolgende analoge oder HF-Schaltkreise stören. Über wegführende Leitungen kann es im Folgenden zur Störabstrahlung kommen, da die Leitungen wie Antennen die Störungen über die Luft übertragen.

Nicht zu vernachlässigen ist das Leiterplatten-Layout der Schaltung. Leiterschleifen im Layout wirken wie Antennen, da getaktete Ströme mit einem hohem di/dt fließen, die wiederum eine sehr hohe HF-Energie beinhalten. Die Leiterschleifen wirken wie sogenannte Rahmenantennen und erhöhen die Störfeldstärke über die Luft und damit die Störaussendung. Selbst bei einem »sauberen« Leiterplatten-Layout besteht nach wie vor die Gefahr, dass es schaltungsintern zu einer Kopplung der Störungen kommt und die HF-Energie über andere Schaltungsteile oder über Leitungen abgestrahlt wird.

Ein elektrisches Wechselfeld, beispielsweise verursacht durch Schaltvorgänge mit hohem du/dt, führt zu einer kapazitiven Kopplung zwischen benachbarten Schaltkreisen oder Leitungen. Sie hängt ab von der Länge und Anordnung der Leitungen als auch vom Medium zwischen den Leitungen, das als Dielektrikum agiert. Eine kapazitive Kopplung erfordert einen Abstand d, der unterhalb von 10% der Wellenlänge λ liegt (d < λ/10).

Analog hierzu erzeugen Wechselströme mit hohem di/dt ein magnetisches Wechselfeld und können in benachbarte Schaltkreise oder Leitungen eine Störspannungen induzieren. So entsteht eine magnetische Verkopplung. Sie hängt von der Geometrie der einzelnen Leitungen sowie dem Abstand und der Anordnung der einzelnen Leitungen zueinander ab. Eine magnetische Kopplung erfordert eine Leitungslänge l, die weniger als 25% der Wellenlänge beträgt (l < λ/4). Beide Kopplungsarten nehmen mit zunehmendem Abstand ab.

Bild 1: Kugelkoordinatensystem der Rahmenantenne
Bild 1: Kugelkoordinatensystem der Rahmenantenne
© Würth Elektronik eiSos

Schließt eine Leitung sich in der Schaltung selbst über diverse Bauteile zu einer Schleife, wird daraus eine Rahmenantenne. Ob rund, ob eckig, egal welche Geometrie – sie wirkt wie eine Rahmenantenne. Diese Leiterschleife baut, wenn sie von einem Wechselstrom mit hohem di/dt durchflossen wird, ein magnetisches Wechselfeld auf. Damit es zur Abstrahlung kommt, muss die Leiterschleife l im Vergleich zur Wellenlänge des Wechselstroms λ klein sein.

Maßgebend für ihre Antennencharakteristik und die elektrische Feldstärke ist somit die Frequenz f, die aufgespannte Fläche A, der Strom I und die Distanz r zwischen der Rahmenantenne und der Leitung. Bild 1 zeigt das Kugelkoordinatensystem der Rahmenantenne. Steigen Strom oder Frequenz oder vergrößert sich die aufgespannte Fläche, erhöht sich auch die magnetische Feldstärke. Parameter wie Strom oder Frequenz im Schaltreglerdesign sind feste Parameter der Schaltung und sollten nicht verändert werden. In der Praxis werden daher Leiterschleifen minimiert und das Leiterplatten-Layout optimiert.

Leiterschleifen bei Schaltreglern

Bild 2: Schaltbild eines Abwärtsreglers mit seinen verschiedenen Schaltzuständen
Bild 2: Schaltbild eines Abwärtsreglers mit seinen verschiedenen Schaltzuständen
© Würth Elektronik eiSos

Bild 2 zeigt den prinzipiellen Aufbau eines Abwärtswandlers und seine Betriebszustände. Im Betrieb gibt es zwei Zustände. Beim ersten ist der Schalter T, im diesem Beispiel ein n-Kanal-MOSFET, geschlossen. Der Strom fließt in einer Schleife von den Eingangsklemmen über den MOSFET, die Spule, den Ausgangskondensator und dann über die gemeinsame Masse zurück zum Eingangskondensator. Die grün gestrichelte Linie zeigt den Strompfad (i1 = i2). Im zweiten 
Betriebszustand ist der Schalter geöffnet. Da die Spule den Strom aufrechterhalten will, fließt der Strom nun von der Spule über den Ausgangskondensator und die Freilaufdiode D. Die orange gestrichelte Linie zeigt den Strompfad (i3 = i2). Der Strom i2 fließt im nicht lückenden Betrieb kontinuierlich durch die Spule.

Die Ströme i1 durch den Schalter und i3 durch die Freilaufdiode fließen ein- beziehungsweise ausgeschaltet. Ihre Wechselstromanteile weisen ein sehr hohes di/dt auf, das magnetisch in benachbarte Schaltkreise oder Leitungen gekoppelt werden kann. Kritisch ist auch der Schaltknoten (Hot Node) zwischen Schalter, Freilaufdiode und Spule, weil die Spannung an diesem Punkt ein- und ausgeschaltet wird. Das du/dt der Schaltflanken ist hier am größten und kann kapazitiv in benachbarte Schaltkreise oder Leitungen koppeln. Aufgrund der steilen Schaltflanken der Ströme i1 und i3 ist die rot gestrichelte Linie die kritischste Leiterschleife im Leiterplatten-Layout eines Aufwärtsreglers. Sie wird als »heiße Schleife« (Hot Loop) bezeichnet. Diese Leiterschleifen wirken wie Rahmenantennen und geben ihre magnetische Energie im Nahfeld ab. Das abgestrahlte Feld ist proportional zum Quadrat der Frequenz f, der aufgespannten Fläche A, dem Strom I und dem Abstand r zwischen der Leiterschleife und einer Empfängerantenne (Gleichung (1)).

(1) E open square brackets i n µ V divided by m space close square brackets space equals space k space times fraction numerator f subscript R squared open square brackets i n space H z close square brackets space times space A open square brackets i n space m m squared close square brackets space times space I subscript i n end subscript open square brackets i n space A close square brackets over denominator r open square brackets i n space m close square brackets end fraction space equals
space space space space space space space space space space space space space space space space space space space space space space space space space equals space 263 times 10 to the power of negative 16 end exponent space times fraction numerator open parentheses 72 times 10 to the power of 6 close parentheses space times 24 times 0 comma 68 over denominator 10 end fraction space equals
space space space space space space space space space space space space space space space space space space space space space space space space space equals space 223 µ V divided by m

 
Ein Zahlenbeispiel soll zeigen, zu welcher elektrischen Feldstärke eine Leiterschleife in einem Schaltregler führt. Die Anstiegszeit tr sei 14 ns, der Effektivwert des Eingangsstroms Iin 0,68 A und die Schleifenfläche A sei 24 mm². Als größter störendender Anteil wird in diesem Beispiel die Frequenz der Schaltflanke am Schaltknoten gewählt. Die steile Schaltflanke führt bei ungünstigem Layout im Weiteren zur Resonanz und schwingt mit der Frequenz der Anstiegszeit (fR = 1/tR). Eine Anstiegszeit der Schaltflanke am Schaltknoten von 14 ns entspricht einer Frequenz fR von circa 72 MHz. Damit ergibt sich durch die Faustformel aus Gleichung (1) eine Feldstärke bei einem Abstand r von 10 m von dem Schaltregler von 223 µV/m beziehungsweise 47 dBµV/m, wobei k der Kopplungsfaktor zwischen zwei magnetischen Kreisen ist (hier 263 ∙ 10-16).

Beispielweise legt die CISPR 22 Class A im Frequenzbereich von 30 MHz bis 230 MHz einen Grenzwert der Feldstärke von 40 dBµV/m fest. Dies gilt für eine Messung des Prüflings im Abstand von 10 m zur Antenne. Dieses Zahlenbeispiel zeigt, dass bereits eine kleine Leiterschleife zu einer Feldstärke führt, die weit über dem Grenzwert liegt.

Daraus leiten sich für das Layout der Leiterplatten zwei wichtige Grundsätze ab: Erstens sollte die heiße Schleife so klein wie irgend möglich sein, und zweitens sollten die verschiedenen Massen – analoge Masse (z.B. für die Filter), Power-Ground und evtl. Digital-Masse – streng voneinander getrennt sein.

Auswahl der Filterbauelemente

Bild 3: Schaltplan des Abwärtsreglers
Bild 3: Schaltplan des Abwärtsreglers
© Würth Elektronik eiSos

Im Folgenden wollen wir einen Abwärtsregler als Beispiel heranziehen. Trotz der Gefahr von nichtlinearen Verzerrungen ist es möglich, die Spannungsversorgung basierend auf einem Schaltregler zu realisieren. Besonderes Augenmerk wird in diesem Fall auf die Filter für die Ein- und Ausgänge des Schaltreglers und das Layout gelegt. Bild 3 zeigt auszugsweise einen solchen Schaltregler für einen Analogverstärker.

In diesem Beispiel habe der Abwärtsregler eine Taktfrequenz von 570 kHz. Versorgt wird der Schaltregler über das System von einem Tischnetzteil. Da in diesem Fall der Schaltregler eine Komponente eines gesamten Systems darstellt und nicht direkt mit Netzspannung versorgt wird, entfällt eine EMV-Prüfung der Funkstörfeldstärke. In erster Linie gilt es daher nicht, die Störspannung am Eingang des Schaltreglers zu unterdrücken, sondern eine kapazitive Kopplung in benachbarte Schaltkreise zu verhindern.

Bild 4: Screenshot des »Component Selectors« mit gewähltem SMD-Ferrit
Bild 4: Screenshot des »Component Selectors« mit gewähltem SMD-Ferrit
© Würth Elektronik eiSos

Zum Unterdrücken kapazitiver Kopplung in der Zuleitung wird vor dem Eingang des Schaltreglers mit L2 ein SMD-Ferrit eingesetzt. In Kombination mit dem Eingangskondensator C4 bildet das Bauteil einen Tiefpass. Der SMD-Ferrit ermöglicht eine breitbandige Filterung bis in den hohen Megahertzbereich und unterdrückt so die Oberwellen der Schaltflanken. Zur Auswahl des SMD-Ferrits wird der »Component Selector«, ein kostenloses Designprogramm von Würth Elektronik verwendet [1]. Mithilfe dieses Tools lässt sich der passende SMD-Ferrit auswählen, da die Software nach elektrische Eigenschaften und Kurven filtern kann.

Bild 4 zeigt im Component Selector einen Filter, der zur Frequenz der dritten Oberwelle SMD-Ferrite mit einer Impedanz zwischen 10 Ω und 100 Ω listet. Im oberen Fenster des Tools ist das Ergebnis zu sehen. Es wird der »WE-CBF 742792040« von Würth im Gehäuseformat 0805 verwendet, da er über einen geringen Serienwiderstand RDC von 150 mΩ verfügt und Nennströme bis 2 A zulässt.

Ein geringer RDC ist wichtig, weil er als Vorwiderstand den Wirkungsgrad des Schaltreglers reduziert. Im unteren Fenster werden die Kurven des Scheinwiderstands (Impedanz), des Blindwiderstands (Reaktanz) und des Wirkwiderstands (Resistanz) gezeigt. Bei der Auswahl des SMD-Ferrits ist es wichtig, über einen weiten Frequenzbereich eine hohe Einfügedämpfung erreichen zu können.

Bild 5: Impedanzkurve des gewählten Kondensators (rote Linie) mit der Taktfrequenz des Schaltreglers (grüne Linie)
Bild 5: Impedanzkurve des gewählten Kondensators (rote Linie) mit der Taktfrequenz des Schaltreglers (grüne Linie)
© Würth Elektronik eiSos

Als Filterkondensator kommt ein 10 µF großer Keramikkondensator zum Einsatz, da diese Bauteile einen geringen ESR haben. Dies ist vorteilhaft, da der Filterkondensator zur Resonanzfrequenz fR eine hohe Güte Q aufweist. Diese ist erforderlich, um eine möglichst geringe Impedanz zu erzeugen, damit die störenden Frequenzanteile niederimpedant nach Masse kurzgeschlossen werden können.

Bild 5 zeigt die Impedanzkurve des verwendeten Filterkondensators, wobei die rote Kurve den Impedanzverlauf zeigt. Im oberen Abschnitt können die Werte für den ESR und den ESL abgelesen werden. Die untere Spitze der Kurve zeigt deutlich die Resonanzfrequenz des Kondensators, bei dem die Impedanz XC am niedrigsten ist. Dieser Wert ergibt sich nach Gleichung (2) aus dem ESL von 10 nH und der Kapazität von 10 µF zu 1,6 MHz.

(2) f subscript 0 space equals space fraction numerator 1 over denominator 2 straight pi space times space square root of ESL space times space straight C end root end fraction

Der Filterkondensator sollte einen Kapazitätswert haben, mit dem die Resonanzfrequenz fR nahe, aber oberhalb der Taktfrequenz des Schaltreglers liegt. Der grüne Balken in Bild 5 deutet die Taktfrequenz des Schaltreglers an. Da die erzeugte Störspannung des Schaltreglers bei der Taktfrequenz am größten ist, soll diese mit möglichst niedriger Impedanz nach Masse kurzgeschlossen werden. Jedoch sind auch die Harmonischen des Schaltreglers zu betrachten, sodass fR leicht oberhalb der Taktfrequenz liegt.

Wirkung des Filters

Bild 6: Impedanzabhängigkeit des Tiefpassfilters
Bild 6: Impedanzabhängigkeit des Tiefpassfilters
© Würth Elektronik eiSos

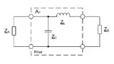
Der Tiefpass aus dem SMD-Ferrit L2 und dem Filterkondensator C4 bildet eine Einfügedämpfung, die von der Last und Quellimpedanz der Schaltung abhängig ist.

Bild 6 zeigt das Schaltbild der Impedanzen des Filters. In diesem Anwendungsfall stellt der Eingang des Schaltreglers die Quellimpedanz ZB, und die Zuleitung die Lastimpedanz ZA dar.

Die Einfügedämpfung des Filters AF wird beim Tiefpass aus Gleichung (3) definiert.

(3) A subscript F space equals space 20 space times space log space open parentheses fraction numerator Z subscript B space plus space Z subscript L space plus space begin display style fraction numerator Z subscript A space times space Z subscript C over denominator Z subscript A space plus space Z subscript C end fraction end style over denominator begin display style fraction numerator Z subscript A space times space Z subscript c over denominator z subscript A space plus space Z subscript C end fraction end style end fraction close parentheses

Problematisch bei der Berechnung ist die Ermittlung der Quell- und Lastimpedanz, da sie meist unbekannt sind. Die Quellimpedanz, in diesem Fall der Eingang des Schaltreglers, lässt sich messtechnisch ermitteln. Dagegen kann die Lastimpedanz variieren, weil sie die zu versorgende, unbekannte Schaltung darstellt. Daher können über einen Wert der Last¬impedanz nur Annahmen getroffen werden. Aus diesem Grund wird die Impedanz des Filters in »LTSpice« von Linear Technology [2] im 50-Ω-System simuliert.

Bild 7: Simulation des Filters in »LTSpice«
Bild 7: Simulation des Filters in »LTSpice«
© Würth Elektronik eiSos

Dieses Simulationswerkzeug verfügt über eine umfassende Bibliothek, in der eine Vielzahl von Produkten von Würth Elektronik hinterlegt sind. Bild 7 zeigt auf der linken Seite den schematischen Aufbau des Filters und auf der rechten Seite den Dämpfungsverlauf des Filters. Bei der Taktfrequenz von 570 kHz wird eine Dämpfung von 71 dB erzielt, die mit steigender Frequenz abfällt.

Bild 8: Störspannung am Eingang des Schaltreglers
Bild 8: Störspannung am Eingang des Schaltreglers
© Würth Elektronik eiSos

Der Eingangsfilter reduziert im Zeitbereich die Amplitude der Störspannung. Da in diesem Anwendungsfall die kapazitive Kopplung der Störspannung unterdrückt werden soll, kann das Resultat des Filters mit einem Oszilloskop untersucht werden. Bild 8 zeigt die Messung der Störspannung an Testpunkt 2 (TP2 im Bild 3), dem direkten Schaltregler-Eingang. Es liegt ein deutlich hoher Wechselspannungsanteil mit einer Amplitude von 120 mV an. Damit die Störspannung nicht die Leitung passiert oder sich in benachbarte Schaltkreise koppeln kann, ist der Filter unmittelbar vor dem Eingang des Schaltreglers platziert.

Bild 9: Störspannung am Filterausgang
Bild 9: Störspannung am Filterausgang
© Würth Elektronik eiSos

Bild 9 zeigt die Störspannung mit dem Eingangsfilter (TP1). Die Messung zeigt, dass der Eingangsfilter die Störspannung auf nur noch 20 mV reduziert und besonders die Schaltspitzen unterdrückt. Somit liegt die Störspannung in einem unkritischen Bereich.

Analog hierzu lässt sich diese Messung am Ausgang des Schaltreglers durchführen, um die Amplitude der Restwelligkeit zu prüfen. Sowohl am 
Eingang, als auch am Ausgang des Schaltreglers werden die gleichen Filterkomponenten verwendet. Der SMD-Ferrit L203 und der Kondensator C206 (siehe Bild 3) bilden den Ausgangsfilter.

Bild 10: Restwelligkeit am Ausgang des Schaltreglers
Bild 10: Restwelligkeit am Ausgang des Schaltreglers
© Würth Elektronik eiSos

Bild 10 zeigt die Restwelligkeit am Schaltreglerausgang des Testpunktes 3 (TP3 aus Bild 3) mit einem Wechselspannungsanteil von 80 mV. Dieser ist noch zu hoch, um analoge Schaltkreise versorgen zu können.

Bild 11: Restwelligkeit am Filterausgang
Bild 11: Restwelligkeit am Filterausgang
© Würth Elektronik eiSos

Bild 11 zeigt die Messung der Restwelligkeit am Filterausgang am Testpunkt 4 (TP4). Sichtbar sind auch steile Spannungsspitzen, markiert mit roten Ellipsen, hervorgerufen durch Einkopplung in die Messleitungen. Sie dürfen daher vernachlässigt werden. Auch hier ist eindeutig die Wirkung des Filters zu sehen. Die Restwelligkeit wurde auf einen Wert von unter 10 mV reduziert und ist nun absolut unkritisch. Die an dieser Stelle reduzierte Restwelligkeit sollte nun auch nicht mehr zu nichtlinearen Verzerrungen im Analogverstärker führen. Die Messungen zeigen, wie wichtig es ist, den Ein- und Ausgang zu filtern, und wie effektiv solche Filter wirken können.

Über den Autor:

Stefan Klein ist als Applikationsingenieur im technischen Marketing bei Würth Elektronik eiSos tätig.


Lesen Sie mehr zum Thema


Jetzt kostenfreie Newsletter bestellen!

Weitere Artikel zu Würth Elektronik eiSos GmbH & Co. KG