Mit SiC- und GaN-Halbleitertechnologien

So werden Leistungswandler ­effizenter

28. Januar 2021, 14:36 Uhr | von Milan Ivkovic, Director Segment Analog/Power & Technical Support Center Manager und Karl Lehnhoff, Director Segment Industrial, beide EBV Elektronik
AdobeStock
© AdobeStock

Die Effizienz von Leistungswandlern wird zunehmend wichtig, weil jedes verschwendete Watt zur globalen Erwärmung beiträgt und zu erhöhten Betriebskosten führt. SiC und GaN können Abhilfe schaffen.

Diesen Artikel anhören

Fortsetzung des Artikels von Teil 1

Praktische Implementierung von SiC- und GaN-Bauelementen

EBV Elektronik
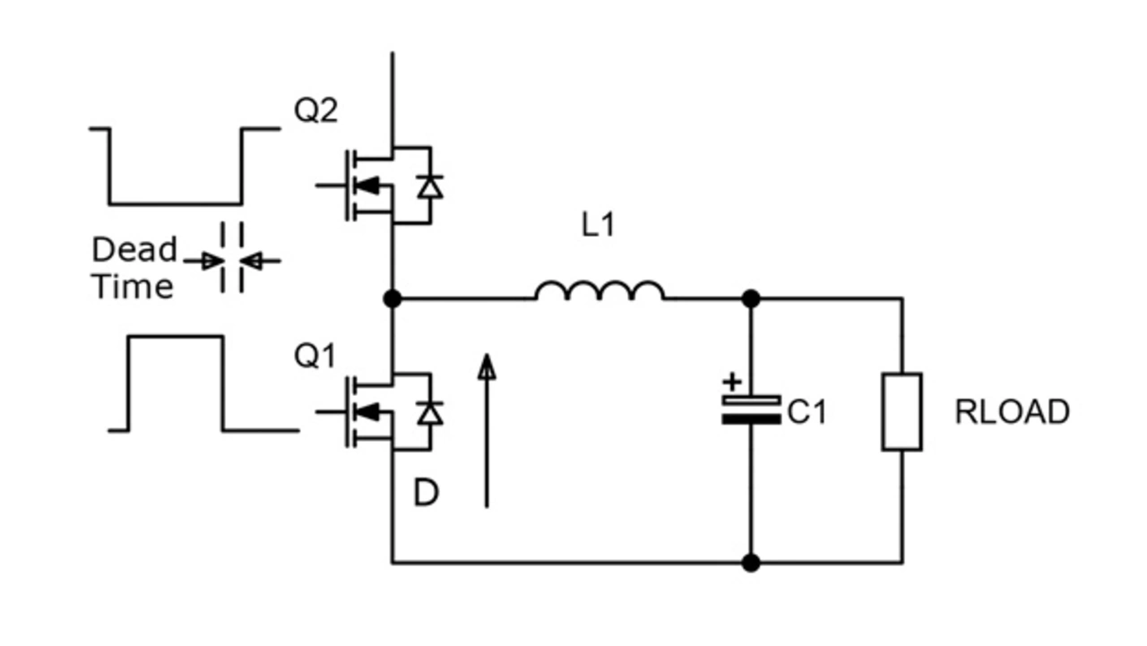
Bild 2: Ein hart geschalteter Synchron-Abwärtsregler zwingt die Körperdiode D, während der Totzeit‘ zu leiten.
© EBV Elektronik

Wichtig sind zudem auch die Bauteileigenschaften im dritten Quadranten – wenn der leitende Kanal mit Gegenspannung beaufschlagt ist, wie es bei hart schaltenden Anwendungen und bei der Kommutierung in Umrichtern vorkommt (Bild 2). IGBTs leiten jedoch nicht in Sperrrichtung, sodass eine antiparallele Diode mit schneller Erholungszeit und geringem Spannungsverlust benötigt wird. Si- und SiC-MOSFETs haben hingegen inhärente schnelle Inversdioden, können jedoch über ihren Kanal bei geringen Verlusten und ohne Erholungseffekt rückleitend werden, wenn sie über ihre Gates auf On geschaltet werden. Ist der Kanal mit Sperrvorspannung beaufschlagt, aber über das Gate nicht auf On gesetzt, führt jede Totzeit dazu, dass die Inversdiode leitend wird, was zu erheblichen Leistungsverlusten aufgrund des vergleichsweise hohen Durchlass-Spannungsabfalls führt. GaN-Schalter hingegen sind als HEMTs (High Electron Mobility Transistors) konfiguriert und haben keine Inversdioden. Wie MOSFETs können ihre Kanäle in Sperrrichtung leiten; es gibt aber auch hier während jeder Totzeit durch den Kanal einen Körperdioden-Effekt mit einem Spannungsabfall, der ungefähr der Gate-Schwellenspannung von 2 V entspricht. Dies wiederum kann zu Verlusten führen, es sei denn, der Kanal wird aktiv auf On geschaltet.

Die maximalen Betriebsspannungen sind ein Hauptkriterium für die Wahl der verschiedenen Wandlertechnologien. Die maximale Betriebsspannung für Hochspannungs-Si-MOSFETs liegt bei etwa 950 V, für GaN-HEMTs bei 600 V und für SiC-MOSFETs bei etwa 1700 V. Bei sehr hohen Spannungen dominieren IGBTs auch weiterhin, obwohl MOSFETs in einigen Topologien auch in Reihe geschaltet werden können, was die Spannungsbelastung reduziert und damit ebenfalls einen Einsatz bei hohen Spannungen ermöglicht. Bei Überspannungen verfügen IGBTs und MOSFETs über einen schützenden Lawinen-Modus mit unterschiedlichen, bauteilabhängigen Energie-Ratings. GaN-HEMTs bieten keinen solchen Lawinen-Modus, was bei Überspannungen zu einem katastrophalen Versagen führen kann. Die Hersteller von GaN-Bauelementen sorgen deshalb für einen großen Sicherheitsbereich zwischen der im Datenblatt angegebenen Nennspannung und der absoluten Maximalspannung.

EBV Elektronik
Bild 3: Negative Gate-Ansteuerung wirkt dem Miller-Effekt und den Auswirkungen der Source-Induktivitätstransienten entgegen.
© EBV Elektronik

Die optimale Anordnung der Gate-Treiberschaltungen kann je nach Bauelementtechnologie sehr unterschiedlich ausfallen. Si-IGBTs haben zwar isolierte Gates, aber eine hohe Gate-Ladung, die eine beträchtliche Treiberleistung proportional zum Gate-Spannungshub und der Frequenz erfordert, sodass die größten Bauelemente bei typischen Schaltfrequenzen mehrere Watt benötigen. Si-MOSFETs haben eine viel geringere Gate-Ladung und geringere Anforderungen an die Ansteuerleistung und benötigen – wie IGBTs auch – eine Gate-Schwellenspannung von etwa 10 V für volle Sättigung. Die maximal mögliche Gate-Spannung liegt typischerweise bei ±25 V. Das Gate wird oft mit einer negativen Spannung von bis zu rund –12 V beaufschlagt, um das Bauelement auf Off zu schalten. Dadurch sollen die Auswirkungen der Miller-Kapazität und der üblichen Induktivitäten in der Source/Emitter-Anbindung entgegengewirkt werden. Diese können Transienten erzeugen, die dem Off-Zustand des Gate-Treibers entgegenwirken (Bild 3).

Insbesondere SiC und GaN haben eine extrem niedrige Gate-Ladung und benötigen so gut wie keine Schaltleistung. SiC-Gates müssen jedoch mit fast 20 V und damit nah am typischen Maximalwert von +25 V betrieben werden, um die volle Sättigung zu erreichen. Daher werden oft am Gate Schutzdioden eingesetzt, um Spannungsüberlasten zu vermeiden. GaN-HEMTs sind stromgespeist und werden mit einer Spannung von circa 3 V betrieben. Sie reicht aus, die wenigen mA zu erzeugen, die nötig sind, um das Bauelement vollständig in den On-Zustand zu schalten. Da die Spannung allerdings stark von der Temperatur und dem Strom abhängt, wird sie in der Regel auch nicht als Grenzwert VTH angegeben. Vielmehr wird ein maximaler Gate-Strom spezifiziert, der im zweistelligen Milliampere-Bereich liegt, obwohl je nach Pulsbreite und Wiederholrate auch Pulsströme im Ampere-Bereich erlaubt sind. Sowohl SiC als auch GaN neigen jedoch aufgrund ihrer inhärenten, extrem hohen di/dt- und dV/dt-Pegel zu Phantom-Einschaltungen, sodass für den Off-Zustand oft eine Sperrspannung von einigen Volt empfohlen wird.


  1. So werden Leistungswandler ­effizenter
  2. Praktische Implementierung von SiC- und GaN-Bauelementen
  3. Anwendungsbereiche von SiC und GaN


Lesen Sie mehr zum Thema


Das könnte Sie auch interessieren