Ein Baustein für den effizienten LED-Einsatz im Automobil

LEDs für attraktive Innenbeleuchtungen

24. Mai 2007, 12:31 Uhr | Roger Alm
Diesen Artikel anhören

Fortsetzung des Artikels von Teil 3

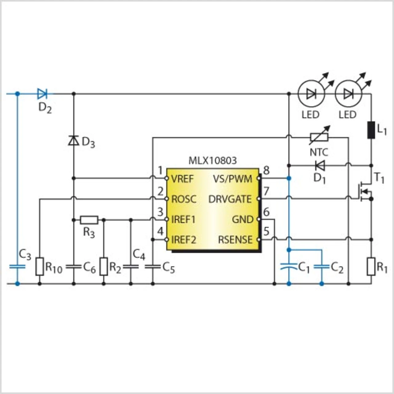
Designbeispiel 1: Die Grundschaltung

Der Schaltplan in Bild 1 zeigt ein Minimal- Design, mit dem sich die typischen Lebensdauer-Prüfungen für den Einsatz im Automobil bestehen lassen. Es handelt sich hierbei um die kostengünstigste Schaltungsvariante, die jedoch sämtliche Kfz-spezifischen Anforderungen erfüllt. Die Kondensatoren C1 bis C3 dämpfen elektrische Störsignale, wie es in Automobilen erforderlich ist. In bestimmten Fällen kann am Gate von T1 ein Widerstand benötigt werden, der die Schaltflanken dämpft und die Störungen von T1 unterdrückt. Welche Bauelemente im einzelnen verwendet werden, hängt vom Gesamt-Design ab.

R1 ist der Messwiderstand, der den Spitzenstrom in eine Spitzenspannung umwandelt, die dem Eingang RSENSE zugeführt werden kann. R10 legt die Frequenz des internen Oszillators des MLX10803 fest. R2 definiert die am Eingang RSENSE zu erfassende Spitzenspannung. Der Eingang IREF steuert eine interne 50-µAStromquelle und bestimmt so die Spannung am Eingang RSENSE. L1, R1, R2 und R10 lassen sich mit Hilfe der „Coil Calc“-Excel-Tabelle von Melexis berechnen [1]. Die Werte hängen ab von der gewählten LED, von D1, von der gewünschten Frequenz und von der Wellenform der Regelung. Wichtigstes Kriterium bei der Wahl von D1 sollte es sein, HF-Störungen zu vermeiden. D2 ist unkritisch, doch muss diese Diode die erforderliche Sperrspannung verkraften. C4 verhindert, dass Störungen in den relativ hochohmigen Knoten einstreuen und der LED-Strom schwankt. Dieser Kondensator kann entfallen, wenn die Leitung zwischen dem Pin 3 des MLX10803 und dem Widerstand sehr kurz ist.

7070504_tm.jpg
Bild 4. Dimmerfunktion mit Überhitzungsschutz: Wird R2 durch ein Potentiometer (P2) ersetzt, wird aus der Schaltung ein einfacher Dimmer.

  • Designbeispiel 2: Energieeffiziente Schaltung

Beim Einsatz von weißen LEDs mit hoher Lichtstärke wird empfohlen, nicht mehr als zwei LEDs in Reihe zu schalten, wenn bei Spannungen zwischen 8 und 18 V eine konstante Lichtabgabe gewünscht wird. Wird keine gleichbleibende Leuchtstärke benötigt und ist die Maximalspannung kleiner als 12 V, dann eignet sich der MLX10803 auch zur Ansteuerung von drei LEDs in Reihenschaltung. In diesem Fall arbeitet der MLX10803 in einer anderen Betriebsart, sobald eine Spannung von 8 V erreicht wird. In diesem Modus wird dann die Lichtstärke reduziert, sie ist zudem spannungsabhängig. Die LEDs werden so vor Überströmen geschützt, die bei anderen Schaltreglern auftreten können (Bild 2).

Bei korrekter Umsetzung dieses Prinzips verbessert sich der Wirkungsgrad. Die Spulen müssen hier übrigens, wenn die Schaltfrequenz nicht verändert wird, die doppelte Energie verkraften. Sollen mehr als zwei oder drei weiße LEDs in einer Kfz-Anwendung bei Spannungen zwischen 8 und 18 V in Reihe geschaltet werden, wird empfohlen, den MLX10803 als Aufwärtsregler (Booster) einzusetzen; hierzu gibt es verschiedene Möglichkeiten.

7070505_tm.jpg
Bild 5. Sanftes Einschalten: Beim Anlegen der Betriebsspannung werden die LEDs aufgedimmt, die Zeitkonstante wird bestimmt durch R3 und C6.

LEDs lassen sich nur dann effizient einsetzen, wenn die richtigen Treiber verwendet werden. Hinzu kommt, dass bei einem höheren Wirkungsgrad die Verlustleistung geringer ist, dann fällt auch die Temperatur der LEDs niedriger aus. Bei niedrigerer Temperatur jedoch lassen sich unter Umständen kostengünstigere Kunststoffe verwenden und die Alterungseffekte bei Leuchtenabdeckungen und Linsen werden reduziert. Überdies können dann die Leuchten an Stellen angebracht werden, an denen dies heute nicht möglich ist.

LEDs erfordern den Einsatz von Treiberbausteinen, die die Bordnetzspannung in einen konstanten Strom umsetzen. Ein normaler Gleichspannungswandler würde hier zwar funktionieren, für die effiziente Ansteuerung einer LED ist er jedoch nicht geeignet. Hierzu bedarf es spezieller Stromregler, wie sie etwa von Melexis (www.melexis.com) mit dem MLX10801 und dem MLX10803 produziert werden. Diese Bausteine sind zudem speziell für den Einsatz in anspruchsvollen Kfz-Anwendungen ausgelegt.

7070502_tm.jpg
Bild 2. Schutz vor Überstrom: Die Serienschaltung mehrerer LEDs verbessert den Wirkungsgrad, allerdings muss die Versorgungsspannung ausreichend hoch sein.

Im Folgenden wird eine Reihe von Anwendungsbeispielen und Ideen gezeigt für das Design komfortabler, effizienter und zugleich kostengünstiger Beleuchtungen.

Alle Beispiele eignen sich für den Einsatz in Automobilen und sind gegen Lastabwurf (Load Dump) geschützt.

Allerdings sind spezielle Eigenschaften wie die elektromagnetische Verträglichkeit (EMV) und die elektromagnetische Abstrahlung (Electromagnetic Radiation; EMR) vom jeweiligen Leiterplatten-Layout abhängig.

Melexis verfügt über umfangreiche Erfahrungen im elektronischen Design für den Einsatz in Automobilen und leistet Hilfestellung bei Designproblemen, die beim Einsatz des MLX10801 oder des MLX10803 in Automobilen auftreten können.

7070503_tm.jpg
Bild 3. Schutz vor Überhitzung: Ein NTC-Widerstand in der Nähe der LED(s) überwacht die Temperatur. Der Strom wird dann abgeregelt, wenn der Wert des NTC den Wert von R2 erreicht.

  1. LEDs für attraktive Innenbeleuchtungen
  2. Designbeispiel 6: Farbmischung
  3. Designbeispiel 3: Überhitzungsschutz
  4. Designbeispiel 1: Die Grundschaltung

Jetzt kostenfreie Newsletter bestellen!