Ein Baustein für den effizienten LED-Einsatz im Automobil

LEDs für attraktive Innenbeleuchtungen

24. Mai 2007, 12:31 Uhr | Roger Alm
Diesen Artikel anhören

Fortsetzung des Artikels von Teil 1

Designbeispiel 6: Farbmischung

Das Schaltungsbeispiel in Bild 8 macht deutlich, wie einfach sich mit dem Baustein MLX10803 eine Farbmischung realisieren lässt.

Die PWMSignale an den Basis-Anschlüssen von Q1 bis Q3 sind völlig unabhängig von der Schaltfrequenz des MLX10803. Sind alle drei Transistoren (Q1 bis Q3) gesperrt, entlädt sich die Spule L1 über die Diode D3.

Prinzipiell ist es möglich, an die Basis-Anschlüsse von Q1 bis Q3 analoge Signale zu legen, um eine sehr genaue Farbmischung zu erhalten. Dabei wird der Gesamtstrom durch den Pegel des an den Eingang VREF gelegten Signals festgelegt.

Es besteht die Möglichkeit, die Anschlüsse IREF1 und IREF2 des MLX10803 zur Kompensation der Farbtemperatur und für den Schutz gegen Übertemperatur zu verwenden.

Wenn ein Mikrocontroller die Farbmischung steuert, dann lässt sich diese Funktion jedoch am einfachsten mit einem NTC-Widerstand implementieren, der mit einem zusätzlichen Eingang des Mikrocontrollers verbunden wird.

7070508_tm.jpg
Bild 8. Farbmischung: Mit dem Bausein MLX10803 und einer Spule lassen sich drei unterschiedliche LEDs (Rot, Grün, Blau) sicher parallel betreiben. Werden analoge Spannungen an den Basen der Transistoren Q angelegt, können beliebige Farbkombinationen

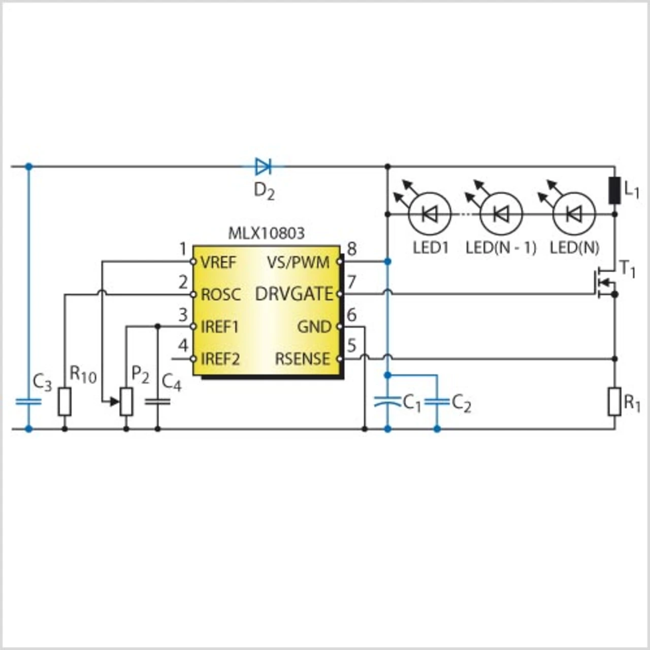
  • Designbeispiel 7: Aufwärtsregelung

In diesem Designbeispiel wird gezeigt, dass sich der MLX10803 auch für Aufwärtsregelungen (Boost) in einfacher Weise einsetzen lässt. Die Schaltung in Bild 9 gibt die einfachste Anwendung der Aufwärtsregelung wieder, die überdies noch zu 100 % gegen Lastabwurf geschützt ist. Das Design ist zwar spannungsabhängig, es verhindert aber eine Sättigung der Spule bei zu niedriger Versorgungsspannung. Die Schaltung erzeugt einen mit hoher Frequenz pulsierenden LED-Strom, was für die meisten LEDs unkritisch ist. Sicherheitshalber sollte das Datenblatt der gewählten LED jedoch diesbezüglich überprüft werden.

Generell empfehlen wir für Anwendungen im Automobil, in denen das Störaufkommen und das Power-Handling relevant sind, die anspruchsvollere Aufwärts-/Abwärtsregler-Beschaltung (Boost/Buck). Da eine Aufwärtsregelstufe mehrere Abwärtsregelstufen versorgen kann, wird das Design kostengünstiger. Ein „Boost/Buck Evaluation Board“ für den MLX10803 von Melexis bietet die Möglichkeit, zusätzliche Erfahrungen mit sicheren und effizienten Anwendungen eines Aufwärtsreglers für die Ansteuerung von LEDs in Automobilen zu sammeln. jw

7070509_tm.jpg
Bild 9. Aufwärtsregelung: Die einfachste Form einer LED-Ansteuerung mit hohem Wirkungsgrad.

Autor:

Roger Alm ist Master of Science in angewandter Physik und Elektronik und hat sein Studium an der Universität von Linköping (Schweden) absolviert. Er begann 2004 bei Melexis als Produkt- Marketing-Ingenieur in der Business Unit „Door Systems and ECUs“.
rah@melexis.com


  1. LEDs für attraktive Innenbeleuchtungen
  2. Designbeispiel 6: Farbmischung
  3. Designbeispiel 3: Überhitzungsschutz
  4. Designbeispiel 1: Die Grundschaltung

Jetzt kostenfreie Newsletter bestellen!