Batterie-Management von Li-Ion-Zellen

Fehlerüberwachung in nicht optimal ausgelegten Systemen

18. Mai 2010, 14:49 Uhr | Von Tim Regan
Diesen Artikel anhören

Fortsetzung des Artikels von Teil 2

Fehlerüberwachung in Batterie-Management-Systemen

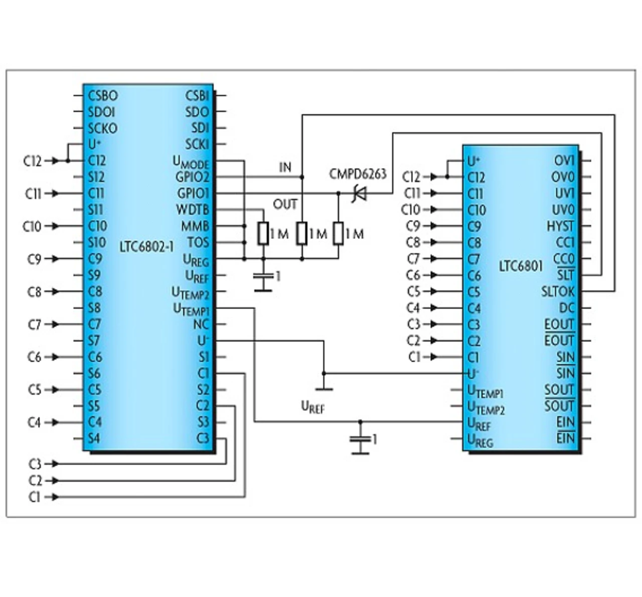
Bild 1. Während der LTC6802 für präzise Messungen sorgt, überwacht der LTC6801 jede Zelle auf zu hohe oder zu niedrige Spannungen.
© Linear Technology GmbH

Als Alternative zu einem vollständig redundanten Aufbau wird dem Messsystem eine Schaltung zur Fehlerüberwachung parallelgeschaltet, die den grundlegenden Funktionsumfang des Systems prüft. Die in Bild 1 dargestellte Schaltung zeigt diese Implementierung für einen Akkusatz aus zwölf Lithium-Ionen-Zellen. Der LTC6802 dient hier als Messbaustein, während der LTC6801 zur Fehlerüberwachung zum Einsatz kommt.

Dem Batteriesystem dient der LTC6802-1 als primärer Elektronikbaustein, indem er auf ein entsprechendes Kommando hin die Spannung jeder einzelnen Zelle misst und Zellen gezielt entlädt, um die Ladung gleichmäßig auf alle Zellen zu verteilen. Dabei erfolgt der Datentransfer zum Controller über eine serielle Verbindung (SPI). Parallel dazu überwacht der LTC6801 jede Zelle des Akkusatzes. Ohne Intervention seitens des Controllers fragt der LTC6801 periodisch die einzelnen Zellenspannungen ab und prüft, ob diese zu hoch oder zu niedrig sind. Sofern alles in Ordnung ist, gibt der LTC6801 an seinen Status-Ausgängen ein differenzielles Taktsignal aus, das unterbrochen wird, wenn eine Unstimmigkeit auftritt. Hierbei wird keine Information über die Art des aufgetretenen Problems gegeben, sondern lediglich signalisiert, dass etwas nicht in Ordnung ist. Sobald aber dieser Schritt abgearbeitet ist, kann der Controller Diagnoseprozesse starten, um die Störungsursache zu eruieren.

Anbieter zum Thema

zu Matchmaker+

  1. Fehlerüberwachung in nicht optimal ausgelegten Systemen
  2. Anforderungen an die Stromversorgung von Batterien
  3. Fehlerüberwachung in Batterie-Management-Systemen
  4. Mehr als nur ein besserer Komparator
  5. Fehler im Überwachungsbaustein
  6. Eingänge für eine grobe Temperaturmessung

Lesen Sie mehr zum Thema


Das könnte Sie auch interessieren

Jetzt kostenfreie Newsletter bestellen!