DC-DC-Wandler

Einführung in Verfahren und Topologien von DC-DC-Wandlern

18. November 2021, 15:33 Uhr | Mark Patrick, Mouser Electronics, Ralf Higgelke
Mouser, DC-DC converter, Murata
© Murata

Bei der DC-DC-Wandlung existieren einige grundlegenden Konzepte und verschiedene Topologien, die für diskrete und modulbasierte Designs verwendet werden. Weitere wichtige, kritische Aspekte bei DC-DC-Wandlern sind die galvanische Trennung und die Spannungsregelung über die Isolationssperre hinweg.

Diesen Artikel anhören

Fortsetzung des Artikels von Teil 1

Galvanisch isolierte DC-DC-Wandler

Sperrwandler (Flyback Converter)

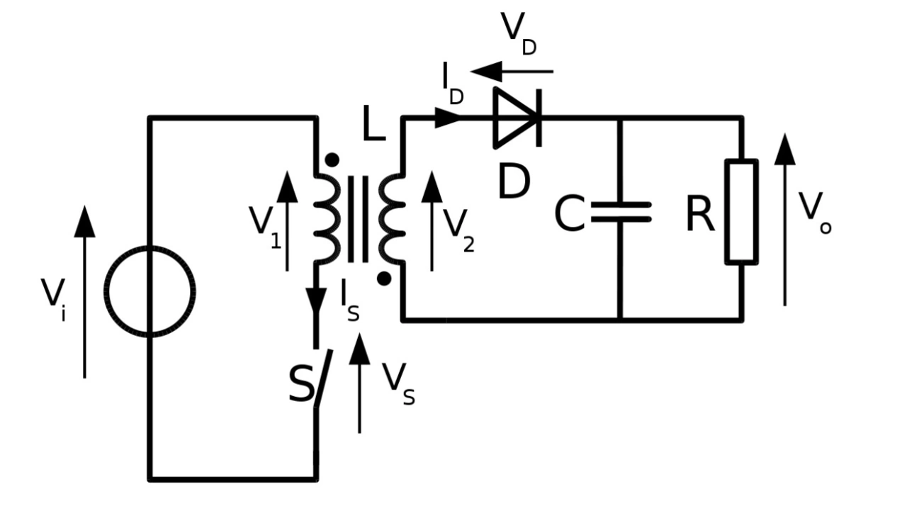
Sowohl Tief- als auch Hochsetzsteller sind nicht isoliert. Das bedeutet, dass im Fehlerfall die volle Eingangsspannung am Ausgang anliegen kann, was bei netzgespeisten Anwendungen mit den 230 V Wechselspannung fatale Folgen haben kann. Bei vielen Anwendungen ist daher eine galvanische Trennung zwischen Ein- und Ausgang zwingend erforderlich, zum Beispiel in der Medizintechnik und im Gesundheitswesen. In einem Schaltregler kann eine galvanische Trennung, bei der die Erdung nicht gemeinsam ist, beispielsweise durch die Verwendung eines Transformators erreicht werden; ein Beispiel hierfür ist der isolierte Sperrwandler (Bild 5).

Mouser, DC-DC converter
Bild 5: Vereinfachtes Schaltbild eines isolierten Sperrwandlers
© Wikipedia

Bei einem isolierten Sperrwandler dient der Transformator sowohl als Energiespeicher wie auch zur Isolierung. Diese Topologie ist vermutlich die einfachste aller isolierten Wandler mit einer geringen Anzahl von Komponenten. Der Einsatz beschränkt sich in der Regel auf Anwendungen mit geringer Leistung (< 50 W) und auf solche, die einen relativ hohen Brummstrom (Ripple Current) verkraften können. Da ein Transformator sowohl in der Primär- als auch der Sekundärwicklung Verluste verursacht, erreichen nur wenige Sperrwandler einen Wirkungsgrad von mehr als 90 Prozent.

Im Gegensatz zu Tief- und Hochsetzstellern ist es durch die Verwendung eines Transformators und des Windungsverhältnisses jedoch möglich, einen breiteren Bereich an Ausgangsspannungen zu erreichen. Außerdem können zusätzliche Sekundärwicklungen verwendet werden, um mehrere Ausgangsspannungen zu liefern.

Komplexere Topologien

Mouser, DC-DC converter, Recom
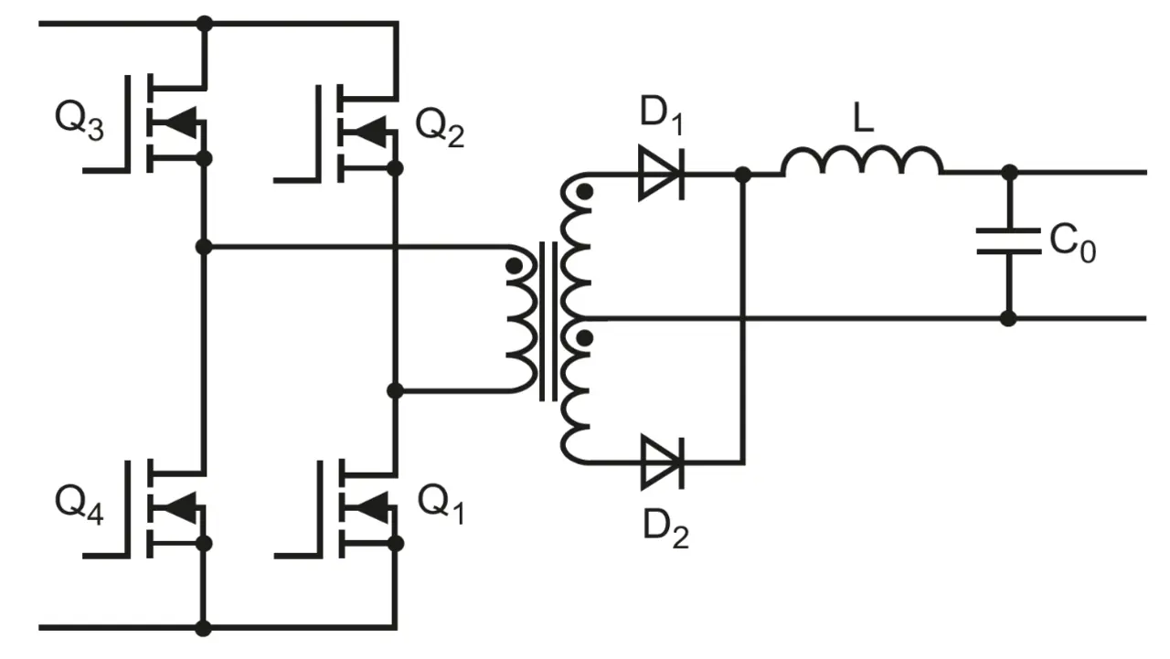
Bild 6: Vereinfachtes Schaltbild eines isolierten Vollbrückenwandlers
© Recom Power

Push-Pull-, Halbbrücken- und Vollbrückenwandler sind Beispiele für andere isolierte Topologien. Bei der Push-Pull-Topologie werden zwei Schaltelemente verwendet, die sich den Strom untereinander aufteilen und für Anwendungen mit höherer Leistung geeignet sind. Diese Topologie arbeitet mit geteilten Primär- und Sekundärwicklungen mit Mittelanzapfung und benötigt einen wesentlich komplexeren und damit kostspieligeren Transformator. Die Halbbrücken- und Vollbrückentopologien ähneln der Push-Pull-Topologie, benötigen aber nur eine einzige Primärwicklung. Eine Halbbrücke verwendet zwei Schaltelemente und die Vollbrücke vier (Bild 6).


  1. Einführung in Verfahren und Topologien von DC-DC-Wandlern
  2. Galvanisch isolierte DC-DC-Wandler
  3. Ausgangsregelung und DC-DC-Wandlermodule


Lesen Sie mehr zum Thema


Das könnte Sie auch interessieren