Powermanagement-ICs

Effizienter Lückenfüller aus Hannover

12. November 2020, 16:00 Uhr | Christoph Rindfleisch, Prof. Dr.-Ing. Bernhard Wicht
Diesen Artikel anhören

Fortsetzung des Artikels von Teil 1

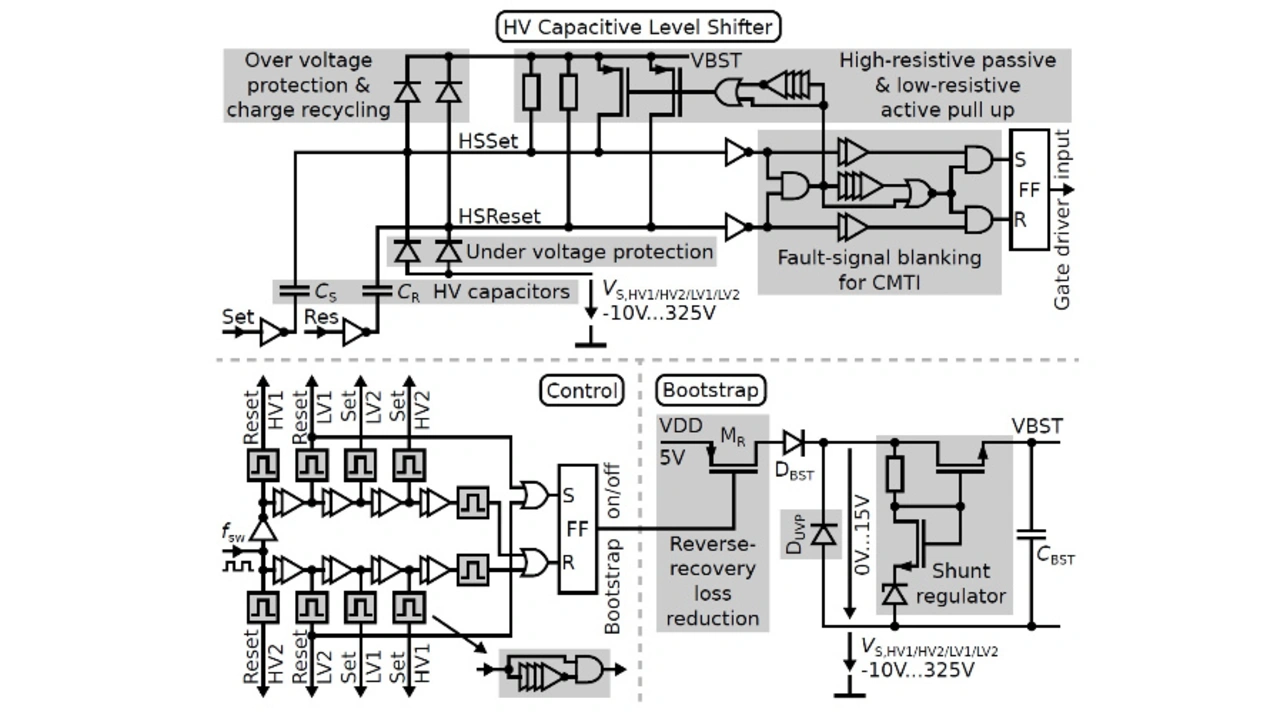
Ansteuerung der Transistoren

Die Gate-Treiber für die Leistungstransistoren sind als kaskadierte Inverterstufen ausgeführt. Durch das spannungsfreie und stromlose Schalten (ZVS, ZCS) können die Treiber für LV1 und LV2 für ein langsames Schalten ausgelegt werden. Demgegenüber müssen die Treiber von HV1 und HV2 ein schnelles Einschalten garantieren, um die Hochspannungstransistoren stromlos einschalten zu können, dürfen beim Ausschalten aber langsam sein, ohne das stromlose Schalten zu beeinflussen. Der Hochspannungs-Pegelumsetzer (Bild 3, oben) basiert auf einer kapazitiven Implementierung nach [8], um die stationären Verluste zu reduzieren. Die Kombination aus hochohmigem passivem Pull-up und niederohmigem aktivem Pull-up reduziert dabei den Kapazitätswert und somit die kapazitiven Verluste der Koppelkondensatoren CS und CR.

Anbieter zum Thema

zu Matchmaker+
Rindfleisch, Leibniz Universität Hannover, ISSCC, DC-DC converter, power electronics
Bild 3: Kapazitiver Hochspannungs-Pegelumsetzer sowie Steuer- und Bootstrap-Schaltung.
© C. Rindfleisch, Leibniz Universität Hannover

Während der Signalübertragung wird der aktive Pull-up deaktiviert, was zu kleinen Kapazitätswerten für die Kondensatoren CS und CR (je 50fF) führt. Während der Gleichtakttransienten, die durch das Einschalten von HV1 oder HV2 verursacht werden, wird der aktive Pull-up zugeschaltet und nach einer konstanten Verzögerung wieder deaktiviert. Er lädt die Knoten HSSet und HSReset, um den Pegelumsetzer für die nächste Signalübertragung vorzubereiten. Aufgrund der gemessenen Anstiegsraten von bis zu 20 V/ns kommt eine Schaltung zur Unterdrückung der Gleichtaktstörungen zum Einsatz, um die Gleichtakt-Störfestigkeit (Common-Mode-Transient-Immunity, CMTI) zu verbessern. Pull-up- und Pull-down-Dioden schützen vor Unter- und Überspannungen und führen die auf den Koppelkapazitäten gespeicherte Ladung während der fallenden Flanke der Source-Potentiale VS der High-Side-Versorgungsspannung zu.

Eine Bootstrap-Schaltung mit einem Shunt-Regler (Bild 3, unten rechts) versorgt die High-Side in Bezug auf die unterschiedlichen Source-Potenziale VS. Die Diode DUVP schützt dabei vor transienten Unterspannungen. Das Einschalten der High-Side-Bauelemente bewirkt ein Nachladen von CBST und verursacht während der Transienten somit Rückwärtserholverluste (Reverse Recovery Losses) in DBST. Um dieses Nachladen und damit dieseVerluste zu verhindern, befindet sich MR in Reihe zu DBST und wird ausgeschaltet, kurz bevor HV1 oder HV2 eingeschaltet wird. Die Steuerschaltung (Control) für HV1, HV2, LV1, LV2 und MR (Bild 3, unten links) wandelt jede Flanke des rechteckigen Eingangssignals mit einem Tastverhältnis von 50 Prozent in eine Reihe von Ausschalt- und Einschaltsignalen mit konstanter Verzögerung dazwischen um. Die Verzögerung wird dabei mittels kaskadierter Inverter generiert. Eine Variation der Verzögerungen über Prozessschwankungen und Temperatur ist unkritisch, solange sich die Signale nicht überlappen.

Rindfleisch, Leibniz Universität Hannover, ISSCC, DC-DC converter, power electronics
Bild 4: Foto des CMOS-SOI-Chips, der mit 0,18 µm Strukturbreite bei X-Fab gefertigt worden ist.
© C. Rindfleisch, Leibniz Universität Hannover

Implementierung des Chips

Der 2,0 mm × 2,1 mm große Chip wurde bei X-Fab in einer CMOS-SOI-Technologie (Silicon on Insulator) mit 0,18 µm Strukturbreite gefertigt (Bild 4). Um die hohe Sperrspannung der Schaltelemente in vertikaler Richtung zu erreichen, wird in dieser Technologie ein in Sperrrichtung vorgespannter p-n-Übergang genutzt, welcher das Substrat unterhalb des vergrabenen Oxids (Buried Oxide, BOX) der Hochspannungsbauelemente verarmt [9]. Parasitäre Effekte wie bipolare Effekte und Leckströme sind in SOI vernachlässigbar. Dies vereinfacht das Design und verbessert den Wirkungsgrad. Allerdings stellen Verluste durch parasitäre Kapazitäten (z.B. zwischen Drain und Source sowie zum Substrat hin) bei schnell schaltenden Hochspannungswandlern für Anwendungen mit geringer Leistung eine Herausforderung dar.

Rindfleisch, Leibniz Universität Hannover, ISSCC, DC-DC converter, power electronics
Bild 5: Einfluss der hohen Spannungen auf die kapazitiven Verluste bei SOI-Technologien (Silicon On Insulator) und die implementierten verlustreduzierenden Techniken.
© C. Rindfleisch, Leibniz Universität Hannover

Bild 5 zeigt, wie die Verluste mit Vin skalieren sowie die in diesem Design implementierten verlustreduzierenden Techniken. Eine dieser Techniken ist eine vollständig ausgeräumte Raumladungszone unterhalb des vergrabenen Oxids (Buried Oxide, BOX) der jeweiligen Schaltungsteile, welche den Wirkungsgrad um bis zu 32 Prozent verbessert. Außerdem werden niederohmig leitende Trenches genutzt [10], um das Substrat unterhalb der vergrabenen Oxidschicht elektrisch zu kontaktieren und so Störungen effektiv abzuleiten. Dies reduziert die kapazitive Kopplung über das Substrat und verringert so die Störung empfindlicher Schaltungsteile und verbessert die Gleichtakt-Störfestigkeit (CMTI).

Rindfleisch, Leibniz Universität Hannover, ISSCC, DC-DC converter, power electronics
Bild 6: Messung von Wirkungsgrad und Transienten bei einer Eingangsspannung von 325 V.
© C. Rindfleisch, Leibniz Universität Hannover

Bild 6, oben zeigt, wie sich der Wirkungsgrad für Ausgangsspannungen von 3,3 V, 5 V und 10 V mit einem maximalen Gesamtwirkungsgrad von 80,7 Prozent verhält. Aufgrund der pulsbasierten Ansteuerung verlaufen die Kurven sehr flach (Bild 6, oben links) und es wird auch bei niedrigen Lasten ein vergleichsweise hoher Wirkungsgrad erzielt. Die gemessenen transienten Spannungen an der Induktivität (VL,res) und am Source-Knoten von HV1 (VS,HV1) sowie der Strom durch die Induktivität (IL,res) bei einer Eingangsspannung Vin von 325 V bestätigen das resonante zeitlich selbstgesteuerte Schaltverhalten (Bild 5, unten).

 

Rindfleisch, Leibniz Universität Hannover, ISSCC, DC-DC converter, power electronics
Tabelle 1: Vergleich mit aktuellen Publikationen und kommerziell erhältlichen Produkten.
© C. Rindfleisch, Leibniz Universität Hannover

Tabelle 1 zeigt, dass die Werte von L und Cout gegenüber dem Stand der Technik um mehr als das 50-fache auf 10 µH bzw. um mehr als das Zehnfache auf 0,47 µF reduziert wurden. Das Design in [7] benötigt zwar lediglich eine Spule mit 1,5 µH, ist jedoch auf 100 V begrenzt. Bei kleinen Lasten von 50 mW und einer Ausgangsspannung Vout von 5 V erreicht der vorgestellte Wandler einen Wirkungsgrad von 71,3 Prozent bzw. 53,7 Prozent für eine Eingangsspannung Vin von 225 V bzw. 325 V. Dies ist höher als der Stand der Technik und ähnlich wie bei [3], der jedoch einen vergleichsweise riesigen Transformator von 3mH benötigt und keine integrierte Leistungsstufe hat. Die hohe Leistungsdichte von [1] geht mit einem schlechten Wirkungsgrad bei kleinen Lasten einher. Das vorgestellte Design hat eine mehr als fünfmal höhere Leistungsdichte als alle anderen in Tabelle 1 aufgeführten kommerziellen Wandlermodule. Dies macht den vorgeschlagenen Wandler insbesondere attraktiv für IoT- und Smart-Home-Anwendungen.

REFERENZEN

[1] Datenblatt TMR 37211WIR, Traco Power

[2] Datenblatt RDE03110S05, XP Power

[3] Datenblatt RAC01-05SC, Recom Power

[4] Datenblatt VSK-S1-5U, CUI

[5] Datenblatt PBO-1-S5-B, CUI

[6] C. Rindfleisch, et al., A One-Step 325V to 3.3-to-10V 0.5W Resonant DC-DC Converter with Fully Integrated Power Stage and 80.7% Efficiency, IEEE ISSCC, pp. 194-196, Feb. 2020; DOI: 10.1109/ISSCC19947.2020.9063150

[7] J. Xue, et al., A 2 MHz 12-100 V 90% Efficiency Self-Balancing ZVS Reconfigurable Three-Level DC-DC Regulator with Constant-Frequency Adaptive-on-Time V² Control and Nanosecond-Scale ZVS Turn-On Delay, IEEE JSSC, vol. 51, no. 12, pp. 2854-2866, Dec. 2016; DOI: 10.1109/JSSC.2016.2606581

[8] D. Lutz, et al., A 50V, 1.45ns, 4.1pJ High-Speed Low-Power Level Shifter for High-Voltage DCDC Converters, ESSCIRC, pp. 126-129, Sept. 2018; DOI: 10.1109/ESSCIRC.2018.8494292

[9] H. T. Lim, et al., Switching Speed Enhancement of the LDMOSFETs using Partial-SOI Technology, SOI, pp. 53-54, Oct. 1998; DOI: 10.1109/SOI.1998.723107

[10] J. Wittmann, et al., Substrate Coupling in Fast-Switching Integrated Power Stages, IEEE ISPSD, pp. 341-344, May 2015; DOI: 10.1109/ISPSD.2015.7123459


  1. Effizienter Lückenfüller aus Hannover
  2. Ansteuerung der Transistoren

Lesen Sie mehr zum Thema


Das könnte Sie auch interessieren

Jetzt kostenfreie Newsletter bestellen!