DC/DC-Wandler mit weitem Eingangsbereich

Die Überbrückungszeit verlängern

24. Juli 2023, 11:30 Uhr | Von Tiger Zhou, Applications Engineer für Battery Charging Products bei Texas Instruments
Texas Instruments
© Texas Instruments

Mit Kurzzeit-Energiespeichern können Geräte geordnet herunterfahren und einen bevorstehenden Ausfall melden. Deshalb sind Überbrückungsschaltungen für eine Stützzeit (Holdup-Zeit) von 10 bis 20ms ausgelegt.

Diesen Artikel anhören

Fortsetzung des Artikels von Teil 1

Was ist besser – einstufig oder zweistufig?

Wenn der Wandler einen weiten Eingangsspannungsbereich von beispielsweise 9 bis 60V aufweist, gehen die gespeicherte Energie und die Energieausnutzung deutlich zurück, wenn die Eingangsspannung abfällt. Bei der Mindest-Eingangsspannung von 9V bietet der Hochspannungs-Eingangskondensator praktisch keine Holdup-Zeit mehr.

Schnelle Abhilfe verspricht ein zusätzlicher Aufwärtswandler am Eingang, der die stark variierende Eingangsspannung auf einen Wert von 60V (oder auch mehr) hochsetzt (Bild3). Nachteilig hieran ist, dass der Systemwirkungsgrad sinkt, während die Kosten steigen.

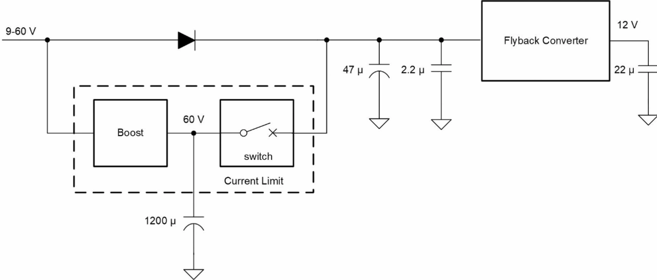
Alternativ kann mit dem zusätzlichen Aufwärtswandler der Hochspannungs-Kondensator auf 60V aufgeladen werden, um diesen Kondensator zuzuschalten, sobald die Holdup-Schaltung einen Stromausfall erkennt. Bei diesem Ansatz (Bild4) ist der Aufwärtswandler nicht Teil des Haupt-Stromwegs. Er wirkt sich somit nicht auf den System-Wirkungsgrad aus und kann zudem klein dimensioniert werden, da er nur zum Aufladen des Kondensators dient.

Texas Instruments
Bild 4: Einstufige Holdup-Schaltung mit hohem Wirkungsgrad
© Texas Instruments
Texas Instruments
Bild 5: Skalierbare, ein- und ausschaltbare Stromquelle
© Texas Instruments

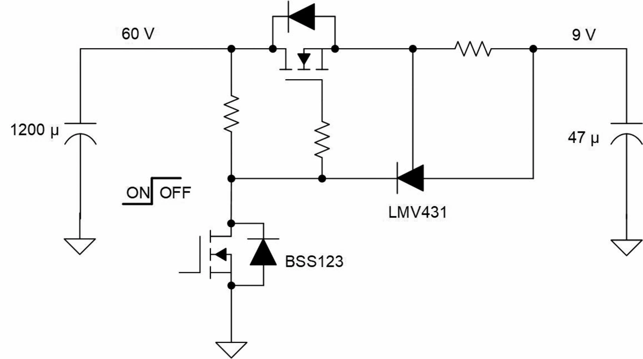
Besondere Aufmerksamkeit benötigt auch der Energietransfer-Schalter. Er muss eine kurze Reaktionszeit aufweisen, da das Design sonst eine große, festgelegte Eingangskapazität erfordert. Außerdem muss er mit einer Leistungsbegrenzung ausgestattet sein, denn beim Umschalten der Energiequelle kann der Sperrwandler auf den Minimalbetrieb zurückfallen, während der Holdup-Kondensator vollständig aufgeladen ist. Somit kann am Schalter eine große Potenzialdifferenz bestehen. Da gleichzeitig ein hoher Strom in den Eingang des Sperrwandlers fließt, wird der Schalter einer großen elektrischen Belastung ausgesetzt. Für diese Aufgabe eignet sich eine skalierbare, ein- und ausschaltbare Stromquelle (Bild5).

Mit einer Reaktionszeit von unter 2,5µs kann der Energietransfer-Schalter als schnell bezeichnet werden. Der Grenzstrom kann über einen Strommesswiderstand variiert werden, und durch Parallelschalten mehrerer Stromquellen lässt sich außerdem die Leistung aufstocken. Wenn am steuernden Feldeffekt-Transistor (FET) eine hohe Spannung liegt, wird das Gate des Haupt-FET auf niedriges Potenzial gezogen, wodurch der Haupt-Transferschalter abgeschaltet wird.

Anwendungsbeispiel

Bild 6 zeigt ein IoT-System, in dem das soeben beschriebene Konzept in die Praxis umgesetzt wurde. Der Sperrwandler weist einen weiten Eingangsspannungsbereich von 9 bis 60V auf. Die Ausgangsspannung beträgt 12V und der maximale Laststrom 5A. Es ist nur ein einziger Holdup-Kondensator vorhanden, und der verwendete Aufwärtswandler zeichnet sich durch kleine Abmessungen aus. Drei parallelgeschaltete Stromquellen befinden sich an der Rückseite der Leiterplatte, um die Bauelemente weniger zu belasten.

Die ungünstigsten Bedingungen liegen bei einer Eingangsspannung von 9V vor. Der kleine Aufwärtswandler lädt den Holdup-Kondensator auf eine Spannung von 60V auf. Die Ansprechschwelle der Stromausfallerkennung ist auf 8V eingestellt. Sinkt die Eingangsspannung unter diese Schwelle, wird der Energietransfer-Schalter aktiviert, wodurch die Energie aus dem Holdup-Kondensator an den Eingangskondensator des Haupt-Sperrwandlers übertragen wird. Dies wiederum verlängert die Holdup-Zeit um 17ms.

Texas Instruments
Bild 6: Dieses experimentelle System mit einem 60-W-Sperrwandler enthält einen Holdup-Kondensator und einen platzsparenden Aufwärtswandler.
© Texas Instruments
Texas Instruments
Bild 7: Dieses Bild zeigt die Spannung des Holdup-Kondensators (C3, blau), die Eingangsspannung des Sperrwandlers (C1, dunkelgrün) und die Ausgangsspannung des Sperrwandlers (C4, hellgrün).
© Texas Instruments

Aus Bild 7 geht hervor, dass die Eingangsspannung des Sperrwandlers während des Energietransfers von 9V auf 40V angestiegen ist, während die Spannung des Holdup-Kondensators von 58 auf 43V zurückging. Insgesamt konnte der Betrieb des Sperrwandlers für eine Zeitspanne von 17ms aufrechterhalten werden.

Zusammenfassung

Um die Forderungen nach immer längeren Holdup-Zeiten zu erfüllen, wird oftmals auf Kondensatorbänke zurückgegriffen, deren Energiedichte und Energieausnutzung wichtige Kriterien darstellen. Verglichen mit einer einfach implementierbaren ausgangsseitigen Kondensatorbank lässt sich die Leiterplattenfläche mit einer am Eingang platzierten Holdup-Lösung halbieren, da die Energiedichte und die Energieausnutzung bei einem Hochspannungs-Kondensator höher sind. Der vorliegende Artikel beschrieb eine neuartige Backup-Schaltung mit minimalen Einspeiseverlusten.

Zum Einsatz kamen dabei ein kleiner Hilfs-Aufwärtswandler zum Hochsetzen der Kondensatorspannung und ein schnell reagierender Schalter mit eingebauter Strombegrenzung, um die Belastung bei der Entnahme von Energie aus dem Kondensator zu verringern. Während eine traditionelle zweistufige Lösung den System-Wirkungsgrad um 5Prozentpunkte einbrechen lässt, bleibt der ursprüngliche Wirkungsgrad bei der hier vorgeschlagenen Lösung erhalten.

Mit der gezeigten Backup-Schaltung wurde in einer IoT-Anwendung mit 60W Leistung eine Holdup-Zeit von 17ms erzielt, und zwar mit nur einem Holdup-Kondensator von 1200µF. Ideal geeignet ist diese Holdup-Lösung für Gleichspannungswandler mit weitem Eingangsspannungsbereich, bei denen der Wirkungsgrad, der Platzbedarf und die Kosten ganz oben auf der Prioritätenliste stehen. Die Schaltung ermöglicht den Verzicht auf sperrige, kostspielige Kondensatorbänke und verlängert die mit dem als Energiespeicher dienenden Kondensator erzielbare Holdup-Zeit entscheidend. 


  1. Die Überbrückungszeit verlängern
  2. Was ist besser – einstufig oder zweistufig?


Lesen Sie mehr zum Thema


Das könnte Sie auch interessieren