Netzteile für Industrieanwendungen

Die richtige Wahl der Stromversorgung für Ihre Applikation

4. April 2024, 09:32 Uhr | Engelbert Hopf
Traco Power
Industrielle Maschinen benötigen zuverlässige industrielle Netzteile, um Werkstoffe zu verarbeiten und um Waren herzustellen.
© Traco Power

Ob Standardwandler oder kundenspezifische Lösung – vor der Wahl der passenden Stromversorgung für Ihre Applikation sind entscheidende Parameter zu klären. Geschieht das nicht rechtzeitig, verzögert sich die Planungsphase und im Worst Case die geplante Markteinführung Ihrer Applikation.

Diesen Artikel anhören

Das Faszinierende an industriellen Systemen ist die kontinuierliche rhythmische Ausführung ihrer Aufgabe. Sie arbeiten harmonisch zusammen, um Produkte zu montieren, Lebensmittel zuzubereiten, Fahrzeuge zu bauen oder Materialien zu verarbeiten. Es ist keine einfache Aufgabe, diese Systeme 24 Stunden täglich und an sieben Tagen in der Woche in Betrieb zu halten. Und hinter jeder SPS, jedem Aktor und Sensor wird ein Netzteil benötigt, um sicherzustellen, dass Energie kontinuierlich verfügbar ist. Wie wählen Sie also ein Netzteil aus, das unter den herausfordernden Bedingungen, denen industrielle Systeme ausgesetzt sind, zuverlässig arbeitet?

Eingangsspannung

Im Kern dreht sich die Frage für die Bestimmung des optimalen Netzteils um drei technische Parameter: Eingangsspannung, Ausgangsspannung und Ausgangsleistung. Wenn Sie eine Maschine bauen, die permanent an ihrem Standort installiert ist, wird die nötige Eingangsspannung durch diesen Standort bestimmt, etwa einphasig 230 V AC bei 50 Hz.

Traco Power
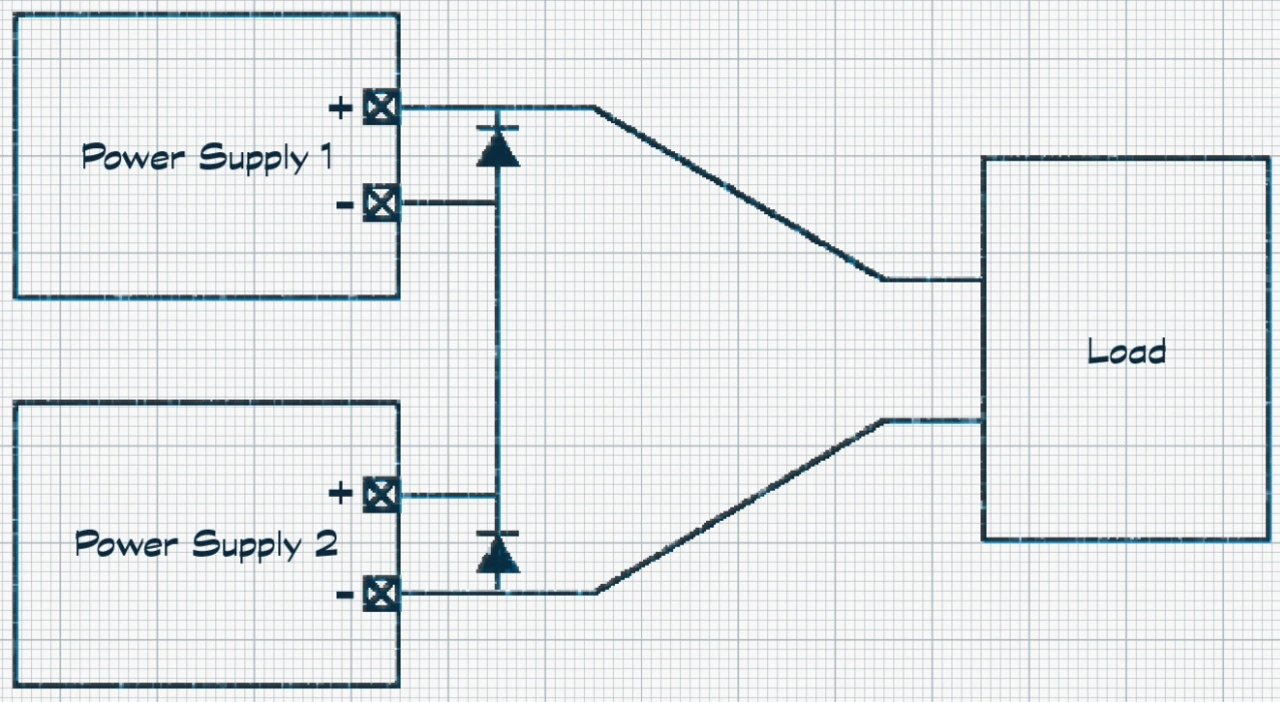
Wenn Netzteile in Reihe geschaltet werden, kann diese Kombination eine höhere Ausgangsspannung erzeugen. Dazu werden jedoch Antiparallel-Dioden empfohlen, um Sperrspannungen zu vermeiden, wenn die Anlaufzeiten unterschiedlich sind.
© Traco Power

Wenn Sie jedoch Ausrüstungen für den weltweiten Export herstellen, müssen Sie alle unterschiedlichen Stromnetze berücksichtigen, die Ihren Kunden zur Verfügung stehen könnten. In solchen Fällen können Sie einen universellen AC-Eingang angeben. Dieser Bereich reicht von 85 bis 264 V AC, wobei 47 bis 60 Hz unterstützt werden. Während Wechselstrom in industriellen Systemen üblich ist, kann es Fälle geben, wo nur eine Gleichstromversorgung (DC) zur Verfügung steht. Einige Netzteile unterstützen zusätzlich eine DC-Eingangsversorgung in einem ähnlichen Bereich wie der AC-Eingang, damit Sie solche Eventualitäten abdecken können.

Netzteilausgang

Nachdem die Optionen für die Eingangsspannung geklärt sind, ist es nun an der Zeit, einen Blick auf die Anforderungen für den Ausgang zu werfen. Diese werden durch die Ausrüstungen bestimmt, die mit Strom versorgt werden müssen, wie industrielle Sensoren, SPSen und Aktoren wie Servoantriebe. Obwohl zum Beispiel die meisten SPSen eine Versorgungsspannung von 24 V DC vorgeben, können sie in der Regel einer Schwankung, einschließlich der Welligkeit, von etwa ±20 Prozent standhalten.

Einige Netzteile bieten zwei oder drei verschiedene Ausgangsspannungen an, die im Allgemeinen auf übliche Spannungen oder sowohl positive als auch negative Ausgänge abzielen. Sollte die gewünschte Spannung nicht verfügbar sein, ist es möglich, zwei Netzteile in Reihe zu schalten, um die gewünschte Ausgangsleistung zu erreichen. Dazu müssen zwei Netzteile des gleichen Modells und der derselben Ausgangsspezifikation verwendet werden.

Traco Power
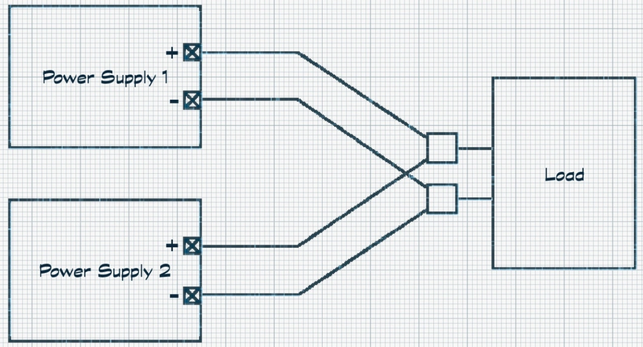
Netzteile können für die Stromversorgung parallelgeschaltet werden. Es ist darauf zu achten, dass beide Ausgänge die gleiche Spannung haben.
© Traco Power

Im Allgemeinen definieren Lasten einen typischen und maximalen Stromstoß wie 80 mA und 100 mA. Wenn mehrere Lasten mit Strom versorgt werden, muss die Summe der maximalen Ströme für den ungünstigsten Fall berechnet werden. Mithilfe der Gleichung für die Leistung, P = I ∙ V, können Sie die benötigte Ausgangsleistung bestimmen. Wenn Sie zum Beispiel geplant haben, die erwähnten SPSen mit Strom zu versorgen, werden Sie zwischen 400 und 500 mA oder zwischen 9,6 und 12 W bei 24 V DC benötigen.

Wenn Sie kein Netzteil finden, das die erforderliche Leistung liefert, können Sie zwei oder mehr parallel betreiben, um die Summe der verfügbaren Leistung zu erhalten. Allerdings sollten Sie sich darauf beschränken, 80 Prozent der verfügbaren Leistung zu verbrauchen. Faktoren wie Temperatur und Alterung können ebenfalls zu einer vorzeitigen Alterung eines Netzteils führen, was zu einer strapazierten Einheit und einem möglichen Ausfall führt. Wählen Sie Netzteile des gleichen Modells, die mit der gleichen Spannung betrieben werden, oder Einheiten, die parallel geschaltet werden können. Bei Fragen lohnt es sich, den Hersteller um Rat zu fragen.

Montage-, Kühlungs- und Anschlusssoptionen

In einigen Situationen definiert die Anwendung die Montage- und Kühlungsanforderungen Ihrer Netzteile. DIN-Schienen oder Hutschienen sind zum Beispiel eine Standardmontageoption für SPSen und damit verbundene Ausrüstungen. In einem solchen Fall ist ein DIN-Schienen-Netzteil die beste Option.

Traco Power
Das Netzteilgehäuse variiert von der DIN-Montage und Gehäuse bis hin zu einer offenen Bauform auf der Leiterplatte und Kunststoff (von links nach rechts).
© Traco Power

Es stehen Einheiten mit bis zu 600 W zur Verfügung, die auf einer Konvektionskühlung basieren, sodass Sie sich keine Gedanken um einen Lüfter machen müssen. Industrietaugliche Netzteile vermeiden sogar eine Zwangskühlung, da sie eine weitere potenzielle Fehlerquelle darstellt. Sie müssen jedoch einen ausreichenden Luftstrom für die natürliche Konvektion sicherstellen. Dabei gelten 20 LFM (linearer Fuß pro Minute) als eine typische Spezifikation.

Andere Netzteile haben ein Metallgehäuse mit Gehäusehalterungen, die die Installation in Ihrer Anwendung mit Schraubverbindungen ermöglichen. Wenn Sie schließlich eine Industrieanwendung auf Komponentenebene aufbauen, sollten Sie einen Blick auf die auf der Leiterplatte (PCB) montierten Netzteile werfen. Diese können eine offene Bauform ohne irgendein Gehäuse haben oder in einem Kunststoffgehäuse mit einer Vergussmasse integriert sein.

Oft sind es die Montageart und die Zielanwendung, die zu spezifischen Anschlussoptionen führen. Netzteile für DIN-Schienen- und Gehäusemontage verfügen normalerweise über Schraubanschlüsse, sodass technische Fachkräfte die Einheit problemlos anschließen können. Ebenso sind Adapter verfügbar, um gehäusemontierte Netzteile auf DIN-Schienen anzubringen. Für auf Leiterplatten montierte Einheiten müssen Sie die Pinabstände und Abmessungen den Zeichnungen des Datenblatts entnehmen. Unabhängig vom von Ihnen ausgewählten Typ stellen die meisten Anbieter auch CAD-Zeichnungen zur Verfügung, die Sie in Ihre Design-Software importieren können, um eventuelle Platzierungsprobleme beim Bau Ihrer Ausrüstung zu vermeiden.

Umweltbedingungen und Industrienormen

Wenn Ihr System regelmäßig Vibrationen oder physischen Stößen ausgesetzt ist, sollten Sie prüfen, welche Normen erfüllt werden. Diese Umweltfaktoren werden durch Normen wie EN 61373 und Teile von IEC 60068-2 abgedeckt. Sie sollten auch den Arbeitstemperaturbereich und die angegebene nicht kondensierende relative Luftfeuchtigkeit prüfen. Die Lastreduktion der Leistung bei höheren Temperaturen und niedrigeren Eingangsspannungen kann auch definiert werden.

Traco Power
Anwendungshinweise liefern mehr Einzelheiten als das Datenblatt des Netzteils, z. B. die Eigenschaften des Wirkungsgrads in Abhängigkeit von Last/Spannung, des Anlaufs und der Überbrückung.
© Traco Power

UL 61010 ist eine weitere wichtige Norm für Industriesteuerungsausrüstungen. Die Norm gewährleistet die Einhaltung der Überlast-, Spannungsfestigkeits-, Kurzschluss- und Standardfehlerstromtests sowie eine Reihe weiterer wichtiger Kriterien. Die Einhaltung dieser Normen gewährleistet, dass das Netzteil den Anforderungen von Industrieanwendungen in Bezug auf Sicherheit, Zuverlässigkeit und Langlebigkeit entspricht.

Wenn Sie mehr Einzelheiten erfahren möchten, finden Sie normalerweise mit Informationen zu thermischen Überlegungen, EMV-Testergebnissen, Anpassung der Ausgangsspannung und Kennlinien im Internet.

Wie spezifizieren Sie ein auf Ihre Bedürfnisse abgestimmtes industrielles Netzteil?

Letztendlich gibt es immer wieder Fälle, in denen genau das, was Sie benötigen, nicht verfügbar ist, obwohl die Hersteller die meisten der alltäglichen Anforderungen an die industrielle Stromversorgung abdecken. In solchen Fällen gibt es zwei Optionen. Manchmal besteht die Möglichkeit, ein bestehendes Design anzupassen oder eine zusätzliche Zertifizierung vorzunehmen, um Ihre Anforderungen zu erfüllen. Andernfalls könnte ein individuelles Design berücksichtigt werden. In solchen Fällen müssen Sie und sie Ihrem ausgewählten Partner zur Verfügung stellen, um mit dem Designprozess zu beginnen.

Anbieter zum Thema

zu Matchmaker+

Lesen Sie mehr zum Thema


Das könnte Sie auch interessieren

Kundenspezifische und standardisierte AC/DC- und DC/DC-Wandler von Leco kommen in den verschiedensten Industriezweigen zum Einsatz.

Recom übernimmt Leco

Einstieg in neues Marktsegment

Strom Forum

Stromversorgungen

»Der Markt wird 2025 deutlich anziehen«

Strom Forum

Power-Branche erwartet 2024 Lagerabbau

»Der Bedarf wird 2025 deutlich anziehen«

Aktuelle Versorgungslage

Stromversorgungsdiskussion Teil 2

Stromversorgung: Das ist die aktuelle Versorgungslage

Power Talk_Teaserbild_Artikel 1

Stromversorgungdiskussion Teil 1

Stromversorgung: Nach verhaltenem Start hellt sich 2024 auf

Mean Well

Leistungs-Derating in der Praxis

Netzteile vor Überhitzung und vorzeitigem Ausfall schützen

JB Hyperspectral/Traco Power

DC/DC-Wandler für die Landwirtschaft

Gesundes Grünzeug leuchtet rot

TW Strom

Alle Beiträge im Überblick

Online-Themenwoche: Stromversorgung

Gavin Griggs

XP Power wendet feindliche Übernahme ab

725 Millionen Dollar Cash sind nicht genug

mornsun

Katz- und Maus-Spiel mit neuen Namen

Mornsun versucht Maßnahmen der Sanktionsliste zu entziehen

Traco Power

Traco über Ersatz von Mornsun-Wandlern

»Schnelle Lösungen werden nicht immer möglich sein«

Vox Power

Für Temperaturen zwischen –40 bis +70 °C

Vox Power mit geräuschlosem DC/DC-Netzteilen mit 300 W

Cosel

Für Industrie- und Medizinanwendungen

Erhöhte Zuverlässigkeit und Wirkungsgrade mit Nachfolgerserie PDA

XP Power

Programmierbare Netzteile

Optimale Kompensation unter allen Bedingungen

Stromversorgungsbranche 2024

Mehr als verhaltener Jahresbeginn

Laborstromversorgungen

Überangebot führt zu Marktbereinigung

Index Strom

Deutsche Stromversorgungsbranche

»Jeder Boom geht einmal zu Ende«

Medizintechnik Power Stromversorgung Medizingeräte Entwicklung Netzteil

Bauteile für die MedTech-Stromversorgung

Fünf neue Power-Komponenten für Medizingeräte

EtiAmmos/stock.adobe.com

Wachstum geringer als erwartet

Unangenehme Überraschung für die Stromversorgungsbranche

Cosel

Cosel

Wenn es auf schnelle Reaktion ankommt

Jörg Traum

Neu ausgerolltes Fortec-One-Konzept

Marken unterstützen einander

Camtec Power Supplies

Produktionssteigerung um 28 Prozent

Neue SMD-Produktionsanlage bei Camtec Power Supplies

Seidenzahl Puls

Puls steigt in Wireless-Charging ein

»Wir stehen nicht still, es geht immer vorwärts«

Interview mit Timur Uludag von Würth eiSos

Power-Module

Entwicklungs-Ressourcen freisetzen, super Idee!

Puls

Netzteile von Puls

Hohe Systemverfügbarkeit, geringer Aufwand

CUI Power Homecare Netzteile Batterien Medizintechnik Medizingeräte

Power für Homecare-Geräte

Sicherheitsstandards für zuhause

Püthe Hermann

25 Jahre inpotron Schaltnetzteile

»Ein Umsatzvolumen von 100 Millionen Euro wäre denkbar«

WEKA-Fachmedien

Stromversorgungsbranche unter Druck

»Das ist eine normale zyklische Schwankung«

inpotron Schaltnetzteile

Betrachtungen zur Zuverlässigkeit

Zuverlässigkeit bestimmen, Lebensdauer verlängern

Bicker Elektronik

Notstromversorgung von Bicker Elektronik

Outdoor-AC/DC-USV für die Mastmontage

iStockphoto/ChunyipWong

»Smart Grid« einmal anders

Zwanzig Jahre Einschaltstrombegrenzer als Kostenkiller

EA-Elektro Automatik

EA Elektro-Automatik

Schnell, effizient, leistungsstark

Kocevar Dieter

DC/DC-Stromversorgungen von Autronic

»Wir sind die Spezialisten für kompromisslose Wandler«

25 Jahre inpotron. Zuverlässigkeit, Kontinuität, Innovation, Vertrauen

Firmenjubiläum

25 Jahre Inpotron Schaltnetzteile

KIT Energiespeicher

Wandlertopologien

Solarenergie- und Energiespeicher-Systeme optimal integrieren

WEKA Fachmedien

Auftragseingang in der Stromversorgung

»Eine Normalisierung, keine Rezession«

3d render, abstract minimal neon background, pink blue neon lines going up, glowing in ultraviolet spectrum. Cyber space. Laser show. Futuristic wallpaper.

Leistungsfaktorkorrektur

Einfacher mit Spitzenstromregelung

Michael Raspotnig von Puls, Hermann Püthe von inpotron und Uwe Daro von Emtron Electronic im Gespräch mit elektroniknet-Chefreporter Engelbert Hopf.

PowerTalk 2023 Teil 4

Eine KI wird keine Stromversorgung entwickeln

Michael Raspotnig von Puls, Hermann Püthe von inpotron und Uwe Daro von Emtron Electronic im Gespräch mit elektroniknet-Chefreporter Engelbert Hopf.

PowerTalk 2023 Teil 3

Läuft die Politik etwas nach, was gar kein Thema mehr ist?

Michael Raspotnig von Puls, Hermann Püthe von inpotron und Uwe Daro von Emtron Electronic im Gespräch mit elektroniknet-Chefreporter Engelbert Hopf.

PowerTalk 2023 Teil 2

Transparentere Informationen für den Kunden

Michael Raspotnig von Puls, Hermann Püthe von inpotron und Uwe Daro von Emtron Electronic im Gespräch mit elektroniknet-Chefreporter Engelbert Hopf.

PowerTalk 2023 Teil 1

Verbesserte Versorgung, ungewisser Ausblick

Fortec One

Fortec One startet am 1. Juli

Die richtigen Segel in Richtung Zukunft gesetzt

Immer mehr Unternehmen müssen einen Nachhaltigkeitsbericht veröffentlichen. Kohlendioxid-Emissionen zu reduzieren, bedeutet Maßnahmen bei der Auswahl der Komponenten zu ergreifen.Beispiel: Der Einsatz von Netzteilen mit möglichst hohen Wirkungsgraden

Mehr Wirkungsgrad, weniger CO2

Effizienz schützt die Umwelt

Cosel

Kompaktes 700-W-Gerät

Hohe Leistungsdichte

Cosel Power Stromversorgung Netzteile Medizintechnik Medizinelektronik PCR-Test Diagnose

Medizintechnik-Netzteile

Für den Einsatz am Patienten

Recom Power AC-DC Watt Medizintechnik MOPP Zertifizierung

Mit MOPP-Zertifizierung

Neue 30 Watt AC/DCs