Advertorial

Oszilloskope im Home-Office

9. April 2021, 12:00 Uhr | Alexandra Chromy
Tektronix
© Tektronix

Analysieren Sie Signale überall und jederzeit! Mit der TekScope PC-Analysesoftware von Tektronix holen Sie sich die Analysefunktionen eines Oszilloskops, sowie die preisgekrönte Benutzeroberfläche, direkt auf Ihren PC. Erhältlich für alle Tektronix Oszilloskope.

Diesen Artikel anhören

Jetzt kostenlos zum Download erhalten.

TekScope™ Analysesoftware auf Ihrem PC

Holen Sie sich die Analysefunktionen eines Oszilloskops mit preisgekrönter Benutzeroberfläche auf Ihren PC. Analysieren Sie Signale überall und jederzeit. Das kostenfreie Basispaket ermöglicht Ihnen die Skalierung und Messung von Signalen. Dazu können Sie erweiterte Funktionen wie die Analyse mit mehreren Oszilloskopen, Busdekodierung, Leistungsanalyse und Jitter-Analyse hinzufügen.

Tektronix

© Tektronix

Analyse-Möglichkeiten eines Oszilloskops ohne die Präsenz des Oszilloskops

Analysieren Sie Signale wie mit einem Oszilloskop – ohne dabei ein Oszilloskop zu benötigen. Auf diese Weise können Sie jederzeit und überall arbeiten.

Tektronix

© Tektronix

Daten mit Kollegen und Kunden teilen

Senden Sie statt statischer Screenshots ganze Datensätze. Ihre Kollegen können auf diese Weise Signale neu skalieren und Messungen durchführen, als säßen sie selbst vor dem Oszilloskop.

Tektronix

© Tektronix

Signale von mehreren Oszilloskopen synchronisieren

Verwandeln Sie bis zu vier Oszilloskope in ein einziges virtuelles Gerät. Anzeigen und Analysieren von Daten aus mehreren Oszilloskopen auf demselben Bildschirm mit einem einzigen Satz von Steuerelementen.

  • Kanäle neu anordnen
  • Kanäle gruppieren
  • Schwenken und Zoomen
  • Cursor oder automatische Messungen hinzufügen
Tektronix

© Tektronix

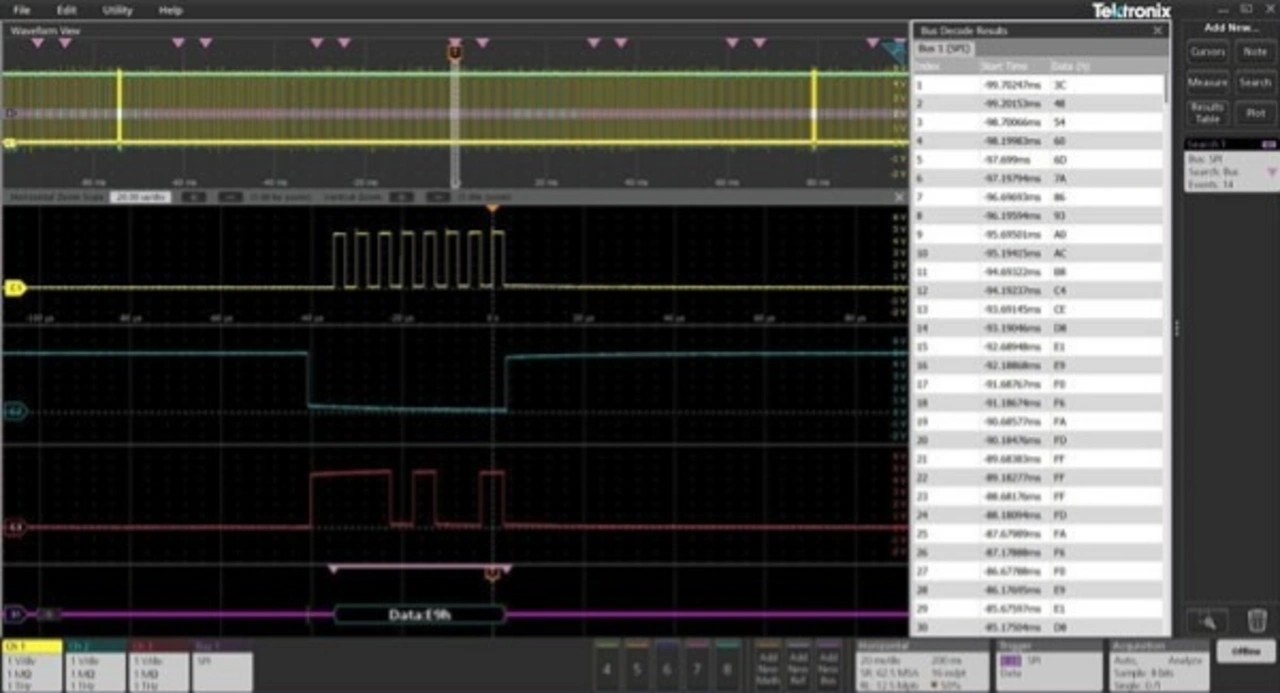
Ermöglicht zusätzliche Analysemöglichkeiten für Ihr Oszilloskop

Verbessern Sie die auf Ihrem Oszilloskop verfügbare Analyse durch erweiterte Funktionen wie Busdekodierung, Spektrumanalyse und Jitter-Analyse.

  • TekScope™ bietet dieselbe intuitive Benutzeroberfläche wie die der MSOs der Serie 4/5/6
  • TekScope™ unterstützt die meisten Signaldateien (.wfm, .isf, .csv, .h5, .tr0, .trc und .bin)
  • Mit der flexiblen Lizenzierung können Sie Optionen hinzufügen, wenn Sie diese benötigen
Tektronix

© Tektronix

Holen Sie mehr aus Ihrem Benchtop-Oszilloskop heraus

Ingenieure und Lehrkräfte werden die TekScope PC-Software mit der Lizenzoption TEKSCOPE-ENTRY zu schätzen wissen. Diese erlaubt es Ihnen:

  • Grundlegende Gerätesteuerungen, Übertragungen und Echtzeit-Wellenformanalysen mit den Oszilloskopen der Serien TBS1000C und TBS2000B durchzuführen
  • Die gängigsten seriellen Protokolle: I2C, SPI, RS-32/422/485/UART, CAN, CAN-FD, LIN zu dekodieren
  • TekScope als Lehr- und Lernmittel für die Verwendung von Oszilloskopen und der grundlegenden Signalanalyse zuverwenden
Tektronix

© Tektronix

Zum TekScope gratis DOWNLOAD

Sehen Sie mehr von Tektronix auf de.tek.com

Haben Sie weitere Fragen oder Anliegen? Sprechen Sie uns an !

+49 9477 400

Oder schicken Sie uns eine Nachricht an DACH@tek.com


Lesen Sie mehr zum Thema


Das könnte Sie auch interessieren