EMV-Verträglichkeit

Med-Kleinantriebe ohne Störung

8. Dezember 2022, 14:28 Uhr | Von Dr. Andreas Wagener, Leiter System Engineering bei Faulhaber
Bei der Arbeit mit geregelten Antrieben gilt es die elektromagnetische Verträglichkeit (EMV) im Blick zu behalten
Bild 1: Bei der Arbeit mit geregelten Antrieben gilt es die elektromagnetische Verträglichkeit (EMV) im Blick zu behalten.
© Faulhaber

In medizinischen Geräten mit geregelten Antrieben müssen Entwickler die EMV im Blick behalten, denn Störungsfreiheit ist im MedTech-Umfeld sicherheitsrelevant. Tipps für den Praxiseinsatz.

Diesen Artikel anhören
Frequenzbereiche der unterschiedlichen Signale und Störungen im Umfeld eines geregelten Antriebs. Die Auswirkungen sind hier qualitativ bewertet. Endstufen mit PWM sind zwar kompakt, brauchen aber viel Aufmerksamkeit
Bild 2: Frequenzbereiche der unterschiedlichen Signale und Störungen im Umfeld eines geregelten Antriebs. Die Auswirkungen sind hier qualitativ bewertet. Endstufen mit PWM sind zwar kompakt, brauchen aber viel Aufmerksamkeit.
© Faulhaber

Die Elektromagnetische Verträglichkeit (EMV) beschreibt die Fähigkeit elektrischer und elektronischer Komponenten, in ihrer Umgebung möglichst ohne Störungen neben- und miteinander zu funktionieren.

Der Konflikt zwischen der elektrischen Antriebstechnik im städtischen Nahverkehr und der aufkommenden Telekommunikation führte bereits in den 1920er-Jahren zur Entwicklung der Funkentstörung, einem Teilkonzept der EMV (Bild 1). Heute sind elektrische Antriebe meist geregelt, neben der Energiewandlung enthalten sie also auch die für die Sensorik zur Datenübertragung nötigen Telekommunikationsbauteile. Wegen der Störaussendung der Energiewandlung muss deswegen die nötige Störfestigkeit der Sensorik und Telekommunikation gegeben sein, besonders in sicherheitskritischen Medizinumfeldern und das oft auf engstem Raum (Bild 2).

Zertifizierung in der Anwendung

Die Grenzwerte für geregelte elektrische Antriebe sowohl für die Störaussendung als auch für die Störfestigkeit sind heute in der EN 61800-3 festgelegt. Allerdings dient die Norm lediglich als Basis zur Bewertung eines betriebsfertig aufgebauten Antriebs. Wie sich dieser im Endgerät verhält, lässt sich nicht verbindlich vorhersehen. Hier ist der Anwender in der Pflicht, die für seine Applikation gültige Zertifizierung zu erreichen. In Systemen mit elektrischen Kleinantrieben wird die elektrische Energie meist mehrfach umgeformt. Dabei treten elektrische Wechselgrößen als Spannungen und Ströme mit sehr unterschiedlichen Frequenzen auf, z. B. Schaltvorgänge in der Endstufe, (elektro)magnetische Störfelder beim dynamischen Betrieb oder auch Spannungsschwankungen (Ripple), wenn die Antriebe schalten (Bild 3).

Störpfade für Gleichtakt und Gegentaktstörungen vom geregelten Motor bis hin zum Netz
Bild 3: Störpfade für Gleichtakt und Gegentaktstörungen vom geregelten Motor bis hin zum Netz
© Faulhaber

Während für Geräte im europäischen Binnenmarkt die EMV-Richtline 2014/30/EU gilt, wird die konkrete Bewertung anhand der sogenannten harmonisierten Normen vorgenommen. Eine durch das CE-Zeichen erkennbare Konformität zur EMV-Richtline ist verpflichtend. Aber auch bei Geräten, die nicht im europäischen Binnenmarkt in den Verkehr gebracht werden oder für industrielle Weiterverwender bestimmt sind, ist oft ein Nachweis der Konformität erforderlich. Hier greifen die Fachgrundnormen EN 61000-4-x und EN 61000-6-x, je nachdem ob die Geräte für den Industrieeinsatz oder den Endanwender bestimmt sind. Für die Medizintechnik gilt die Norm EN 60601-1-2. Für Medizintechnik, die in der Flugrettung oder in Krankenfahrzeugen betrieben wird, gelten erweiterte Anforderungen: z. B. die RTCA DO-160 oder der ISO 14708 für Implantate in einer MRI-Umgebung (Magnetic Resonance Imaging).

Grenzwerte für geregelte Antriebe

Galvanische Kopplung mehrerer Teilnehmer im DC-Netzverbund. Durch rückgespeiste  Energie könnten kritische Überspannungen entstehen
Bild 4: Galvanische Kopplung mehrerer Teilnehmer im DC-Netzverbund. Durch rückgespeiste Energie könnten kritische Überspannungen entstehen.
© Faulhaber

Für die Bewertung eines betriebsfertig aufgebauten Antriebs, bestehend aus Motor und direkt am Netz betriebenem Umrichter bzw. Motion Controller, bildet die EN 61800-3 die Basis. Sie definiert auch die Regeln für den Messaufbau. Dabei gelten unterschiedliche Quantifizierungen für die Störungen: Im Frequenzbereich von 150 kHz bis 30 MHz werden sie als Störspannung in dB(µV) definiert, im Frequenzbereich von 30 MHz bis 300 MHz als Störleistung in dB(pW) und im Bereich von 30 MHz bis 6 GHz als Störfeldstärke in dB(µV/m).

Der Ansatz geht davon aus, dass niederfrequente Wechselgrößen vor allem als eine der Versorgung eines Netzteils überlagerte Störspannung beobachtet werden. Die pulsierenden Ströme eines geregelten Medizinantriebs könnten dann z. B. den Betrieb von parallel angeschlossenen Medizingeräten beeinträchtigen (Bild 4). Ebenso könnte eine Spannungsspitze in der Versorgung während eines Bremsvorgangs parallel angeschlossene Geräte zur Schutzabschaltung veranlassen und damit gesundheitsgefährdend sein. Die Störleistung und Störfeldstärke dagegen beschreiben die nicht an Leitungen gebundene Ausbreitung von elektromagnetischen Feldern.

Störfeldstärke als Herausforderung

Dr. Andreas Wagener von der Firma Faulhaber
Dr. Andreas Wagener von der Firma Faulhaber
© Faulhaber

Während der Zulassung eines Medizingerätes mit integriertem Kleinantrieb ist die Störfeldstärke oft die größere Herausforderung. Maßnahmen dagegen sind z. B. Filter an den Leistungsausgängen, um hochfrequente kapazitive Störströme zu unterbinden. Meist muss zudem jede Motorleitung vollständig geschirmt sein. Gleiches gilt für die – getrennt davon verlegte – Sensorleitung. Wichtig ist außerdem, alle leitfähigen Teile über eine sogenannte Funktionserdung leitend zu verbinden und zwar mit HF-Schirmverbindern. Auf dieser Funktionserdung aufbauend können dann beide Seiten des Schirms flächig aufgelegt werden. Eine reine PE-Schutzerdung genügt in den seltensten Fällen.

Während durch die Funktionserdung und die geschirmten Leitungen die Störfeldstärke wirkungsvoll gedämpft wird, steigt der in der Grundplatte zurückfließende Wechselstromanteil dadurch eher noch an. Fließen diese Wechselströme über das Netz bzw. das Netzteil zum Schaltwandler zurück, steigt unweigerlich der Wechselspannungsanteil auf der Versorgungsleitung und damit die Störspannung. Daher wird oft in der Zuleitung ein zusätzlicher Filter nötig, der die Ausbreitung dieser Ströme begrenzt. Dem Medizingerätehersteller ist freigestellt, ob er einen solchen Filter vor jedem einzelnen Antrieb verbaut – bei Kleinantrieben typischerweise in der 24-V- oder 48-V-Zuleitung – oder erst vor dem Netzteil auf der AC-Seite. Letzteres spart Kosten, funktioniert aber nur, wenn die Antriebe selbst so ausgelegt sind, dass sie sich nicht gegenseitig stören.

Störfestigkeit in den Normprüfungen

Für die Störfestigkeit werden verschiedenste elektromagnetische Effekte in den Normprüfungen abgedeckt, wie beispielsweise die Störfestigkeit gegen die Entladung statischer Elektrizität (ESD) sowie gegen hochfrequente elektromagnetische Felder von einem benachbarten Sender, die Störfestigkeit gegen schnelle transiente elektrische Störgrößen (Burst), Stoßspannungen (Surge) z. B. durch Blitzschlag, oder gegen HF-Gleichtaktstörungen auf längeren Sensor- und Kommunikationsleitungen. Eher für direkt am Netz betriebene Antriebe sind noch Prüfungen bezüglich kurzzeitiger Spannungseinbrüche definiert.

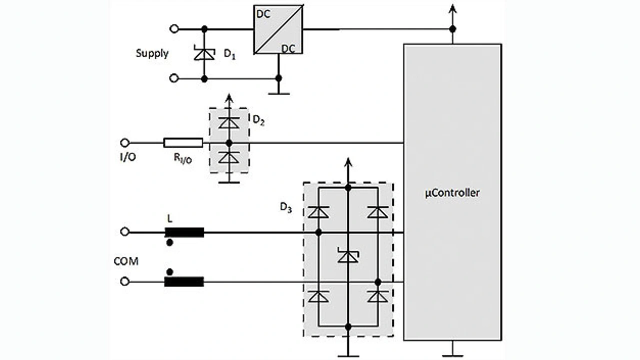
Typische Schutzmaßnahmen zur Erhöhung der Störfestigkeit von Versorgungs-, Signal- und Kommunikationseingängen
Bild 5: Typische Schutzmaßnahmen zur Erhöhung der Störfestigkeit von Versorgungs-, Signal- und Kommunikationseingängen.
© Faulhaber

Die typischen Spannungsschwankungen von mehreren dynamischen Antrieben an einem DC-Netz dagegen sind nicht wirklich erfasst. Zusätzliche Entstörmaßnahmen können hier gerade beim Kleinantrieb möglichst kurze Leitungen oder Schutzdioden auf der Versorgungsseite sein. Zusätzlich sind Ferritfilter möglich, wie sie z. B. auch auf analogen PC-Monitor- oder Kommunikationsleitungen üblich sind (Bild 5).

Die Hauptherausforderung für die Störfestigkeit der Komponenten sind bei kompakten Antrieben die Encoder. Sie müssen ebenfalls auf minimalem Bauraum untergebracht werden. Selbst in kleinen Encodern kann jedoch ein ausreichender Schutz gegen ESD durch kompakte Schutzelemente erreicht werden. Die für die Störfestigkeit angegebenen Feldstärken stellen in der Regel weder im HF- noch im Netzfrequenzbereich ein Problem dar. Störfestigkeit gegen Bursts, also schnelle Transienten, erfordert Filter sowohl auf den Versorgungsanschlüssen als auch auf den Signalleitungen. Das ist aber bereits auf den Versorgungsanschlüssen ein Problem, da die Versorgungsspannung typischerweise direkt an die im Encoder integrierten Schaltkreise angeschlossen ist. Ein wirksamer Schutz ist hier nur im Gesamtgerät möglich. Ein vollständiger Schutz direkt in den Encodern gegen Normstörgrößen ist in der Regel nicht nötig. Falls doch, könnte eine Schutzdiode z. B. in einer Adapterplatine verbaut werden.

Das Prüfsignal für leitungsgeführte HF-Störungen nach IEC 61000-4-6 ist größer als das Nutzsignal typischer Encoder. Gleichtaktfilter in einem Encoder bei Motordurchmessern von lediglich noch 20 bis 22 mm sind jedoch nicht realisierbar. Hier muss auf Geräteebene bewertet werden, welche Störgrößen zu erwarten sind. Gegebenenfalls lässt sich die Störfestigkeit mit extern aufgebrachten Ferriten verbessern. Spannungseinbrüche an der Versorgung des Antriebssystems können zur Abschaltung des Systems führen. Abhängig vom Puffer der Encoderversorgung im Motion Controller kann dann bei Spannungseinbrüchen auch der Encoder unterversorgt sein. Inkrementale Encoder verlieren dabei die absolute Positionsinformation und müssen neu referenziert werden.

EMV-gerechte Auslegung

Das Buch informiert umfassend über die elektromagnetische Verträglichkeit von Kleinantrieben
Bild 6: Das Buch informiert umfassend über die elektromagnetische Verträglichkeit von Kleinantrieben.
© Faulhaber

EMV bei Kleinantrieben ist in der medizintechnischen Entwicklung keineswegs trivial. Die IEC 60601-1-2 regelt, mit welchen elektromagnetischen Störungen Medizingeräte umgehen müssen, in welchem Umfang Medizingeräte selbst elektromagnetische Strahlung senden dürfen, wie die Anforderungen von der speziellen Umgebung und vom Produktrisiko abhängig sein können, wie Hersteller und Prüflabore messen, prüfen und dokumentieren müssen und wie die Hersteller das Produkt kennzeichnen sowie welche Informationen in der Gebrauchsanweisung stehen müssen. In der aktuellen Version der IEC-Norm verdient der Anhang F und die dortige enge Verzahnung mit dem Risikomanagement nach ISO 14971 besondere Beachtung.

Für Medizingerätehersteller, welche Kleinantriebe in ihren Produkten verbauen, stehen in den meisten Fällen die Antriebsexperten des jeweiligen Lieferanten mit Know-how und umfassenden Dokumentationen bereit, um den Anwender bei der Zertifizierung des Medizingeräts bestmöglich zu unterstützen. (uh)

Über Faulhaber
Der Antriebsspezialist aus Schönaich ist spezialisiert auf Entwicklung, Produktion und Einsatz von hochpräzisen Klein- und Kleinstantriebssystemen, Servokomponenten und Steuerungen bis zu etwa 250 Watt Abgabeleistung. Dazu zählt die Realisierung von kundenspezifischen Komplettlösungen ebenso wie ein umfangreiches Programm an Standardprodukten wie bürstenlose Motoren, DC-Kleinstmotoren, Encoder und Motion Controller. Faulhaber steht weltweit für hohe Qualität und Zuverlässigkeit in komplexen und anspruchsvollen Anwendungsgebieten wie Medizintechnik, Fabrikautomation, Präzisionsoptik, Telekommunikation, Luft- und Raumfahrt sowie Robotik. Vom leistungsstarken DC-Motor mit 224 mNm Dauerdrehmoment bis zum filigranen Mikroantrieb mit 1,9 Millimetern Außendurchmesser umfasst das Standardportfolio mehr als 25 Millionen Möglichkeiten, ein optimales Antriebssystem für eine Anwendung zusammenzustellen. Dieser Technologiebaukasten ist zugleich die Basis für Modifikationen, um auf besondere Kundenwünsche für Sonderausführungen eingehen zu können. www.faulhaber.com

Anbieter zum Thema

zu Matchmaker+

Lesen Sie mehr zum Thema


Das könnte Sie auch interessieren