Industrielle RS-485-Netzwerke

Transceiver vor Überspannungen schützen

11. Januar 2021, 12:54 Uhr | Tom Kugelstadt, Harry Schubert
©

RS-485-Transceiver-ICs mit integriertem Überspannungsschutz bieten bereits Sicherheit vor Fehlern. Für einen umfassenderen Schutz der Datenleitungen – auch gegen hohe Spannungstransienten – sind zusätzliche TVS-Dioden sinnvoll.

Diesen Artikel anhören

Die Busverkabelung von industriellen RS-485-Netzwerken teilt sich üblicherweise die gleichen Leitungen wie die DC-Versorgung. Zwischen Daten- und Spannungsversorgungsleitungen können Kurzschlüsse auftreten, weil Kabel falsch angeschlossen sind oder die Kabelisolierung durch starke Kabelkrümmungen beschädigt wird. Um die Kommunikationsbausteine vor solchen Fehlern zu schützen, werden RS-485-Transceiver mit Überspannungsschutz benötigt. Die Anschlüsse solcher Transceiver haben eine große DC- und AC-Überspannungsfestigkeit, die bei Weitem die maximal erlaubte DC-Versorgungsspannung übersteigt.

Sollen die Datenleitungen des Busnetzwerkes gegen noch höhere Überspannungstransienten wie ESD-Entladungen abgesichert werden, sind Überspannungsschutzdioden erforderlich. Diese werden auch TVS-Dioden (Transient Voltage Suppressors) genannt und verfügen über spezielle Schalteigenschaften.

RS-485-Transceiver-ICs mit integriertem Überspannungsschutz (OVP)

RS-485-Transceiver-ICs, wie der ISL32452 [1] in Bild 1, können AC- und DC-Überspannungen bis ±60 V standhalten. Eine Busleitung kann dabei ein Potenzial von +60 V aufweisen, eine andere Busleitung dagegen ein Potential von –60 V haben. Dies ergibt eine beeindruckende Differenzspannung von 120 V. Gemäß EIA-485 können solche Transienten sogar Spannungswerte bis ±80 V erreichen.

Schaltsymbol eines RS-485-Transceivers mit integriertem Überspannungsschutz (links) und Spannungsbereiche (rechts) in dem der Überspannungsschutz arbeitet
Bild 1. Schaltsymbol eines RS-485-Transceivers mit integriertem Überspannungsschutz (links) und Spannungsbereiche (rechts) in dem der Überspannungsschutz arbeitet.
© Renesas

Für ausgeschaltete Transceiver ist es einfach, solchen hohen Spannungen standzuhalten, da der Ausgangstransistor des Treibers eine hohe Durchbruchspannung hat. Überspannungen treten jedoch meistens unpassend auf, z.B. während der Datenübertragung. In diesem Fall ist einer der Bustreiber eingeschaltet und versucht genügend Strom in die Leitung des entfernt gelegenen Empfängers zu transferieren, damit dieser das Signal detektiert.

Zweifache Strombegrenzung

Um schwere Beschädigungen des Treibers zu verhindern, ist ein ausgeklügeltes Strombegrenzungsschema erforderlich, das den Treiber befähigt, wenn immer möglich, Daten zu senden und im Fehlerfall den Strom zu begrenzen. RS-485-Transceiver-ICs mit integriertem Fehlerschutz haben Treiberstufen mit einer zweifachen Strombegrenzung, deren Wert für die Gleichtaktunterdrückung einen höheren aufweist als im RS-485-Standard spezifiziert ist.

Zweifache Strombegrenzung zum Schutz des Transceiver-ICs über den Bereich ±60 V.
Bild 2. Zweifache Strombegrenzung zum Schutz des Transceiver-ICs über den Bereich ±60 V.
© Renesas

Bild 2 zeigt das Strombegrenzungsverhalten des in Bild 1 vorgestellten RS-485-Transceiver-ICs ISL32452 [1] mit integriertem Fehlerschutz. Die Gleichtakt-unterdrückung beträgt ±20 V. Die erste Schwelle für die Strombegrenzung mit 63 mA stellt sicher, dass der Treiber nicht in die Strombegrenzung geht, wenn er mit Last über den gesamten Gleichtaktbereich von 40 V (±20 V) arbeitet. Die zweite Strombegrenzung setzt bei einer Schwelle von ~13 mA ein, um die Verlustleistung im Falle einer Überspannung zu begrenzen. Diese speziellen Maßnahmen zur Strombegrenzung stellen sicher, dass der Strom des Ausgangstreibers nie die spezifizierten Werte des RS-485-Standards für die Gleichtaktunterdrückung und im Überspannungsfall überschreitet.

Im Falle eines Kurzschlusses wird der Treiber des Transceiver-ICs durch eine thermische Überlastsicherung immer dann abgeschaltet, wenn die Innentemperatur des ICs eine festgelegte Grenze überschreitet. Diese Abschaltung reduziert die Verlustleistung auf Null, damit der IC abkühlen kann.

Der Treiber schaltet sich automatisch wieder ein, sobald die interne IC-Temperatur um 15 K gefallen ist. Sollte die Fehlerbedingung weiterbestehen, so wird zyklisch der IC heruntergefahren und wieder eingeschaltet bis der Fehlerzustand verschwunden ist. Der Empfänger ist während des thermischen Abschaltens des Senders einsatzfähig und der Fehlerschutz ist aktiv. Dabei spielt es keine Rolle, ob der Treiber aktiviert, deaktiviert oder der IC ausgeschaltet ist.

Interner ESD-Schutz des Transceiver-ICs

Der interne ESD-Schutz des Transceiver-ICs wird mit speziellen Siliziumdioden, Silicon-Controlled Rectifiers (SRC) genannt, vervollständigt. Diese speziellen Dioden zeigen eher eine sprungförmige Änderung der Durchlassspannung – Snapback-Verhalten genannt – als das Verhalten einer Zenerdiode. Die Dioden fangen an zu leiten, wenn eine extern angelegte Spannung die Triggerspannung überschreitet. Wegen der hohen Durchbruchspannung des Transistors der Ausgangsstufe beträgt die Triggerschwelle ±70 V, um ein fehlerhaftes Auslösen im Normalbetrieb zu verhindern.

 Snapback-Charakteristik der internen ESD-Dioden des Transceiver-ICs ISL32452 (blau) und der externen TVS-Diode TClamp3602P [2] (orange und schwarz)
Bild 3. Snapback-Charakteristik der internen ESD-Dioden des Transceiver-ICs ISL32452 (blau) und der externen TVS-Diode TClamp3602P [2] (orange und schwarz).
© Renesas

TVS-Dioden mit einer hohen DC-Durchbruchsspannung

Viele TVS-Dioden schützen gegen die drei wichtigsten Typen von Überspannungstransienten: elektrostatische Entladung (ESD, Electrostatic Discharge), schnelle transiente elektrische Störgrößen (EFT, Electrical Fast Transient) und Stoßspannungen (Surge). Um ein Gleichspannungspotenzial von bis zu 36 V zu bestehen, muss eine TVS-Diode eine Arbeitsspannung in der gleichen Größe sowie eine Durchbruchspannung im Rückwärtsbetrieb von mehr als 40 V haben. Es ist zu beachten, dass der Leckstrom der TVS-Diode bei der Arbeitsspannung unter 1 mA bleibt. Dann erfolgt der Durchbruch in Rückwärtsbetrieb, bei dem die Diode anfängt schwach zu leiten und der Strom auf 10 mA ansteigt.

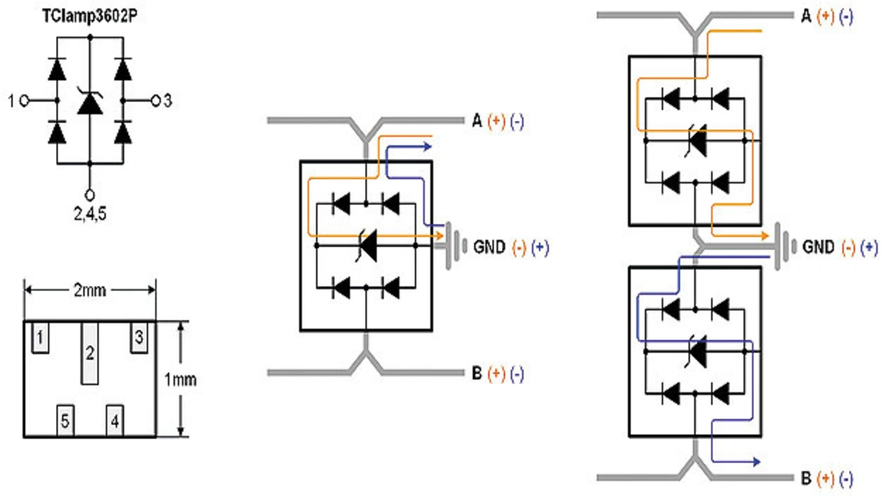
 Interne Schaltung der TVS-Diode TClamp3602P [2] (links) mit den möglichen Schaltungsvarianten (rechts)
Bild 4. Interne Schaltung der TVS-Diode TClamp3602P [2] (links) mit den möglichen Schaltungsvarianten (rechts).
© Renesas

Bild 4 zeigt eine solche TVS-Diode (TClamp3602P [2]), deren innerer Aufbau aus vier stromgesteuerten Dioden und einer mittig angeordneten Snapback-Diode besteht, die mit einer typischen Durchbruchsspannung im Rückwärtsbetrieb von 45 V spezifiziert wird. Die Strom-Spannungskennline (I-U-Kennlinie) ist in Bild 3 dargestellt.

Trotz einer hohen Durchbruchsspannung zusammen mit der Fähigkeit 350 mW an Leistung zu absorbieren, hat diese TVS-Diode ein Gehäuse von 2 mm × 1 mm. Die Anschlüsse 1 und 3 (siehe Bild 4) werden an die Datenleitungen angeschlossen, die Anschlüsse 2, 4 und 5 müssen mit Masse verbunden werden.

Zwei Beschaltungsvarianten sind möglich. Der Einsatz einer TVS-Diode, um die beiden Datenleitungen zu schützen, führt zu einem asymmetrischen Verlauf der Klemmspannung. Aus Gründen der Übersichtlichkeit ist in Bild 4 nur ein Strompfad für eine Leitung gezeichnet. Werden Testpulse mit einer positiven Polarität an die Anschlüsse A und B angelegt, so verursacht dies Transientenströme durch die Diode und die mittig angeschlossene Snapback-Diode. Bei negativen Pulsen fließen die Ströme nur durch eine einzelne Diode. Die schwarze Kurve in Bild 3 zeigt die asymmetrische Charakteristik der Klemmspannung, bezeichnet mit Pin 1 oder 3 nach 2, 4, 5.

Werden dagegen zwei TVS-Dioden eingesetzt, jeweils eine in einer Datenleitung, führt dies zu einem symmetrischen Verhalten der Klemmspannung – in Bild 3 als Pin 1 zu 3 bezeichnet. Hier sind die Masseanschlüsse 2, 4 und 5 nicht beschaltet. Stattdessen wird einer der E/A-Anschlüsse, 1 oder 3, mit einer Datenleitung und der andere mit Masse verbunden. Somit bleibt der Transientenstrom für positive und negative Pulse symmetrisch.

Bild 3 zeigt auch, dass die Triggerschwellen für die TVS-Dioden kleiner als die Triggerschwellen der internen SCR-Dioden des Transceiver-ICs sind. Dies verhindert eine Beeinflussung zwischen den internen und externen Schutzmaßnahmen.


  1. Transceiver vor Überspannungen schützen
  2. Transceiver-IC plus externe Schutzschaltung


Lesen Sie mehr zum Thema


Das könnte Sie auch interessieren