Energy-Harvesting-On-Chip-Subsystem

Ohne Batteriewechsel auskommen im IoT

6. September 2021, 11:02 Uhr | Von Stephen Evanczuk, Fachredakteur bei Digi-Key
AdobeStock
© AdobeStock

Renesas‘ MCU-Familie RE01 ist für die Entwicklung von Energy-Harvesting-Systemen prädestiniert. Mit den zugehörigen Entwicklungs-Boards und Software kommen Entwickler schnell zu Prototypen und kundenspezifischen Designs.

Diesen Artikel anhören

Fortsetzung des Artikels von Teil 1

Minimierung der Komponenten für IoT-Designs

Renesas
Bild 3: Der integrierte Energy Harvesting Controller der RE01-MCU von Renesas ermöglicht es Entwicklern, die Vorteile des Energy Harvesting schnell zu nutzen.
© Renesas

Entwickelt wurde der RE01, um die Implementierung von batteriebetriebenen IoT-Geräten zu vereinfachen. Dazu verfügt er über einen umfassenden Satz relevanter Peripheriefunktionen. Neben dem ADC und den seriellen Schnittstellen für die Sensorintegration enthält die Komponente eine Motortreiber-Steuerschaltung (MTDV-Block in Bild 2), die bis zu drei Motoren ansteuern kann, eine Konstantstromquelle, die drei externe Leuchtdioden ansteuern kann, und einen langsamen Pulsgenerator (LPG). Für die Displayausgabe integriert die RE01-MCU einen Grafikbeschleuniger für die zweidimensionale Bildverarbeitung sowie einen MIP-LCD-Controller (MIP: Memory-in-Pixel). Für die Anforderungen der Echtzeitsteuerung enthält die MCU auch einen Watchdog Timer, eine Echtzeituhr (RTC) und eine Taktkorrekturschaltung (CCC), die die Taktgenauigkeit aufrechterhält. Für Software-Code und Daten kombiniert die RE01-Familie die oben genannte Funktionalität in Komponenten wie dem R7F0E015D2CFP (RE01-1500KB) mit 1500 kB Flash und dem R7F0E01182CFM (RE01-256KB) mit 256 kB Flash.

Neben den funktionalen Möglichkeiten bietet die RE01-MCU viele Optionen, um das gewünschte Gleichgewicht zwischen Performance und Stromverbrauch zu finden. So lässt sich die MCU in mehreren Betriebsmodi betreiben, die den Stromverbrauch minimieren, indem die Betriebsfrequenz von der maximalen 64-MHz-Rate auf 32,768 kHz in einem Modus mit geringem Leckstrom reduziert wird, mit Zwischenfrequenzen im normalen Betriebsmodus von 32 MHz oder 2 MHz. Im typischen Betrieb braucht der RE01-1500KB typischerweise nur 35 µA/MHz Strom im aktiven Modus und nur 500 nA Strom im Standby-Modus bei 1,62 Volt. Sein 14-bit-ADC zieht nur 4 µA, und das Zurückschreiben der Flash-Programmierung benötigt nur etwa 0,6 mA. Der EHC der RE01-MCU stellt die Stromversorgung für diese normalen Operationen bereit und verfügt über eine Reihe von Funktionen, die die Implementierung von Energy Harvesting und Batteriemanagement erleichtern.

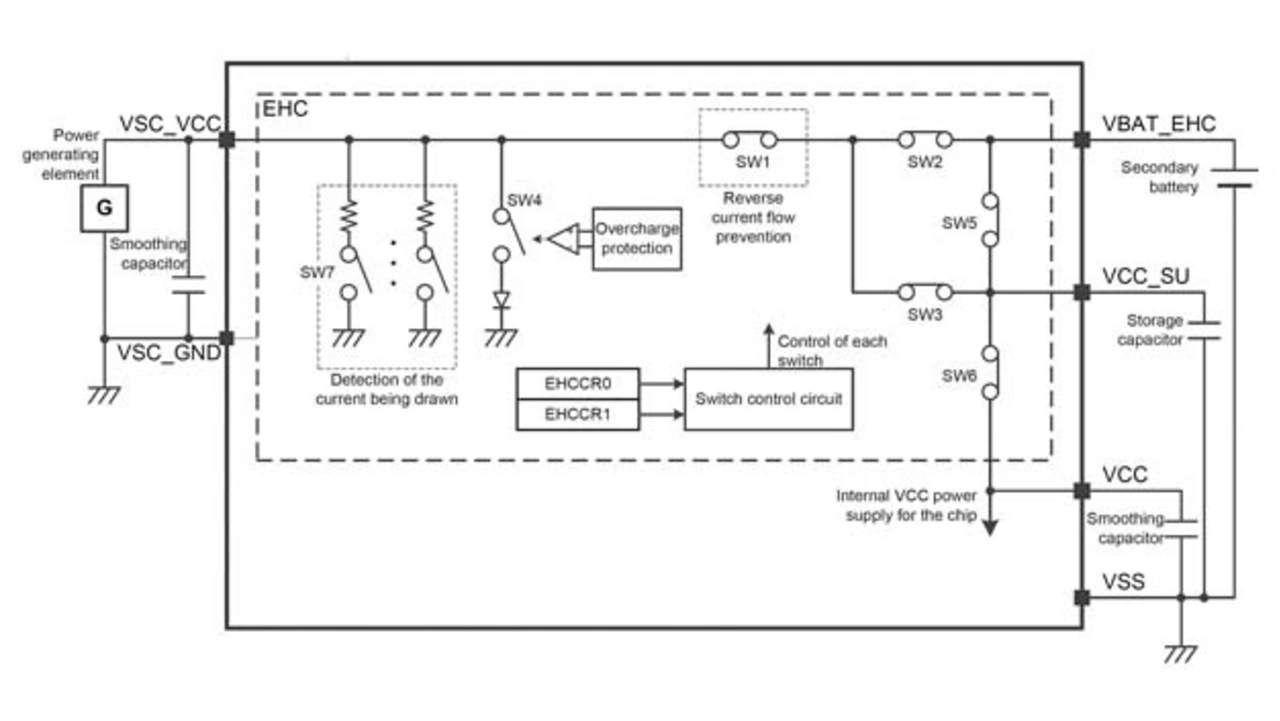
Dank des integrierten EHC machen die RE01-MCUs die Implementierung von Energy Harvesting zu einem eher routinemäßigen Vorgang. Entwickler müssen lediglich ein stromerzeugendes Element, wie zum Beispiel eine Solarzelle, ein TEG oder einen Schwingungsaufnehmer, direkt an die Pins VSC_VCC und VSC_GND der MCU anschließen. Wenn genügend Umgebungsenergie vorhanden ist, kann der EHC die MCU-Ausgangspins ansteuern, um eine Sekundärbatterie (VBAT_EHC), einen Speicherkondensator (VCC_SU) und andere externe Komponenten zu laden (Bild 3).

Dabei ergibt sich die Einfachheit des Designs aus dem vollständigen Satz von Funktionsblöcken, die in der RE01-MCU enthalten sind, wie in Bild 4 dargestellt.

Renesas
Bild 4: Der integrierte Energy Harvesting Controller der RE01-MCU enthält alle Funktionen, die erforderlich sind, um ein stromerzeugendes Element zur Erzeugung der erforderlichen Ausgangsspannungen zu nutzen.
© Renesas

  1. Ohne Batteriewechsel auskommen im IoT
  2. Minimierung der Komponenten für IoT-Designs
  3. Integrierter Energy Harvesting Controller vereinfacht das Design
  4. Evaluierungskit unterstützt Rapid Prototyping


Lesen Sie mehr zum Thema


Das könnte Sie auch interessieren