Sechsfach-Low-Side-Vortreiber für Anwendungen in der Automobiltechnik

Low-Side-Vortreiber für MOSFETs

15. November 2006, 17:04 Uhr | Eugene Lessard

Ein für die Fahrzeugelektronik geeigneter, programmierbarer Low-Side-MOSFET-Vortreiber mit sechs Kanälen steuert und schützt N-Kanal-Logic-Level-MOSFETs. Der NCV7513 wird über eine Schnittstelle direkt mit einem Mikrocontroller verbunden.

Diesen Artikel anhören

Sechsfach-Low-Side-Vortreiber für Anwendungen in der Automobiltechnik

Ein für die Fahrzeugelektronik geeigneter, programmierbarer Low-Side-MOSFET-Vortreiber mit sechs Kanälen steuert und schützt N-Kanal-Logic-Level-MOSFETs. Der NCV7513 wird über eine Schnittstelle direkt mit einem Mikrocontroller verbunden.

Bei dem NCV7513 handelt es sich um einen voll programmierbaren Low-Side-MOSFET-Vortreiber mit sechs Kanälen, der speziell für Applikationen der Automobilelektronik geeignet ist. Er ist ein Teil der Produktserie „FlexMOS“, die speziell zur Steuerung und zum Schutz von N-Kanal-Logic-Level-MOSFETs vorgesehen ist. Zu dieser Produktserie gehört auch die neue MOSFET-Familie „SmartDiscretes“ von ON Semiconductor. Geliefert wird der NCV7513 in einem 32-Lead-LQFP-Gehäuse. Er gestattet dem Entwickler, die MOSFETs in genau der Größe zu wählen, die exakt den gegebenen technischen Anforderungen entspricht. Der NCV7513 wird über seine Schnittstelle direkt mit einem Mikrocontroller verbunden, der dann die Steuerung der Ausgänge übernimmt. Der NCV7512 ist in der Ausführung des NCV7513 als Quad-Version erhältlich. Dieser Baustein wartet mit genau den gleichen Leistungsmerkmalen wie die Hex-Version auf, bietet jedoch nur vier Kanäle.

Funktion des NCV7513

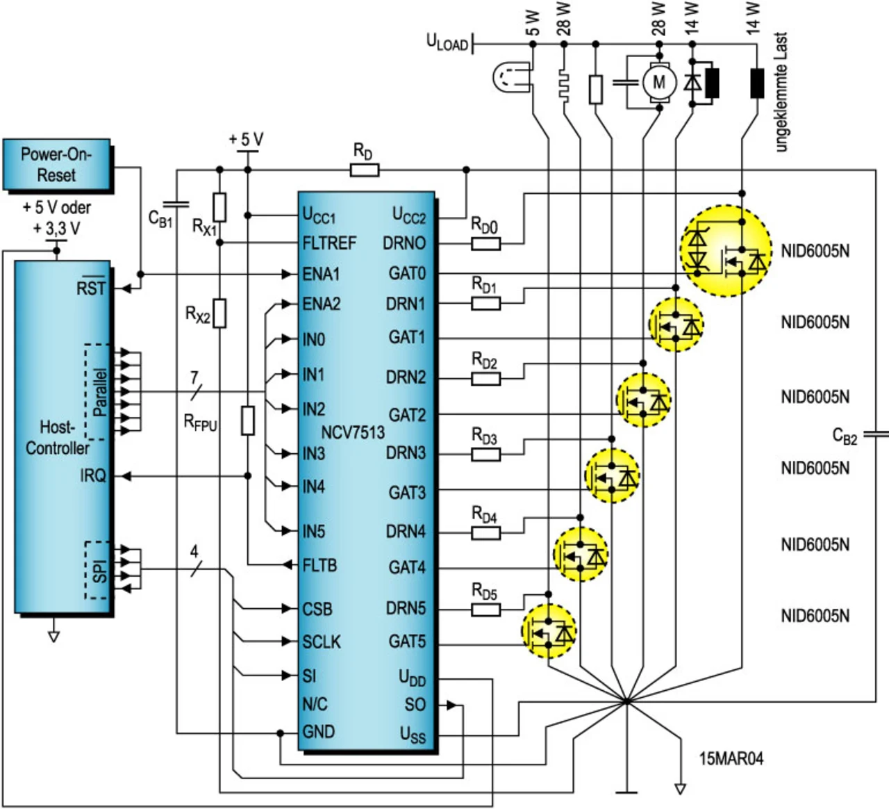
Der Versorgungs-Pin UCC1 ist der Low-Power-Strompfad (Bild 1); er dient der Spannungsversorgung der internen Logik und der anderen Signalverarbeitungsblöcke. Der Versorgungs-Pin UCC2 liefert die Betriebsleistung für die Gate-Ansteuerung, während UDD die Spannung für den SO-Pin liefert. USS ist der High-Power-Ground-Pfad für UCC2, UDD und die Drain-Klemmschaltungen (DRN Clamp). Bild 1 zeigt eine typische Schaltung, in welcher der NCV7513 eine zentrale Rolle spielt.

Die Ausgänge werden durch die Kombination einer ODER-Verknüpfung der einzelnen parallelen Eingänge gesteuert oder aber über die serielle 16-bit-SPI-Schnittstelle. Die parallelen Eingänge verfügen über voneinander unabhängige interne Pull-Down-Stromquellen. Diese Eingänge können dazu verwendet werden, eine PWM-Steuerung der Gate-Ausgänge vorzunehmen. Funktionen der SPI-Schnittstelle sind die Steuerung aller sechs Ausgangskanäle, ein Fehler-Management sowie ein leistungsbegrenzender PWM-Betrieb mit programmierbaren Einschaltzeiten. Die Digitaleingänge des Bauteils sind gleichermaßen für 3,3 V und 5 V geeignet und können daher problemlos wahlweise direkt an Mikrocontroller mit 3,3-V- oder 5-V-Logikpegel angeschlossen werden.

Eine Power-Up/Down-Steuerung verhindert unkontrollierte Betriebszustände am Ausgang durch die Überwachung der UCC1-Stromversorgung. Zudem zwingt eine interne Power-On-Reset-Schaltung (POR) sämtliche GATx-Ausgänge dazu, solange auf Low-Potential zu verharren (externe MOSFET-UGS ≈ USS), bis die Versorgungsspannung soweit angestiegen ist (typisch 4,2 V), dass eine ordnungsgemäße Funktion des Bauteils garantiert ist. Sobald der Pre-Driver seinen aktiven Zustand erreicht hat, werden sämtliche Register zunächst auf ihre Ausgangswerte zurückgesetzt bzw. initialisiert. Falls UCC1 unter die POR-Spannungsschwelle sinken sollte, werden alle GATx-Ausgänge auf Low-Potential gezogen, bis UCC1 unter rund 0,7 V abgefallen ist.

Die beiden Enable-Eingänge erlauben die gleichzeitige Abschaltung aller Ausgänge und die komplette Deaktivierung der Fehlererkennung. Enable 1 (ENA1) besitzt einen internen Pull-Down-Widerstand. Tritt dort ein Low-Signal auf, wird ein Soft-Reset ausgelöst, wobei sämtliche Ausgänge abgeschaltet und auch die GATx-Register zurückgesetzt werden. Enable 2 (ENA2) verfügt über eine interne Pull-Down-Stromquelle. Wenn an diesem Pin ein Low-Signal auftritt, bewirkt dieses zwar eine Abschaltung der Ausgänge, jedoch bleiben hier die Informationen in den GATx-Registern erhalten.

52ah0201_02.jpg
Bild 1. Typische Applikation mit dem NCV7513 als zentrales Element einer vielseitig einsetzbaren Treiberstufe.

Der NCV7513 ist ein 16-bit-SPI-Slave-Bauteil. Die SPI-Kommunikation zwischen dem Host und mehreren Bauteilen des Typs NCV7513 kann parallel durch eine individuelle CSB-Adressierung erfolgen oder auch durch eine Serienschaltung (Daisy-Chain) von Bauteilen, die ein SPI-kompatibles Protokoll verwenden. Die Tabelle zeigt eine Übersicht der Eingangs-/Ausgangs-Register samt Definitionen. Bild 2 verdeutlicht das korrekte SPI-Timing. Fehlerdaten werden zeitgleich vom SO-Pin (Serial-Out) des Bauteils gesendet, während Befehlsdaten am SI-Pin (Serial-In) empfangen werden. Der Host beginnt eine Kommunikation, indem der CSB-Eingang auf Low gezogen wird. Die 16 am SI-Pin empfangenen Datenbits werden in einen neuen Befehl umgesetzt, wenn CSB auf High gezogen wird. Der NCV7513 verfügt selbstverständlich über eine Frame-Error-Erkennung. Um als gültig erkannt zu werden, müssen mehrere Vielfache von 16-SCLK-Zyklen innerhalb eines CSB-Frames auftreten. Befehle mit weniger als 16 SCLK-Zyklen oder auch Befehle mit mehr Zyklen werden als Befehle ignoriert, jedoch nicht ein ganzzahliges Vielfaches von 16.

52ah0202_03.jpg
Bild 2. Das SPI-Timing des NCV7513.

Der Fehlerfall für die Anti-Saturation (Short-to-ULOAD) wird überwacht, wenn die Gate-Ausgänge auf ON geschalten sind (UGS ≈ UCC2). Die Schwellwerte für die Anti-Saturation-Fehlererkennung sind voll programmierbar, indem eine extern programmierte Referenzspannung (RX1 und RX2) an den Eingang FLTREF angelegt wird und zusätzlich mittels einer Kombination von vier diskreten internen Verhältniswerten. Diese diskreten Verhältniswerte sind über die SPI-Schnittstelle wählbar und gestatten unterschiedliche Anti-Saturation Ansprechschwellwerte für eine beliebige Gruppe von je drei Ausgangskanälen.

Ein Masseschluss (Short-to-GND) oder eine offene Last werden erkannt, wenn die GATx-Ausgänge auf OFF liegen (UGS ≈ USS). Hierzu wird ein Fensterkomparator verwendet, der jede DRNx-Eingangsspannung mit einer Referenzspannung vergleicht. Diese Referenz ist proportional zu UCC1. Falls die Spannung an DRNx weniger beträgt als die Masseschluss-Referenz, dann wird ein Masseschluss-Fehler erkannt. Falls die Spannung an DRNx aber unter der bei offener Last liegt und höher ist als die bei Masseschluss, wird der Fehler „offene Last“ erkannt.

tabelle_07ed2a_03.jpg
Die einfache Struktur der SPI-Register des NCV7513 erlaubt eine problemlose Handhabung in der Praxis, gezeigt sind die Eingangsbefehle und der Datenausgang.

  1. Low-Side-Vortreiber für MOSFETs
  2. Autor

Jetzt kostenfreie Newsletter bestellen!