Layout und Ansteuerung von Hilfsanschlüssen in IGBT-Modulen

Druckkontakte statt Lötstifte

15. November 2006, 17:08 Uhr | Martin Freyberg, Nedzad Bakija von Dr. Thomas Stockmeier

Der Aufbau der SEMiX-Module in Niederprofiltechnik unterscheidet sich von anderen IGBT-Modulen hinsichtlich der eingesetzten Hilfskontakt-Technologie: Alle Hilfskontakte sind als Federkontakte ausgeführt. Dieser Artikel vergleicht das Schaltverhalten der eingesetzten Spiralfedern mit gelöteten Stiftkontakten und untersucht den Einfluss der unterschiedlichen Anordnung von Suppressor-dioden als Klemmdioden zwischen Gate und Emitter. Verschiedene Positionierungsvarianten der Emitter-Hilfskontakte werden ebenso diskutiert wie ihr Einfluss auf Schaltverluste und das Kurzschlussverhalten.

Diesen Artikel anhören

Layout und Ansteuerung von Hilfsanschlüssen in IGBT-Modulen

Der Aufbau der SEMiX-Module in Niederprofiltechnik unterscheidet sich von anderen IGBT-Modulen hinsichtlich der eingesetzten Hilfskontakt-Technologie: Alle Hilfskontakte sind als Federkontakte ausgeführt. Dieser Artikel vergleicht das Schaltverhalten der eingesetzten Spiralfedern mit gelöteten Stiftkontakten und untersucht den Einfluss der unterschiedlichen Anordnung von Suppressor-dioden als Klemmdioden zwischen Gate und Emitter. Verschiedene Positionierungsvarianten der Emitter-Hilfskontakte werden ebenso diskutiert wie ihr Einfluss auf Schaltverluste und das Kurzschlussverhalten.

Kompakte, in ihrer Höhe reduzierte IGBT-Module mit erhöhter Leistungsdichte bedürfen einer Anpassung der Gehäusetechnik an die Chip-Eigenschaften. Der Modulaufbau darf nur einen geringen ohmschen Widerstand haben, um die Leitungsverluste zu minimieren. Er muss eine möglichst niedrige Streuinduktanz aufweisen, um Überspannungen beim Schaltvorgang zu minimieren und hohe Schaltfrequenzen erreichen zu können.

Alle DBC-Substrate (Direct Bonded Copper) sind in Halbbrücken-Topologie mit Top- und Bottom-IGBT-Chip und anti-parallel geschalteter Freilaufdiode (FWD) ausgeführt. Um die erforderliche Ausgangsleistung zu erzielen, werden im SEMiX-3-Modul drei identische DBCs je TOP/BOT-Schalter parallelgeschaltet.

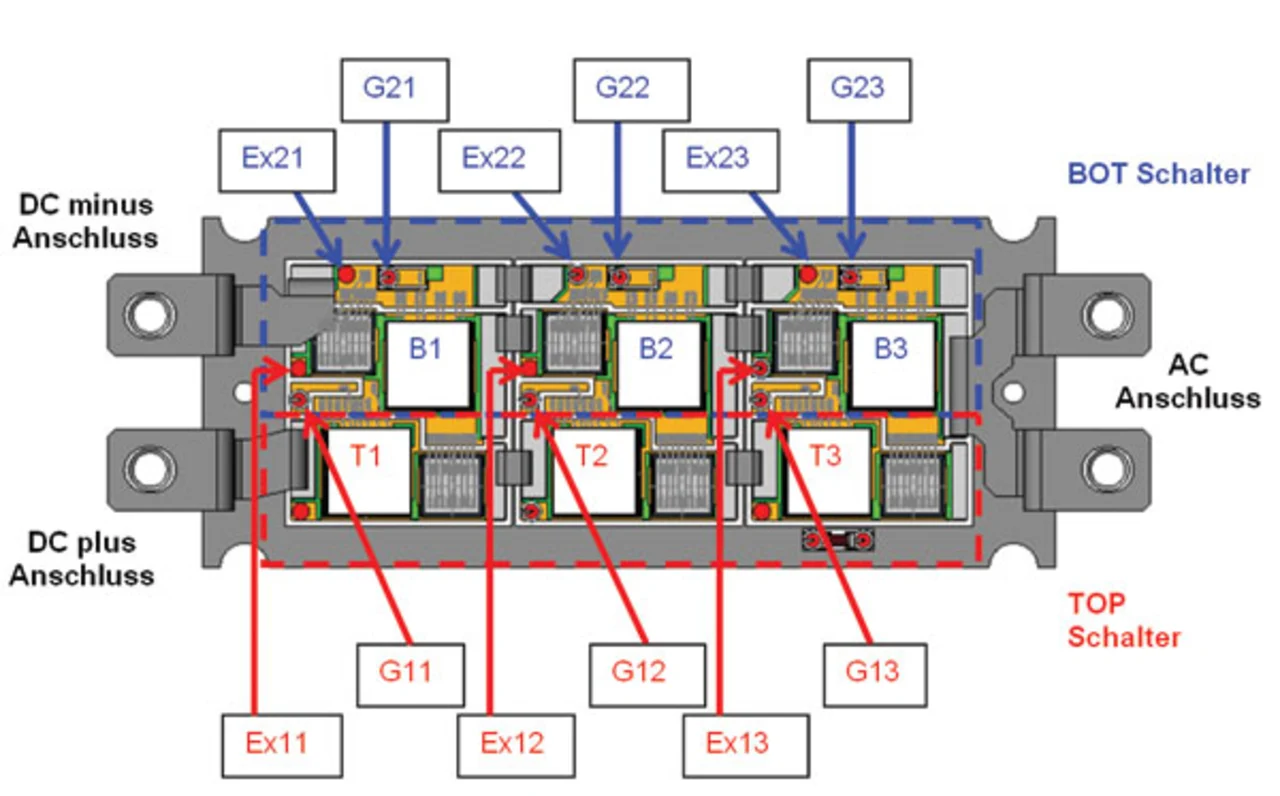
Anstelle von Bonddrähten verwenden die SEMiX-Module Spiralfedern an den IGBT-Hilfsanschlüssen für Gate, Emitter, Sense-Kollektor und Temperatursensor (Bild 1). Dieses Konzept gibt Freiheitsgrade bei der Positionierung der Hilfskontakte. Die Anordnung der Federn ermöglicht eine individuelle Kontrolle der parallelgeschalteten IGBT-Chips. Durch den Zugriff auf Gate und Emitter der einzelnen IGBT-Chips lässt sich das Schalt- und Kurzschlussverhalten des Moduls den jeweiligen Applikationsanforderungen anpassen.

Bild 2 zeigt den inneren Aufbau eines SEMiX-3-Moduls. Zu erkennen sind die Positionen der IGBT-Chips für TOP/BOT-Schalter sowie die einzelnen Hilfskontaktfedern für Gate und Emitter. Die drei IGBT/FWD-Chips sind in einer Reihe angeordnet: T1 bis T3 entsprechen den parallelgeschalteten TOP-seitigen IGBT-Chips, B1 bis B3 den BOT-seitigen IGBT-Chips.

4100701_02.jpg
Bild 1. Spiralfedern für Hilfskontakte.

Die Anordnung der IGBT/FWD-Chips gewährleistet Stromsymmetrie und homogene Leistungsverteilung beim Schaltvorgang. Im Kurzschlussbetrieb unterscheiden sich jedoch die Strompfade und die jeweiligen Distanzen zwischen DC-Plus- und DC-Minus-Anschluss für die parallelgeschalteten IGBT/FWD-Chips erheblich.

Die Gate-Kontakte der drei IGBT-Chips sind mit einer Interface-Platine parallelgeschaltet, die im Modul aufgesetzt wird. Die Geometrie des SEMiX-3-Halbbrückenmoduls erlaubt eine Beeinflussung des Schaltverhaltens durch das Umstecken der Emitter-Hilfskontakte Ex11 bis Ex13 und Ex21 bis Ex23. Dies wiederum ermöglicht die Optimierung durch Positionierung der Emitter-Hilfsfederkontakte: einerseits zur Erreichung möglichst geringer Schaltverlustenergien Eon und Eoff, andererseits für sicheren Kurzschlussbetrieb durch Begrenzung des Kurzschlussstroms ISC_max und der höchstzulässigen Überspannung UCEmax.

4100702_02.jpg
Bild 2. Innerer Aufbau des SEMiX-3-Moduls: Positionierung der TOP/BOT-IGBT-Chips und Hilfskontaktfedern.

Zunächst wurden die Emitter-Hilfskontakt-Positionen Ex13 und Ex22 als gemeinsamer Emitter der drei TOP- und BOT-IGBTs definiert. Diese Positionen gewährleisten das gewünschte Schaltenergie-Niveau Eon und Eoff für die Sperrspannungen 1200 V, 1700 V bei den IGBT-Technologien Trench IGBT3 bzw. „Soft Punch Through“ (SPT). Tabelle 1 fasst wichtige Parameter zusammen.

tabelle1_72acd2_02.jpg

  1. Druckkontakte statt Lötstifte
  2. Einfluss der Position von Emitter-Hilfskontakten
  3. Schaltverhalten im Vergleich: Federkontakte vs. Lötstifte

Jetzt kostenfreie Newsletter bestellen!