Wearables und Medizintechnik

Elektronik zum Erfassen von Vitalparametern

22. März 2021, 07:00 Uhr | Von Klaus Dembowski, Harry Schubert
©

Der stark gestiegene Integrationsgrad bei Sensorschaltungen zum Erfassen von Vitalparametern ist für Entwickler einerseits von Vorteil. Andererseits muss er sich streng an die Vorgaben der IC-Hersteller halten – und nicht immer wird informiert, wie die Vitalparameter gemessen werden.

Diesen Artikel anhören

Fortsetzung des Artikels von Teil 1

Elektrokardiogramm

Das Elektrokardiogramm (EKG) ist ein im klinischen Alltag häufig eingesetztes diagnostisches Verfahren, mit dessen Hilfe sich Aussagen über die Herzfrequenz sowie über die genaue Funktion des Herzmuskels treffen lassen. Zur Aufzeichnung eines EKG werden Poten­zialdifferenzen zwischen bestimmten Punkten auf der Haut im Bereich der Brust und der Extremitäten über die Zeit mithilfe von Elektroden aufgenommen. Die Potenzialdifferenzen werden durch die bei Herzaktivität in den Muskelfaserzellen ablaufenden Aktionspotenziale hervorgerufen. Sie erzeugen ein elektrisches Feld, das sich im Körper ausbreitet und auf der Hautoberfläche mithilfe von Elektroden messbar ist.

Das EKG-Signal enthält eine Vielzahl an Informationen über die Herzfunktion
Bild 5. Das EKG-Signal enthält eine Vielzahl an Informationen über die Herzfunktion.
© Hölter

Die Gesamtfeldstärke des Feldes resultiert aus der Überlagerung vieler kleiner Potenzialdifferenzen. Je nach Aktivitätsphase des Herzens ändert sich damit die Ausrichtung des elektrischen Feldes relativ zu den definierten Ableitpunkten. Der elektrische Feldvektor ändert sich also beim Durchlaufen der Herzphasen in Länge und Richtung, was zu einer Änderung der auf der Körperoberfläche messbaren Potenzialdifferenzen führt. Bei festen Ableitpunkten wird somit die charakteristische EKG-Kurve erfasst (html" title="https://www.elektroniknet.de/halbleiter/elektronik-zum-erfassen-von-vitalparametern.184647/bild-781294.5.html">Bild 5).

Das EKG-Signal ist ein periodisches Signal, d.h., die Aufzeichnung einer einzigen Periode des EKG-Signals beinhaltet alle erforderlichen Informationen, die zur elektrokardiographischen Auswertung benötigt werden.

Besonders auffällig ist dabei die sogenannte R-Zacke, welche die maximale Amplitude des Signals darstellt. Diese resultiert aus der Kammerkontraktion des Herzens, bei der die größte Muskelmasse bewegt wird und der Auswurf des Blutes in die Aorta beginnt.

EKG-Ableitungen nach Einthoven und Goldberger
Bild 6. EKG-Ableitungen nach Einthoven und Goldberger.
© Böhm nach Behrends

Durch eine gleichzeitige Aufzeichnung der Ableitungen an mehreren Stellen des Körpers lassen sich verschiedene medizinische Rückschlüsse ziehen. Zu diesem Zweck existieren in der Medizin eine Reihe von sogenannten Standardableitungen, die sich jeweils durch Anzahl und Position der Elek­troden sowie die Art der Ableitung (unipolar und bipolar) unterscheiden. Die bekanntesten sind die bipolare Ab­­leitung an den Extremitäten nach

Einthoven, die unipolare Brustwand­ableitung nach Wilson sowie die unipolare Ableitung nach Goldberger (Bild 6). Die verschiedenen Ableitungen werden in der medizinischen Diagnostik jeweils für unterschiedliche Untersuchungen des Herzens eingesetzt.

Allgemein setzt eine EKG-Aufzeichnung [2] mehrere Elektroden an bestimmten Körperpositionen voraus, sowie entsprechende medizinische Kenntnisse für eine korrekte Interpretation der Signale. Je nach Einsatzweck – Notfallmedizin, Diagnostik, klinische Überwachung – kommen unterschiedlich teure Messgeräte zum Einsatz.

Deshalb ist es weder mit einem Smartphone noch mit einem Wearable möglich, ein kardiologisch verwertbares EKG aufzuzeichnen, auch wenn dies mitunter von einigen Herstellern suggeriert wird. Für die Messung des Pulses (Heartrate) ist es weitaus einfacher, diese Information aus einem PPG-Signal (Bild 2) zu gewinnen.

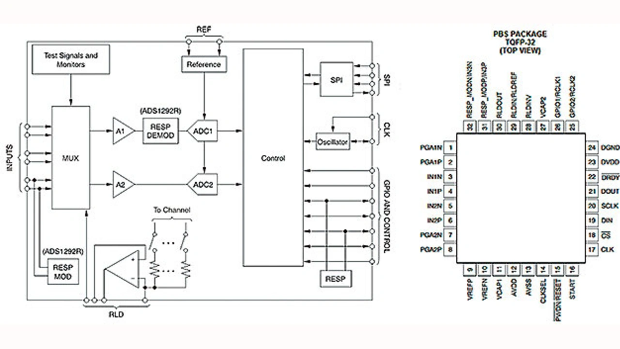
Der IC für EKG-Eingangsstufen, ADS1292 von Texas Instruments, verfügt über zwei bipolare Eingänge für den Elektrodenanschluss und kommuniziert mit einem Host über eine SPI-Schnittstelle
Bild 7. Der IC für EKG-Eingangsstufen, ADS1292 von Texas Instruments, verfügt über zwei bipolare Eingänge für den Elektrodenanschluss und kommuniziert mit einem Host über eine SPI-Schnittstelle.
© Bild von Dembowski nach Unterlagen Texas Instruments

Für den Schaltungsaufbau eines EKG-Messsystems haben die bekannten Hersteller ebenfalls einige integrierte Schaltungen (Front Ends for Biopotential Measurements) in ihren Programmen. Wichtig sind hier zunächst die ADS129x-Serie von Texas Instruments (Bild 7) und die ADAS1000-Serie von Analog Devices mit den daraus ent­standenen Weiterentwicklungen. Die verschiedenen IC-Versionen unterscheiden sich im Wesentlichen dadurch, über wie viele (bipolare) Kanäle sie für den Elektrodenanschluss verfügen. Einige beinhalten außerdem zusätzliche Funktionseinheiten, wie etwa der ADS1291R für die Atmungsüberwachung.

Die integrierte Signalverarbeitungskette ist bei allen IC-Typen sehr ähnlich. Unterschiede gibt es in erster Linie beim jeweils verwendeten Analog-Digital-Umsetzer, den einstellbaren Abtastraten sowie der Stromaufnahme. In einem folgenden Aufsatz wird hierauf im Detail eingegangen.

EKG mit Funkelektrode

Für Notfallsituationen oder auch Langzeitmessungen kann jedoch durchaus ein qualitativ hochwertiges EKG-Signal, das einkanalig mit einer einzigen Elektrode aufgenommen wird, ausreichen, wie es mit der Funkelektrode [3, 4] möglich ist, die darüber hinaus auch ein Elektromyogramm (EMG) sowie eine (vereinfachte) Elektroenzephalografie (EEG) aufzeichnen kann. Dabei handelt es sich um eine Entwicklung des Instituts für Mikrosystemtechnik an der Technischen Universität Hamburg (TUHH).

Qualitativ hochwertig bedeutet in diesem Zusammenhang, dass das analoge Signal möglichst unverfälscht, mit hoher Auflösung genau erfasst wird, und nicht »irgendwie« berechnet wird, was bei einigen Geräten und Applikationen so weit geht, dass ein idealisiertes Signal angezeigt wird, das wenig bis gar nichts mit dem tatsächlichen Signalverlauf zu tun hat. Qualitativ hochwertig heißt also, dass die Wellen und Zacken eines EKG (Bild 5) möglichst exakt in Amplitude und Zeit erfasst werden, weshalb der Analogteil der integrierten Schaltung quasi einem diskreten Aufbau [5] entspricht.

Auf die Haut geklebte Funkelektrode
Bild 8. Die auf die Haut geklebte Funkelektrode des Instituts für Mikrosystemtechnik an der Technischen Universität Hamburg (TUHH).
© Dembowski

Wie es die Bezeichnung impliziert, handelt es sich bei der Funkelektrode um eine Elektrode, die keine Kabel, sondern eine Funkstrecke – im diesem Fall Bluetooth Low Energy (BLE) – für die Datenübertragung zu einer Auswertungs- und Darstellungseinheit, z.B. einem Smartphone, verwendet. Das Prinzip der Funkelektrode beruht darauf, dass bioelektrische Signale auf der Hautoberfläche mit zwei, in einem bestimmten Abstand auf einer Platine fixierten, herkömmlichen Nasselektroden aufgenommen werden (Bild 8). Durch diese differenzielle Messmethode entfällt die sonst übliche Referenzelektrode, die typischerweise am rechten Fuß mit einem extra Kabel (vgl. Bild 6) befestigt wird.

Aufgebaut ist die Funkelektrode im Wesentlichen mit einem Instrumentenverstärker (INA 330), Verstärker und Filter (OPA 2333) sowie einem digitalen Potenziometer (CAT5171). Das Analogsignal wird von einem SoC der Firma Silicon Labs (BlueGecko, BGM 111) weiterverarbeitet und per BLE an ein Smartphone gesendet, das mit einer entsprechenden Android-App programmiert wurde.

Die Weiterentwicklung der Funkelektrode ist in der Lage, gemäß den Standardableitungen Einthoven und Goldberger (Bild 6) zu arbeiten, wofür dann drei dieser Funkelektroden zum Einsatz kommen. Die Signale der drei Funk­elektroden werden entsprechend ihrer Position am Körper synchronisiert, um eine korrekte zeitliche Signalzuordnung zu erreichen.

Die Android-App empfängt und verarbeitet die Signale der Funkelektroden und gibt die EKGAufnahme auf dem Display aus, hier dargestellt eine Standardableitung
Bild 9. Die Android-App empfängt und verarbeitet die Signale der Funkelektroden und gibt die EKGAufnahme auf dem Display aus, hier dargestellt eine Standardableitung.
© Dembowski

Gegenüber der einkanaligen Version ist hierfür ein Zeitstempel implementiert, der einen möglichst genauen Timer benötigt. Der Timer wird von der Systemzeit des Android-Systems (Smartphone) abgeleitet, das für die Erfassung und Darstellung der Messdaten (html" title="https://www.elektroniknet.de/halbleiter/elektronik-zum-erfassen-von-vitalparametern.184647/bild-781294.9.html">Bild 9) zuständig ist. Die zeitliche Signal­verschiebung gegenüber einem Referenzsignal beträgt ohne die Anwendung eines Korrekturalgorithmusses maximal 5 % über 30 Minuten, mit Korrekturalgorithmus unter 0,4 %, was beachtlich erscheint, zumal noch die Möglichkeit einer Verbesserung darin besteht, nicht die Systemzeit des auswertenden Android-Systems, sondern die Timer in den Mikrocontrollern der Funkelektroden als Zeitreferenz zu verwenden, was genauere Ergebnisse verspricht und woran an der TUHH momentan noch gearbeitet wird.


  1. Elektronik zum Erfassen von Vitalparametern
  2. Elektrokardiogramm
  3. Blutdruckmessung
  4. Übersicht der Bilder


Lesen Sie mehr zum Thema