Neue Industrierechner-Generation mit Core 2 Duo und vorinstalliertem µLinux

64-bit-Leistung am CompactPCI-Bus

11. Juli 2007, 10:20 Uhr | Dr. Alexey Morozov
Diesen Artikel anhören

Fortsetzung des Artikels von Teil 2

64-bit-Leistung am CompactPCI-Bus

Von der ICP-C2De werden keine speziellen RIO-Versionen angeboten. Es sind also immer folgende Signalgruppen über Rear-I/O verfügbar: 1× USB 2.0, Gigabit-Ethernet, LPC-Bus, SM-Bus, VGA mit Data Display Channel, 2 × Serial ATA II, Wake-Signal, Boot-Signal und PSU-ON. Mit dem Signal PSU-ON kann ein geeignetes Netzteil selbstständig von der ICPC2De eingeschaltet werden. Dies war bei bisherigen CompactPCI-CPUBoards nicht möglich.

passend zum Thema

Die ICP-C2De ist kompatibel zur ACPI-Spezifikation (Advanced Configuration and Power Interface) und damit auch bezüglich des Power-Managements auf dem neuesten Stand der Technik. Die Spezifikation definiert vier so genannte globale Power-Management- Zustände (als G0 bis G3 bezeichnet, Bild 3), in denen sich ein ACPI-kompatibles Computersystem befinden kann:

  • G0 bezeichnet den Betriebszustand, in dem das Computersystem normal arbeitet; d.h., das Betriebssystem und die Applikationen laufen und die CPU führt Befehle aus. In diesem Zustand können aber nichtbenutzte Teile des CPU-Boards in einen Low-Power-Zustand versetzt und wieder aufgeweckt werden.

  • Der Zustand G1 teilt sich auf die vier Zustände S1 bis S4 auf und beschreibt den „Schlafzustand“ des Computersystems. S1 bis S4 bezeichnen unterschiedlich tiefe „Schlafphasen“. Das Aufwachen dauert umso länger, je tiefer der „Schlaf“ ist.

  • G2 ist der Zustand „Soft-aus“, im Allgemeinen als „Stand-by“ bezeichnet. Dieser Zustand wird vom Betriebssystem initiiert und unterscheidet sich vom G3 im Wesentlichen dadurch, dass die Betriebsspannung noch anliegt.

  • G3 ist ein Zustand, bei dem das CPU-Board mechanisch ausgeschaltet ist. Speziell für Betriebssysteme, die ACPI nicht unterstützen, ist der Zustand „Legacy“ definiert, in dem die Hardware und die Stromversorgung nicht via ACPI gesteuert werden können. Die ICP-C2De unterstützt alle diese Power-Management-Funktionen.

7090303_tm_03.jpg
Bild 3. Die verschiedenen Zustände des Power-Managements werden alle von der ICP-C2De unterstützt.

Erweiterte Ferndiagnose

Darüber hinaus lässt sich das Powermanagement der ICP-C2De auch noch über Netzwerk und Intel AMT in die Zustände M0 und M1 versetzen: M0 bedeutet, dass AMT abgeschaltet ist, M1 bedeutet, dass AMT aktiv ist. AMT ist eine von Intel entwickelte Technik zum Verwalten von Computern mit Intel-Prozessoren in Netzwerken. Die Verwaltung der Rechner aus der Ferne ist damit sicher und einfach möglich. Eingebettet ist AMT in die IPMI-Technik (Intelligent Platform Management Interface) – ein standardisiertes Verfahren, das unabhängig vom Betriebssystem ist und Diagnose sowie Wartungsarbeiten über das Netzwerk erlaubt. IPMI-Technik überwacht die Systemfunktionen der Hardware-Komponenten wie beispielsweise zahlreiche Spannungen der ICP-C2De, Temperatur- und Hardware- Fehlerzustände.

Das Herz der IPMI-Technik ist der BMC (Baseboard Management Controller), ein zusätzlicher Mikrocontroller (siehe Bild 4). Dieser arbeitet vollständig unabhängig vom Hauptprozessor und dient dazu, die korrekte Funktionsweise des gesamten Systems zu überwachen.

7090304_tm_03.jpg
Bild 4. Die Active Management Technology (AMT) von Intel erlaubt durch einen zusätzlichen Mikrocontroller z.B. den Zugriff auf das BIOS über Netzwerk.

Trotz der hohen Leistungsfähigkeit benötigen L7500-/T7500-Prozessoren nur rund 17 W bzw. 35 W an maximaler Verlustleistung, da die Core-2-Duo- Prozessoren hohe Leistung mit einer optimalen Energienutzung kombinieren. Dies resultiert wiederum in einer geringen Verlustleistung von 25 bis 50 W für das gesamte CPU-Board, was sich in geringeren Aufwendungen für Kühlmaßnahmen bis hin zum lüfterlosen Einsatz und damit geringeren Kosten und höherer Zuverlässigkeit niederschlägt. Zahlreiche Temperatursensoren überwachen die CPU, den Speicher, die Gleichspannungsversorgung und weitere ausgewählte Komponenten auf der ICP-C2De, damit bei Übertemperatur Schutzmaßnahmen eingeleitet werden können. Ausgestattet ist das CPUBoard mit dem Intel-Chipsatz 965GM und der Southbridge ICH8M-E, auch als „Santa Rosa“-Chipsatz bekannt. Er kann maximal 4 Gbyte DDR2-SDRAM auf dem Board adressieren, der mit einem Takt von 667 oder 800 MHz angesteuert wird.

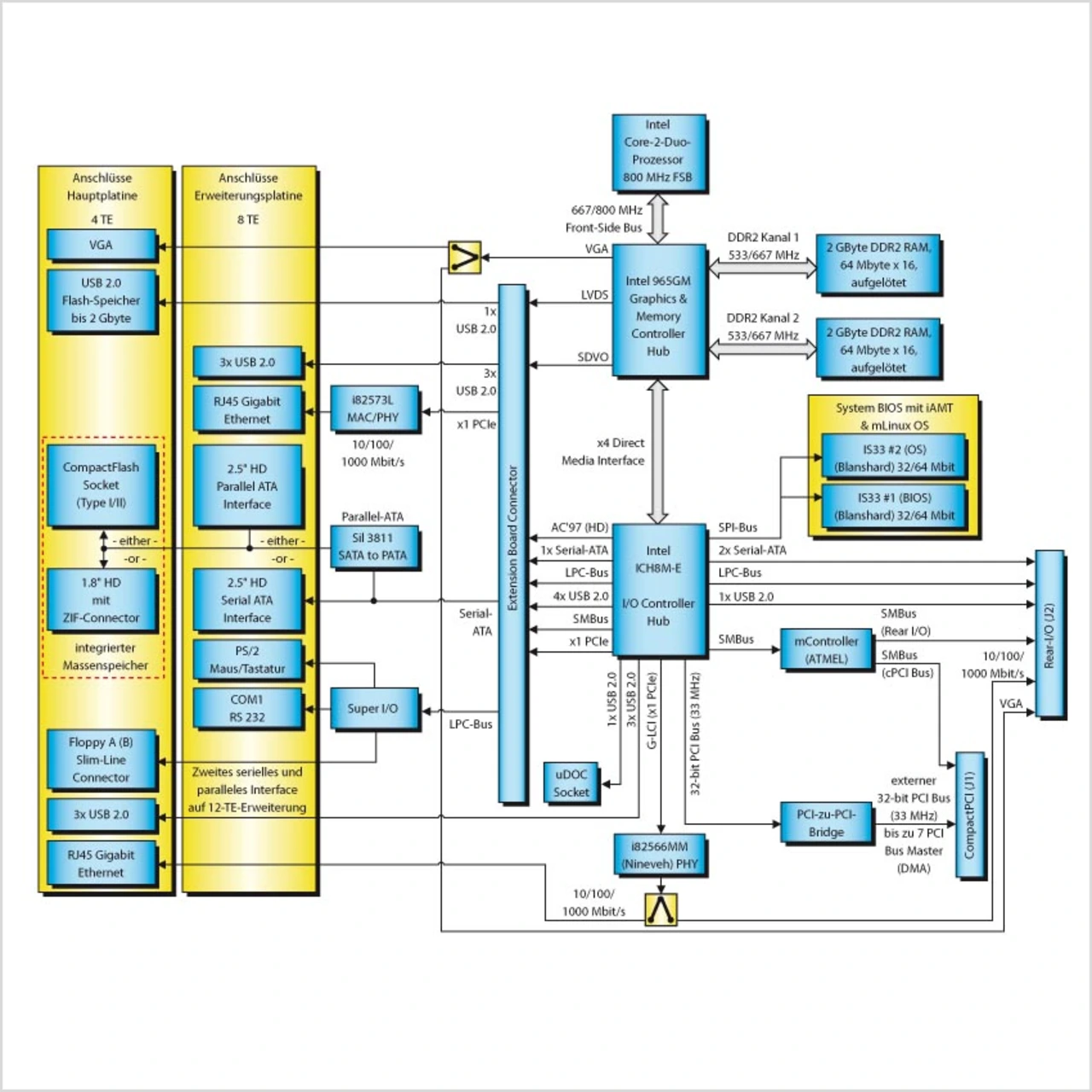
Geliefert wird das CPU-Board in zwei Versionen, entweder als 4TE- oder als 8TE-Formfaktor – 21 oder 42 mm breit. Die 4TE-Variante fungiert quasi als Basisboard mit der Möglichkeit, einen kleinen, speziellen Träger für einen Massenspeicher (z.B. CompactFlash/Microdrive oder 1,8-Zoll-Festplattenlaufwerk) hinzuzufügen. Die 8TE-Version verfügt hingegen über einen 2,5-Zoll-Festplattenträger und zusätzliche Schnittstellen wie Gigabit-Ethernet mit Intel Active Management Technology (AMT), PS2-Maus, Tastatur, COM, DVI-D, S-ATA, EIDE usw., siehe Bild 2.

Hot-Plug, also der Austausch der ICP-C2De im laufenden Betrieb, ist möglich. Derzeit werden jedoch nur die grundlegenden (basic) Hot-Swap-Funktionen unterstützt. Der Zugriff auf den CompactPCI-Bus im Master-Modus wird vom CPU-Board unterstützt. In diesem System-Modus agiert die ICP-C2De als System-Master und nutzt sämtliche Bussignale. Sie kann in Peripherie- Steckplätzen aber auch ohne jeden Zugriff auf den CompactPCI-Bus betrieben werden. Dazu wird sie in den Passive- Bus-Modus versetzt, in dem keinerlei Zugriff auf den CompactPCI- Bus möglich ist. Für die Kommunikation zwischen den CPU-Boards muss dann ein Ethernet-Kanal von der Frontplatte eingesetzt werden.

Standardmäßig wird die ICP-C2De für den Temperaturbereich von 0 °C bis +55 °C geliefert, spezielle Versionen können im erweiterten Temperaturbereich von –40 bis +70 °C arbeiten.

7090302_tm_04.jpg
Bild 2. Blockschaltung der ICP-C2De. Das Board kann entweder in einer flachen Ausführung mit weniger Front-I/O-Schnittstellen (Frontblende ganz links) geliefert werden, oder mit einem aufgesteckten Erweiterungs-Board, das eine zusätzliche Frontblende

  1. 64-bit-Leistung am CompactPCI-Bus
  2. PCs und Servern ebenbürtig
  3. 64-bit-Leistung am CompactPCI-Bus
  4. Zahlreiche Peripherie-Anschlüsse

Jetzt kostenfreie Newsletter bestellen!