Induktive Bauelemente

Frequenzabhängige Verluste bestimmen

10. Juni 2022, 13:00 Uhr | George Slama, Würth Elektronik eiSos, Ralf Higgelke
Was verbirgt sich hinter frequenzabhängigen Verlusten und warum spielen sie eine so wichtige Rolle? Dieser Artikel gibt einen Überblick über die physikalischen Effekte und welche Aspekte Entwickler beachten müssen
© Würth Elektronik

Was verbirgt sich hinter frequenzabhängigen Verlusten und welche Rolle spielen sie? Dieser Artikel gibt einen Überblick über die physikalischen Effekte und welche Aspekte Entwickler beachten müssen. Mit einem neuen Ansatz lassen sich die Verluste mit bislang unerreichter Genauigkeit bestimmen.

Diesen Artikel anhören

Im Jahr 1892 legte Charles P. Steinmetz, der für General Electric arbeitete, seine inzwischen klassische Abhandlung »On the Law of Hysteresis« vor, die seine Formel für Hysterese-Verluste enthielt, die heute als Allgemeine Steinmetz-Gleichung (im Englischen GSE) bezeichnet wird. Aus dieser ergibt sich, dass die Kernverluste PC sowohl mit der Frequenz f als auch mit der magnetischen Flussdichte B exponentiell ansteigen.

Die Verluste zu kennen, ist wichtig, da die Größe von Induktivitäten und Transformatoren dadurch begrenzt wird, wie viel Verlustwärme sie abführen können. Je kleiner das Bauelement ist, desto kleiner ist seine Oberfläche und desto geringer müssen die Verluste sein. Die heutige Welt der Miniaturisierung bringt viele thermische Herausforderungen für alle Komponenten mit sich.

Verluste lassen sich grob in zwei Arten einteilen: Gleichstrom- und Wechselstromverluste. Bei Schaltnetzteilen spielen beide Arten eine Rolle. Manchmal wird die Betrachtung auf den äquivalenten Heizstrom Irms vereinfacht, der die geometrische Summe der Ströme IDC und IAC darstellt. Gleichstromverluste sind einfach zu bestimmen: PDC = RDC · I 2. AC-Verluste sind viel komplexer, da sich die Ströme ungleichmäßig verteilen (Skin- und Proximity-Effekt) und von Materialeigenschaften wie Permeabilität und Permittivität sowie von Frequenz, Signalform und Phasenverschiebung abhängen.

Hysterese- und Wirbelstromverluste

Die Hysterese-Verluste im Magnetkern werden durch die Bewegung der Domänenwände verursacht. Beeinflusst ein äußeres Magnetfeld (Strom in einer Spule oder ein Dauermagnet in räumlicher Nähe) ein weichmagnetisches Material, richten sich die Domänen, die man sich wie winzige Magnete im Material vorstellen kann, nach diesem äußeren Feld aus. Dies erfordert Energie und Zeit. Ändert der Strom seine Richtung, kehren auch die Domänen ihre Richtung um. Fällt der äußere Einfluss weg, kehren die meisten Domänen in ihre ursprüngliche Position zurück, aber nicht alle.

Typische B/H-Kurve; die Fläche innerhalb der Schleife sind die Hysterese-Verluste pro Zyklus
Bild 1: Typische B/H-Kurve; die Fläche innerhalb der Schleife sind die Hysterese-Verluste pro Zyklus.
© Würth Elektronik

Die Energie der Rückstellung wird dem System wieder zugeführt, aber der Rest wird als Arbeit gegen die Reibung anderer Domänen verbraucht und in Wärme umgewandelt. Je höher die Frequenz, desto häufiger werden die Bereiche verschoben, was mehr Energie erfordert, und zwar exponentiell mehr. Die Bewegung der Bereiche ist auch proportional zur Aussteuerung. Je größer die Aussteuerung ist, desto mehr Bewegung und desto mehr Energie ist nötig, die nicht vollständig zurückgegeben wird. Die Fläche innerhalb der B/H-Kurve stellt dar, wie viel Energie während eines Zyklus in Wärme umgesetzt wird (Bild 1).

Zwei Kurvenformen mit gleichem Spannungs-Sekundenprodukt, aber die rechte Kurve hat doppelt so hohe durchschnittliche Verluste wie die linke
Bild 2: Zwei Kurvenformen mit gleichem Spannungs-Sekunden- produkt, aber die rechte Kurve hat doppelt so hohe durchschnittliche Verluste wie die linke.
© Würth Elektronik

Wirbelstromverluste entstehen dadurch, dass der aus leitendem Material bestehende Kern selbst eine Windung im Magnetfeld darstellt. Allerdings ist sein spezifischer Widerstand im Allgemeinen höher als der des Wicklungsleiters, im Falle von Ferriten sogar wesentlich höher. Daher werden die Wirbelströme durch den spezifischen Widerstand des Kernmaterials, durch temperaturbedingte Veränderungen und durch die an den Wicklungen anliegenden Spannungen beeinflusst. Je höher die Spannung ist, desto größer ist der induzierte Strom unabhängig von der Dauer (Impulsbreite) und desto höher fällt der Verlust aus (Bild 2).

Der dritte Faktor, der zu den AC-Verlusten beiträgt, ist die DC-Vorspannung (DC Bias). Auf den ersten Blick erscheint dies unlogisch, da ein statischer Strom außer der anfänglichen Änderung eine Domänenwand nichts bewegt. Wenn jedoch ein Wechselstrom mit einem Gleichanteil beaufschlagt wird (z. B. als Restwelligkeit einer Gleichspannung), verschiebt sich eine kleine Hysteresekurve an eine andere Position entlang der vollen B/H-Kurve (Bild 1b). Je nach Position kann sich dadurch ihre Form und damit der von der Schleife eingeschlossene Bereich ändern, was in der Regel die Hysterese-Verluste erhöht. Dies kann dazu führen, dass eine Drosselspule unerwartet heiß wird. Herkömmliche Methoden, um die AC-Kernverluste zu berechnen, berücksichtigen dies nicht, was die Überraschung beim Anwender noch vergrößern kann.

Skin- und Proximity-Verluste

Während sich die DC-Wicklungs- verluste aus dem DC-Widerstand des für die Wicklung verwendeten Leiters und dem Strom ergeben (I 2 · RDC), setzen sich die AC-Wicklungs- verluste aus Skin- und überwiegend Proximity-Verlusten zusammen (Bild 3).

Eine Stromkurve kann auf ihre Gleich- und Wechselkomponenten reduziert werden, die je nach Kurvenform unterschiedlich sind. Geometrisch summiert sind sie der Effektivwert (Irms). Spitzenwert und Restwelligkeit sind nur Momentanwerte
Bild 3: Eine Stromkurve kann auf ihre Gleich- und Wechselkomponenten reduziert werden, die je nach Kurvenform unterschiedlich sind. Geometrisch summiert sind sie der Effektivwert (I_rms). Spitzenwert und Restwelligkeit sind nur Momentanwerte.
© Würth Elektronik

Der Skin-Effekt entsteht dadurch, dass hochfrequente Ströme nur über eine geringe Distanz in einen Leiter eindringen, daher nicht die gesamte Querschnittsfläche des Leiters nutzen und den Widerstand effektiv erhöhen. Üblicherweise denkt man beim Skin-Effekt nur an einen einzelnen Leiter im freien Raum, der von anderen Leitern weit entfernt ist. Dies ist bei Drosselspulen oder Transformatoren naturgemäß nicht der Fall, wo in der Regel Drähte in viele Windungen und Lagen eng gewickelt sind.

Der Proximity-Effekt beschreibt den Einfluss benachbarter Magnetfelder auf die Ströme im benachbarten Leiter, wobei zwischen zwei Effekten zu unterscheiden gilt: Bei benachbarten Drähten, deren Ströme in dieselbe Richtung fließen, heben sich die Felder zwischen ihnen auf, sodass die einander zugewandten Oberflächenbereiche wenig Strom führen, während der Strom an den zueinander abgewandten Seiten zunimmt. Demgegenüber stoßen sich benachbarte Drähte mit entgegengesetzten Strömen ab, da sich die Magnetfelder addieren, sodass sich der Strom an den einander zugewandten Oberflächen konzentriert, während er zu den einander abgewandten Seiten abnimmt.

Einflussfaktor Temperatur

Für Induktivitäten werden verschiedene Kernmaterialien verwendet, darunter gepresste Pulvermetalle, Brennkeramikferrite, Lamellen und amorphe Bänder. Die Eigenschaften jedes Materials verändern sich mit der Temperatur unterschiedlich. Die Eigenschaften Permeabilität, Sättigung, spezifischer Widerstand und Kernverluste sind von vorrangigem Interesse. Mit zunehmender Frequenz wird die Dielektrizitätskonstante wichtig, ebenso wie die Größe des Kerns. Bei hohen Frequenzen weisen Kerne ebenfalls einen Skin-Effekt auf, bei dem der Fluss den Kern nicht gleichmäßig durchdringt.

Bei Pulvermetallen sind die Temperaturschwankungen am geringsten, obwohl das Grundmaterial eine hohe Permeabilität aufweist. Die isolierende Beschichtung, die den verteilten Luftspalt erzeugt, stabilisiert das Verhalten. Das Gleiche gilt für die Sättigung.

Ferrite ohne Luftspalt variieren am stärksten, aber bei der Verwendung für Induktivitäten haben Ferritkerne immer einen solchen Spalt, der die effektive Permeabilität von einer typischen Schwankung von 25 Prozent auf nur wenige Prozent stabilisiert. Der Sättigungsfluss nimmt normalerweise mit der Temperatur ab, wobei die Abnahme zwischen +25 °C und +100 °C leicht 25 bis 30 Prozent betragen kann. Es ist sehr bedeutsam, dies zu überprüfen, da die Messungen bei Raumtemperatur höher ausfallen. Ferrite sind speziell für einen minimalen Kernverlust bei Betriebstemperaturen zwischen +80 °C und +100 °C ausgelegt. Dabei ist es sehr wichtig, in dem Bereich zu arbeiten, in dem die Verluste mit steigender Temperatur abnehmen. Werden Ferritspulen jenseits dieses Punktes betrieben, kann sie thermisch »davonlaufen« – ein Zustand, in dem eine steigende Temperatur zu mehr Verlusten führt und weitere Verluste die Temperatur noch weiter erhöhen.

Bänder aus amorphem oder nanokristallinem Material werden in bestimmten Anwendungen immer beliebter. Es handelt sich um sehr temperaturstabile Materialien.

AC-Verluste messen

Um die AC-Verluste zu messen, verwendet Würth Elektronik das MadMix-System von MinDCet. Dabei handelt es sich im Wesentlichen um einen flexibel programmierbaren und hochgradig instrumentierbaren Abwärtswandler, der entwickelt wurde, um die realen Arbeitsbedingungen für Induktivitäten zu reproduzieren und deren Leistungsfähigkeit zu messen. Das System arbeitet mit Frequenzen von 10 kHz bis 10 MHz, Tastverhältnissen von 5 bis 95 Prozent, Spannungen von 0,5 bis 70 V, Lastströmen bis zu 48 A und kann Messungen in einem Temperaturbereich von −45 °C bis +225 °C durchführen. Vollständig kalibriert und durch kalorimetrische Messungen verifiziert, ist es das genaueste System, das für die Messung der Leistung von Induktivitäten verfügbar ist.

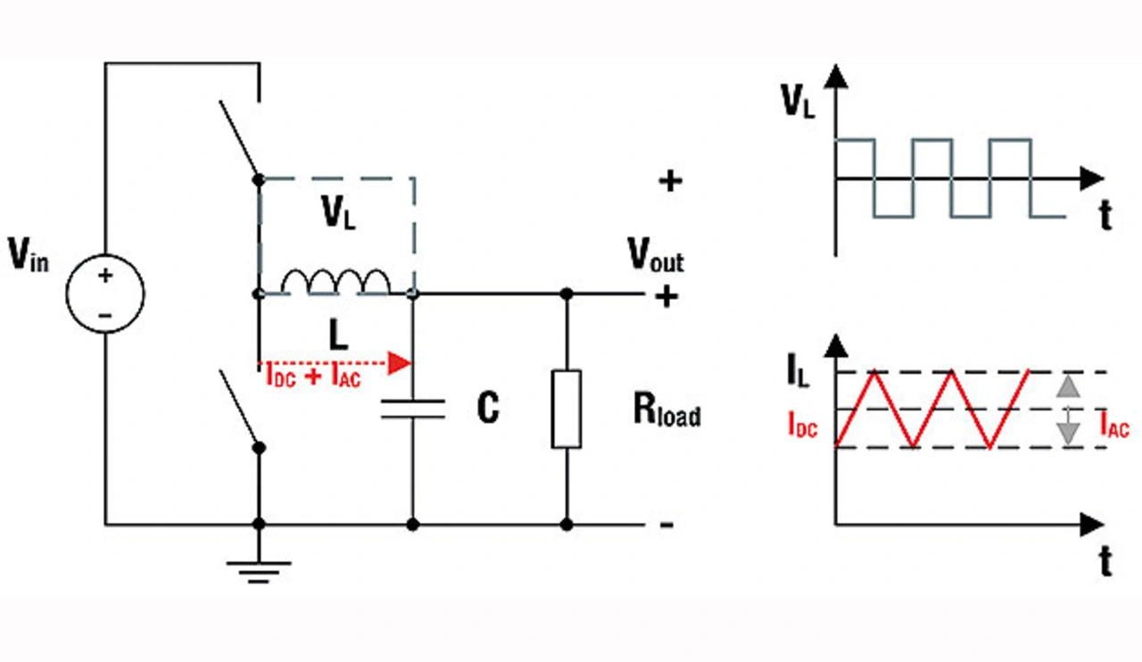
Prinzipschaltung des DC-DC-Wandlers zur Verlustbestimmung und resultierende Kurvenformen
Bild 4: Prinzipschaltung des DC-DC-Wandlers zur Verlustbestimmung und resultierende Kurvenformen
© Würth Elektronik

Aufgrund seiner Vielseitigkeit und Programmierbarkeit lassen sich Induktivitäten über einen weiten Bereich von Betriebsbedingungen charakterisieren, was zu umfassenden Datensätzen führt. Ist das Messgerät so eingestellt, dass es den kontinuierlichen Betrieb emuliert, berücksichtigt es die Auswirkungen der DC-Vorspannung automatisch. Es wird die Leistung gemessen, die in den Wandler der Testplattform hineingeht und aus ihm austritt. Anpassungen für Überschwinger und Schaltverluste werden in der Software vorgenommen. Vor der Verlustmessung wird der Gleichstromwiderstand gemessen, und später werden die Gleichstromverluste von den Gesamtverlusten getrennt (Bild 4).

Anbieter zum Thema

zu Matchmaker+

  1. Frequenzabhängige Verluste bestimmen
  2. Herleitung der Verluste


Lesen Sie mehr zum Thema


Das könnte Sie auch interessieren