Grundwissen Elektromobilität

Verstärker-Funktionen in Batteriesystemen für Elektrofahrzeuge

10. Juni 2020, 15:30 Uhr | Autor: Sanjeev Manadhar, Redaktion: Ute Häußler
Texas Instruments BMS Verstärker
Eine Lösung auf Operationsverstärker-Basis wird praktikabler, sobald ein Problem neu oder ungewöhnlich ist und es (noch) keine integrierte Lösung gibt.
© Texas Instruments

Verstärker kommen in vielen Funktionen des Batterie-Management-Systems von Elektroautos vor und haben wichtige Aufgaben. Der Artikel erläutert die technische Anwendung von Verstärkern zur Messung des Batteriestroms, der Batteriespannung, des Leckstroms, der Temperatur und von Interlock-Schleifen.

Diesen Artikel anhören

Die Attraktivität von Hybrid- und Elektrofahrzeugen resultiert daraus, dass sie weniger oder keine Schadstoffe ausstoßen und weniger Wartungsaufwand verursachen. Gleichzeitig bieten die Motoren einen höheren Wirkungsgrad und bessere Fahrleistungen. Das Kernstück des Antriebsstrangs von Hybrid- und Elektrofahrzeugen ist das Batterie-System. Es speist sich beim Laden aus dem Elektrizitätsnetz und speichert diese Energie in der Batterie. Anschließend nutzt es diese elektrische Energie, um den Elektromotor und das Fahrzeug aus der Batterie heraus zu bewegen. Das System besteht, wie Bild 1 veranschaulicht, hauptsächlich aus vier Subsystemen: dem Bord-Ladegerät (On-Board Charger, OBC), dem Batteriemanagement-System (BMS), dem DC/DC-Wandler (DC/DC) und der Wechselrichter- und Motorsteuerung (Inverter and Motor Control, IMC).

Texas Instruments BMS Verstärker
Bild 1. Blockschaltbild eines typischen Antriebsstrangs für Hybrid- und Elektrofahrzeuge mit OBC, BMS, DC/DC und IMC.
© Texas Instruments

Aufgaben und Funktionen des BMS

Das BMS koordiniert und überwacht die Batterie, wozu auch das effiziente und sichere Laden gehört. Außerdem gleicht das BMS das Spannungs- und Ladungsniveau der einzelnen Zellen untereinander aus, überwacht den einwandfreien Zustand der Batterie, sorgt für eine sichere Betriebstemperatur und gewährleistet eine längere Lebensdauer der Batterie. Das BMS sollte ferner Schutz vor schädlichen Zuständen bieten, wie etwa vor dem wiederholten Tiefentladen, welches die Batterielebensdauer beeinträchtigt, aber auch vor dem Überladen, welches die Batterie beschädigen und Brände oder Explosionen verursachen kann. Bei dem Batteriesatz eines Hybrid- oder Elektrofahrzeugs handelt es sich um eine Kombination aus zahlreichen Lithium-Ionen-Zellen, die in Reihe und parallelgeschaltet sind, um die nötige Spannung und Energiemenge zu erreichen. Eine voll aufgeladene Lithium-Ionen-Zelle hat eine Spannung von 4,2 V, während die Spannung im entladenen Zustand etwa 2,8 V beträgt. Die Traktionsbatterie eines Hybrid- oder Elektrofahrzeugs hat dagegen vollständig aufgeladen eine zwischen 200 V und 800 V liegende Spannung. Bild 2 zeigt das Blockschaltbild eines typischen BMS.

Texas Instruments BMS Verstärker
Bild 2. Blockschaltbild eines BMS
© Texas Instruments

Messung des Batteriestroms

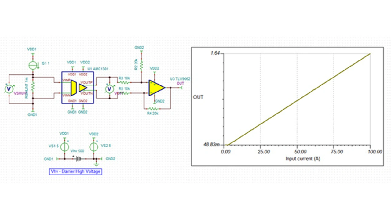
Von entscheidender Bedeutung ist die Überwachung des Stroms, der in den Batteriesatz hinein- und aus ihm herausfließt. Im Fall der Haupt-Traktionsbatterie liegt dieser Strom meist im hohen dreistelligen Amperebereich. Zum Messen des Stroms an der kalten (Niederspannungs-)Seite und der heißen (Hochspannungs-)Seite der Batterie  verwendet man einen Hall-Sensor, einen induktionsbasierten Sensor oder einen isolierten Verstärker mit einem Shunt-Widerstand. Diese isolierten Strommessungen liefern unter Umständen differenzielle analoge Ausgangssignale. Die isolierte Strommessung wird hier verwendet, um die Trennung zwischen Niederspannungs- und Hochspannungs-Seite zu wahren und dennoch analoge Informationen über den gemessenen Strom an einen Analog-Digital-Wandler (ADC) im Haupt-Mikrocontroller übertragen zu können, der von einer Niederspannungs-Versorgung gespeist wird. Extrem genau muss diese Strommessung normalerweise nicht sein. Ein Operationsverstärker verwandelt das differenzielle in ein massebezogenes Signal, vergrößert den Dynamikbereich und steuert den ADC an. Üblicherweise wird ein Current-Shunt-Monitor für die präzise hochspannungsseitige Strommessung in Batteriemanagement-Systemen verwendet.

In Bild 3 ist die Schaltung zu sehen, zu der der isolierte Verstärker und der Operationsverstärker für die Strommessung in verschiedenen Spannungsbereichen gehören. Auch die DC-Übertragungsfunktion ist dargestellt. Die am Shunt-Widerstand abfallende Spannung USHUNT wird von dem isolierten Verstärker zu einem differenziellen Ausgangssignal UDIFF verstärkt, das an seinem isolierten Ausgang liegt. Der Operationsverstärker wandelt das differenzielle Signal UDIFF in ein massebezogenes Signal (OUT) um und vergrößert den Dynamikbereich, indem das Signal um 2 V/U verstärkt wird. Die Anfangsgenauigkeit der Strommessung wird durch den Nullpunktfehler (Offset) des isolierten Verstärkers bestimmt, und die Toleranz der Widerstände entscheidet über die Gleichtaktunterdrückung des Differenzverstärkers.

Texas Instruments BMS Verstärker
Bild 3. Isolierte Strommessung mit einer Kombination aus isoliertem Verstärker und Operationsverstärker .
© Texas Instruments

Über einen DC/DC-Wandler wird in Hybrid- und Elektrofahrzeugen ein von der Traktionsbatterie separiertes 48-V-Bordnetz eingerichtet. Dieses 48-V-Bordnetz versorgt beispielsweise die Klimaanlage, die Heizung, das Bremssystem und die Servolenkung und kommt auf einen höheren Wirkungsgrad als konventionelle 12-V-Bordnetze mit Blei-Säure-Batterien. Im 48-V-Subsystem kommen zwar nicht so hohe Ströme vor wie bei der Traktionsbatterie, aber dennoch auch hier ist eine Strommessung und –steuerung wichtig, weshalb dieses Sub-System ein eigenes BMS besitzt. In diesem 48-V-BMS übernimmt ein nicht-isolierter Current-Shunt-Monitor die Haupt-Strommessung, während eine bidirektionale, auf einem Operationsverstärker basierende Strommessschaltung als redundanter Überstromschutz fungiert. In Bild 4 ist die Operationsverstärker-Schaltung für die bidirektionale Strommessung zu sehen.

Texas Instruments BMS Verstärker
Bild 4. Operationsverstärker-Schaltung für die low-seitige bidirektionale Strommessung.
© Texas Instruments

Messung der Batteriespannung

Ebenso wie der Strom, muss auch die Spannung der Batterie überwacht werden. Bei der isolierten Spannungsmessung dividiert ein Widerstandsteiler die hohe Spannung der Batterie auf den Gleichtakt-Eingangsbereich eines Verstärkers herunter. Ein isolierter Verstärker erfasst diese herabdividierte Spannung, und ein als Differenzverstärker konfigurierter Operationsverstärker verwandelt das differenzielle Ausgangssignal des isolierten Verstärkers in ein massebezogenes Signal. Wird keine Isolation benötigt, reicht ein als Differenzverstärker konfigurierter Operationsverstärker aus, um die Spannungsmessung direkt vorzunehmen.

Ein integrierter, speziell für BMS-Anwendungen konzipierter Power-Chip verfolgt die Spannung der einzelnen Lithium-Ionen-Zellen und nimmt den Ladungsausgleich vor. Durch Hintereinanderschalten dieser Power-Chips ist ein gleichzeitiges Messen der Spannungen aller Lithium-Ionen-Zellen möglich, um die Spannungen dieser Zellen untereinander auszugleichen und die Informationen an den Mikrocontroller weiterzugeben.

Texas Instruments BMS Verstärker
Bild 5. Isolierte Spannungsmessung mit isoliertem Verstärker und Operationsverstärker.
© Texas Instruments

Messung des Leckstroms

Wie schon erwähnt, wird der Hochspannungsteil mit seinen 200 V bis 800 V von der Fahrzeugmasse und den Niederspannungs-Bereichen (12 V und 48 V) isoliert. Durch Messung der Batteriespannung und des Leckstroms durch einen testweisen Isolationsfehler lässt sich der Widerstand bzw. der Leckstrom zwischen Hochspannungsteil und Fahrzeugmasse bestimmen. Das Konzept des testweisen Isolationsfehlers kann am besten mithilfe von Referenzdesigns nachvollzogen werden, ein gutes Beispiel ist das Automotive High-Voltage and Isolation Leakage Measurements Reference Design von Texas Instruments. Es geht dabei um das zeitweilige Überbrücken der Isolationsbarriere mit einem definierten Widerstand, wie in Bild 6 gezeigt.

Texas Instruments BMS Verstärker
Bild 6. Strommessung an einem Isolationsfehler mithilfe eines Operationsverstärkers.
© Texas Instruments

Es ist wichtig zu wissen, welchen Weg der Fehlerstrom vom Plus- oder Minuspol der Hochspannungsbatterie nimmt. Es liegt zu jeder Zeit nur ein Isolationsfehler vor, mit Relais S1 auf der positiven und Relais S2 auf der negativen Seite. Durch Vergleich dieses bekannten Isolationswiderstands mit dem gemessenen Widerstand lässt sich der Leckstrom durch die Isolationsbarriere bestimmen.

Zum Beispiel ist die Spannung ISO_POS gleich Uref, wenn S1 geschlossen ist und auf der negativen Seite kein Isolationsfehler vorliegt. Sollte dagegen ein Isolationsfehler auf der negativen Seite existieren, weicht die Spannung ISO_POS von Uref ab. Durch den Leckstrom, der über Rps1, Rps2 und Rs1 sowie den Pluspol und den Minuspol der Batterie zur Masse auf der Niederspannungs-Seite fließt, verändert sich die geschlossene Schleifenverstärkung. Für diese Anwendung eignet sich ein Operationsverstärker mit niedrigem Eingangs-Biasstrom, da die mit dem invertierenden Eingang verbundene Impedanz sehr hoch sein kann (im Megaohm-Bereich).

Temperaturüberwachung

Die in Hybrid- und Elektrofahrzeugen vorkommenden hohen Spannungen und Ströme können dazu führen, dass viel Leistung als Wärme abfällt und die Temperatur steil ansteigt. Es ist deshalb unerlässlich, die Temperatur der Batterie und der umgebenden Systeme zu überwachen und zu verhindern, dass übermäßig viel Leistung verloren geht. Kommt es infolge eines Fehlers zu einer hohen Verlustleistung, unterbricht die Batteriesteuereinheit die Verbindungen zur Batterie, um mögliche Gefahren wie Feuer oder Explosionen zu verhindern.

Eine kostengünstige Möglichkeit derr Temperaturerfassung ist es, das Signal eines mit einem Widerstand in Reihe geschalteten NTC-Thermistors (negativer Temperaturkoeffizient) mithilfe eines Operationsverstärkers zu puffern. Da das BMS und die Batterie selbst eine große Fläche einnehmen, ist die Temperatur möglicherweise nicht überall im System gleich hoch, weshalb mehrere Temperaturmesseinheiten auf das BMS verteilt werden müssen. Sollen die entsprechenden Signale auf einen ADC oder einen Mikrocontroller-Pin gemultiplext werden, ist eine Signalaufbereitung erforderlich. Abgesehen davon müssen diese Signale so gepuffert und verstärkt werden, dass der volle Dynamikbereich des ADC genutzt wird.

Der Operationsverstärker in Bild 7 ist als Pufferverstärker bzw. nicht-invertierender Verstärker konfiguriert. Für diese Anwendung eignet sich ein kostengünstiger Hochvolt-Operationsverstärker mit nicht zu hohen Offset- und Offsetdrift-Werten.

Texas Instruments BMS Verstärker
Bild 7. Temperaturmessung mit NTC-Thermistor und Operationsverstärker.
© Texas Instruments

Interlock-Überwachung

Interlock ist die Bezeichnung eines Spannungs- und Stromschleifen-Systems, das sich durch eine Reihe von Subsystemen in einem Hybrid- bzw. Elektrofahrzeug zieht (siehe Bild 8). Es beginnt im BMS und verläuft über den Wechselrichter, den DC/DC-Wandler, das OBC und zurück zum BMS, um Manipulationen sowie ein Öffnen des Hochspannungs-Systems oder der Wartungsklappe zu registrieren. Auch hier helfen Referenzdesigns wie etwa von Texas Instruments zu verdeutlichen, wie das Interlock-System die Hochspannungsleitung unterbricht, um Schäden zu vermeiden.

Texas Instruments BMS Verstärker
Bild 8. Interlock-System in einem BMS.
© Texas Instruments

Für die Interlock-Schleife wird ein Strom erfasst, der impulsweise ausgesendet wird und keine hohen Anforderungen an die Messgenauigkeit stellt. Oft liegt es an der geforderten geringen Größe, eine Schaltung auf Basis eines Messverstärkers zu wählen. Die günstigste Methode dagegen wäre eine Strommessschaltung bestehend aus einem Operationsverstärker und diskreten Widerständen in einer Differenzverstärker-Konfiguration. Da in der Interlock-Schleife keine hohen Ströme fließen, kann ein hochohmiger Shunt-Widerstand verwendet werden, ohne dass viel Verlustleistung befürchtet werden müsste. Sicherheits- und Diagnosefunktionen verlangen nach Redundanz, um auch für den Fall gerüstet zu sein, dass das Hauptsystem ausfällt. Um alle möglichen Fehler zu detektieren, ist möglicherweise an mehreren Stellen eine sekundäre Strom- und Spannungsmessung erforderlich, sodass hier die kostengünstigere Lösung attraktiver wird.

Bald noch mehr Verstärker

Die aufgezählten Komponenten sind Standardfunktionen eines BMS, die allesamt auf Verstärkern beruhen. Abhängig vom jeweiligen Systemdesign kommen Operationsverstärker jedoch möglicherweise für noch mehr Funktionen in Frage. Eine Lösung auf Operationsverstärker-Basis wird praktikabler, sobald ein Problem neu oder ungewöhnlich ist und es keine integrierte Lösung gibt. Die Systeme in Hybrid- und Elektrofahrzeugen werden immer weiterentwickelt, und es mehren sich die Situationen, in denen sich mit Operationsverstärkern eine schnelle, präzise und flexible Lösung realisieren lässt.

Texas Instruments BMS Verstärker
Sanjeev Manandhar
© Texas Instruments

Der Autor

Sanjeev Manandhar erhielt 2004 einen Bachelor- und 2006 einen Master-Abschluss in Elektrotechnik der University of Maine, Orono. Er kam 2006 zu Texas Instruments und ist gegenwärtig Systemingenieur für Allzweckverstärker in Dallas. Er arbeitet an Produkten für Automobil-, Consumer- und Raumfahrtanwendungen.

Anbieter zum Thema

zu Matchmaker+

Lesen Sie mehr zum Thema


Das könnte Sie auch interessieren

Die am KIT entwickelte temperierbare und mit Sensorik ausgestattete Sicherheitseinhausung für das Prüfen von Lithium-Ionen-Zellen unter kritischen Bedingungen.

Li-Ionen-Zellen unter Realbedingungen

Prüfverfahren für sichere Batteriesysteme optimieren

Mercedes-Benz verkündet strategische Partnerschaft und Beteiligung an Batteriezellenhersteller Farasis Energy: Markus Schäfer, Mitglied des Vorstands bei Daimler und Mercedes-Benz (links) und Dr. Yu Wang, Gründer und CEO Farasis Energy (rechts).

Batteriezellenwerk in Bitterfeld-Wolfen

Mercedes-Benz steigt bei Batteriezellenhersteller Farasis ein

Keysight DC-Netzteil

DC-Netzteile für Elektromobilität

Weniger Verlustwärme und Platz mit Lade- und Entlade-Funktion

Ampaire Elektroflugzeuge

Powermodule für Flugzeugmotoren

Klimafreundliches Inselhoppen mit Elektro-Cessnas auf Hawaii

Der Projekttest mit dem Ecobus ist bereits abgeschlossen.

Klicken, fahren, ankommen

Wann kommt On-Demand-Mobilität auf dem Land?

Elektromobilität

Chip-Kapazität für Elektrofahrzeuge

Danfoss schließt mehrjährigen Volumenvertrag mit Infineon

E/E Entwicklung

Entwicklung von Automobilelektronik

Capital-Software unterstützt jetzt E/E-Systeme

Für mehr Sicherheit im Straßenverkehr will die Toyota ab 2021 virtuelle Crashtest-Dummys frei zugänglich machen.

Virtuelle Crashtestdummies von Toyota

Software simuliert Verletzungen bei Verkehrsunfällen

Bis zu sechs Lade-Apps hat ein Stromerfahrer  im Durchschnitt auf seinem Smartphone und muss bis zu fünf Ladekarten händeln. Bosch will dem Abhilfe schaffen.

Ladenetzwerk wächst kontinuierlich

150.000 Ladepunkte in Europa

Ab dem 17. Juni kann in den meisten europäischen Ländern die auf 30.000 Fahrzeuge limitierte 1st Edition des ID.3 verbindlich bestellt werden.

Marktstart steht fest

Volkswagen liefert ID.3 1st-Modelle Anfang September aus

Mitte Juni lief der letzte i8 im BMW-Werk Leipzig vom Band. Insgesamt wurden rund 20.500 Fahrzeuge seit 2014 gefertigt.

Im Werk Leipzig lief letzter i8 vom Band

BMW stellt Produktion seines ersten Hybridsportwagens ein

Der vollelektrische Porsche Taycan ist der Kern des grünen Projektportfolios. Der Sportwagenhersteller hat nun ein grünes Schuldscheindarlehen in Höhe von einer Milliarde Euro platziert.

Porsche setzt auf Nachhaltigkeit

Neue Leitlinien zum Schutz der Umwelt

Auflösung von Frontscheinwerfern

Wie viele Pixel braucht die Projektion von Symbolen?

Continental Ethikregeln KI

KI für automatisiertes Fahren

Continental stellt Ethikregeln für Künstliche Intelligenz auf

Cruise Radar

Fahrerassistenz und Autonomes Fahren

GM übernimmt deutschen Radarhersteller Astyx

MultiBand-RTK-Dead-Reckoning-Systeme

Genauere GNSS-Positionierung für V2X

eLKW

Elektrisch unterwegs in Regensburg

Infineon startet Logistik per Elektro-LKW

Vitesco Technologies kooperiert mit Rohm auf dem Gebiet der SiC-Technologie.

Vitesco Technologies und Rohm

Siliziumkarbid-Leistungshalbleiter für E-Fahrzeuge nutzen