Positioonsbestimmung

Positionssensorik im Vergleich

27. März 2013, 9:34 Uhr | von Karmjit Sidhu
© Macrosensors

Es gibt allerlei verschiedene Methoden der linearen Positionsabfrage, was die Auswahl der optimalen Technik für eine bestimmte Anwendung nicht einfach macht. Die Unterschiede bei der Sensorik zu kennen hilft dabei, auf der Grundlage von Preis, Leistung und Gesamt-betriebskosten das passende Gerät zu finden.

Diesen Artikel anhören

Traditionelle lineare Positionsabfrage-Methoden wie Potentiometer für die lineare Kontaktaufnahme, LVDTs (lineare variable Differenzialtransformatoren), magnetostriktive Sensoren und optische Kodierer variieren in Bezug auf Takt, Auflösung, Kosten, Umweltbeständigkeit sowie Zuverlässigkeit (siehe Tabelle 1).

Anbieter zum Thema

zu Matchmaker+
MerkmalePotentiometerWechselstrom-LVDTsGleichstrom-LVDTs
LVRTs
Magnetostriktive Systeme
Optische Encoder
Magnetische Encoder
Bereich[mm] 2,5 - 500 0,5 - 500 2,5 - 500
0,25 - 10
150 - 3000
150 - 1500
150 - 3000
Genauigkeit Mittelmäßig Sehr gut Sehr gut Sehr gut Ausgezeichnet Ausgezeichnet Sehr gut
Auflösung Mittelmäßig Ausgezeichnet Ausgezeichnet Ausgezeichnet Ausgezeichnet Ausgezeichnet Sehr gut
Wiederholgenauigkeit Ausriechend Ausgezeichnet Ausgezeichnet Ausgezeichnet Ausgezeichnet Sehr gut Sehr gut
Temperaturresistenz Ausreichend Ausgezeichnet Mittelmäßig Ausgezeichnet Gut Ausgezeichnet Gut
Linearität Mittelmäßig Gut Gut Gut Sehr gut Sehr gut Sehr gut
Kosten Niedrig Mittelmäßig Hoch Mittelmäßig Hoch Mittelmäßig Mittelmäßig
Komplexität der Support-Elektronik Niedrig Mittelmäßig Niedrig
 Mittelmäßig Niedrig
Hoch
Hoch

Tabelle 1: Vergleich der Eigenschaften verschiedener linearer Positionssensoren


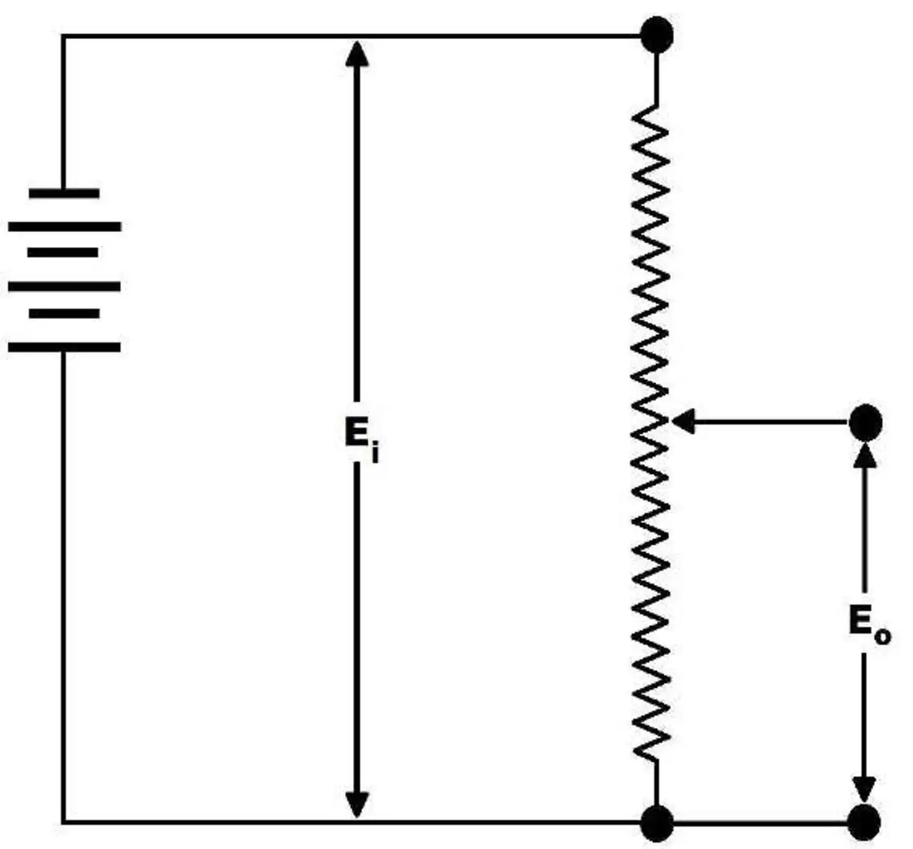
Es ist sinnvoll, die einzelnen Verfahren genau unter die Lupe zu nehmen, bevor eine Entscheidung fällt. Ein Potentiometer ist im Prinzip ein dreipoliger Spannungsteiler, angetrieben von einer Wechselstrom- oder Gleichstromquelle. Zwei Klemmen sind fest montiert, während eine Abgangsklemme, die mechanisch mit einem beweglichen Teil verbunden ist, sich nach oben oder unten bewegt, um die Verschiebung darzustellen. An den festen Klemmen liegt eine Versorgungsspannung an.

Bild 1: Schematische Darstellung eines Potentiometers
Bild 1: Schematische Darstellung eines Potentiometers
© Macrosensors

Das Ausgangssignal ist ratiometrisch in Bezug auf die verwendete Spannung (siehe Bild 1). Die preisgünstigen Potentiometer sind aus abgelagertem dickschichtigem resistivem Material gefertigt, während teurere Versionen aus drahtgewickeltem Widerstandsmaterial sind. Drahtgewickelte Systeme können mehr Strom führen als Dickschicht-Potentiometer. Lineare Potentiometer sind preiswert, leicht einsetzbar und kurz in ihrer Länge, doch sie sind auf mechanischen Kontakt angewiesen, um eine Position angeben zu können.

Als Kontaktgeräte bieten diese Potentiometer ein geringes Maß an Wiederholgenauigkeit und eine größere Hysterese. Die Ausgänge neigen dazu, im Laufe der Zeit durch Kontakt zu verschleißen, insbesondere unter Verhältnissen mit hoher Vibration, wodurch die Geräte im Hinblick auf langfristige Zuverlässigkeit unakzeptabel werden. Bei milden bis rauen Betriebsbedingungen können starke Schocks, Vibration, Eintauchen in Flüssigkeiten und hohe Temperatur den Stromkreis des mechanischen Kontakts (oder des Schiebereglers) unterbrechen oder zu Kurzschlüssen führen, was die Leistung und Zuverlässigkeit mindert.

LVDT als Alternative

Bild 2: Prinzip eines LVDT-Sensors
Bild 2: Prinzip eines LVDT-Sensors
© Macrosensors

Ein LVDT besteht aus drei Wicklungen (Coil Assembly), einem Kern (Core) und einem Gehäuse (Bild 2). An die primäre Wicklung wird Spannung aus einer Wechselstromquelle angelegt, deren Frequenz und Amplitude temperaturstabil sind. Zwei sekundäre Wicklungen nehmen das Signal auf, das beidseitig über die Position des Kerns von der primären Windung induziert wird.

Bild 3: Schaltplan eines LVDTs
Bild 3: Schaltplan eines LVDTs
© Macrosensors

Der Kern, der aus einer 52-Eisen-Nickel-Legierung besteht, ist in der Regel mit einem beweglichen Teil verbunden, um die Verschiebung anzuzeigen, die, wie im Schaltplan in Bild 3 gezeigt, gemessen wird. Wenn der Kern sich in der Mitte des LVDTs befindet, geben beide Spulen gleich starke, gegensätzliche Signale von sich, die eine Nullspannung erzeugen. An dieser Stelle ändert sich auch der Phasenwinkel um 180°, während der Kern sich von einer Spule zur anderen bewegt.

Dieser Phasenwinkel bestimmt die Polarität des Signals. LVDTs (oft auch lineare Positions-sensoren genannt) sind sehr vielseitig und bieten eine Reihe von Leistungsmerkmalen und Einsatzmöglichkeiten. Diese kontaktlosen und robusten Systeme arbeiten selbst unter rauen oder feindlichen Umgebungsverhältnissen über lange Zeit hin zuverlässig. Der reibungslose Betrieb bedeutet eine höhere Wiederholgenauigkeit und Auflösung.

Die Sensoren benötigen eine Wechselstrom-Signalkonditionierung oder unterstützende Elektronik, die entweder innerhalb des Sensors untergebracht werden kann, wie bei einem mit Gleichstrom betriebenen LVDT, oder die an einem Ort untergebracht werden kann, der für die elektronischen Teile besser geeignete Umgebungs-bedingungen bietet, während der Sensor in einer rauen Umgebung verbleibt.

In einem niedrigen operativen Frequenzbereich zwischen 2 kHz bis 4 kHz können der LVDT und die Signalkonditionierung bis zu etwa 12 m weit voneinander entfernt sein. Lineare Positionssensoren, die ohne Kontakt arbeiten und sehr robust sind, findet man normalerweise in Systemen, bei denen eine hohe Zuverlässigkeit erwünscht ist, wie etwa zur Anzeige der Flügelklappen von Flugzeugen, bei unterseeischen Anwendungen sowie bei Hochtemperatur-Dampfventilen und Kraftwerksinstallationen.

Für die mit Wechselstrom betriebenen LVDTs kann die Betriebszeit bis zu einem Ausfall (MTBF) bis zu 5 000 000 Stunden betragen. Dank Spezialgehäusen und Hochtemperaturwerkstoffen reichen die Arbeitstemperaturen von -200 °C bis +500 °C. In der Vergangenheit gab es bei diesen Technologien zwei Probleme: Kosten und Platzbedarf. Bei einer Wegstrecke von 0 Zoll bis 10 Zoll (25,4 cm) kann der LVDT ganze 23 Zoll (58,42 cm) lang sein. Das ist seit Jahren die Achillesferse dieser Methode. Moderne Schichtwinde-Techniken und kostengünstige ASIC/Mikrocontroller-basierte Kompensationstechniken für die Elektronik greifen diese Probleme auf und machen das LVDT kleiner und konkurrenzfähiger zu Potentiometern und magnetostriktiven Sensoren, die traditionell in vielen Anwendungen zum Einsatz kommen.

Linearkodierer

Lineare Kodierer nutzen optische oder magnetische Gitter, um einen Strom von digitalen Signalen zu erzeugen. Deren Dekodierung übernimmt dann komplexe Elektronik, um absolute oder relative Messdaten zu liefern. Kodierer der niedrigeren Preisklasse bieten eine Auflösung von 10 Bit bis 12 Bit, während die teuersten Systeme eine Auflösung von 18 Bit aufweisen. Diese inkrementellen Sensoren beruhen auf optischem Lesen von linearen Abstufungen auf einer Glasskala, oder sie erfassen magnetische Pole, die sich in gleichmäßigen Abständen auf ferromagnetischen Materialien befinden.

Kodierer sind für hohe Präzision bekannt und sie sind mit ihrem begrenzten Frequenzgang oft für eher langsame dynamische Anwendungen ideal. Die Sensoren erfordern, jedenfalls für absolute Messungen, auch eine komplexe Elektronik und können recht teuer sein. Lineare Kodierer werden in speziellen Anwendungen wie an Instrumententischen und in Laboren verwendet. Sie sind auch für Kontrollsysteme, Roboter und Werkzeugmaschinen beliebt, wo ihre relative Zerbrechlichkeit und die hohen Kosten keine große Rolle spielen.

Magnetostriktive Sensoren

Als Magnetostriktion wird die Deformation magnetischer Stoffe als Reaktion auf ein angelegtes Magnetfeld bezeichnet. Magnetostriktive Sensoren besitzen einen Magneten, der eine Position erfassen kann, einen Wellenleiter, eine Pickup-Spule und komplexe Elektronik, womit sie die Position eines Teiles präzise messen können. Der Positionsmagnet ist an der Werkzeugmaschine, dem Hydraulikzylinder oder einem anderen Teil, an dem die Messung erfolgen soll, angebracht.

Der Wellenleiterdraht hat eine Schutzhülle und ist an den stationären Teil des Objekts angeschlossen. Die Anbringungsstelle des Positionsmagneten wird bestimmt, indem der Wellenleiter zunächst einen Stromimpuls erhält. Zur gleichen Zeit startet ein Timer. Der Stromimpuls führt dazu, dass an der Anbringungsstelle des Magneten eine akustische Welle erzeugt wird (Wiedemann-Effekt: Ein magnetischer Stab verwindet sich, wenn er von Strom durchflossen wird). Die akustische Welle bewegt sich entlang des Wellenleiters, bis sie vom Pickup erfasst wird. Dies hält den Timer an.

Die verstrichene Zeit zeigt den Abstand zwischen dem Positionsmagneten und dem Pickup an. Die akustische Welle bewegt sich auch in die entgegengesetzte Richtung vom Pickup weg. Um ein störendes Signal von Wellen, die sich in diese Richtung bewegen, zu vermeiden, wird die Energie von einem Dämpfer absorbiert. Das Pickup nutzt den Villari-Effekt (inverser magnetostriktiver Effekt, Änderung der magnetischen Suszeptibilität bei mechanischer Beanspruchung).

Ein kleines Stück des magnetostriktiven Materials (»Band«) ist in der Nähe eines seiner Enden am Wellenleiter angeschweißt. Dieses Band verläuft durch eine Spule und wird durch einen kleinen Permanentmagneten, der Bias-Magnet genannt wird, magnetisiert. Wenn die akustische Welle sich am Wellenleiter und dann weiter am Band entlangbewegt, verursacht die durch die Welle ausgeübte Belastung eine Welle von Suszeptibilitätsänderungen (Villari-Effekt) am Band. Dies wiederum führt zu einer Änderung der magnetischen Flussdichte des Bandes.

Infolgedessen erzeugt die Spule einen Spannungsausgabeimpuls (Faraday-Effekt). Der Spannungsimpuls wird vom elektronischen Schaltkreis erfasst und für die gewünschte Ausgabe konditioniert. Die magnetostriktive Technik wird weitverbreitet für Langtakt-Messungen bei Zylindern, Antrieben und Simulatoren genutzt und ist sehr genau, aber in der Regel teuer und auf ungefährliche Anwendungen beschränkt.

Die Geräte leiden unter einem relativ großen Temperaturkoeffizienten, der in vielen Anwendungsbereichen nicht akzeptabel ist. Beide Arten von Widerstandssensoren stehen mit Mess-bereichen von ungefähr 2,5 mm bis 500 mm zur Verfügung. Magnetostriktive Sensoren sind eher etwas teuer für kürzere Reichweiten und haben Schwierigkeiten mit starken Stößen, aber die Sensoren bieten eine hohe Auflösung, eine hohe Wiederholgenauigkeit und gute Temperaturstabilität über einen begrenzten Temperatur-bereich hinweg.

Über den Autor:

Karmjit Sidhu ist VP of Business Development bei Macrosensors.


Lesen Sie mehr zum Thema


Das könnte Sie auch interessieren

Jetzt kostenfreie Newsletter bestellen!

Weitere Artikel zu Sensoren & -systeme