10BASE-T1L-Gebäudesteuerungen als Basis

Nachhaltiges Gebäudemanagement dank T1L-Protokoll

16. August 2023, 23:26 Uhr | Salem Gharbi
Salem Gharbi ist Systems Applications Engineer bei Analog Devices.
Salem Gharbi, Analog Devices: »Wenn Gebäudeleittechnik durch 10BASE-T1L-Technik aufgewertet wird, sind komplexe Gateways mit hohem Stromverbrauch entbehrlich.«
© Analog Devices

Ethernet-DDCs (Direct Digital Controllers) haben in BMS (Building Management Systems) bedeutende Vorteile. Doch welche? Klar ist, dass typische BMS-Architekturen vom 10BASE-T1L-Protokoll profitieren können, auf dem auch der Prozessautomatisierungs-Standard Ethernet-APL beruht.

Diesen Artikel anhören

Mit seiner Datenrate von 10 Mbit/s, seiner Unterstützung für verschiedene Topologien sowie der Möglichkeit, Daten und Stromversorgung über ein einziges Twisted-Pair-Kabel zu übertragen, ermöglicht 10BASE-T1L die nahtlose Ethernet-Anbindung von DDCs und Edge-Knoten in Punkt-zu-Punkt-, Ring- und Linienkonfigurationen. Es eignet sich für Echtzeitsteuerungen, beseitigt die Einschränkungen früherer Protokolle und unterstützt praktisch unbegrenzt viele Edge-Knoten. Mit seiner Fähigkeit zur Übertragung von Daten über Distanzen bis zu 1 km bietet es sich ferner als sinnvolle Lösung zur Modernisierung bestehender BMS-Installationen an, weil vorhandene Kabel mit einem verdrillten Adernpaar (Single Twisted Pair, STP) weiterverwendet werden können. Dank dieser Eigenschaften kommt das 10BASE-T1L-Protokoll ohne Gateways mit hohem Stromverbrauch aus, sodass eine nahtlose Connectivity zwischen Edge und Cloud möglich ist. Das Protokoll stellt damit eine wertvolle Ressource für alle dar, die sich für aktuelle BMS-Technologie und ihren potenziellen Einfluss auf die Energieeffizienz von Gebäuden interessieren.

T1L-fähige DDCs

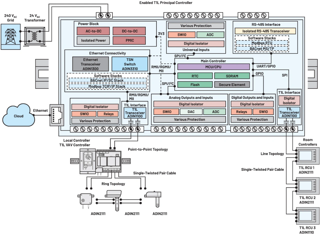
Bild 1: Schema einer Gebäudesteuerung mit T1L-Anbindung
Bild 1: Schema einer Gebäudesteuerung mit T1L-Anbindung
© Analog Devices

DDC-Systeme sind für die moderne Gebäudeleittechnik von essenzieller Bedeutung, denn sie ermöglichen die Echtzeit-Überwachung und -Regelung verschiedenster Gebäudesysteme. Im Zuge des technischen Fortschritts werden DDCs mit Ethernet-Anbindung weiter an Verbreitung gewinnen, wovon die Effizienz und die Sicherheit von Gebäuden gleichermaßen profitieren werden. Der PHY-Baustein ADIN1100, der MAC PHY ADIN1110 und der Dual-Port-Switch ADIN2111 von Analog Devices (ADI) eignen sich gut, um DDC-Systeme mit 10BASE-T1L-Funktionalität auszustatten. Diese Technik ermöglicht die Übertragung von Prozessgrößen, Konfigurations-Daten, Software-Updates und Diagnosedaten, was das Management und die Instandhaltung von Gebäudesystemen vereinfacht. 10BASE-T1L unterstützt Kabelstrecken bis 1 km und wartet mit Diagnose-Features auf, die ein ebenso rasches wie effizientes Beheben etwaiger Störungen erlauben. Die Integration von 10BASE-T1L mit Software-Stacks wie etwa Modbus IP oder BACnet IP ergibt eine umfassende Lösung für industrielle Automatisierungssysteme und erleichtert die effiziente Datenerfassung, die Gerätesteuerung und die Systemüberwachung. Bild 1 macht deutlich, wie 10BASE-T1L-Produkte in Heizungs-, Lüftungs- und Klimaregelungen (HLK) sowie Raumcontroller integriert werden können, um über ein ring- oder linienförmiges Netzwerk die Kommunikation mit mehreren Raum- oder Gebäudereglern zu ermöglichen.

Das Schulungsvideo vermittelt fundierte Kenntnisse über Ethernet-vernetzte Gebäudesteuerungen und die diesbezügliche Technik von ADI. Hierzu bietet das Video nützliche Informationen und Einblicke in die neuesten Fortschritte und Entwicklungen auf diesem Sektor.

Anwendungsbeispiel: T1L-fähiger variabler Volumenstromregler für HLK-Systeme

Variable Volumenstromregler (Variable Air Volume, VAV) werden in modernen Bürogebäuden in großem Umfang eingesetzt. Häufig stattet man verschiedene Zonen bzw. Bereiche mit jeweils eigenen Volumenstromreglern aus, um die Raumtemperaturen auf einem angenehmen Niveau zu halten. Diese Technik macht es möglich, mit ein und demselben Lüftungssystem unterschiedliche Temperaturen in den verschiedenen Bereichen einzustellen, indem nicht die Temperatur, sondern die Menge der zugeführten Luft variiert wird. Um eine hinreichende Belüftung sicherzustellen, nutzen VAV-Systeme die DDC-Programmierung, die die nötigen Sollwerte für die Drosseleinrichtungen berechnet und ausgibt. Moderne, programmierbare VAV-Zonenregler enthalten ein eingebautes Stellglied und halten die Temperatur in der betreffenden Zone konstant, indem sie den Zustrom aufbereiteter Luft in den jeweiligen Bereich über Lüfter regulieren. Sie bieten spezielle Regelungsfunktionen für parallelgeschaltete Lüfterauslässe an einem Luftkanal sowie in Reihe geschaltete Lüfterauslässe mit Wärmemodulation. Der Regler gliedert sich in zwei Hauptabschnitte, nämlich ein Stellglied für die Drosselklappe und eine integrierte, programmierbare DDC-Einheit. Außerdem unterstützt er den Anschluss der verschiedenen in VAV-Systemen benötigten Sensoren, um die Luftmenge einzustellen und die Luftqualität zu überwachen. Ein programmierbarer VAV-Zonencontroller kann die Zonentemperatur messen und anzeigen, die Raumbelegung ermitteln, die Temperatur im Luftkanal sowie die Ausblastemperatur messen, die Luftfeuchte und den Taupunkt in der Zone feststellen, den CO2-Gehalt messen und die Lüfterdrehzahl der AV-Box einstellen. Durch den Einsatz von 10BASE-T1L-Reglern in großen Gebäuden (z.B. Flughäfen) ist es möglich, einerseits für optimale Energieeffizienz und Luftqualität im Inneren zu sorgen und andererseits die Instandhaltungs- und Betriebskosten zu senken.

Anwendungsbeispiel in großen Gebäuden

Bild 2: Schema einer VAV-Einheit mit T1L-Anbindung
Bild 2: Schema einer VAV-Einheit mit T1L-Anbindung
© Analog Devices

Im Mittelpunkt der nachfolgend beschriebenen Anwendung steht eine Zone eines Flughafengebäudes (Bild 2), jedoch können das hier beschriebene VAV-System und die entsprechenden Regelungsalgorithmen ebenso in anderen großen Gebäuden eingesetzt werden. Das VAV-System arbeitet mit fünf Sensoren und Aktoren, die an verschiedenen Stellen im Luftführungssystem dieser aus zwei Räumen bestehenden Zone positioniert sind. Im ersten Raum befinden sich die beiden Aktoren D1 und D2, der Temperatursensor S1 und der Drucksensor S2. S1 und S2 sind im Zuluftkanal nahe dem Auslass angeordnet, und der Luftstrom in dem Raum wird über die Abluft-Drosselklappe D2 und die Zuluft-Drosselklappe D1 reguliert. Der zweite Raum ist mit der gleichen Anzahl Sensoren und Aktoren (D3, D4, S3, S4) bestückt. Wegen der erhöhten Belastung in diesem Raum sind jedoch zusätzlich ein CO2-Sensor (S5) und ein weiteres Stellglied (D5) im Abluftkanal angeordnet, um das Volumen und die Qualität der Luft besser kontrollieren zu können. Die VAV-Einheit nutzt Regelungsalgorithmen zum Überwachen bzw. Ansteuern der Sensoren und Aktoren. Die Stellung der Drosselklappen wird entsprechend der jeweiligen Programmierung anhand der erfassten Temperatur- und Druckwerte variiert. Wenn sich beispielsweise die Temperatur im ersten Raum ändert, reagiert die VAV-Einheit, indem sie die Drosselklappen D1 und D2 öffnet bzw. schließt. Dies führt zu einer Druckänderung im Zuluftkanal, die sich mit S2 feststellen lässt. Registriert die VAV-Einheit eine Druckzunahme, verringert sie die Lüfterdrehzahl im Lüftungsgerät.

Die Sensoren an den verschiedenen Stellen des Luftführungssystems sind über ein linienförmiges Netzwerk miteinander verbunden. Die Drosselklappen wiederum sind über Punkt-zu-Punkt-Verbindungen direkt mit der VAV-Einheit verbunden. Bei bestehenden Infrastrukturen ergeben sich gravierende Einschränkungen, was die Länge, die Impedanz, die Dicke und vor allem den Gleichstromwiderstand der Kabel betrifft. Als Abhilfe lassen sich DDC-Regler auf 10BASE-T1L-Basis einsetzen, die über bis zu 1 km lange STP-Kabel die Echtzeit-Anbindung von Sensoren und Aktoren ermöglichen. Die zum Ansteuern der Aktoren dienende 10BASE-T1L-Einheit kann außerdem aus der Ferne konfiguriert werden, um die Laufzeit und die Position der Drosselklappe auf einen minimalen Sollwert genau abzustimmen. Sie eignet sich auch, um die Drosselklappe im Störungsfall zu untersuchen. VAV-Systeme sind eine wirkungsvolle Möglichkeit zur Wahrung angenehmer Umgebungsbedingungen in großen Gebäuden wie etwa Flughäfen. Mithilfe von Sensoren und Aktoren, die an unterschiedlichen Stellen platziert werden, kann die VAV-Einheit den Luftstrom und die Luftqualität so modulieren, dass Temperatur und Druck gleichbleiben. Unterstützt durch moderne Technik wie etwa 10BASE-T1L-fähige DDC-Controller, lässt sich das HLK-System regeln und in Stand halten, während sich durch die Einsparung wertvoller Energie außerdem die Effizienz verbessert.

Der Nutzen von 10BASE-T1L in der Gebäudeleittechnik

Wenn Gebäudeleittechnik durch 10BASE-T1L-Technik aufgewertet wird, sind komplexe Gateways mit hohem Stromverbrauch entbehrlich. Gleichzeitig ergeben sich weitere Verbesserungen, weil die Echtzeit-Anbindung von Sensoren und Aktoren über ein einziges STP-Kabel möglich ist. Gebäudeleittechnik kann dadurch – abhängig von der Leistungsfähigkeit und den Anforderungen des Netzwerks – eine größere Reichweite erzielen und eine praktisch unbegrenzte Zahl von Edge Devices unterstützen. Nicht zuletzt sind Gebäudesteuerungen mit 10BASE-T1L-Funktionalität mithilfe von Fehlererkennungs- und Diagnosefunktionen in der Lage, etwaige Störungen und Verkabelungsprobleme zu detektieren.

Der Autor:

Salem Gharbi ist als Systems Applications Engineer in der Sustainable Buildings and Infrastructure Business Unit von Analog Devices tätig und verfügt über sieben Jahre Erfahrung in vielfältigen IoT- und Industrieanwendungen. Er ist dafür verantwortlich, Systemlösungen mit Fokus auf Industrie-Automatisierung zu erarbeiten.

Anbieter zum Thema

zu Matchmaker+

Lesen Sie mehr zum Thema