Super-Caps zur Speicherung von Backup-Energie

3. Juni 2015, 15:25 Uhr | Jun Liu, Principal Applications Engineer, Intersil
Diesen Artikel anhören

Fortsetzung des Artikels von Teil 2

Konfiguration eines Supercap-Ladegeräts

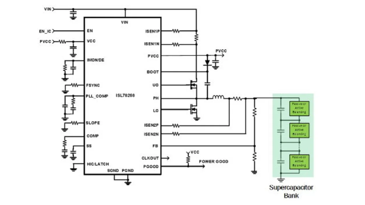
 Abbildung 3. Vereinfachtes Schaltbild eines Synchron-Abwärtsreglers mit CICV-SC-Laderegelung
Abbildung 3. Vereinfachtes Schaltbild eines Synchron-Abwärtsreglers mit CICV-SC-Laderegelung
© Intersil

Eine SC-Ladegerät lässt sich mit dem passenden Synchron-Abwärtsregler aufbauen. Abbildung 3 zeigt das vereinfachte Schaltbild des ISL78268 von Intersil, der einen Sync-Buck-Regler ansteuert, um die CICV-Regelung zu erreichen. Zur Aufladung einer Superkondensator-Batterie auf 25 V unter CICV-Regelung arbeitet er mit VIN >= 48 V and VOUT >= 25 V. Er enthält eine Möglichkeit zur Konstantstrom- und Konstantspannungsregelung mit automatischen Übergängen zwischen den Regelbetriebsarten. Außerdem sind genaue Strommesseingänge für den CI-Anteil vorhanden, die über die Versorgungsspannungen des Systems betrieben werden. Wie in Abbildung 3 dargestellt, erfasst der Controller den Dauerstrom des Induktors, als den Ladestrom. Der Strommessverstärker des Controllers muss dabei die Gleichtaktspannung tolerieren, die in diesem Falle 25 V beträgt.

Zusammenfassend kann festgestellt werden: Um die in der SC-Batterie gespeicherte Energie auf ein Höchstmaß zu bringen, schaltet man in den meisten Fällen am besten mehrere SC-Zellen in Reihe, um die hohen Batteriespannungen zu erreichen. Beim Aufladen ist die Verwendung einer CICV-Lademethode zu bevorzugen, um die hohen Ströme zu begrenzen, die sonst infolge des niedrigen ESR des SC beim Aufladen auf eine konstante Spannung fließen würden. Durch den Konstantstrom werden Ladeverluste innerhalb des SCs kontrollierbar. Auf diese Weise kann die Wärmeerzeugung reduziert und die Lebensdauer des SCs verlängert werden. Es ist deshalb für die Ladeschaltungen vorteilhaft, wenn sie hohe Spannungen tolerieren und eine CICV-Regelmöglichkeit bieten.

passend zum Thema


  1. Super-Caps zur Speicherung von Backup-Energie
  2. System-Design und Herausforderungen
  3. Konfiguration eines Supercap-Ladegeräts

Lesen Sie mehr zum Thema


Das könnte Sie auch interessieren

Jetzt kostenfreie Newsletter bestellen!

Weitere Artikel zu Intersil GmbH