Elektronik für Photovoltaik-Anlagen

Neue SiC-Module machen Solarwechselrichter effizienter

31. Mai 2024, 13:15 Uhr | Mike Zhu, Qorvo; Redaktion: Kathrin Veigel, Kathrin Veigel
BSW Solarbranche
Nahaufnahme einer Photovoltaikanlage, bei der polykristalline Siliziumzellen zum Einsatz kamen.
© BSW

Halbleiterschalter auf SiC-Basis zeichnen sich durch geringe Verluste, breiten Bandabstand sowie einfaches Design-in aus und eignen sich optimal für Solarwechselrichter. Solche SiC-FETs gibt es jetzt von Qorvo in Form eines hocheffizienten Moduls.

Diesen Artikel anhören

Solaranlagen gibt es in unterschiedlichen Größen: von einer gelegentlichen Stromquelle in einem häuslichen Mikronetz, die ein paar Hundert Watt erzeugt, bis hin zu Anlagen im Versorgungsbereich, die Tausende von Megawatt liefern. Egal, wie groß die Anlage ist, immer muss der Gleichstrom (DC) aus den Solarmodulen in eine Standard-Wechselspannung (AC) umgewandelt werden, damit er mit den vorhandenen Verbrauchern kompatibel ist oder in das Netz eingespeist werden kann.

Der Gleichstrom der Solarmodule wird dabei über einen MPPT-Regler (Maximum Power Point Tracking) auf einen DC-Zwischenkreis hochgesetzt, optionale Batterien am Zwischenkreis sorgen für eine kontinuierliche Versorgung und ein (oft bidirektionaler) Wechselrichter erzeugt Netzwechselstrom (Bild 1).

Bild 1. Grundriss einer Solaranlage Qorvo
Bild 1. Grundriss einer Solaranlage
© Qorvo

Aufgrund des breiten Leistungsspektrums findet nicht ein zentraler Hochleistungswechselrichter Verwendung, sondern es kommen zumeist Modulstränge mit mehreren Wechselrichtern zum Einsatz, deren Ausgänge parallelgeschaltet sind. Mehrere kleinere Wechselrichter sind zwar mit höheren Gesamtkosten verbunden, bieten aber Vorteile wie Skalierbarkeit sowie Fehlertoleranz und können ohne schweres Hebezeug verbaut werden. Den größten Marktanteil haben daher Wechselrichter von einigen kW bis 200 kW mit Zwischenkreisspannungen von 600 V bis 1.500 V.

Halbleiterschalter auf SiC-Basis bieten viele Vorteile

Halbleiterschalter für den Boost-/Aufwärtswandler und den Wechselrichter auf höheren Leistungsstufen waren bisher IGBTs, wobei Silizium-MOSFETs für Leistungen von mehreren kW in Frage kommen. Um jedoch einen höheren Wirkungsgrad und kleinere Anlagen zu erreichen, können Siliziumkarbid(SiC)-Schalter mit breiter Bandlücke (Wide Band-Gap, WBG) in Betracht gezogen werden. Diese sind mit einer Nennspannung von bis zu 1.700 V erhältlich, haben einen niedrigen Durchlasswiderstand und schalten bei hoher Frequenz mit geringen dynamischen Verlusten. Dies ermöglicht kleinere Magnete und folglich Einsparungen bei der Gesamtgröße, den Kosten und dem Gewicht.

SiC als WBG-Technologie bietet die Möglichkeit, hohe Spannungen zu blockieren, und verringert das Risiko eines Ausfalls durch terrestrische Neutronen- oder kosmische Strahlung, was für die Zuverlässigkeit von Solaranlagen wichtig ist.

Der Durchlasswiderstand eines SiC-MOSFETs (RDS(ON)) stellt jedoch bei hoher Leistung immer noch eine Einschränkung dar, da die Verlustleistung mit dem Quadrat des Stroms plus einem weiteren Multiplikator aufgrund des Temperaturanstiegs zunimmt – im Gegensatz zum nahezu linearen Anstieg bei IGBTs. Betrachtet man jedoch die Gesamtverluste des Bauelements einschließlich der Schaltverluste, so ist SiC immer noch deutlich effizienter als Silizium (Si). Hinzu kommt, dass SiC als Material eine dreimal bessere Wärmeleitfähigkeit bietet, so dass die Wärme schneller aus der Sperrschicht abgeführt wird als bei Si.

SiC-FETs sind leistungsfähiger als SiC-MOSFETs

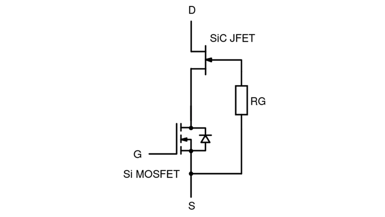
Die von Qorvo entwickelten SiC-FETs stellen in mehrfacher Hinsicht eine Verbesserung gegenüber einem SiC-MOSFET dar. Sie basieren auf der SiC-JFET-Technologie mit einer Kaskadenstruktur, um den RDS(ON) weiter zu senken und einer Silber-Sinter-Die-Befestigung, um die thermische Leistungsfähigkeit zu verbessern und die Sperrschichttemperatur in Grenzen zu halten. Diese Kaskadenkombination aus einem SiC-JFET und einem Silizium-MOSFET (Bild 2) weist eine hohe Güte (Figure of Merit, FOM) für Leitungs- und Schaltverluste auf.

Bild 2. SiC-FET-Kaskadenanordnung Qorvo
Bild 2. SiC-FET-Kaskadenanordnung
© Qorvo

Gleichzeitig ist der SiC-FET normalerweise ausgeschaltet und verfügt über eine einfache, unkritische Gate-Ansteuerung (typ. 0 V bis 12 V) mit einem stabilen Schwellenwert von etwa 5 V. Im Vergleich dazu benötigt ein SiC-MOSFET eine bestimmte hohe Gate-Ansteuerspannung für die volle Verstärkung (etwa 20 V), die sehr nahe an seinem absoluten Maximum liegt, und er kann Probleme mit der Gate-Schwellenstabilität haben.

Die integrierte Body-Diode des SiC-MOSFETs leitet in einigen Anwendungen, zum Beispiel während der Schalttotzeit bei induktiven Lasten, was zu Ladungsrückgewinnung und Leistungsverlusten in Durchlassrichtung führt. Der SiC-FET hingegen ist genauso schnell wie ein SiC-MOSFET, hat aber einen viel geringeren Durchlassspannungsabfall, was für mehr Effizienz sorgt. Auch andere Parameter wie die gesamte Gate-Ladung, die Ausgangskapazität und die Schaltenergie sind besser als bei SiC-MOSFETs.

SiC-FET-E1B-Module von Qorvo

Bisher waren SiC-FETs in verschiedenen diskreten Gehäusen (TO-247, -220, -263, TOLL etc.) erhältlich und wurden für Anwendungen bis zu 10 kW eingesetzt. Qorvo bietet nun Bauteile im Standard-E1B-Modulformat an, die für Hochleistungsanwendungen wie Solar-Boost-DC/DC- und DC/AC-Wechselrichter sowie für EV-Ladegeräte und industrielle AC/DC-Märkte bestimmt sind (Bild 3).

Bild 3. E1B-Modulgehäuse für SiC-FETs Qorvo
Bild 3. E1B-Modulgehäuse für SiC-FETs
© Qorvo

Die für 1.200 V ausgelegten Halbbrückenmodule enthalten zwei SiC-FETs sowie einen Temperatursensor und sind mit RDS(ON)-Werten von 19 mΩ bzw. 9,4 mΩ erhältlich. Der maximale Dauerstrom beträgt 69 A bzw. 100 A bei einer Gehäusetemperatur von 25 °C. Vollbrückenmodule mit vier SiC-FETs und einem Wärmesensor weisen RDS(ON)-Werte von 70 mΩ und 35 mΩ auf und sind für 24 A bzw. 36 A bei einer Gehäusetemperatur von 25 °C ausgelegt.

Bild 4. SiC-FET-E1B-Module in einem Solar-Leistungswandler Qorvo
Bild 4. SiC-FET-E1B-Module in einem Solar-Leistungswandler
© Qorvo

Die enge Integration des Chips in das Modul ermöglicht eine genaue EMI-Kontrolle und einen Hochfrequenzbetrieb ohne die Einschränkungen und die Variabilität, die durch die Verbindung mehrerer diskreter Bauelemente entstehen. Diese Integration vereinfacht auch das thermomechanische Design und die Montage und trägt dazu bei, die Systementwicklungszeit zu verkürzen. Bild 4 zeigt den möglichen Einsatz von E1B-Modulen in einem Solar-Boost-Konverter und -Wechselrichter.

Leistungsmerkmale der Qorvo-SiC-FETs

Unter WBG-Bauelementen und traditionellen Si-Bauelementen haben SiC-FETs die besten FOM-Werte für den Durchlasswiderstand bei einer gegebenen Chipfläche RDS(ON) × A und mit der Ausgangskapazität RDS(ON) × COSS sowie der zugehörigen Schaltenergie RDS(ON) × EOSS. Hervorzuheben ist, dass diese FOMs bei 125 °C als auch bei 25 °C immer noch vor konkurrierenden Bauelementen liegen.

SiC-FETs weisen daher in jeder weich oder hart geschalteten Anwendung eine Kombination aus niedrigen Leitungs- und Schaltverlusten auf, die vorteilhaft ist, wenn man die gleiche Spannungsklasse von Bauelementen über einen realistischen Betriebstemperaturbereich vergleicht.

Zudem verfügen die SiC-FET-E1B-Module über ein durchdachtes Wärmemanagement aufgrund einer Silber-Sinter-Die-Befestigung, die eine Wärmeleitfähigkeit von 130 W/mK bis 250 W/mK aufweist – verglichen mit herkömmlicher Löttechnik mit 23 W/mK bis 53 W/mK. Daraus ergibt sich ein Wärmewiderstand von der Verbindungsstelle zum Gehäuse von nur 0,23 °C/W für das 1.200-V-100-A-Halbbrücken-E1B-Modul (UHB100SC12E1BC3N).

Bei Modulen mit Stack-Die-Befestigung (Si-Low-Voltage-MOSFET auf SiC-JFET) ist die Power-Cycling-Fähigkeit im Vergleich zu Modulen auf SiC-MOSFET-Basis um mehr als doppelt so hoch, was der Leistungsfähigkeit von Si entspricht. Dies liegt daran, dass beim Stacking die hochstromführenden Source-Drahtbonds an den weniger starren Si-MOSFET angebracht werden. Dies verringert die thermomechanische Belastung während des Power-Cycling-Tests und verlängert so die Produktlebensdauer.

Mit SiC-FETs den Wirkungsgrad optimieren

Leistungswandler können im Soft-Switching-Modus betrieben werden, um die dynamischen Verluste zu minimieren, was aber bei Aufwärtswandlern und höheren Leistungspegeln nicht der Fall ist. Dies dient dazu, den kontinuierlichen Stromfluss (Continuous Conduction Mode, CCM) aufrechtzuerhalten und die Strombelastungen in überschaubaren Grenzen zu halten.

Da es sich um einen hart geschalteten FET handelt, müssen die Übergänge sorgfältig gesteuert werden, um die dynamischen Verluste aufgrund von Spannungs- und Stromüberlappungen zu minimieren. Dies erfolgt durch die Auswahl eines optimalen Gate-Serienwiderstands mit unterschiedlichen Werten für das Ein- und Ausschalten über eine Gate-Diode. Bei einem SiC-FET ist das Gate des SiC-JFETs jedoch nicht zugänglich, und der Serienwiderstand ist auf dem Chip festgelegt und nicht anpassbar.

Alternativ kann ein kleiner Snubber verwendet werden, der nur aus SMD-Bauteilen besteht. Qorvo hat nachgewiesen, dass diese Lösung einen geringeren Verlust aufweist, selbst wenn man die Verlustleistung im Snubber mit einbezieht. Die Messwerte in Bild 5 (links) zeigen einen Rückgang der Verlustleistung bei einem harten Einschaltvorgang um etwa 32 Prozent unter Verwendung eines Snubbers und des E1B-Moduls von Qorvo – im Vergleich zu einem anderen Bauteil mit Flankenraten, die durch einen Snubber und einen Gate-Widerstand kontrolliert werden. Bild 5 (Mitte) zeigt einen noch größeren Vorteil von 53 Prozent weniger Gesamtenergie beim Ausschaltvorgang eines hart schaltenden Wandlers mit E1B-Modul und Snubber.

Wandler mit Soft-Switching (Zero Voltage Switching, ZVS) weisen Einschaltverluste von nahezu null auf. In diesem Fall wird die Energie der Snubber-Kapazität während des Einschaltvorgangs zurückgewonnen und verursacht keine Einschaltverluste, wie sie bei einem hart geschalteten Einschaltvorgang auftreten. Bild 5 (rechts) zeigt die Verlustleistung beim Ausschalten mit einem Soft-Switching-ZVS-Übergang: Der Qorvo-Baustein mit Snubber weist 74 Prozent weniger Verlustleistung auf als der andere Baustein.

Bild 5. SiC-E1B-Modul UHB100SC12E1BC3N Schaltverlust-Benchmark mit SiC-MOSFET und empfohlenem Snubber Qorvo
Bild 5. SiC-E1B-Modul UHB100SC12E1BC3N Schaltverlust-Benchmark mit SiC-MOSFET und empfohlenem Snubber
© Qorvo

Die dynamischen Verluste lassen sich so steuern, dass sie die niedrigsten ihrer Klasse sind. Zusammen mit einem Einschaltwiderstand im mΩ-Bereich und einer hohen Avalanche- und Kurzschlussfestigkeit stellen SiC-FETs ein optimales Angebot für hocheffiziente Solarwandler-/Wechselrichterdesigns dar.

Die E1B-SiC-FET-Module werden von Qorvos eigenem Hochleistungssimulator QSPICE und Online-FET-Jet-Rechner unterstützt, was eine schnelle Evaluierung und einen Vergleich der Bauteile in verschiedenen Schaltanordnungen ermöglicht.

Mike Zhu, Qorvo
Mike Zhu, Qorvo
© Qorvo

Der Autor

Mike Zhu
ist Application Engineer bei Qorvo.

passend zum Thema


Lesen Sie mehr zum Thema


Das könnte Sie auch interessieren