DC-DC-Wandler

Anforderungen an MLCCs reduzieren

15. Juni 2021, 08:22 Uhr | Zhongming Ye, Analog Devices, Ralf Higgelke
Murata, MLCC
© Murata

Der wachsende Bedarf an Stromversorgungen hat dazu geführt, dass das Preisniveau von Keramikkondensatoren (MLCCs) stark gestiegen ist. DC-DC-Wandler mit hohem Wirkungsgrad, hoher Schaltfrequenz und geringer Störabstrahlung reduzieren die Anforderungen an MLCCs.

Diesen Artikel anhören

Fortsetzung des Artikels von Teil 2

Niedrige Störabstrahlung

Wenn mit einer 15-A-Anwendung die einschlägigen EMI-Spezifikationen (z. B. die CISPR 22/CISPR 32) eingehalten werden sollen, sind für das Leiterplattendesign unter Umständen mehrere Iterationen erforderlich, um unterschiedliche Abwägungen zwischen Größe, Gesamtwirkungsgrad, Zuverlässigkeit und Komplexität vorzunehmen.

 In traditionellen Konzepten mindert man die Störabstrahlung, indem man die Schaltflanken abflacht und/oder die Schaltfrequenz herabsetzet. Leider sinkt dadurch der Wirkungsgrad, es müssen längere minimale Ein- und Ausschaltzeiten vorgesehen werden und die Lösung wird größer.

Die Abstrahlung mit Brute-Force-Methoden einzudämmen – beispielsweise durch Verwendung komplizierter und sperriger EMI-Filter oder Metallabschirmungen – führt zu erheblichen Mehrkosten durch die größere Leiterplattenfläche, zusätzlich benötigte Bauteile und erhöhten Montageaufwand, während das Wärmemanagement und das Testen ebenfalls komplizierter werden.

Die proprietäre Silent-Switcher-2-Architektur von Analog Devices bedient sich verschiedener Techniken, um die Störabstrahlung zu mindern, darunter die Integration der Hot-Loop-Kondensatoren, um die störenden Antennengrößen zu reduzieren. Beim LTC7151S wird das EMI-Niveau gering gehalten, indem leistungsfähige MOSFETs und Treiber in den Baustein integriert sind, sodass die IC-Designer einen Baustein mit minimiertem Schwingen am Schaltknoten realisieren konnten. Das Ergebnis ist, dass sich die in der Kommutierungsschleife gespeicherte Energie selbst bei sehr steilen Schaltflanken genau kontrollieren lässt. Dies wiederum führt zu außergewöhnlich guten EMI-Eigenschaften, gleichzeitig sinken die Schaltverluste auch bei hohen Schaltfrequenzen.

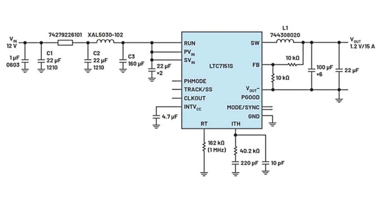
Der LTC7151S wurde in einer EMI-Prüfkammer getestet und erfüllte mit einem einfachen vorgeschalteten EMI-Filter die Grenzwerte gemäß CISPR 22/CISPR 32 für leitungsgebundene und abgestrahlte Störgrößen. Bild 8 zeigt den Schaltplan einer 1-MHz-Schaltung mit 1,2 V/15 A, während Bild 9 das EMI-Testergebnis für CISPR 22 in einer GTEM-Zelle (Gigahertz Transveral Electromagnetic) wiedergibt.

Analog Devices, Buck Converter, LTC7151S
Bild 9: Die elektromagnetische Störabstrahlung in der GTEM-Zelle erfüllt die Grenzwerte gemäß CISPR 22 Klasse B.
© Analog Devices
Analog Devices, Buck Converter, LTC7151S
Bild 8: Schaltplan eines 1,2-V-Reglers mit 1 MHz Schaltfrequenz.
© Analog Devices

Referenzen

[1] Ralf Higgelke: Interview mit Bob Dobkin, CTO von Linear Technology: »Wir haben von Digital sehr profitiert«, DESIGN&ELEKTRONIK 2017/03 9ff.


  1. Anforderungen an MLCCs reduzieren
  2. Ausgangskapazität minimieren
  3. Niedrige Störabstrahlung


Lesen Sie mehr zum Thema


Das könnte Sie auch interessieren