DC-DC-Wandler

Anforderungen an MLCCs reduzieren

15. Juni 2021, 10:22 Uhr | Zhongming Ye, Analog Devices, Ralf Higgelke
Murata, MLCC
© Murata

Der wachsende Bedarf an Stromversorgungen hat dazu geführt, dass das Preisniveau von Keramikkondensatoren (MLCCs) stark gestiegen ist. DC-DC-Wandler mit hohem Wirkungsgrad, hoher Schaltfrequenz und geringer Störabstrahlung reduzieren die Anforderungen an MLCCs.

Diesen Artikel anhören

Fortsetzung des Artikels von Teil 1

Ausgangskapazität minimieren

Die Ausgangskapazität wird in der Regel so dimensioniert, dass sie die Anforderungen bezüglich der Regelkreisstabilität und des Lastsprungverhaltens erfüllt. Besonders strikt sind diese Vorgaben bei Stromversorgungen, die die Spannungen für Prozessorkerne liefern müssen, wobei die bei Lastsprüngen auftretenden Über- und Unterschwinger genau zu kontrollieren sind. Steigt der Laststrom beispielsweise sprunghaft an, muss die Ausgangskapazität einspringen und diesen Strom kurzzeitig bereitstellen, bis die Regelung reagiert und die Stromversorgung genügend Strom liefert. Dazu ordnet man am Ausgang eine große Zahl von MLCCs an.

Analog Devices, Buck Converter, LTC7151S
Bild 3: Diese Schaltung, die eine Eingangsspannung von 5 V und eine Ausgangsspannung von 1 V herunterwandelt, arbeitet mit 2 MHz Schaltfrequenz benötigt ein Minimum an Kapazität für eine schnelle und saubere Reaktion auf Lastsprünge.
© Analog Devices

Zusätzlich oder alternativ hierzu lässt sich die Schaltfrequenz erhöhen, damit die Regelschleife schneller reagiert, was allerdings höhere Schaltverluste mit sich bringt.

Es gibt jedoch noch eine dritte Möglichkeit, denn Regler mit Valley-Current-Regelung können die TON- und TOFF-Zeiten dynamisch verändern, um die Anforderungen von Lastsprüngen nahezu verzögerungsfrei zu erfüllen (Bild 3). Somit lassen sich kurze Reaktionszeiten auch mit deutlich geringeren Ausgangskapazitäten erreichen.

Analog Devices, Buck Converter, LTC7151S
Bild 5: Signalverläufe während eines Lastsprungs für die Schaltung aus Bild 3.
© Analog Devices
Analog Devices, Buck Converter, LTC7151S
Bild 4: Signalverläufe für die Schaltung aus Bild 3.
© Analog Devices

In den Bildern 4 und 5 ist das Verhalten des LTC7151S bei einem Lastsprung zu sehen, bei dem sich der Laststrom mit einer Anstiegsgeschwindigkeit von 8 A/µs von 4 A auf 12 A ändert. Die COT-Valley-Current-Regelung (Controlled On-Time) komprimiert die Impulse am Schaltknoten während des Lastsprungs. Schon etwa 1 µs nach Beginn der steigenden Flanke fängt die Ausgangsspannung an sich zu regenerieren, wobei die Über- und Unterschwinger auf 46 mV (Peak-to-Peak) begrenzt werden. Die in Bild 3 gezeigten drei Keramikkondensatoren von je 100 µF reichen aus, um die typischen Spezifikationen für einen Lastsprung zu erfüllen. In Bild 5 sind die typischen Schalt-Signalverläufe während eines Lastsprungs zu sehen.

Der LTC7151S enthält die MOSFETs, die Treiber und die Kondensatoren für die Kommutierungsschleife (Hot Loop). Da diese Bauelemente auf engstem Raum gebündelt sind, reduzieren sich die parasitären Effekte, sodass Schalter mit sehr knapp bemessenen Totzeiten schnell ein- und ausschalten können. Die Leitungsverluste der antiparallelen Diode der Schalter werden deutlich vermindert. Darüber hinaus verringern der integrierte Hot-Loop-Entkopplungskondensator und die eingebaute Kompensationsschaltung die Komplexität des Designs, sodass die Gesamtlösung nur ein Minimum an Platz benötigt.

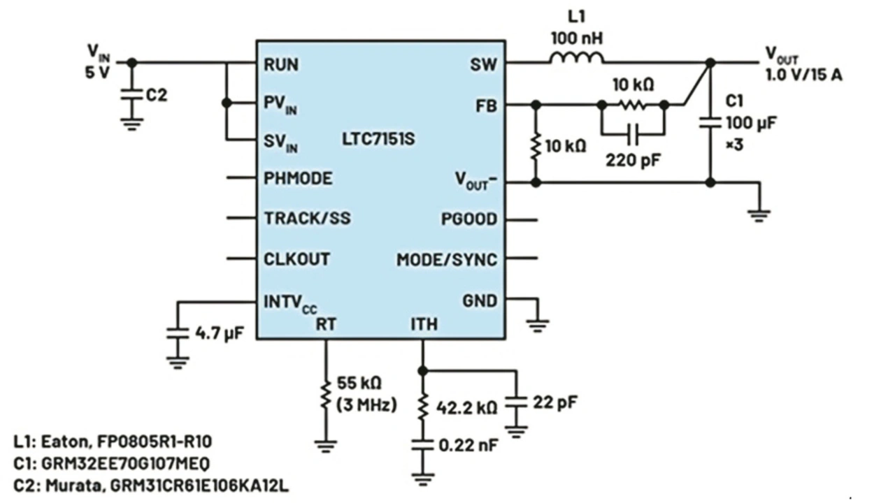
Wie bereits erwähnt, erlaubt die minimale Einschaltzeit des oberen Schalters von typisch 20 ns einen Betrieb mit sehr geringem Tastverhältnis bei hoher Schaltfrequenz. Entwickler können den Baustein daher mit sehr hohen Frequenzen von beispielsweise 3 MHz betreiben, um die Werte (und damit die Abmessungen) der Induktivität und der Eingangs- und Ausgangskondensatoren zu verringern. Platzintensive Kühlkomponenten wie etwa Lüfter oder Kühlkörper sind bei Verwendung des LTC7151S nicht nötig, da der Baustein auch bei sehr hohen Schaltfrequenzen sehr effizient arbeitet.

Analog Devices, Buck Converter, LTC7151S
Bild 7: Wirkungsgradverlauf des Wandlers aus Bild 6.
© Analog Devices
Analog Devices, Buck Converter, LTC7151S
Bild 6: Schaltplan eines Wandlers von 5 V Eingangsspannung auf 1 V/15 A mit einer Schaltfrequenz von 3 MHz.
© Analog Devices

  1. Anforderungen an MLCCs reduzieren
  2. Ausgangskapazität minimieren
  3. Niedrige Störabstrahlung


Lesen Sie mehr zum Thema


Das könnte Sie auch interessieren