Solar-Ladeschaltungen

Hoher Wirkungsgrad auch bei geringer Beleuchtungsstärke

13. November 2014, 13:18 Uhr | Von Jay Celani
Diesen Artikel anhören

Fortsetzung des Artikels von Teil 3

Ladeschaltung für einen Bleisäureakku

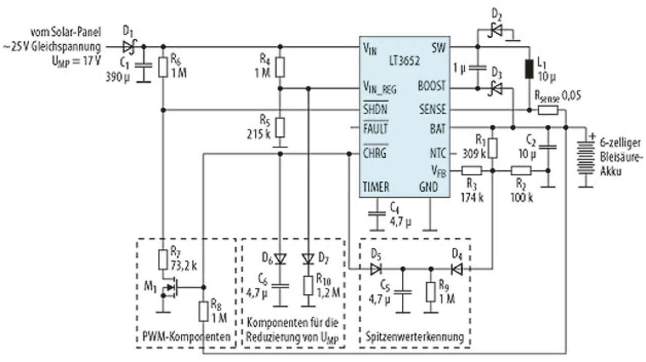
2-A-Ladeschaltung für einen sechszelligen Bleisäureakku, der aus einer Solarzelle mit UMP = 17 V und UMP-Tracking bei geringen Strömen gespeist wird
Bild 8. 2-A-Ladeschaltung für einen sechszelligen Bleisäureakku, der aus einer Solarzelle mit UMP = 17 V und UMP-Tracking bei geringen Strömen gespeist wird.
© Linear Technology

Die LT3652-Ladeschaltung für einen Bleisäureakku in Bild 8 gleicht der Ladeschaltung für den Akku in Bild 6, verringert aber auch die Eingangsregelungsspannung VIN_REG , wenn der Ladestrom unter 200 mA liegt. Dies erhöht den Wirkungsgrad der Solarzelle durch Nachführen der Reduzierung der Charakteristika in UMP bei kleinen Strömen.

Das UMP-Nachführen ist durch das Hinzufügen von R10 zum Eingangsregelungsteiler von R4 und R5 implementiert. R10 wird mit dem Aufsummierknoten der Eingangsregulierung über eine Dioden-O-Ring-Schaltung (D6 und D7) verbunden. Wenn der /CHRG-Pin auf High ist, wird R10 über die in Sperrrichtung vorgespannten D7 effektiv vom Summierungsknoten entkoppelt, was die Spannung VIN_REG von 17 V auf 15 V senkt.

Wenn die Ladeschaltung wegen geringer Beleuchtungspegel keine ausreichende Eingangsleistung erhält, wird der Ladestrom über die Eingangsregelschleife reduziert, um die Spannung UMP der Solarzelle auf 17 V zu halten. Wenn der Ladestrom unter 200 mA sinkt, beginnt der PWM-Betrieb der Ladeschaltung und die Regelungsschaltschwelle wird auf die Erhaltungsladung reduziert wie in der vorherigen Akkuladeschaltung für Bleisäureakkus. Zusätzlich reduziert diese Ladeschaltung VIN_REG auf 15 V und führt die Reduzierung der UMP der Solarzelle bei kleinen Strömen nach.

D6 und C6 implementieren ein Spitzenerkennungsfilter ähnlich dem vorher beschriebenen mit D5 und C5. Dieses Filter erhält eine kontinuierliche Vorspannung in Sperrrichtung an D7, was die Eingangsregelspannung der Ladeschaltung während des PWM-Betriebs auf 15 V bei geringen Beleuchtungspegeln festhält. Die PWM-Steuerungskomponenten (M1 und R6 bis R8) implementierten Schaltschwellen von 16 V (untere) und 17,5 V (obere). Während des PWM-Betriebs steigt die Spannung an VIN von der Eingangsregelspannung von 15 V auf die obere UVLO-Schaltschwelle von 17,5 V an, was einer durchschnittlichen Solarzellenspannung von rund 16,25 V entspricht. Diese Ladeschaltung maximiert sowohl den Wirkungsgrad der Wandlung der Ladeschaltung als auch den Wirkungsgrad der Ausgangsleistung der Solarzelle durch Reduzieren der Solarzellenspannung über den PWM-Betrieb während der Perioden mit geringer Beleuchtung.

 

Der Autor

Anbieter zum Thema

zu Matchmaker+

Jay Celani

 

ist Design Engineer im Bereich Power Management Products bei der Linear Technology Corporation.

 

jcealani@inear.com



  1. Hoher Wirkungsgrad auch bei geringer Beleuchtungsstärke
  2. Li-Ionen-Ladeschaltung mit hohem Wirkungsgrad
  3. Bleisäureakku-Ladeschaltung mit hohem Wirkungsgrad
  4. Ladeschaltung für einen Bleisäureakku

Lesen Sie mehr zum Thema


Das könnte Sie auch interessieren

Jetzt kostenfreie Newsletter bestellen!