Für 10BASE-T1S und darüber hinaus

Robuster ESD-Schutz für Automotive Ethernet

7. Juli 2025, 13:31 Uhr | Andreas Hardock, Nexperia
Adobe Schmuckbild Autoverkabelung
© gufron/stock.adobe.com

Mit der Verbreitung von Automotive Ethernet, insbesondere von 10BASE-T1S, steigen die Anforderungen an den ESD-Schutz. Klassische Schutzkonzepte reichen hier oft nicht mehr aus. Zuverlässigen, langfristigen Schutz versprechen siliziumbasierte Lösungen - wie die PESD1ETH10L-Q-Serie von Nexperia.

Diesen Artikel anhören

Das Automotive Ethernet wird immer mehr zum Rückgrat der Fahrzeugkommunikation. Während frühere Systeme auf CAN, LIN oder FlexRay basierten, beschleunigen die Anforderungen von Fahrassistenzsystemen, Zonenarchitekturen und zentralisierten Rechnersystemen die Einführung von Ethernet-Protokollen, insbesondere von Single-Pair-Ethernet-Standards wie 10BASE-T1S, 100BASE-T1 und 1000BASE-T1.

Vor allem 10BASE-T1S gewinnt aufgrund seiner Fähigkeit, mehrere Knoten über ein einziges ungeschirmtes Twisted-Pair-Kabel (UTP-Kabel) zu verbinden, immer mehr an Bedeutung. Es ist eine kostengünstige und platzsparende Alternative zu herkömmlichen Punkt-zu-Punkt-Architekturen und eignet sich somit ideal für Body Domain Controller und Sensornetzwerke. Jedoch bringt das Aufkommen dieser Systeme neue Anforderungen mit sich, insbesondere hinsichtlich eines effektiven und anwendungsgerechten Schutzes vor elektrostatischer Entladung (ESD).

Tabelle 1: Überblick über Normen und Standards für das Automotive Ethernet 10Base-T1S
Tabelle 1: Überblick über Normen und Standards für das Automotive Ethernet 10Base-T1S
© Nexperia

Balance zwischen hoher Spannungstoleranz und Signalintegrität

Bei der Entwicklung eines ESD-Schutzes für Ethernet-basierte automobile Netzwerke stellt sich eine ganze Reihe miteinander verbundener Herausforderungen.

Ein Hauptanliegen ist, dass die Komponenten hohe Triggerspannungen unterstützen müssen. Die OPEN Alliance schreibt vor, dass ESD-Schutzkomponenten für UTP-basierte Ethernet-Schnittstellen eine Triggerspannung von mehr als 100 V aufweisen müssen. Dieser hohe Schwellenwert verhindert, dass Komponenten bei Störungen in Zusammenhang mit elektromagnetischer Verträglichkeit, die in Umgebungen häufig auftreten, in denen sich Ethernet-Kabel, Stromleitungen und andere Signalträger den gleichen Raum teilen, unbeabsichtigt aktiviert werden.

Eine weitere Herausforderung besteht in der Minimierung parasitärer Kapazität. In 10BASE-T1S-Netzwerken, in denen bis zu 50 Knoten gemeinsam ein einziges Kabel nutzen, kann übermäßige Kapazität die Signalintegrität beeinträchtigen. Daher müssen ESD-Komponenten so konstruiert sein, dass die Kapazität deutlich unter einem Picofarad bleibt.

Das Klemmspannungsverhalten ist ebenso kritisch. Während eines ESD-Ereignisses muss die Schutzkomponente die Spannung, die das System erreicht, wirksam begrenzen, ohne dass schädliche elektrische Energie empfindliche Transceiver beschädigen kann. Komponenten mit zu hoher Klemmspannung können das System möglicherweise nicht ausreichend schützen.

Auch die Langlebigkeit ist entscheidend. Automobilsysteme müssen über ihre gesamte Lebensdauer hinweg unter rauen Betriebsbedingungen zuverlässig funktionieren. Eine ESD-Schutzkomponente, die nach wiederholten Entladungen schlechter wird, gefährdet die gleichbleibende Leistung und langfristige Zuverlässigkeit.

Schließlich ist auch die Kompatibilität mit PoDL-Systemen (Power over Data Line) erforderlich. Ethernet-Implementierungen, die Daten und Strom über dasselbe Twisted-Pair-Kabel übertragen, benötigen Schutzkomponenten, die einer kontinuierlichen Belastung von bis zu 48 V oder mehr standhalten, ohne Leck- oder Durchbruchspannung.

Definition einer neuen Klasse von ESD-Schutz für das Automotive Ethernet

Moderner ESD-Schutz für Ethernet-Schnittstellen muss all diese Anforderungen adressieren und zugleich die Signalintegrität und langfristige Zuverlässigkeit gewährleisten. Unter den derzeit verfügbaren Technologien haben sich siliziumbasierte Snapback-Dioden als besonders effektiv erwiesen. Diese Komponenten schneiden im Vergleich zu herkömmlichen varistorbasierten Alternativen gut ab, weil sie die Klemmspannung deutlich reduzieren und somit das System viel besser schützen.

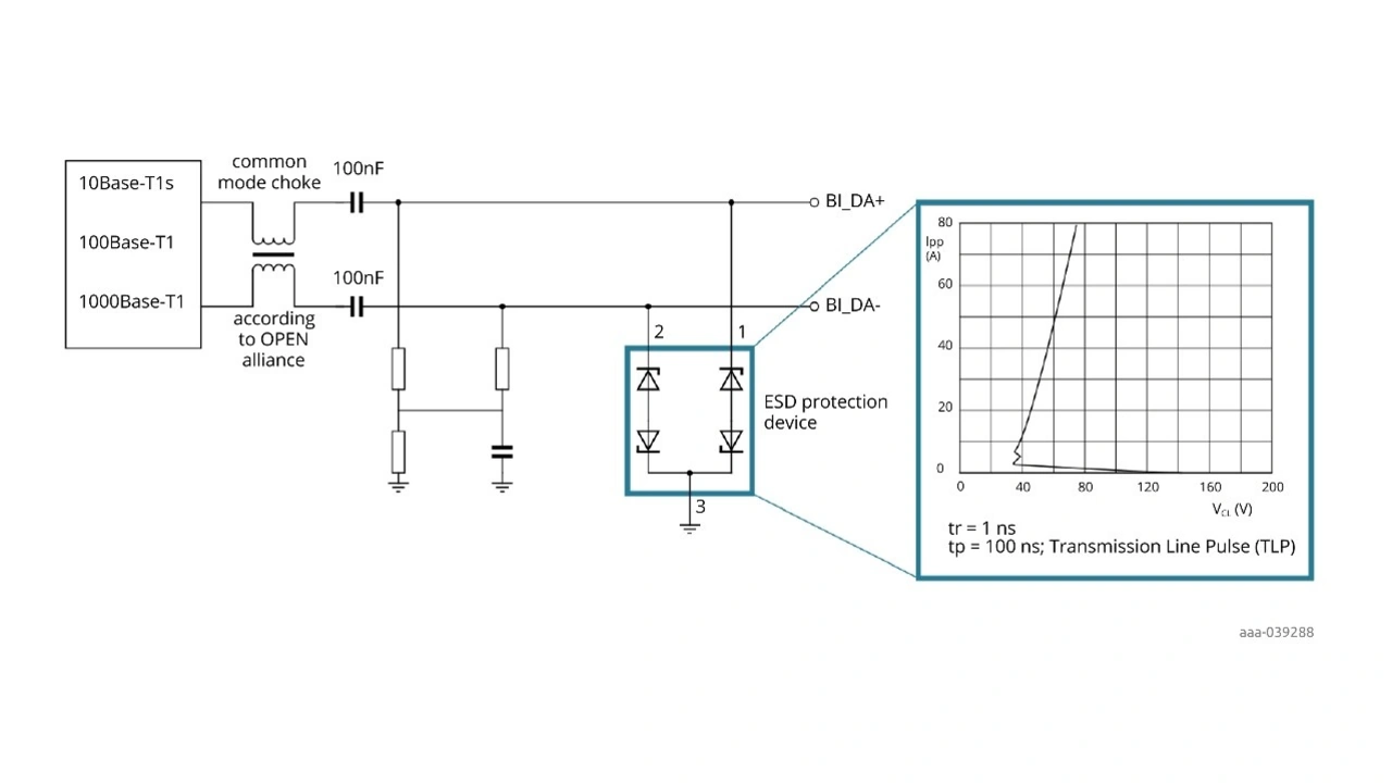
Bild 1: Einheitlicher Schaltplan für 10BASE-T1S-, 100BASE-T1- und 1000BASE-T1-Schnittstellen
Bild 1: Einheitlicher Schaltplan für 10BASE-T1S-, 100BASE-T1- und 1000BASE-T1-Schnittstellen
© Nexperia

Ethernet-Varianten wie 10BASE-T1S, 100BASE-T1 und 1000BASE-T1 unterscheiden sich zwar in ihrer Geschwindigkeit und physischen Konfiguration (siehe Bild 1), haben jedoch gemeinsame Schutzanforderungen. Die Komponenten müssen mehrere kritische Spezifikationen erfüllen: Die Triggerspannung sollte 100 V überschreiten, während die Sperr- und Haltespannungen (VRWM und VH) über 24 V bleiben müssen. Die ESD-Robustheit ist definiert als die Fähigkeit, Kontaktentladungen von 15 kV über mindestens 1000 Entladungen hinweg standzuhalten. Darüber hinaus sollten die Komponenten ein kontrolliertes Klemmverhalten und einen minimalen Reststrom aufweisen. Insbesondere für 10BASE-T1S sollte die parasitäre Kapazität zwei Picofarad (2 pF) nicht überschreiten, wobei der optimale Kapazitätswert mit 0,5 pF deutlich niedriger liegt.

Höhere Triggerspannungen sind in Anwendungen mit UTP-Verkabelung unerlässlich, weil diese nicht über die Abschirmung wie bei geschirmten Twisted-Pair-Kabeln (STP-Kabeln) verfügt. Im Gegensatz dazu bieten STP-Kabel, die in einigen 1000BASE-T1-Implementierungen verwendet werden, eine Abschirmwirkung, die 40 dB überschreiten kann. Dieser zusätzliche Schutz verringert die Anfälligkeit für elektromagnetische Störungen und ermöglicht einen größeren Bereich von Spezifikationen für ESD-Schutzkomponenten, einschließlich niedrigerer Triggerspannungen.

Während die Gesamttopologie mit UTP-Kabeln, Standardsteckverbindern und ähnlichem Layout gleichbleibt, gibt es wesentliche Unterschiede bei Transceiver-Eigenschaften, Spezifikationen für Gleichtaktdrosseln (CMC) und Werten der Abschlusswiderstände.

Technologievergleich: Varistor vs. Silizium

Varistoren, wie beispielsweise Metalloxid-Varistoren (MOV), werden seit langem als grundlegende ESD-Entstörer eingesetzt. Wegen ihres einfachen Aufbaus und ihrer inhärent niedrigen Kapazität sind sie für viele Schaltungen eine naheliegende Wahl. Ihre hohen und oft ungleichmäßigen Klemmspannungen sowie ihre Neigung zur Degradation bei wiederholter ESD-Einwirkung schränken ihre Wirksamkeit in modernen Automobilsystemen jedoch ein. Durch diese Eigenschaften sind sie für den Schutz empfindlicher Ethernet-Transceiver in Anwendungen mit hohen Anforderungen an die Zuverlässigkeit ungeeignet.

Siliziumbasierte Snapback-Bauelemente bieten im Gegensatz dazu eine robustere Lösung. Sie bieten hohe Triggerspannungen, oft um 140 V, und niedrigere Klemmspannungen nahe 40 V. Diese Leistung verringert das Risiko von Schäden in nachgeschalteten Schaltkreisen erheblich. Ihre Kapazität kann so ausgelegt werden, dass sie unter 0,4 pF bleibt, wodurch sie sich besonders gut für 10BASE-T1S-Netzwerke eignen. Vor allem aber behalten diese Bauelemente ihre Schutzeigenschaften auch bei wiederholten ESD-Ereignissen bei und erhalten so die Signalintegrität über lange Zeit.

Nexperia-Komponenten in der Praxis

Als Beispiel für diese Klasse von ESD-Schutz sind die Komponenten der PESD1ETH10L-Q-Serie von Nexperia so ausgelegt, dass sie die Anforderungen der OPEN Alliance erfüllen. Sie verfügen über eine Sperrspannung VRWM von 75 V und eine typische Bauelementkapazität von 0,35 pF. Mit ihrer Triggerspannung von ca. 140 V und einer Klemmspannung von ca. 40 V liegen sie gut im Zielbereich für schnelle, rauscharme Automobilanwendungen.

Tabelle 2: ESD-Schutzkomponenten der Serie PESD1ETH10L-Q von Nexperia
Tabelle 2: ESD-Schutzkomponenten der Serie PESD1ETH10L-Q von Nexperia
© Nexperia

Die Komponenten sind in kompakten DFN1006-Gehäuseformaten erhältlich. Die Variante PESD1ETH10LS-Q verfügt über seitlich benetzbare Flanken und ist somit mit automatisierter optischer Inspektion kompatibel. Weitere Gehäusevarianten werden derzeit entwickelt, um eine Vielzahl von Designkonfigurationen zu unterstützen.

Von einem unabhängigen Labor durchgeführte Tests bestätigen die Leistung des PESD1ETH10LS-Q bei allen wichtigen Kriterien. Aufgrund der geringen Kapazität der Komponente zeigen Tests der Mixed-Mode-S-Parameter hervorragende Ergebnisse bei Rückflussdämpfung, Einfügungsdämpfung und Modus-Umwandlung. Weitere Prüfungen haben gezeigt, dass die Komponente Kontaktentladungen von 8 kV ohne Leistungsverschlechterung standhält. Bewertungen des Reststroms mit 15-kV-Impulsen gemäß IEC 61000-4-2 haben bestätigt, dass das siliziumbasierte Design die Anforderungen der Klasse III erfüllt. Vergleichbare Tests mit Varistoren zeigen häufig Überschreitungen dieser Grenzwerte (siehe Bild 2).

Bild 2: Der Reststrom von Varistoren überschreitet deutlich die von der OPEN Alliance festgelegten Grenzwerte für ESD-Schutzkomponenten
Bild 2: Der Reststrom von Varistoren überschreitet deutlich die von der OPEN Alliance festgelegten Grenzwerte für ESD-Schutzkomponenten
© Nexperia

Unterstützung für PoDL-Architekturen

Im Standard IEEE 802.3bu werden PoDL-Fähigkeiten mit Spannungen bis zu 48 V beschrieben, die über Single-Pair-Ethernet übertragen werden. In der Praxis heißt dies, dass ESD-Schutzkomponenten einer kontinuierlichen Belastung durch erhöhte Spannungen ohne erhöhten Leckstrom oder vorzeitige Abschaltung standhalten müssen.

Schutzkomponenten mit einer nominalen Sperrspannung VRWM von 75 V, wie die im Portfolio von Nexperia, können PoDL-Schaltungen in Fahrzeugen und Systemen der aktuellen Generation schützen, bei denen zukünftige Spannungserhöhungen zu erwarten sind. Diese Spannungstoleranz vereinfacht das Schaltungsdesign in Zonenarchitekturen, in denen ein einziges Kabel sowohl Strom als auch Kommunikationssignale übertragen kann. Wie in Bild 3 dargestellt, das eine typische PoDL-Topologie für das Automotive Ethernet nach Industriestandard zeigt, ist die ESD-Schutzkomponente direkt der gesamten Spannung ausgesetzt, die vom Stromversorgungsgerät (PSE; Power Sourcing Equipment) an das stromversorgte Gerät (PD; Powered Device) geliefert wird. Dank ihrer VRWM-Nennspannung von 75 V bieten Schutzkomponenten wie PESD2ETH10LS-Q und PESD2ETH10L-Q einen robusten und zukunftssicheren Schutz in solchen Konfigurationen.

Bild 3: PoDL-Topologie für das Automotive Ethernet
Bild 3: PoDL-Topologie für das Automotive Ethernet
© Nexperia

Fazit: Auf dem Weg zu einer einheitlichen Schutzstrategie

Der Einsatz von Ethernet in Fahrzeugen bringt neue Anforderungen an die elektromagnetische Resilienz mit sich. Wirksamer ESD-Schutz ist nicht nur für die Einhaltung von Vorschriften unerlässlich, sondern auch für die langfristige Leistung und Sicherheit von Automobilelektronik.

Siliziumbasierte Schutzlösungen bieten eine überzeugende Balance zwischen niedriger Kapazität, hoher Triggerspannung, konsistentem Klemmverhalten und Robustheit unter Belastung. Wenn sich Ingenieure für Komponenten entscheiden, die diese Kriterien erfüllen, können sie ihre Ethernet-Architekturen zukunftssicher machen.

Die Serie PESD1ETH10L-Q von Nexperia ist ein gutes Beispiel dafür, wie solche Komponenten 10BASE-T1S-, 100BASE-T1- und 1000BASE-T1-Anwendungen unterstützen und gleichzeitig strenge Automobilstandards erfüllen, unter anderem diejenigen für den PoDL-Betrieb. Diese Lösungen sind Teil eines umfassenderen Trends hin zu einheitlichen, zuverlässigen und skalierbaren Netzwerken im Fahrzeug.

Autor: Andreas Hardock ist Senior Principal Product Application Engineer für ESD und EMC bei Nexperia
Andreas Hardock, Nexperia
© Nexperia

Der Autor:

Andreas Hardock ist Senior Principal Product Application Engineer für ESD und EMC bei Nexperia


Lesen Sie mehr zum Thema


Das könnte Sie auch interessieren