Heißer Draht zum Messobjekt

Tastköpfe – ein (fast) unverzichtbares Hilfsmittel

30. August 2022, 09:47 Uhr | Boris Adlung, Rigol Technologies Europe, Julia Lamml
Wofür benötige ich einen Tastkopf? Kann die mitgelieferte Messsonde für alle Messungen genutzt werden? Welche Vorteile bringt dieses Hilfsmittel? Fragen, die sich viele Entwickler bei der Inbetriebnahme eines neuen Oszilloskops stellen
© Rigol Technologies

Wofür benötige ich einen Tastkopf? Kann die mitgelieferte Messsonde für alle Messungen genutzt werden? Welche Vorteile bringt dieses Hilfsmittel? Das sind Fragen, die sich viele Entwickler in der Praxis bei der Inbetriebnahme eines neuen Oszilloskops stellen.

Diesen Artikel anhören

Beim Messaufbau helfen Tastköpfe, auch Probes oder Messsonden genannt, dabei, das Oszilloskop mit dem Entwicklungsobjekt zu verbinden. Es gibt unterschiedliche Tastköpfe für diverse Tests. So kann man beispielsweise Ströme mit einer Stromzange messen, oder digitale Signale lassen sich mit einem Logik-Tastkopf und der notwendigen Schnittstelle an einem MSO (Mixed-Signal-Oszilloskop) erfassen und darstellen. Das generelle Ziel der Hilfsmittel ist, nicht nur eine vereinfachte Kontaktierung zwischen Messgerät und Messobjekt herzustellen, sondern auch mit sehr hoher Signalgenauigkeit zu messen.

Es ist wichtig, den zusätzlichen Einfluss, der durch jede Art von Tastkopf entsteht, so gering wie möglich zu halten, um die Signalquelle, also das Messobjekt, im besten Fall nicht zu belasten. Bei einem Messaufbau ist es auch wichtig zu wissen, was man nicht messen möchte, beispielsweise soll die Erfassung von unerwünschten Einstrahlungen minimiert bzw. ganz vermieden werden.

Tastköpfe stellen im Unterschied zu einem Messkabel mit einer komfortablen Anschlussmöglichkeit eine hochqualitative Verbindung her. Über einen hohen Messwiderstand wird dabei vermieden, unerwünschte Störeinstrahlung oder Netzrauschen einzufangen. Der hohe Messwiderstand ermöglicht eine ideale Spannungsaufnahme am Tastkopf und damit eine optimale Verbindung zum Oszilloskop.

Kooperativer Eingangswiderstand

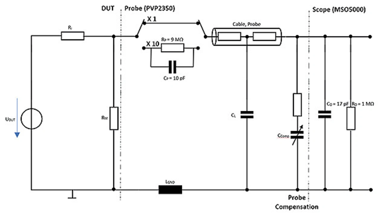
Vereinfachte Schaltung eines passiven Tastkopfes am Messobjekt (DUT) und Oszilloskop
Bild 1. Vereinfachte Schaltung eines passiven Tastkopfes am Messobjekt (DUT) und Oszilloskop.
© Rigol Technologie

Ein passiver Tastkopf (Bild 1) zum Beispiel hat mit dem Signalleiter (Eingang) und der Verbindung zu Masse zwei Kontaktpunkte. Passive Tastköpfe enthalten für die Kontaktierung einen Tastkopfabschluss mit einem Haken, den man relativ leicht an der Schaltung befestigen kann, sowie ein kurzes Leitungsstück mit einer Krokodilklemme für den Anschluss an Masse. Neben dem komfortablen Anschlusskopf besteht der Tastkopf aus einem Koaxialkabel mit BNC-Stecker. Der Tastkopf bildet zusammen mit dem Oszilloskop den Eingangswiderstand. Das Oszilloskop hat für Bandbreiten bis 350 MHz bzw. bis 500 MHz eine Eingangsimpedanz von 1 MΩ sowie eine geringe Kapazität. Diese Kapazität belastet bei einer direkten Verbindung das Messobjekt, das heißt, ein Tastkopf sollte wenig Kapazität beitragen, um diese Belastung klein zu halten.

Spannungsbereich und Bandbreite

Ein passiver Tastkopf hat außerdem zwei Einstellungen, mit denen sich ein Spannungsteiler erzeugen lässt. Für die normale Einstellung, ×1, wird mit dem Tastkopf ohne den Spannungsteiler das Signal an das Oszilloskop mit 1 MΩ angelegt. Somit werden die Messwerte 1:1 an das Oszilloskop weitergegeben. Dabei ist nicht nur der maximale Spannungsbereich sondern auch die Bandbreite eingeschränkt. Eine höhere Spannung und Bandbreite können mit der Teilung 10:1 erreicht werden. In der Einstellung 1:1 ergibt sich zusammen mit dem Oszilloskop folgender Messwiderstand ZM:

ZM = Ro1+jϖC0R0 + jϖLGND    (1)
Der Verlauf der Eingangsimpedanz am Messsystem
Bild 2. Der Verlauf der Eingangsimpedanz am Messsystem.
© Rigol Technologies

Außerdem macht Formel 1 deutlich, dass sich durch die Kapazität ein Resonator bildet. Als Resultat sieht man bei Messungen mit höherer Bandbreite ein Überschwingen, das sich reduzieren lässt, wenn man die Masse-Verbindung reduziert. Pro ein Millimeter Masse-Kabel wird etwa eine Induktivität von ca. 1 nH erzeugt. Je kürzer die Masse-Verbindung bei höheren Frequenzen ist, desto besser. Mit einer Masse-Feder lassen sich sehr kurze Masse-Wege realisieren, um diese Effekte zu minimieren.

Der Verstärkungsfaktor ×1 lässt sich für Messungen verwenden, bei denen wenig Bandbreite und wenig Spannung erfasst werden müssen. Die meisten Messanforderungen im normalen Spannungs-/Bandbreitenbereich erfordern deshalb bevorzugt den Verstärkungsfaktor ×10. Beispielsweise am PVP2350, dem Standardtastkopf der Oszilloskop-Serie MSO5000 von Rigol, lassen sich beide Verstärkungsfaktoren einstellen. Hier können bei ×1 Spannungen (Effektivwert) bis 30 V und im Bereich ×10 Spannungen bis 300 V gemessen werden. Der Spannungsbereich erhöht sich also um das 10-fache.

Durch die kleinere Kapazität in dem Tastkopf erhöht sich auch die Bandbreite von 35 MHz auf 350 MHz. In Bild 1 ist zusätzlich der Pfad für ×10 skizziert. Unter Vernachlässigung des Koaxialkabelwiderstandes (da << als RO und RP) entsteht der Spannungsteiler nach Formel 2 wenn die Zeitkonstante nach Formel 3 berücksichtigt wird.

a =R0+RPR0=1+9M1= 10    (2)R0jω(C0+CL)=RPCP       (3)  

Mit dieser Bandbreite und den Spannungswerten bei ×10 können die meisten Applikationen vermessen werden. Dabei muss man aber das Oszilloskop ebenfalls in der vertikalen Einstellung auf 10:1 stellen, damit die richtige Amplitude angezeigt wird. Bei der Verwendung eines Tastkopfes mit einem Oszilloskop muss außerdem immer die Bandbreite von beiden Elementen (Tastkopf und Oszilloskop) betrachtet werden. Die 3-dB-Bandbreite wird durch den Tastkopf erheblich beeinflusst und sollte deshalb beim Kauf des Oszilloskops beachtet werden. Falls die Systembandbreite für die Applikation zu niedrig ausfällt, sollte ein Tastkopf mit höherer Bandbreite verwendet werden.

Kompensation an einem passiven Tastkopf, hier am Beispiel des PVP2350
Bild 3. Kompensation an einem passiven Tastkopf, hier am Beispiel des PVP2350.
© Rigol Technologies

In Bild 1 ist eine Kompensation integriert. Das heißt, im Tastkopf ist eine abstimmbare Kapazität eingebaut, welche sich z. B. beim PVP2350 durch einen mitgelieferten Schraubendreher zwischen 10 pF und 25 pF nachjustieren lässt (Bild 3).

Bei Applikationen mit höherer Bandbreite wird nicht mehr mit einer hohen Impedanz gemessen. Hier gilt als Ziel, eine Anpassung an die Schaltung zu erreichen (meist 50 Ω), um unerwünschte Reflexionen zu vermeiden. Falls für HF-Anwendungen ein Tastkopf benötigt wird, kann man anstatt passiver auch aktive Tastköpfe verwenden. Ausschlaggebend für die richtige Wahl ist die Absicht, den Verstärkungsfaktor über eine gewisse Bandbreite zu ermöglichen und nebenbei die Schaltung nicht zu sehr zu beeinflussen.

Verstärker und Stromzangen

Aktive Tastköpfe haben einen linearen breitbandigen Verstärker integriert, der versorgt werden muss. Durch den aktiven Teil wird neben der Bandbreite eine sehr hohe Signalgenauigkeit mit einer niedrigen Eingangskapazität erreicht. Nachteilig ist die limitierte Eingangsspannung, die maximal gemessen werden kann, z. B. beim PVA8000 liegt der Spitzenwert bei maximal 30 V.

Eine weitere Anschlussmöglichkeit bieten Stromzangen, um die Stromstärke messen zu können. Da ein Oszilloskop ein Spannungsmessgerät ist, müssen die Ströme in einen Spannungswert umgesetzt werden. Da für die Stromzangen die Umsetzung Spannung/Strom aus dem Datenblatt bekannt ist, kann man mit Kenntnis der Verstärkung die Stromstärke im Oszilloskop anzeigen lassen und messen. Das Prinzip der Stromzange basiert auf einem Transformator, wobei die Messleitung die Primärwicklung und die Stromzange die Sekundärwicklung darstellen. So können Wechselströme gemessen werden. Gleichströme werden über eine Hall-Sonde erfasst.

Differenzielle Tastköpfe

Differenzielle Messungen werden benötigt, wenn zwischen zwei Spannungswerten gemessen werden muss. Hierfür sind zwei Varianten von Tastköpfen verfügbar. Zum einen ist für schnelle differenzielle Datensignale, wie z. B. Ethernet oder LVDS (Low Voltage Differential Signaling), ein differenzieller HF-Tastkopf notwendig. Zum anderen gibt es für den Bereich Hochspannungsmessung einen Bedarf an differenziellen Tastköpfen, für den Fall, dass man Spannungsunterschiede messen muss, die keinen Bezug zur Masse haben.

Solche Messungen lassen sich für niedrigere Frequenzen auch mit zwei passiven Tastköpfen (Kanal 1: Potenzial 1, Kanal 2: Potenzial 2) und über eine Mathematikfunktion (Kanal 2 minus Kanal 1) darstellen. Allerdings sind diese Messungen rauschbehaftet, es können Laufzeitfehler zwischen den Tastköpfen entstehen und die maximale Eingangsspannung der passiven Tastköpfe muss beachtet werden.

Ein wesentlicher Aspekt bei differenziellen Tastköpfen ist das Gleichtaktunterdrückungsverhältnis (Common Mode Rejection Ratio, CMRR).

Gleichtaktveränderungen sind unerwünschte gleichzeitige Veränderungen an Potenzial 1 und 2 gegenüber der Masse, die am Ausgang störend sichtbar sind, da am Ausgang nur die Veränderung zwischen Potenzial 1 und 2 gemessen werden soll. Entscheidend ist der Verstärkungsfaktor des Gegentaktes gegenüber dem Verstärkungsfaktor des Gleichtaktes, welcher gewünscht wesentlich höher sein sollte. Dieser Wert ist bandbreitenabhängig. Bei dem differenziellen Hochspannungstastkopf PHA2150 geht die Bandbreite bis 200 MHz und die maximale differenzielle Spannung, die gemessen werden kann, liegt bei 1500 V. Die CMRRDC liegt bei >80 dB bzw. CMRR1 MHz bei >50 dB.

Schließlich bleibt festzuhalten: Oszilloskope bieten in Kombination mit den passenden Tastköpfen umfängliche Messlösungen, die in verschiedenen Bereichen wie der Forschung und Entwicklung, in der Industrie oder im Bildungsbereich sehr flexibel eingesetzt werden können.

Der Autor

Boris Adlung von Rigol Technologies
Boris Adlung von Rigol Technologies.
© Rigol Technologies

Boris Adlung

ist Vertriebsingenieur bei Rigol Technologies. Er arbeitet seit mehr als 15 Jahren in der Hochfrequenztechnik, unter anderem als HF-Applikationsingenieur bei Keithley, als Ingenieur für technische Systemqualifikation bei Siemens und als Vertriebs- und Projektingenieur für Radartechnik bei Schleifring. Er studierte Nachrichten- und Kommunikationstechnik an der FHTW Berlin.

boris_adlung@rigol.com


Lesen Sie mehr zum Thema


Das könnte Sie auch interessieren