Iddq – Fehlersuche mit der Messung von Ruheströmen

Chip-Defekten auf der Spur

30. August 2006, 14:02 Uhr | Dr.-Ing. Jan Schat

Die Messung des Ruhestroms bei CMOS-ICs findet Defekte, die den Booleschen Tests verborgen bleiben – insbesondere Defekte in Form von relativ hochohmigen Kurzschlüssen, die sich im Laufe der Lebensdauer verschlimmern können.

Diesen Artikel anhören

Iddq – Fehlersuche mit der Messung von Ruheströmen 

Die Messung des Ruhestroms bei CMOS-ICs findet Defekte, die den Booleschen Tests verborgen bleiben – insbesondere Defekte in Form von relativ hochohmigen Kurzschlüssen, die sich im Laufe der Lebensdauer verschlimmern können.

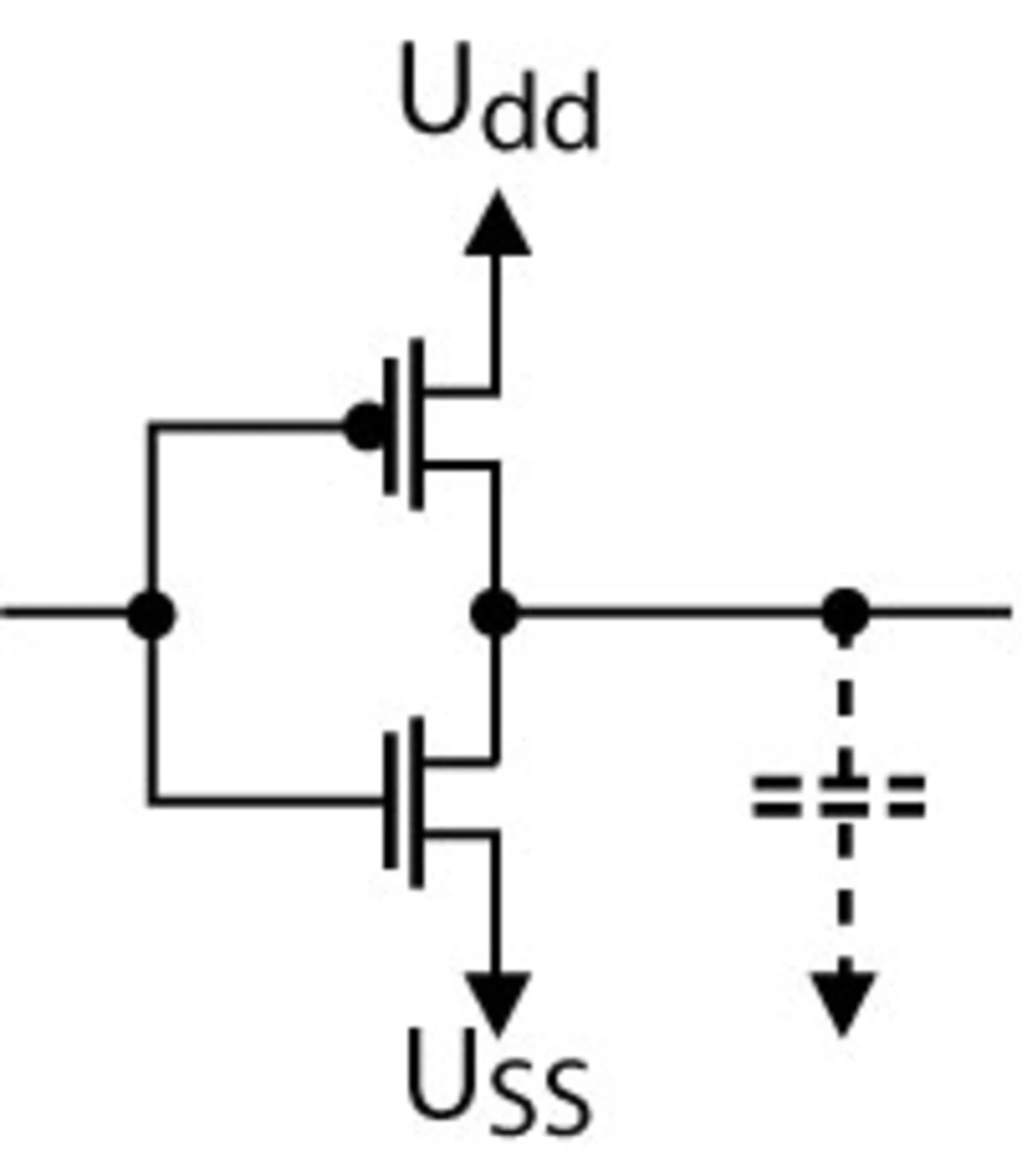
Bei digitalen CMOS-ICs fließt – idealerweise – kein Ruhestrom: Einer der beiden komplementären FETs ist immer geöffnet, so dass sich kein Strompfad von Udd nach Uss bildet (Bild 1). Dass diese ICs im Betrieb trotzdem eine nicht immer geringe Stromaufnahme zeigen, liegt natürlich am Umschalten der internen kapazitiven Lasten.

Der nahezu verschwindende Ruhestrom lässt sich für den Produktionstest nutzen: Die größte Fehlerursache bei der IC-Produktion sind Partikel zwischen einer Signalleitung und Udd oder Uss (oder auch einer anderen Signalleitung). Meist verursachen sie einen „harten“ logischen Fehler, der mit Booleschen Tests erkannt werden kann. Manche Defekte sind aber zunächst so hochohmig, dass sie im Produktionstest noch keinen logischen Fehler (0 statt 1 oder umgekehrt) verursachen. Im Laufe der Lebensdauer eines IC kann ein solcher Defekt aber z.B. durch die so genannte Elektromigration durchaus niederohmiger werden und dann zum Ausfall des Bausteins führen.

Die Messung des Ruhestroms (auch Iddq genannt) erlaubt dabei die Erkennung von einigen Defektarten, die von Booleschen Tests nicht gefunden werden:

  • Hochohmige Kurzschlüsse zwischen Udd und Uss („passive Defekte“), die ein Lebensdauerproblem darstellen können.
  • Hochohmige Kurzschlüsse zwischen zwei Signalen oder zwischen einem Signal und Udd bzw. Uss („aktive Defekte“), die zu hochohmig sind, um mit Booleschen Tests erkannt zu werden – und ebenfalls zu Lebensdauerproblemen führen können.
  • Niederohmige Kurzschlüsse zwischen zwei Signalen oder zwischen einem Signal und Udd bzw. Uss  (ebenfalls „aktive Defekte“), die aufgrund mangelnder Beobachtbarkeit nicht mit Booleschen Tests gefunden werden können und damit sofort zum Ausfall in der Applikation führen.

61mh0801.jpg
Bild 1. CMOS-Inverter: Im statischen Fall fließt kein Strom von Udd nach Uss – nur während des Umschaltens, wenn die gestrichelt gezeichnete Leitungskapazität umgeladen wird.

Daher ist ein Test mit festem Iddq-Limit nicht mehr praktikabel. Als Abhilfe wurden verschiedene Auswertungsmethoden eingeführt, die unter dem Oberbegriff Delta-Iddq bekannt wurden. Dabei wird nicht mehr der Absolutwert des Ruhestroms betrachtet, sondern die Unterschiede der Iddq-Werte bei verschiedenen Vektoren.

Eine solche Möglichkeit ist die Auswertung der so genannten „Current Signature“ (Strom-Signatur) [1] (Bild 4). Dafür werden die Iddq-Werte der Größe nach sortiert. Zeichnet man die sortierten Werte auf, so macht sich ein aktiver Defekt in einem Sprung bemerkbar: Bei allen Vektoren links von dem Sprung fließt kein Strom durch diesen Defekt, bei allen Vektoren rechts davon fließt dagegen ein Strom durch den Defekt. Der Auswertungsalgorithmus muss also erkennen, ob ein (oder mehrere) Sprünge vorhanden sind. Wenn nicht, dann ist das IC defektfrei.

61mh0804_01.jpg
Bild 4. „Current Signature“ (Stromsignatur) bei ICs mit aktivem, mit passivem und ohne Defekt.

  1. Chip-Defekten auf der Spur
  2. „Current Ratio“: Einfach und effektiv
  3. Leckströme bei schrumpfenden Strukturen
  4. Die Zukunft des I<sub>ddq</sub>-Tests

Jetzt kostenfreie Newsletter bestellen!