Digitales Empfänger-IC für die Datenübertragung

Ein „Ultra Low Power“-Langwellen-Empfänger

15. November 2006, 17:18 Uhr | Dr. Andrea Gubser und  Markus Mock

Der Artikel beschreibt den digitalen Empfänger DMR01, der bei 3,3 V typisch 56 µA aufnimmt. Im Vergleich zu gebräuchlichen HF-Übertragungs-Systemen ist dieser Wert um Faktoren kleiner. Der DMR01 kann dort eingesetzt werden, wo periodisch kleinere Datenmengen kostengünstig über Distanzen bis 10 m bei minimalem Leistungsverbrauch robust übertragen werden sollen.

Diesen Artikel anhören

Digitales Empfänger-IC für die Datenübertragung

Der Artikel beschreibt den digitalen Empfänger DMR01, der bei 3,3 V typisch 56 µA aufnimmt. Im Vergleich zu gebräuchlichen HF-Übertragungs-Systemen ist dieser Wert um Faktoren kleiner. Der DMR01 kann dort eingesetzt werden, wo periodisch kleinere Datenmengen kostengünstig über Distanzen bis 10 m bei minimalem Leistungsverbrauch robust übertragen werden sollen.

Die Verbreitung digitaler Datenübertragungssysteme hat in den letzten Jahren stark zugenommen, insbesondere in den freien ISM-Frequenzbändern (Instrumental, Scientific and Medical). Beispiele dafür sind Wireless LAN, Bluetooth und ZigBee, das unter IEEE 802.15.4 neu standardisierte WPAN (Wireless Privat Area Network). Immer häufiger soll zudem die Funkübertragung in Systemen eingesetzt werden, wo eine Verbindung zum Stromnetz undenkbar oder zumindest unpraktisch ist. Eines der Optimierungskriterien ist die Minimierung der Leistungsaufnahme der eingesetzten Komponenten.

Der DMR01 ist ein digitaler Empfänger, der Signale mit Trägerfrequenzen im Bereich von 8192 Hz bis 122,8 kHz verarbeitet, also Signale im Langwellenbereich bis in den unteren Mittelwellenbereich. Die Verwendung von tiefen Frequenzen bietet zwei Vorteile:

  • Die Signale können direkt ohne vorangehende Mischung in eine Zwischenfrequenz oder ins Basisband digital verarbeitet werden. Dies hat eine wesentliche Reduktion des Stromverbrauchs zur Folge, zumindest im Vergleich mit ISM-Systemen. Stromhungrige LNA (Low Noise Amplifier) und Mischer fallen weg.
  • Durch die Verwendung tiefer Frequenzen lassen sich Signale auch in leitenden Flüssigkeiten übertragen.

Asynchrone Datenpaketübertragung

Der DMR01 ist optimiert für den Empfang von asynchronen Datenpaketen (Burst Mode Data Packet Transmission) und ist nicht für kontinuierliche Datenübertragungen ausgelegt. Er detektiert Datenpakete, die zwischen 1 und 16 Byte Nutzdaten mit sich tragen, und die mit bis zu 8192 bit/s übertragen werden. Bild 1a zeigt die Struktur eines Datenpaketes. Jedes Datenpaket beginnt mit einer Präambel von 8 bit Länge, gefolgt von einem 12-bit-Frame-Wort, einem 4-bit-Bytezähler und den eigentlichen Nutzdaten von zwischen 1 und 16 byte. Die Präambel (Preamble) wird vom Detektor zur Bitsynchronisation benötigt. Sie garantiert, dass beim Empfang des Frame-Wortes das Bit-Timing so genau bekannt ist, dass eine optimale Schätzung der gesendeten Bits möglich ist.

Das Frame-Wort definiert die Position des Byte-Zählers und der Nutzdaten. Werden variable Frame-Worte eingesetzt, lassen sich prinzipiell verschiedene Gruppen von Sendesignalen unterscheiden. Das Frame-Wort kann somit als Kanal-Identifikation angesehen werden. Empfangene Datenpakete, welche nichtkompatible Frame-Worte aufweisen, werden vom Empfänger nicht weiterverarbeitet. Der nachfolgende Byte-Zähler von 4 bit Länge spezifiziert die Anzahl der nachfolgenden Nutzdaten in Bytes.

Die Nutzdaten bilden das letzte Segment in der Datenpaket-Struktur des DMR01. Sie können wahlweise uncodiert oder codiert mit einem fehlerkorrigierenden Faltungscode der Rate 1:2 übertragen werden. Im Falle einer codierten Übertragung werden die Quelldaten gemäß Bild 1b mit einer „Postambel“ (Postamble) ergänzt und mit dem Faltungsencoder verarbeitet. Das codierte Datensegment in Bild 1c ist doppelt so groß wie die Quelldaten einschließlich der Postambel. Ein uncodiertes Datenpaket hat eine Länge zwischen 32 und 152 bit; wird der fehlerkorrigierende Code benützt, vergrößert sich diese auf 56 bis 296 bit.

51wh0101_02.jpg
Bild 1. Datenpaket-Struktur des DMR01 mit und ohne Faltungs-Code.

Modulation und Datenrate

Die Daten werden mit differentieller Phasenumtastung DBPSK (Differential Binary Phase Shift Keying) übertragen, wobei Trägerfrequenzen von fc = (8192 + n x 16 384) Hz mit 0 ≤ n ≤ 7 und Kanaldatenraten von {1024, 2048, 4096, 8192} bit/s möglich sind. Die Übertragungszeiten bei verschiedenen Kanaldatenraten und Anzahl der Nutzdaten-Bytes sind in Tabelle 1 zusammengefasst.

tabelle1_50290d_02.jpg

Stromverbrauch des DMR01

Im Dauerbetrieb bei UCC = 3,3 V beträgt der mittlere Stromverbrauch des DMR01 typisch 56 µA. Wird der DMR01 in einem System eingesetzt, wo die Empfangszeitpunkte von aufeinanderfolgenden Signalen bekannt sind (z.B. bei periodischen Aussendungen), kann diese Größe weiter reduziert werden, indem der DMR01 in Sendepausen in den Standby-Modus versetzt und kurz vor der Übertragung wieder aufgeweckt wird. Mit einer „Wake Up“-Zeit von typisch 100 µs kann dies unmittelbar vor der erwarteten Aussendung geschehen. Der typische Standby-Stromverbrauch des DMR01 liegt bei 1 µA.

Wird jede Sekunde ein Paket von 8 byte Länge mit eingeschalteter Fehlerkorrektur bei einer Datenrate von 4096 bit/s gesendet, so reduziert sich bei dieser Methode der mittlere Stromverbrauch um den Faktor 16 auf 3,5 µA. Wird z.B. eine Batterie von 1,2 V mit 1,5 Ah eingesetzt, so ist in dieser Betriebsart der DMR01-Empfängerchip ca. 17 Jahre autonom.

Aufbau des DMR01-Empfängers

Der DMR01 ist ein „Single Chip“-Empfänger für den Empfang asynchroner Datenpakete nach den beschriebenen Spezifikationen bezüglich Datenformat und Modulation. Das Antennensignal wird direkt oder über eine Vorverstärkerstufe auf den Eingang Rx geschaltet. Das Signal wird verstärkt und auf den Eingang eines 4-bit-A/D-Wandlers geführt. Verstärkung, Bandbreite und Eingangsspannungsbereich des A/D-Wandlers sind programmierbar; so lässt sich das Signal optimal für die Wandlung anpassen (Bild 2).

51wh0102_03.jpg
Bild 2. Blockschaltung des DMR01.

Das mit 32,768 kHz abgetastete Empfangssignal wird vom Synchronisator und Bit-Estimator demoduliert, also zu einer geschätzten Version der gesendeten Datensequenz verarbeitet. Synchronisator und Bit-Estimator verwenden „Maximum Likelihood“-Schätzmethoden, sie weisen eine extrem hohe Güte auf. In Bild 3 wird ein optimaler DBPSK-Empfänger verglichen mit den Resultaten aus der Simulation der DMR01-Stufen – A/D-Wandler und Synchronisator und Bit-Estimator – für den uncodierten Fall und bei Verwendung des Faltungscodes. Dabei ist die Bitfehlerwahrscheinlichkeit Pe als Funktion des Signal/Rausch-Abstandes Eb/N0 dargestellt. Eb bezeichnet im uncodierten sowie im codierten Fall die Energie, mit der ein Quelldatenbit übertragen wird – N0 ist die einseitige spektrale Rauschleistungsdichte. Da im codierten Fall zwei Bit pro Quelldaten-Bit gesendet werden, halbiert sich die Signalenergie pro Kanaldaten-Bit (–3dB) gegenüber der uncodierten Übertragung. Bei einer Bitfehlerwahrscheinlichkeit von Pe = 0,1 und der maximalen Datenrate von 8,192 kbit/s (Tabelle 2) beträgt die maximale Abweichung gegenüber dem theoretisch optimalen Empfänger 0,2 dB, was gleichbedeutend ist mit einem Verlust an empfangener Signalleistung von 4,5 Prozent.

51wh0103_03.jpg
Bild 3. Bitfehlerwahrscheinlichkeit des DMR01 bei maximaler Datenrate und additivem weißen Rauschen mit einseitiger spektraler Rauschleistungsdichte.

Die geschätzte Datensequenz wird zusammen mit der jeweiligen Energie pro Bit dem Frame-Detektor weitergegeben. Dieses Konzept wird als „Soft Decision“ bezeichnet, da der Bit-Estimator nicht nur seine Entscheidung – die „Hard Decision“ – sondern zusätzlich ein Maß für die Qualität des geschätzten Bit weitergibt. Der Frame-Detektor vergleicht die empfangene Datensequenz mit einem programmierbaren Frame-Muster. Stimmen eine minimale Anzahl an Positionen überein und übersteigt die Energie des Frame-Wortes einen Referenzwert, so wird der empfangene Frame als gültig angezeigt und die Weiterverarbeitung der empfangenen Daten gestartet. Die minimale Zahl der Übereinstimmungen und die Energiereferenz sind programmierbar.

tabelle2_2f89e2_03.jpg

Wird keine Fehlerkorrektur verwendet, passieren die empfangen Daten den Faltungsdecoder und werden byteweise in den Datenspeicher geschrieben. Andernfalls werden sie vom Faltungsdecoder, der nach dem „Threshold Decoding“-Prinzip arbeitet, vor der Abspeicherung decodiert. Die Verwendung einer codierten Datensequenz verbessert die ohnehin robusten Eigenschaften des Empfängers. Für Eb/N0 größer 8,6 dB reduziert der Faltungscode eventuelle Restfehler in effizienter Weise. Der vollständige Empfang der spezifizierten N Bytes, d.h., die Beendigung des Datentransfers, wird mit einem Interrupt signalisiert. Die empfangenen Daten sowie die acht Status- und Steuer-Register des DMR01 werden über ein serielles Interface (SPI, Serial Peripheral Interface) ausgelesen bzw. beschrieben.

51wh0104_03.jpg
Bild 4. Anwendung des DMR01 für die unidirektionale Datenübertragung.

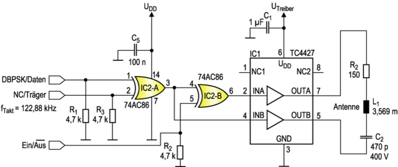
Der Sender lässt sich sehr einfach mit einem Mikrocontroller realisieren, ein solcher ist im Sendesystem meistens schon vorhanden. Der Sender wird mit einfachsten Mitteln aufgebaut: eine Treiberstufe und eine Antenne (Bild 4). Die dafür notwendige Software ist anspruchslos und als C-Code verfügbar. Der Controller muss die Trägerfrequenz und das Datensignal generieren. Die Phasendrehung kann zum Beispiel mit einem „Exclusive Or“-Gatter realisiert werden. Eine mögliche Variante zeigt Bild 5.

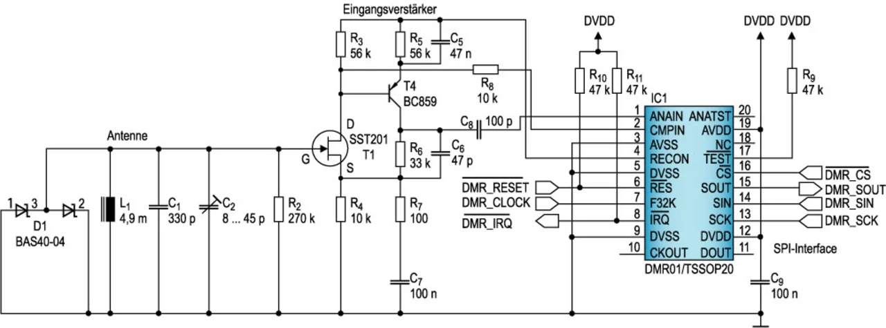
Die Empfangsschaltung kann mit einem zusätzlichen Eingangsverstärker empfindlicher gemacht werden. Der Schaltplan (Bild 6) zeigt den Aufbau mit einem zweistufigen, rauscharmen Vorverstärker. Über den Eingang „RECON“ kann der Vorverstärker automatisch abgeschaltet werden, wenn der DMR01 in den Sleep-Modus gebracht wird. Die Anbindung an den Mikrocontroller erfolgt über ein SPI-Interface. Der Controller liefert auch den für den Betrieb notwendigen 32-kHz-Takt.

51wh0105_03.jpg
Bild 5. Senderstufe: Das gegenphasige Signal lässt sich mit Hilfe von zwei EXOR-Gattern auf einfache Weise erzeugen.

Reichweite und Empfangsbereich
Die Reichweite und der Empfangsbereich können durch ein geeignetes Antennendesign wesentlich beeinflusst werden. Über Größe und Art der Antennen (Luft- und Ferritspulen) und mit der Auslegung des Vorverstär-kers lässt sich der Empfangsbereich „maßschneidern“. Bild 7 illustriert einige unterschiedliche Empfangsbereiche. Sender- und Empfängerspule und die Lage der Antennen wurden verändert, während der Vorverstärker des Empfängers immer gleich belassen wurde. Mit Hilfe geeigneter Antennen können also Störungen vermieden oder die Empfangsenergie an bestimmten Orten gebündelt werden.

51wh0106_03.jpg
Bild 6. Empfamgsschaltung: Die Eingangsempfindlichkeit lässt sich mit einer einfachen Vorverstärker-Schaltung wie in diesem Beispiel erheblich steigern.

Regulatorische Vorschriften über den LW-Frequenzgebrauch
Für den Frequenzbereich 9 kHz bis 135 kHz ist keine individuelle Lizenzierung erforderlich. Bei einer Sendefrequenz von 122 kHz liegt die maximal zulässige Feldstärke im Abstand von 10 m von der Sendeantenne bei 66 dBµA/m. Unterhalb der 9-kHz-Grenze gibt es überhaupt keine Richtlinien bezüglich der maximalen Feldstärken. Diese Vorteile sind bei den höheren Frequenzbändern nicht gegeben.

51wh0107a_03.jpg
Bild 7. Durch die Veränderung von Sender- und Empfänger-Antenne lassen sich die Empfangscharakteristika einstellen. Bei parallelen Achsen der SMD-Spulen und Ferritkernen ergibt sich eine Richtcharakteristik (links); stehen die Achsen orthogonal, bild
51wh0107b_03.jpg
Bild 7. Durch die Veränderung von Sender- und Empfänger-Antenne lassen sich die Empfangscharakteristika einstellen. Bei parallelen Achsen der SMD-Spulen und Ferritkernen ergibt sich eine Richtcharakteristik (links); stehen die Achsen orthogonal, bild

  1. Ein „Ultra Low Power“-Langwellen-Empfänger
  2. Anwendungsbereiche

Jetzt kostenfreie Newsletter bestellen!