Welcher Schutz ist der richtige?

Teure Halbleiter vor Überspannungen/Überströmen schützen

18. Mai 2021, 14:10 Uhr | Von Diarmuid Carey
Teuer, empfindliche elektronische Bauteile wie FPGAs, ASICs und Mikroprozessoren benötigen eine Schutz vor Transienten. Mit TV-Dioden, Scherungen oder Übersprannungsstoppern?
© Analog Devices

Elektronische Bauteile wie FPGAs, ASICs und Mikroprozessoren sind teuer, dürfen nicht beschädigt werden oder gar ausfallen und benötigen dementsprechend einen Schutz vor Transienten. Die Frage ist nur, wie? Mit TVS-Dioden, Sicherungen oder Überspannungsstoppern?

Diesen Artikel anhören

Fortsetzung des Artikels von Teil 2

Aktiver Schutz mit Überspannungsstopper

Eine Möglichkeit, die Probleme und Nachteile der passiven Schutzlösungen zu überwinden, besteht im Einsatz eines Überspannungsstopper-ICs. Ein Überspannungsstopper macht sperrige Shunt-Schaltungen wie TVSs, Sicherungen, Induktivitäten und Kondensatoren in Form eines einfach einsetzbaren Controller-ICs und einem seriellen N-Kanal-MOSFET überflüssig. Überspannungsstopper-Controller können die Systementwicklung erheblich vereinfachen, da mit ihrem Einsatz nur wenige Bauteile dimensioniert und qualifiziert werden müssen.

Ein Überspannungsstopper überwacht kontinuierlich Eingangsspannung und Eingangsstrom. Unter nominalen Betriebsbedingungen steuert der Controller das Gate eines N-Kanal-MOSFETs an und stellt so einen niederohmigen Pfad vom Eingang zum Ausgang zur Verfügung. Bei einer Überspannung oder einer Spannungsspitze – der Schwellenwert wird durch ein Rückkopplungsnetz am Ausgang vorgegeben – regelt das IC das Gate des N-Kanal-FETs, um die Ausgangsspannung des MOSFETs auf den durch einen Widerstandsteiler eingestellten Wert zu klemmen.

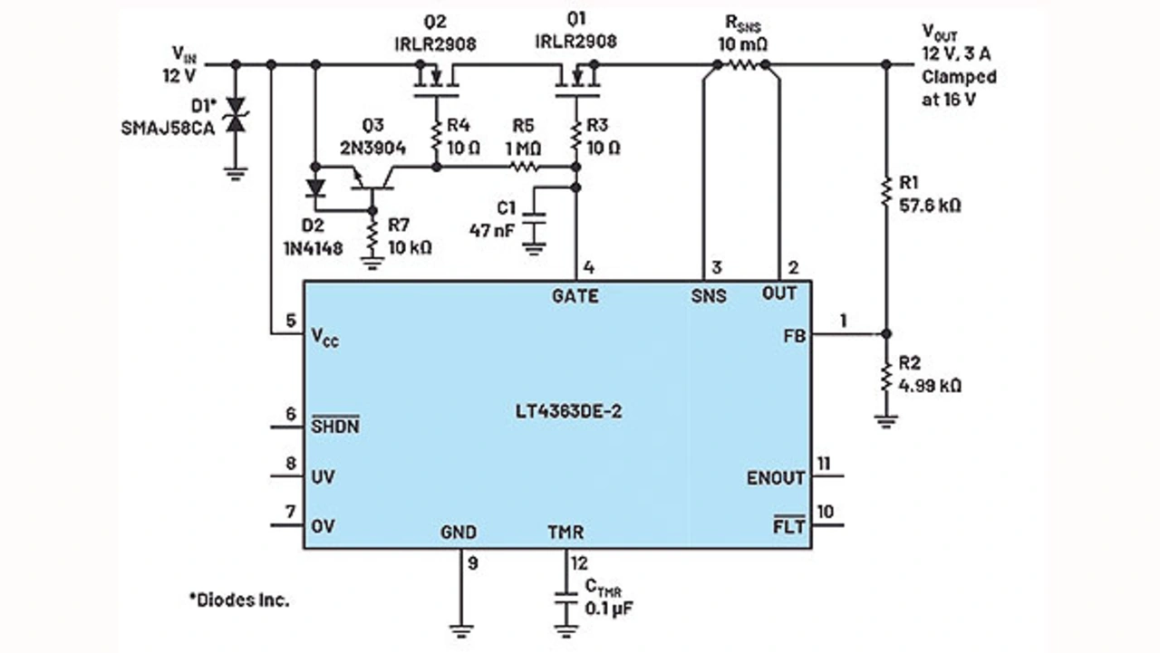
Vereinfachte Blockschaltung eines Überspannungsschutzes
Bild 5. Vereinfachte Blockschaltung eines Überspannungsschutzes.
© Analog Devices

Bild 5 zeigt die vereinfachte Blockschaltung einer Überspannungsstopper-Implementierung zusammen mit den Ergebnissen einer eingangsseitigen 100-V-Spannungsspitze auf der nominalen 12-V-Schiene. Der Ausgang der Überspannungsstopper-Schaltung wird für die Dauer des Überspannungsereignisses auf 27 V geklemmt. Manche Überspannungsstopper überwachen auch Überströme mit einem seriellen Messwiderstand (Circuit Breaker in Bild 5) und passen das Gate des N-Kanal-FETs an, um den an die Ausgangslast abgegebenen Strom zu begrenzen.

Es gibt vier Typen von Überspannungsstoppern, die entsprechend ihrer Reaktion auf eine Überspannung klassifiziert werden:

➔ Überspannungsstopper auf Linearreglerbasis

➔ Gate-Clamp-Überspannungsstopper

➔ Überspannungsstopper auf Schaltreglerbasis

➔ Schutzschalter-Controller zum Trennen der Last von der Eingangsspannung

Die Wahl des Überspannungsstoppers richtet sich nach der Anwendung.

Überspannungsstopper auf Linearreglerbasis

Ein Überspannungsstopper auf Linearreglerbasis steuert den Serien-MOSFET ähnlich wie ein Linearregler und be- grenzt die Ausgangsspannung auf den programmierten sicheren Wert, wobei überschüssige Energie im MOSFET abgeleitet wird. Um den MOSFET zu schützen, begrenzt das Bauteil die Zeit mit hoher Verlustleistung, durch die Implementierung eines kapazitiven Fehler-Timers.

Gate-Clamp-Überspannungsstopper

Gate-Clamp-Überspannungsstopper arbeiten mit einer internen beziehungsweise externen Klemmspannung (zum Beispiel 31,5 oder 50 V intern oder einer einstellbaren externen Klemmspannung), um den Gate-Anschluss auf diese Spannung zu begrenzen. Die Schwellenspannung des MOSFETs bestimmt dann, auf welchen Wert die Ausgangsspannung limitiert ist. Bei einer internen Gate-Klemmspannung von 31,5 V und einer MOSFET-Schwellenspannung von 5 V ist die Ausgangsspannung auf 26,5 V begrenzt. Alternativ kann mit einer externen Gate-Klemmspannung ein viel größerer Spannungsbereich gewählt werden.

Überspannungsstopper auf Schaltreglerbasis

Für Anwendungen mit höherer Leistung ist der Überspannungsstopper auf Schaltreglerbasis eine gute Wahl. Wie ein Linear- und Gate-Clamp-Überspannungsstopper steuert ein Überspannungsstopper auf Schaltreglerbasis den Durchlass-FET im Normalbetrieb vollständig durch, um einen niederohmigen Pfad zwischen Eingang und Ausgang zu schaffen und die Verlustleistung zu minimieren. Der Hauptunterschied zwischen einem Überspannungsstopper auf Schaltreglerbasis und einem Linear- oder Gate-Clamp-Überspannungsstopper zeigt sich, sobald eine Überspannung erkannt wird. Dann wird der Ausgang eines Überspannungsschutzes auf Schaltreglerbasis durch Schalten des externen MOSFETs ähnlich wie bei einem schaltenden DC/DC-Wandler auf die Klemmspannung geregelt.

Schutzcontroller zum Trennen der Last von der Eingangsspannung

Ein Schutzcontroller ist offiziell kein Überspannungsstopper, obwohl er Überspannungen stoppt. Wie ein Überspannungsstopper überwacht ein Schutzcontroller Überspannung und Überstrom.

 Schutzschalter-Controller LTC4368
Bild 6. Schutzschalter-Controller LTC4368.
© Analog Devices

Anstatt jedoch die Ausgangsspannung zu klemmen oder zu regeln, schaltet der Schutzcontroller den Ausgang sofort ab, um die nachgeschaltete Elektronik zu schützen. Diese einfache Schutzschaltung braucht nur eine sehr kleine Fläche, und eignet sich somit für batteriebetriebene, portable Anwendungen. Der Schutzcontroller LTC4368 ist in einer vereinfachten Blockschaltung in Bild 6 dargestellt, zusammen mit seiner Reaktion auf Überspannung. Schutzcontroller gibt es in zahlreichen Varianten.

Ein Schutzcontroller überwacht die Eingangsspannung, um sicherzustellen, dass sie in einem, durch einen Widerstandsteiler an den OV/UV-Anschlüssen, vorgegebenen Spannungsbereich bleibt. Falls der Eingang außerhalb dieses Bereichs liegt, trennt der Controller den Ausgang über MOSFETs in Back-to-Back-Topologie (Bild 6). Die Back-to-Back geschalteten MOSFETs können auch vor Verpolung am Eingang schützen. Der Messwiderstand am Ausgang ermöglicht einen Überstromschutz durch kontinuierliche Überwachung des Durchlassstroms, jedoch ohne zeitgesteuerten Ride-Through-Betrieb.

Leistungsmerkmale von Überspannungsstoppern

Bei Überspannungsstoppern gibt es Varianten mit zusätzlichen Leistungsmerkmalen. Um den am besten für eine Anwendung geeigneten Überspannungsstopper zu wählen, muss bekannt sein, welche Funktionen verfügbar sind und bei welchen Herausforderungen sie helfen können.

Trennen versus weiterer Betrieb (Ride-Through)

Manche Anwendungen erfordern das Trennen des Ausgangs vom Eingang, wenn eine Überspannung erkannt wird. In diesem Fall wäre ein Überspannungstrenner erforderlich. Soll der Ausgang bei Überspannung jedoch weiterhin betriebsbereit bleiben, um die Ausfallzeit zu minimieren, muss der Überspannungsstopper auch bei diesem Überspannungsereignis einen weiteren Betrieb ermöglichen (Ride-Through-Betrieb). Ein Linear- oder ein Überspannungsstopper auf Schaltreglerbasis kann diese Funktionalität ermöglichen (vorausgesetzt, die Leistungspegel sind für die gewählte Topologie und den richtigen FET bemessen).

Fehler-Timer

Der Ride-Through-Betrieb erfordert einen Schutz des MOSFETs gegen anhaltende Überspannungen. Um innerhalb des sicheren Betriebsbereichs (SOA, Safe Operating Area) des FETs zu bleiben, kann ein Timer implementiert werden. Der Timer ist im Wesentlichen ein gegen Masse geschalteter Kondensator. Bei Überspannung beginnt eine interne Stromquelle, den externen Kondensator zu laden. Sobald der Kondensator eine bestimmte Schwellenspannung erreicht, zieht ein digitaler Fehler-Pin das Potenzial herunter, um zu signalisieren, dass der Durchlasstransistor aufgrund der Überspannung bald abschalten wird. Falls die Spannung am Timer-Anschluss noch weiter auf einen sekundären Schwellenwert ansteigt, gelangt der Gate-Anschluss auf Low-Potenzial und schaltet den MOSFET ab.

Die Änderungsgeschwindigkeit der Timer-Spannung variiert mit der Spannung über dem MOSFET, das heißt, eine kürzere Zeitspanne für größere und eine längere Zeitspanne für kleinere Spannungen. Aufgrund dieser nützlichen Funktion kann das Bauteil kurzzeitige Überspannungen überstehen, sodass nachgeschaltete Bauteile in Betrieb bleiben können, während der MOSFET vor Schäden durch länger anhaltende Überspannungen geschützt wird. Einige Bauteile verfügen über eine Wiederholfunktion. Diese ermöglicht, den Ausgang nach einer Abkühlphase wieder einzuschalten.

Überstromschutz

Viele Überspannungsstopper können Strom überwachen und Schaltungen vor Überströmen schützen. Dies wird erreicht, indem der Spannungsabfall über einem in Reihe geschalteten Messwiderstand überwacht wird und eine entsprechende Reaktion erfolgt. Der Einschaltstrom kann ebenfalls überwacht und gesteuert werden, um den MOSFET zu schützen. Die Reaktion kann ähnlich wie bei einer Überspannung sein. Entweder Abschalten (Latching Off) oder Durchlaufen des Ereignisses, wenn die Schaltung die Leistungspegel verkraftet.

Verpolungsschutz am Eingang

Ein eingangsseitiger Verpolungsschutz ist aufgrund der vielen Betriebsmöglichkeiten der Überspannungsstopper möglich (manche Bauteile verkraften bis zu 60 V unter Massepotenzial).

Schutz vor Verpolung am Ausgang mit dem LT4363 – aus dem Datenblatt des LTC4363
Bild 7. Schutz vor Verpolung am Ausgang mit dem LT4363 – aus dem Datenblatt des LTC4363.
© Analog Devices

Für Anwendungen, die große Eingangsspannungsbereiche erfordern, kann ein Überspannungsstopper mit Floating-Topologie verwendet werden. Bei Überspannung sieht das Überspannungsstopper-IC die volle Überspannung, sodass die interne Transistortechnologie den Spannungsbereich des ICs begrenzt.

LTC4366 Hochvolt-Floating-Topologie – aus dem Datenblatt des LTC4366
Bild 8: LTC4366 Hochvolt-Floating-Topologie – aus dem Datenblatt des LTC4366.
© Analog Devices

Bei einem Floating-Überspannungsstopper wie dem LTC4366 verharrt die Spannung am IC knapp unter der Ausgangsspannung und hat dadurch einen wesentlich größeren Betriebsspannungsbereich. In der Rückleitung (Uss) befindet sich ein Widerstand, der es dem IC ermöglicht, mit der Versorgungsspannung hochzufahren.

Das Ergebnis ist eine Eingangsspannungsbegrenzung, die durch die Spannungsfähigkeit der externen Bauteile und MOSFETs festgelegt wird. Bild 8 zeigt eine Schaltung, die mit einer sehr hohen DC-Versorgung arbeiten kann und gleichzeitig die nachgeschaltete Last schützt.

Das richtige Bauteil wählen

Überspannungsstopper vereinfachen aufgrund ihres robusten Designs die Entwicklung von Schutzschaltungen. Datenblätter können bei der Dimensionierung von Bauteilen hilfreich sein, wobei viele Anwendungen bereits aufgezeigt wurden. Der schwierigste Teil könnte die Wahl des am besten geeigneten Bauteils sein. Der Entwickler kann sich mit folgenden einfachen Schritten die Auswahl vereinfachen: Ein Blick auf die Parameter der Schutzbauteile von ADI; die Wahl des Eingangsspannungsbereichs; die Wahl der Kanalzahl; Eingabe weiterer Leistungsmerkmale, um die Zahl möglicher Optionen einzugrenzen.

Wie bei jeder Produktauswahl ist es wichtig, die Systemanforderungen zu verstehen, bevor man nach dem richtigen Bauteil sucht. Wichtige Gesichtspunkte sind die zu erwartende Versorgungsspannung, die Spannungstoleranz der nachgeschalteten Elektronik (wichtig für die Festlegung der Klemmspannung) sowie alle besonderen Merkmale, die für das Design wichtig sind.

Unabhängig vom implementierten Überspannungsstopper-Typ machen aktive Überspannungsstopper-ICs sperrige TVS-Dioden oder große Induktivitäten und Kondensatoren zur Filterung überflüssig. Dadurch ergibt sich eine insgesamt kleinere Baufläche und eine kleinere Höhe. Die Ausgangsklemmspannung ist genauer als bei einem TVS, wobei eine Genauigkeit von 1 bis 2 % möglich ist. Dies verhindert eine Überdimensionierung und ermöglicht nachgeschaltete Bausteine mit engeren Toleranzen.

Diesen Artikel als E-Paper lesen.

Carey-Diarmuid von Analog-Devices
Diarmuid Carey, Analog-Devices.
© Analog Devices

Autor: Diarmuid Carey

ist Applikationsingenieur im European Centralized Applications Center mit Sitz in Limerick, Irland. Er arbeitet seit 2008 als Applikationsingenieur und kam 2017 zu Analog Devices, wo er Design-Support für das »Power by Linear«-Portfolio für europäische Kunden leistet. Er hat einen Bachelor of Engineering in Computer Engineering von der University of Limerick.


  1. Teure Halbleiter vor Überspannungen/Überströmen schützen
  2. Herkömmliche Schutzschaltungen
  3. Aktiver Schutz mit Überspannungsstopper


Lesen Sie mehr zum Thema


Das könnte Sie auch interessieren