Power-Management

Analog-Entwickler beginnen die Programmierbarkeit zu schätzen

24. Juli 2013, 15:33 Uhr | Ralf Higgelke
James Lougheed, Exar: »Mit den richtigen Tools, die die Programmierung vereinfachen, können sich nun auch Analog-Entwickler mit der digitalen Welt anfreunden.«
© Exar

Digital Power beginnt sich nur langsam durchzusetzen, denn viele Analog-Entwickler scheuen sich noch. Wir fragten James Lougheed, der bei Exar als Vice President die Bereiche Power Management und Analog/Mixed-Signal verantwortet, welche Vorteile die Programmierbarkeit bringt.

Diesen Artikel anhören

 

Elektroniknet.de: Herr Lougheed, wie groß ist der Markt für Power-Management-Produkte, und was bedeutet das für die Halbleiterindustrie?

James Lougheed: Der Markt für Power Management wird von Tag zu Tag größer. Die Energiekosten und Umweltaspekte sind dabei maßgebend und dies wird auch noch länger so bleiben. Je nachdem, wie Power-Management definiert wird, ergibt sich hier für Halbleiterkomponenten ein Marktpotenzial von 15 Milliarden US-Dollar. Der Markt, den Exar dabei mit seinen Produkten abdecken könnte, nimmt in etwa 1 Milliarde US-Dollar ein. Dazu zählen Analog- und Mixed-Signal-ICs, von denen einige auch große Digitalanteile enthalten.

Digital Power ist beginnt sich langsam durchzusetzen. Wie reagieren Ingenieure im Power-Bereich, der ja bislang von der Analogtechnik dominiert gewesen ist?

Natürlich reagierte mancher Analog-Entwickler zurückhaltend, als er plötzlich digitale Bausteine verwenden sollte. Die Argumente für das digitale Power-Management sind aber mittlerweile so überzeugend, dass sie nur schwer zu ignorieren sind. Die Produkte passen gut zu Exar, da das Unternehmen langjährige Erfahrung im Bereich Analog- und Digitaltechnik bietet. Wir sind an keine der beiden Technologien fest gebunden, sondern konzentrieren uns einfach auf Halbleiterentwicklung, um bestmögliche Ergebnisse für unsere Kunden zu erzielen. Diese finden sich vor allem in den Bereichen Kommunikationstechnik und Industrie.

Können Sie uns dies an einem Beispiel aufzeigen?

Betrachten wir Designs mit FPGAs, DSPs, Applikationsprozessoren, Media-Prozessoren oder Mikrocontrollern. Diese benötigen normalerweise verschiedene Spannungsschienen: 5 V für die analogen Schaltungsteile, 3,3 V für die digitalen, 1,5 V bis 2,5 V für den Speicher und eine für den Prozessor-Core beziehungsweise die Cores. Um diese getrennten Spannungen mit analogen Reglern bereitzustellen, sind zahlreiche Bauteile erforderlich, die viel Platz auf der Leiterplatte einnehmen. Dies erhöht die Komplexität und schränkt den Fortschritt des Systemdesigns ein.

Herr Lougheed, wie groß ist der Markt für Power-Management-Produkte, und was bedeutet das für die Halbleiterindustrie?
Exar, Power Management, XRP7724
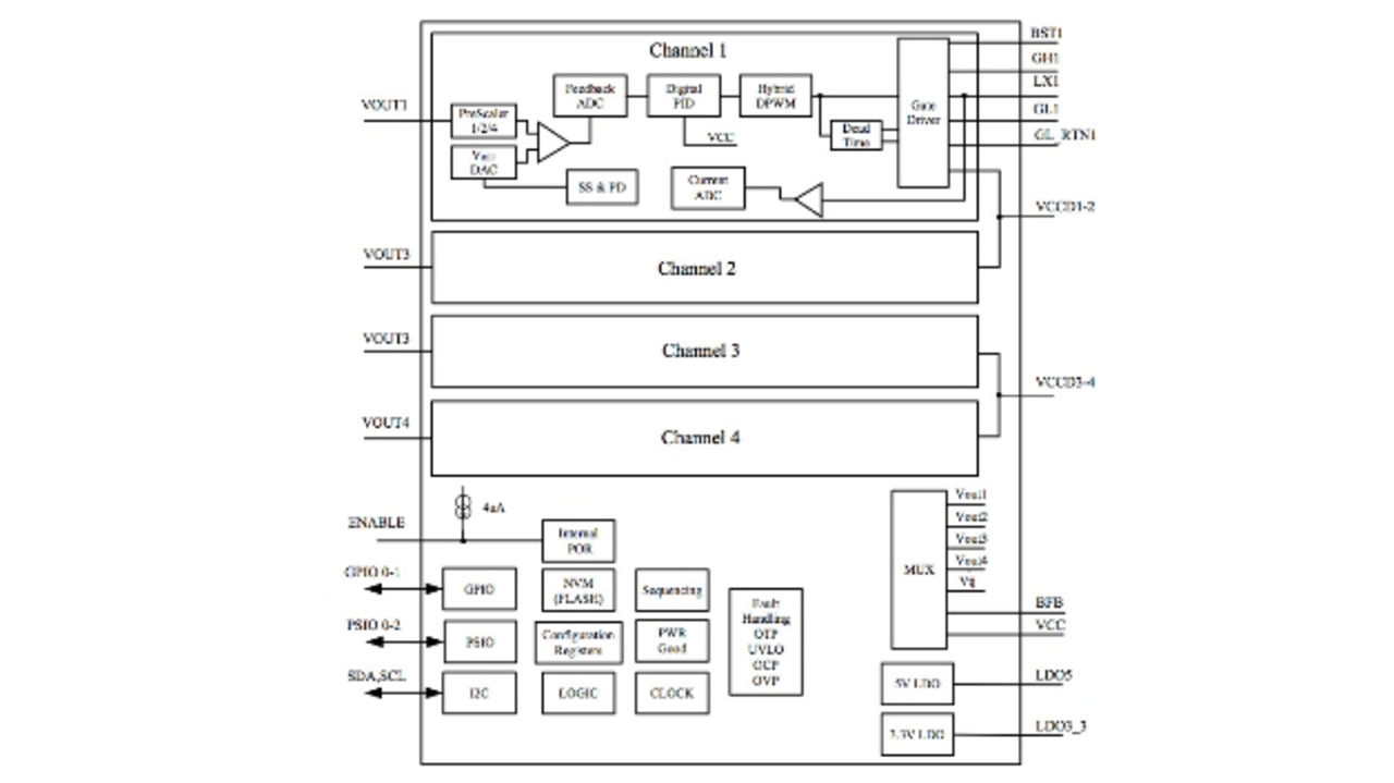
Blockschaltbild des Power-Management-Controllers XRP77xx
© Exar

Ein programmierbarer digitaler Power-Management-Controller verringert sowohl die Bauteil- als auch die Fertigungskosten. So bildet beispielsweise unserer XRP77xx die Grundlage für einen flexiblen Stromversorgungsschaltkreis mit vier Schienen – und das mit gerade einmal 33 Bauteilen. Der Chip selbst befindet sich in einem 6 mm x 6 mm großen TQFN40-Gehäuse. Die Eingangsspannung kann je nach Baustein zwischen 4,75 V und 25 V liegen; mit anwenderkonfigurierbaren Ausgängen von 0,6 V bis 5,5 V. Ein ähnlicher Funktionsumfang von einem analogen Schaltkreis würde das Vierfache an Bauteilen erfordern, womit die Schaltung weniger zuverlässig, weniger leistungsfähig und mit weniger Funktionen ausgestattet wäre. Die funktionale Integration ist aber nur eine Seite der Medaille.

Woran denken Sie?

Wird beim Einsatz analoger Regler nur ein Aspekt der Stromversorgungsschaltung geändert, muss die Leiterplatte neu überarbeitet werden, ein größeres Bauteileinventar ist erforderlich und viel Zeit ist nötig, um die Änderungen umzusetzen. Ist der Power-Management-Controller programmierbar – in unserem Fall über ein Softwaredesigntool mit einer einfachen GUI – erübrigen sich diese Probleme. Die Spannungsschienen lassen sich schnell anpassen, ein präzises Power-Sequencing lässt sich schnell einstellen, eine Spannungs- und Stromüberwachung lässt sich umsetzen und eine bedingte Fehlerbehandlung lässt sich programmieren.

Welche weiteren Vorteile bietet die Programmierbarkeit?

Mit fortschreitender Systementwicklung ist es heute sehr einfach, das Stromversorgungssystem anzupassen, um Änderungen zu berücksichtigen. Programmierbares Power-Management kann also eine große Hilfe bei der schnelleren Markteinführung von Produkten sein; geht aber noch darüber hinaus. Es gibt Situationen, in denen es wünschenswert ist, kleine Änderungen im Feld vorzunehmen, um die Leistungsfähigkeit zu erhöhen.

Programmierbare Stromversorgungen unterstützen diese Wartungsfreundlichkeit im Feld. Ein einfaches Firmware-Upgrade, das über die integrierte I²C-Schnittstelle des Power Controllers durchgeführt wird, kann zum Beispiel eine Spannungsschiene von 1,2 V auf 1,3 V ändern, um die Leistungsfähigkeit in diesem Teil des Systems zu verbessern. Viele Entwickler wissen, dass die Nennspannungsangabe in einem Halbleiter-Datenblatt nicht immer dem Wert entspricht, bei dem die beste Leistungsfähigkeit für eine bestimmte Anwendung zur Verfügung steht.

Kann ein programmierbarer Power-Controller auch den Energieverbrauch eines Systems reduzieren?

Natürlich, und zwar nicht nur ein einem bestimmten Arbeitspunkt, sondern unter allen Lastbedingungen. Dies ist wichtig, da viele Systeme die meiste Zeit weit unter Volllast arbeiten. Ein Datencenter arbeitet zum Beispiel nur dann mit voller Last, wenn maximaler Datendurchsatz gefordert ist. Dies trifft aber nur zu zehn Prozent der Zeit zu. Während der anderen neunzig Prozent sollte der Energieverbrauch aber ebenfalls minimal sein. Verteilte Stromversorgungsarchitekturen mit Point-of-Load-Wandlern und programmierbaren Controllern bieten diese Möglichkeit.

Wie lautet daher Ihr Fazit?

Power-Management ist nicht nur reine Digitalisierung, sondern wird programmierbar. Mit den richtigen Tools, die die Programmierung vereinfachen, können sich nun auch Analog-Entwickler mit der digitalen Welt anfreunden.


Lesen Sie mehr zum Thema


Das könnte Sie auch interessieren

Jetzt kostenfreie Newsletter bestellen!