Schmelzwiderstand oder Sicherung

Was schützt besser vor Überstrom?

27. April 2021, 17:30 Uhr | Todd Philipps und Saad Lambaz, Littelfuse, Ralf Higgelke
Littelfuse, Efficiency Standards, Fuse
Klassische Schmelzsicherung
© Littelfuse

Kürzere Ladezeiten für ihre elektronischen Geräte wünschen sich wohl die meisten Nutzer. Damit kommt dem Schutz gegenüber zu hohen Strömen eine zentrale Bedeutung zu. Was technischen und normativen Aspekte sind dabei zu berücksichtigen?

Diesen Artikel anhören

Viele würden es gerne sehen, wenn sie ihr Mobiltelefon, ihre Spielkonsole oder ihre Tablets schneller aufladen könnten. Doch dafür sind leistungsfähigere Ladegeräte oder Netzteile nötig. Bei deren Entwicklung müssen die Ingenieure auf die Gerätesicherheit achten sowie gleichzeitig strenge Auflagen hinsichtlich Kosten, Größe und Effizienz erfüllen.

Mit steigender Leistung erhöht sich auch der Bedarf an Überstromschutz. Dafür gibt es zwei verschiedene Ansätze: eine konventionelle Sicherung oder einen Schmelzwiderstand. Ein Schmelzwiderstand besitzt den Vorteil, dass er in einem Bauteil kombiniert sowohl gegenüber zu hohen Betriebsströmen als auch gegenüber dem Einschaltstromstoß schützt. Allerdings reagiert er anders auf Überströme und beeinflusst die Effizienz von Ladegerät und Netzteil.

Bauelemente im Vergleich

Littelfuse, Efficiency Standards
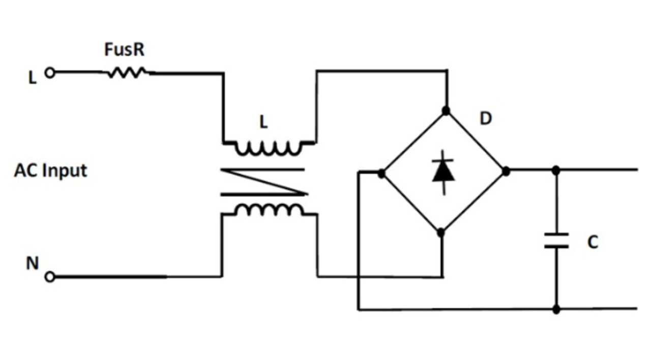
Bild 1: Eingangskreis eines Netzteils mit einem Schmelzwiderstand als Sicherungselement.
© Littelfuse

Ein Schmelzwiderstand öffnet wie eine Sicherung, wenn sein Nennstrom überschritten wird (Bild 1). Die Komponente ist in der Regel ein Nickel-Chrom-Element (Nichrom) mit einer Schmelztemperatur von etwa +1400 °C. Nichrom hat einen niedrigen thermischen Widerstandskoeffizienten, wodurch der Widerstand über verschiedene Temperaturen hinweg stabil bleibt. Die Schmelztemperatur von +1400 °C erwärmt die umgebenden Komponenten und die Leiterplatte, während ein Überstrom fließt. Diese Wärme kann andere Komponenten beschädigen und möglicherweise dazu führen, dass sich in der Nähe befindliche brennbare Komponenten entzünden.

Sicherungen sind meist Kupfer- oder Silberelemente mit einer Schmelztemperatur, die normalerweise zwischen +962 °C und +1083 °C liegt. Sie haben einen hohen thermischen Widerstandskoeffizienten, der mindestens zehnmal höher ist als bei einem Schmelzwiderstand aus Nichrom. Daher steigt die Temperatur einer Sicherung während eines Überstromzustands schneller an. Der Widerstand der Sicherung erhöht sich, um die Sicherung früher auf ihren Schmelzpunkt zu bringen. Eine Sicherung kann dadurch einen Hitzestau verhindern, der durch den Überstromzustand eines Schmelzwiderstands entsteht.

Littelfuse, Efficiency Standards
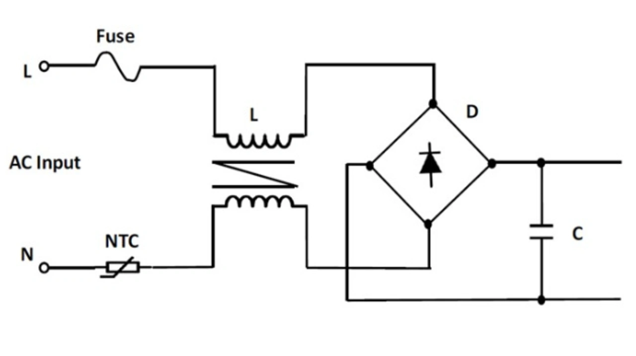
Bild 2: Beispiel für eine Netzteil-/Ladeschaltung mit einer Sicherung als Überstromschutz und einem NTC-Thermistor zur Begrenzung des Einschaltstroms.
© Littelfuse

Der größte Vorteil eines Schmelzwiderstandes besteht darin, dass sein Widerstand den Einschaltstromstoß begrenzt. Ein solcher Schmelzwiderstand kann einen Wert von 10 Ω besitzen, wohingegen es eine Sicherung nur auf wenige bis Hunderte Milliohm bringt. Elektronikentwickler können eine Sicherung mit einem NTC-Thermistor kombinieren, um vor Überströmen zu schützen und den Einschaltstromstoß zu begrenzen (Bild 2). Ein NTC-Thermistor hat einen Widerstand, der anfänglich bis zu 10 Ω oder 20 Ω betragen kann. Im stationären Betrieb fällt er jedoch in den Bereich von einigen zehn Milliohm.

Der Schmelzwiderstand scheint im Vergleich zu einer separaten Sicherung und einem Thermistor Platz zu sparen. Doch die von ihm erzeugte Wärme kann dazu führen, dass andere Komponenten bei Schmelzwiderständen mit einer Leistung von bis zu 10 W mindestens einen halben Zoll, bei Schmelzwiderständen mit einer Leistung von über 10 W bis zu einem Zoll entfernt sein müssen. Wenn Ladegeräte und Netzteile in kleine Gehäuse passen sollen, kann dieser Sicherheitsabstand problematisch sein.

Littelfuse, Efficiency Standards
Bild 3: Effizienzstandards für externe Stromversorgungen von 2007 bis 2018.
© Littelfuse

Effizienzstandards

Die vielleicht größte Herausforderung für Entwickler von Netz- oder Ladegeräten sind die vorgeschriebenen Effizienzstandards. Normen wie Energy Star und die Ökodesign-Richtlinie 2009/125/EG sind im Laufe der Jahre immer anspruchsvoller geworden (Bild 3). Je höher die Leistungsabgabe des Netz- oder Ladegeräts, desto höher ist der vorgeschriebene Wirkungsgrad.

Die entsprechenden Anforderungen für drei weit verbreitete Leistungsstufen sind:

  • 60-W-Netzteile und -Ladegeräte müssen eine Effizienz von 89% aufweisen.
  • 25-W-Geräte müssen eine Effizienz von 86% aufweisen
  • 5-W-Geräte können eine Effizienz von weniger als 80% aufweisen.

Schmelzwiderstände beeinträchtigen den Wirkungsgrad, da ihr Widerstand den einer Sicherung bei weitem übersteigt. Als Beispiel diene ein Netzteil mit einer Nennleistung von 25 W. Der erforderliche Wirkungsgrad beträgt 86 Prozent. Die Eingangsleistung des Netzteils beträgt 29 W (25 W/0,86). Somit liegt das Verlustbudget bei diesem Netzteil bei 4 W.

Ein 10-Ω-Schmelzwiderstand in der Schaltung kann an einer Netzspannung von 230 V etwa 160 mW verbrauchen ((P/U)²×R). Das entspricht 4 Prozent des Verlustbudgets. Dies lässt entsprechend weniger Luft für Verluste in den aktiven Komponenten wie den Leistungstransistoren. Eine Sicherung mit ihrem Widerstand im Milliohm-Bereich würde einen vernachlässigbaren Teil des Verlustbudgets verbrauchen. Das lässt dem Entwickler mehr Freiheit bei der Gestaltung der Gesamtschaltung.

  

Sicherung

Schmelzwiderstand

Sicherung plus NTC

 

Schmelzpunkt/°C

ca. 10001400ca. 1000
 Widerstand (typ.)/Ω0,05101,6
 Sicherungszeit/s (0,33 A – 0,825 A durch eine Komponente mit Bemessungsstrom 0,3 A)230960120
Effizienzbudget für Überstromschutz/%Für ein 5-W-Netzteil0,01,30,2
 Für ein 10-W-Netzteil0,02,90,4
 Für ein 15-W-Netzteil0,04,50,7
 Für ein 25-W-Netzteil0,07,51,2
 Für ein 60-W-Netzteil0,019,33,0

Tabelle 1: Leistungsvergleich einer Sicherung, eines Schmelzwiderstandes und einer Sicherung mit einem NTC-Thermistor in einer nominell effizienten Ladegerät-/Netzteilschaltung.

Weitere Normen

Sicherungen und Schmelzwiderstände unterliegen unterschiedlichen Normen hinsichtlich Überstrom und Temperaturanstieg. Entwickler müssen die jeweiligen Normen einhalten, die für jedes Gerät gelten. Für den europäischen und internationalen Markt werden Sicherungen nach der IEC 60127-1 und nach den IEC 60127-2, -3, -4 oder -7 bewertet. Sicherungen für den nordamerikanischen Markt werden gemäß den Anforderungen der UL/CSA/ANCE 248-1 und 248-14 bewertet.

Bild 2: Oben: Beispiel für eine Netzteil-/Ladeschaltung mit einer Sicherung als Überstromschutz und einem NTC-Thermistor zur Begrenzung des Einschaltstroms. Unten: Die gleiche Schaltung mit einem Schmelzwiderstand zum Überstromschutz und zur Begrenzung des Einschaltstroms.

Für Schmelzwiderstände gelten unterschiedliche Branchenstandards. In Europa und internationalen Märkten müssen Schmelzwiderstände der IEC 60127-8 (in der das Bauteil als Schmelzwiderstand bezeichnet wird) entsprechen. In Nordamerika müssen Schmelzwiderstände der UL 1412 (in der das Bauteil als Schmelzwiderstand bezeichnet wird) und der CSA C22.2 Nr. 60065-03 entsprechen.

Die Normen für Sicherungen sind hinsichtlich der Anforderungen für einen zulässigen Temperaturanstieg recht spezifisch. Sicherungen, die auf den nordamerikanischen Normen UL/CSA/ANCE 248-1 und 248-14 basieren, können während der Prüfung einen maximalen Temperaturanstieg von 75 K aufweisen. Der Test findet bei Raumtemperatur statt, meist +25 °C. Daher beträgt die maximale Temperatur der Sicherungen +100 °C, und die Sicherung muss während des Tests intakt bleiben.

Für Schmelzwiderstände definiert die UL 1412 keinen maximalen Temperaturanstieg. Stattdessen werden sie getestet, indem der Strom durch das Bauteil allmählich erhöht wird, bis es sich öffnet. Ein Mulltuch umgibt entweder den Schmelzwiderstand oder befindet sich in einem definierten Abstand vom Bauteil. Das Kriterium ist, dass sich das Tuch, das eine Zündtemperatur von etwa +400 °C hat, nicht entzündet. Somit erlauben die Normen den Betrieb eines Schmelzwiderstands bei viel höheren Temperaturen als für eine Sicherung.

Nutzungsempfehlungen

Sicherungen müssen strengere Normen erfüllen und als Komponenten für den Überstromschutz wesentlich höhere Leistungen erbringen als Schmelzwiderstände. Da Schmelzwiderstände ohne ausreichenden Abstand eine Zündquelle sein können, eignen sie sich vor allem für Netzteile und Ladegeräte mit geringer Leistung, bei denen mit niedrigen Überströmen und Temperaturanstiegen zu rechnen ist.

 SicherungSchmelzwiderstand

Reaktion auf Überstrom

Bis zu 8-mal schneller

Anzahl der für den Überstrom- und Einschaltstromschutz erforderlichen Komponenten

21

Effizienzbudget für Ladegerät/Netzteil

Vernachlässigbarca. 14% bei 25 W
Empfohlene Anwendungfür Ladegeräte/Netzteile mit 18 W und mehrfür Ladegeräte/Netzteile bis 15 W

Schmelzwiderstände bieten im Allgemeinen einen geeigneten Überstromschutz für Netzteile und Ladegeräte bis etwa 15 W. Geräte mit höherer Wattzahl werden in der Regel durch eine Sicherung oder eine Sicherung und einen NTC-Thermistor besser geschützt.

Anbieter zum Thema

zu Matchmaker+

Lesen Sie mehr zum Thema


Das könnte Sie auch interessieren