Bewegungsdetektion mittels pyroelektrischer Sensoren:

Jeder Schritt zählt

20. Juli 2015, 11:37 Uhr | Von Dr.-Ing. Ingo Martiny
Diesen Artikel anhören

Fortsetzung des Artikels von Teil 2

Automatische Treppenhausbeleuchtungen sind leicht realisierbar

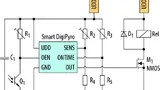
Bild 5. Schaltung eines Bewegungsmelders mit einstellbarer Einschaltdauer, Umgebungshelligkeit und Einschaltempfindlichkeit
Bild 5. Schaltung eines Bewegungsmelders mit einstellbarer Einschaltdauer, Umgebungshelligkeit und Einschaltempfindlichkeit
© Setron GmbH

Wie einfach sich damit der Aufbau eines kompletten Bewegungsmelders realisieren lässt, zeigt Bild 5. Hier werden über Spannungsteiler die Ansprechempfindlichkeit, die Einschaltdauer und die Umfeldhelligkeit, bei der der Sensor ansprechen soll, eingestellt. Trotz seines Funktionsumfangs benötigt der komplette Sensor einen Strom von lediglich 150 µA bei 3,3 V Versorgungsspannung.

Diese Sensoren ermöglichen den einfachen Aufbau von Meldern, die nur erkennen sollen, ob eine Bewegung stattgefunden hat. Eine Auswertung der Dauer dieses Ereignisses oder des aufgetretenen Temperaturunterschiedes ist damit nicht möglich. Für einfache Aufgaben indes – zum Beispiel automatische Treppenhausbeleuchtungen oder automatische Türöffner – sind diese Sensoren durch ihren für den Anwender einfachen Aufbau und die geringe Leistungsaufnahme geradezu prädestiniert.

Aufbauend auf dieser Schaltung bietet Excelitas auch ein Demo-Kit an. Dabei werden die Spannungsteiler über Trimmpotenziometer realisiert, mit denen sich die Reaktion des Sensors bei verschiedenen Umgebungsbedingungen untersuchen lässt. Außerdem ist für den Sensor noch eine Fresnel-Linse beigefügt, um den Detektionswinkel entsprechend Bild 1 zu erweitern. Ein Foto des erwähnten Demonstrators ist in Bild 6 zu sehen. Sämtliche angesprochenen Sensoren von Excelitas sowie die dazugehörigen Applikationshinweise und Datenblätter sind über den Distributor Setron (www.setron.de) erhältlich.

Bild 6. Demonstrationsplatine für den SmartPyro
Bild 6. Demonstrationsplatine für den SmartPyro
© Setron GmbH

Links: 
[1] de.wikipedia.org/wiki/Pyroelektrizität 
[2] de.wikipedia.org/wiki/Fresnellinse 
[3] www.glolab.com/pirparts/infrared.html 
[4] www.murata.com/products/catalog/pdf/s21e.pdf 
[5] www.excelitas.com/Downloads/ CAT_SensorsAndEmittersInfraredSensing.pdf 
[6] www.excelitas.com/downloads/app_digipyrofamily.pdf 
[7] www.excelitas.com/downloads/app_digipyropyq2898_0208.pdf 
[8] www.excelitas.com/downloads/PYD%201788%20PYD%201798%20-%20DigiPyro.pdf 
[9] www.excelitas.com/downloads/PYQ%201098%20-%20Four%20Element%20Smart%20DigiPyro.pdf


  1. Jeder Schritt zählt
  2. Wandelstufe ist bereits mit integriert
  3. Automatische Treppenhausbeleuchtungen sind leicht realisierbar

Lesen Sie mehr zum Thema


Das könnte Sie auch interessieren

Jetzt kostenfreie Newsletter bestellen!