Schaltregler für das Bordnetz mit speziellen Eigenschaften

Neue Herausforderungen an ICs im Automobil

24. Januar 2008, 10:32 Uhr | Jeff Gruetter

Die rasche Zunahme spezialisierter elektronischer Untersysteme in Fahrzeugen hat hohe Anforderungen an die ICs im Automobil mit sich gebracht. So müssen sie einen Lastabfall überstehen...

Diesen Artikel anhören

Schaltregler für das Bordnetz mit speziellen Eigenschaften

Die rasche Zunahme spezialisierter elektronischer Untersysteme in Fahrzeugen hat hohe Anforderungen an die ICs im Automobil mit sich gebracht. So müssen sie einen Lastabfall überstehen, bei Kaltstart funktionieren und sehr hohe Temperaturen aushalten. Da viele dieser Systeme im Dauerbetrieb arbeiten, ist zudem ein minimaler Versorgungsstrom erforderlich.

Immer mehr Elektronik-Systeme werden in Kraftfahrzeugen eingesetzt, um dort Komfort, Sicherheit und Leistung zu steigern und etwa den Schadstoffausstoß zu reduzieren. Das Marktforschungsunternehmen IC Insights [1] prognostiziert auf dem Gebiet der Halbleitertechnik im Automobilbereich einen Anstieg auf mehr als 18,1 Mrd. US-Dollar für 2008 gegenüber 14 Mrd. USD im Jahr 2006. Auch das Marktforschungsunternehmen Strategy Analytics [2] rechnet mit einer ähnlichen Entwicklung: „Der Kostenanteil elektronischer Systeme in Automobilen beläuft sich heute auf 22 % der Gesamtkosten des Fahrzeugs und wird bis 2008 auf mehr als 30 % anwachsen.“

Eine der am schnellsten weiterentwickelten Anwendungen der Fahrzeug-Elektronik ist das Motormanagement. Praktisch jedes Jahr werden strengere Abgasvorschriften eingeführt, und die Kunden verlangen einen immer geringeren Kraftstoffverbrauch bei immer höherer Leistung. Durch den Einsatz elektronischer Motorsteuerungen mit vielen Sensoren und die Verwendung von digitalen DSPs ist es heute möglich, einen Motor effizienter zu betreiben und damit die Emissionen zu reduzieren. Fahrzeug-Elektronik wird heute auch für Sicherheit, Klimatisierung, Beleuchtung, Navigation, drahtlose Schnittstellen und Fahrwerksteuerung eingesetzt. Die Anzahl der elektronischen Komponenten im Fahrzeug nimmt daher zu, aber es steht immer weniger Platz zur Verfügung; die „elektronische Dichte“ steigt erheblich.

In den Geräten der Fahrzeug-Elektronik kommen Schaltregler-ICs zum Einsatz, häufig Schaltregler für das Bordnetz mit speziellen Eigenschaften Die rasche Zunahme spezialisierter elektronischer Untersysteme in Fahrzeugen hat hohe Anforderungen an die ICs im Automobil mit sich gebracht. So müssen sie einen Lastabfall überstehen, bei Kaltstart funktionieren und sehr hohe Temperaturen aushalten. Da viele dieser Systeme im Dauerbetrieb arbeiten, ist zudem ein minimaler Versorgungsstrom erforderlich. Von Jeff Gruetter Neue Herausforderungen an ICs im Automobil mit mehreren Spannungsschienen für jedes Untersystem. Als Wirkungsgrad und Abmessungen noch keine primäre Rolle spielten, wurden hier meist Linearregler verwendet. Da aber die Leistungsdichte stark zugenommen hat, sind Kühlkörper für den Einbau zu groß. Wegen der räumlichen Beschränkungen und des großen Betriebstemperaturbereichs ist der Wirkungsgrad der Leistungswandlung entscheidend. Bei niedrigen Ausgangsspannungen und selbst bei mittleren Stromstärken von wenigen hundert mA können hier Linearregler nicht mehr eingesetzt werden, da sie zu viel Wärme erzeugen. Sie werden immer häufiger durch Schaltregler ersetzt. Deren Vorteile sind der höhere Wirkungsgrad und ein geringerer Platzbedarf; dies überwiegt ohne weiteres die Nachteile – zusätzliche elektromagnetische Störungen und komplexere Bauweise.

Niedrige Versorgungsströme für „Always On“-Systeme

Neben den Anforderungen bei Lastabfall und Kaltstart müssen viele elektronische Untersysteme auch im „Standby“ arbeiten und dürfen dabei nur einen minimalen Ruhestrom aufnehmen. Solche Schaltkreise finden sich in den meisten elektronischen Versorgungssystemen für Navigation, Sicherheit und Motormanagement. Jedes Untersystem kann mehrere Mikroprozessoren und Mikrocontroller umfassen, die Fahrzeuge der Oberklasse haben heute zwischen 60 und 100 solcher DSPs an Bord. Diese werden meist in zwei verschiedenen Betriebsarten eingesetzt: Fährt das Fahrzeug, dann arbeiten sie mit der vollen Stromaufnahme, dabei werden sie von Batterie und Ladesystem gespeist. Wird die Zündung abgeschaltet, bleibt eine ganze Reihe dieser Mikroprozessoren in Betrieb; der Strom kommt dann aus der Batterie. Für Navigation, Klimatisierung und Motormanagement sind mitunter mehr als 30 solcher „Always On“-Prozessoren erforderlich; die Batterien müssen daher auch bei ausgeschalteter Zündung immer mehr Energie liefern. Insgesamt können einige hundert mA Versorgungsstrom erforderlich sein, um diese Prozessoren laufend zu betreiben; die Batterie würde dadurch in wenigen Tagen vollständig entladen und wäre nicht mehr in der Lage, den Motor zu starten.

78ah0601_tm.jpg
Bild 1. Verhalten der Ausgangsspannung bei Lastabfall und Kaltstart. Während bei einem Lastabfall die Eingangsspannung am Spannungsregler-IC bis auf 36 V ansteigen kann (links), kann bei einem Kaltstart die Batteriespannung bis auf 4 V absinken (rech

Der Baustein integriert einen 3-A/ 0,25-Ω-Schalttranssistor, die erforderliche Boost-Diode, einen Oszillator und die Logik. Der Burst-Modus gewährleistet bei niedrigen Ausgangsströmen einen hohen Wirkungsgrad und eine Ausgangsspannungswelligkeit von weniger als 15 mVss. Der hohe Wirkungsgrad über den gesamten Eingangsspannungsbereich wird möglich durch spezielle Design-Verfahren und einen neuen Hochspannungs- Halbleiterprozess. Die „Current Mode“-Topologie wiederum sorgt für kurze Einschwingzeiten und eine hohe Stabilität der Regelschleife. Weitere Funktionen des Chips sind eine externe Synchronisation von 250 kHz bis 2 MHz, ein „Power Good“-Signal sowie eine „Soft Start“-Funktion.

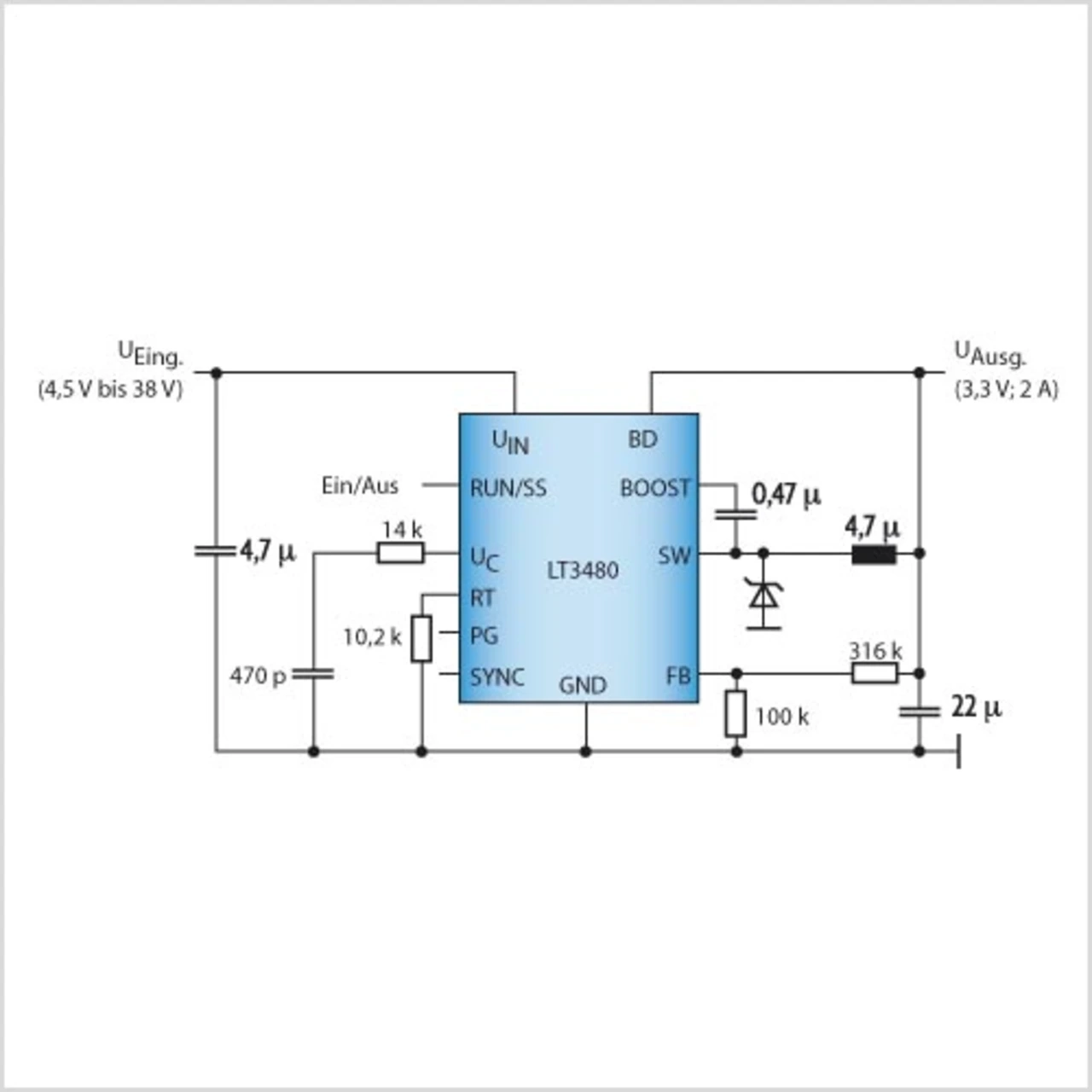
78ah0604_tm.jpg
Bild 4. Die Beschaltung des LT3480 kommt mit nur wenigen Standard-Bauelementen aus.

  1. Neue Herausforderungen an ICs im Automobil
  2. Thermische Anforderungen und hohe „Elektronik-Dichte“ im Automobil
  3. Neue Herausforderungen an ICs im Automobil

Jetzt kostenfreie Newsletter bestellen!