Ladeinfrastruktur

Halbleiter als Schlüssel zum DC-Schnellladen

11. Februar 2022, 12:32 Uhr | Nach Unterlagen von onsemi / Redaktion: Irina Hübner
Insbesondere für längere E-Auto-Strecken sind ausreichend Schnellladestationen wichtig.
© Pexels / Kindel Media

Nach einem schleppenden Start nimmt die Akzeptanz von E-Fahrzeugen nun rapide zu und ebenso das Entwicklungstempo. Doch der Mangal an Ladestationen – insbesondere an Schnellladestationen – schwächt das Kundeninteresse. Passende Leistungselektronik-Topologien können die Infrastruktur voranbringen.

Diesen Artikel anhören

Um kraftstoffbetriebene Fahrzeuge aufzutanken, besteht derzeit nur die Möglichkeit, eine der tausenden Tankstellen aufzusuchen, die sich neben Autobahnen, in Städten und vielen Ortschaften befinden. Mit E-Fahrzeugen ändert sich das Bild: Zwar sind einige Tankstellen mit Ladestationen ausgestattet, diese könnten darüber hinaus aber fast überall installiert werden, wo ein Fahrzeug geparkt wird – an Arbeitsplätzen, öffentlichen Gebäuden, Raststätten, in Wohngebieten und sogar in der eigenen Garage.

Es gibt mehrere Arten von Elektrofahrzeugen, wobei Hybridfahrzeuge (PHEV – Plug-in Hybrid Electric Vehicle; Full HEV und MHEV – Mild HEV) mit einer alternativen Antriebsquelle ausgestattet sind, meist einem Verbrennungsmotor. Vollständig batteriebetriebene Fahrzeuge haben nur einen Elektromotor und werden als BEV (Battery Electric Vehicle) bezeichnet; die Fahrzeuge mit Brennstoffzellen als FCEV (Fuel Cell Electric Vehicle). Im Allgemeinen können sich Hybridfahrzeuge über den Verbrennungsmotor selbst aufladen, wobei einige Typen (PHEV) auch an der Steckdose aufgeladen werden können.

Der Absatz aller Arten von Elektrofahrzeugen (xEV) wird in den nächsten Jahren stark steigen, wobei BEV und MHEV die meisten Zuwächse verzeichnen werden.

Bild 1. Prognostizierter xEV-Absatz.
Bild 1. Prognostizierter xEV-Absatz.
© IHS, Omdia 2020

Um mehr xEV zu etablieren, ist ein entsprechender Ausbau der Ladeinfrastruktur erforderlich. Derzeit befindet sich die überwiegende Mehrheit an Ladestationen in China – so liegt der dortige Anteil an Schnellladestationen bei über 80 % der Gesamtinstallationen.

Bild 2. Private und öffentlich zugängliche Ladestationen nach Ländern 2019.
Bild 2. Private und öffentlich zugängliche Ladestationen nach Ländern 2019.
© IEA 2020

Laut den Analysten von Research and Markets wird zwischen 2020 und 2027 ein durchschnittliches jährliches Wachstum (CAGR) von 31,8% bei der Zahl der installierten Einheiten und eine damit verbundene Umsatzsteigerung von 39,8% erwartet, was auf einen Preisanstieg in diesem Zeitraum hinweist.

DC-Ladestandards und -protokolle

Damit xEV an öffentlich zugänglichen Ladestationen aufgeladen werden können, muss eine Standardisierung mit gemeinsamen Protokollen erfolgen. Dies ist vor allem in den Regionen wichtig, in denen Fahrzeuge häufig Ländergrenzen überschreiten, beispielsweise in Europa.

Weltweit gibt es drei wesentliche Protokolle, die auf einer Reihe internationaler Standards basieren. CHAdeMO (Charge de Move) wurde 2010 in Japan eingeführt und wird von den wichtigsten japanischen Fahrzeugherstellern (Nissan, Mitsubishi, Toyota, Hitachi, Honda etc.) sowie von mehreren europäischen Herstellern unterstützt. CHAdeMO stützt sich auf internationale Standards wie IEC 6185 und IEC 62196 und definiert einen bestimmten Ladestecker. Ebenfalls definiert sind die Ladegeräte – derzeit bis 400 kW/1000 V. Berichten zufolge zieht eine Partnerschaft mit dem China Electricity Council Ladestationen bis 900 kW in Betracht.

Ursprünglich von führenden europäischen und amerikanischen Herstellern wie VW, Audi, BMW, Daimler, Ford, GM und Volvo ins Leben gerufen – umfasst das Combined Charging System (CCS) inzwischen auch einige asiatische Hersteller. CCS leitet seine AC- und DC-Normen von den geltenden IEC-, SAE- und ISO-Normen ab und arbeitet an Ladestandards bis 350 kW. Derzeit sind über 33.000 Ladestationen im Einsatz, von denen mehr als die Hälfte 50 kW Ladeleistung bieten.

Ein aktueller Standard ist die schnelle DC-Ladestation von Tesla, genannt Supercharger, die ein proprietärer Standard für Tesla-Fahrzeuge ist. Mehr als 20.000 Stationen weltweit sind installiert, die den von Tesla entwickelten Anschluss/Stecker verwenden und eine Leistung bis zu 250 kW liefern. Um das Netz zu erweitern, bietet Tesla jetzt für einige Fahrzeuge Adapter für die Nutzung von CCS-Ladestationen an. In Europa sind manche Tesla-Fahrzeuge sogar mit CCS-kompatiblen Anschlüssen ausgestattet.

Die Ladezeiten hängen bei allen Standards von der Batteriekapazität, dem Ladezustand, der an der Ladestation verfügbaren Leistung sowie von der maximal möglichen Laderate des Fahrzeugs ab. Ein „durchschnittliches“ Fahrzeug benötigt circa 29 Minuten Ladezeit, um 266 km Reichweite mit einer 100-kWh-Ladung zu erzielen. Dies ist deutlich länger als die 3 bis 5 Minuten, die zum Betanken eines kraftstoffbetriebenen Fahrzeugs erforderlich sind – und erklärt, warum Unternehmen auf immer höhere Laderaten drängen.

On-Board- oder Off-Board-Laden?

Es gibt zwei Ladearten: On-Board und Off-Board. Die Definition bezieht sich darauf, wo die Umwandlung in DC erfolgt. On-Board-Ladegeräte führen Wechselstrom aus der Steckdose oder Ladestation in das Fahrzeug, wo ein On-Board-Ladegerät diesen in Gleichstrom zum Laden der Batterie umwandelt. Umgekehrt wandeln Off-Board-Ladegeräte den Wechselstrom intern in Gleichstrom um und liefern diesen dann an das Fahrzeug, um die Batterie direkt zu laden.

Bild 3. Das Aufladen kann entweder On-Board oder Off-Board erfolgen.
Bild 3. Das Aufladen kann entweder On-Board oder Off-Board erfolgen.
© Bild: Yole Development

Schnelles DC-Laden und entsprechende Leistungselektronik-Topologien
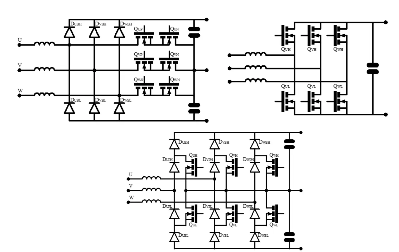
DC-Schnellladegeräte weisen zwei Stufen im Hauptstrang auf – eine Leistungsfaktorkorrekturstufe (PFC; Power Factor Correction) und eine DC/DC-Wandlerstufe. Es gibt verschiedene PFC-Aufwärtswandler-/Boost-Topologien für das unidirektionale Laden, unter anderem NPC, T-NPC und 6-Switch.

Bild 4. Gängige 3-Phasen-Leistungsfaktorkorrektur-/PFC-Boost-Topologien für schnelles DC-Laden von Elektrofahrzeugen – T-NPC (oben links), 6-Switch (oben rechts) und I-NPC (unten).
Bild 4. Gängige 3-Phasen-Leistungsfaktorkorrektur-/PFC-Boost-Topologien für schnelles DC-Laden von Elektrofahrzeugen – T-NPC (oben links), 6-Switch (oben rechts) und I-NPC (unten).
© onsemi

Da darüber nachgedacht wird, in Zeiten teuren Stroms die in der Fahrzeugbatterie gespeicherte Energie zur Stromversorgung von Haushalten zu nutzen, wird der bidirektionale Betrieb immer wichtiger. Alle gezeigten Topologien würden diese Betriebsart unterstützen, wenn einige der Dioden durch Schalter ersetzt werden.

MOSFETs aus Siliziumkarbid (SiC) mit niedrigem Innenwiderstand RDSon (im Bereich <40 mΩ) sind die bevorzugte Lösung, insbesondere für höhere Leistungsbereiche, da sie im Vergleich zu Silizium-MOSFETs einen höheren Wirkungsgrad haben. Idealerweise kommen sie in PIMs (Power Integrated Modules) zum Einsatz, da diese integrierten Lösungen eine höhere Leistungsfähigkeit bieten, das Design vereinfachen, die Systemgröße verringern und die Zuverlässigkeit erhöhen. T-NPC (T-Neutral Point Clamp) erfordert ebenfalls 1200-V-Dioden (oder Schalter für den bidirektionalen Betrieb), während der Typ NPC Schalter wie 650-V-SiC-MOSFETs oder IGBTs verwendet.

Für die DC/DC-Wandlerstufe werden zwei primäre Topologien verwendet: resonante Vollbrücken-LLC und die Vollbrücke mit ZVS (Zero Voltage Switching). LLC ermöglicht ZVS auf der Primärseite und oft auch ZCS (Zero Current Switching) auf der Sekundärseite, was zu sehr hohen Wirkungsgraden beim Betrieb nahe der Resonanzfrequenz führt. Sofern die Betriebsfrequenz begrenzt ist, können LLC-Wandler eine hocheffiziente Lösung sein – auch wenn der Parallelbetrieb aufgrund der mit der Stromteilung und Synchronisierung verbundenen Schwierigkeit eine Herausforderung darstellt.

Auch phasenverschobene Vollbrückentopologien sind weit verbreitet und profitieren von einer weniger komplexen Steuerung als LLC-Ansätze. Mit ZVS ist die Effizienz über einen weiten Bereich von Ausgangsspannungen hoch, was ideal ist, um 400- als auch 800-V-Batteriespannungen zu unterstützen.

Obwohl es bemerkenswerte Unterschiede gibt, weisen sowohl LLC als auch die phasenverschobene Vollbrücke eine ähnliche Anzahl von Bauelementen auf und erreichen ähnliche Leistungsdichten. Beide Ansätze eignen sich für die synchrone Sekundärgleichrichtung und damit auch für den bidirektionalen Betrieb.

onsemi bietet eine Reihe von Bausteinen für hocheffiziente EV-Ladesysteme, darunter SiC-Dioden und MOSFETs, SiC-Leistungsmodule und zugehörige Gate-Treiber.

SiC-Schottky-Dioden ermöglichen im Vergleich zu Silizium ein besseres Schaltverhalten und eine höhere Zuverlässigkeit, was zum Teil auf ihr hervorragendes thermisches Verhalten zurückzuführen ist. Die in den Versionen 650, 1200 und 1700 V erhältlichen SiC-Dioden von onsemi weisen keinen Sperrstrom sowie temperaturunabhängige Schalteigenschaften auf.

SiC-MOSFETs sind schnell und robust und bieten eine 10-mal höhere dielektrische Durchbruchsfeldstärke, eine 2-mal höhere Elektronensättigungsgeschwindigkeit, eine 3-mal höhere Energiebandlücke und 3-mal höhere Wärmeleitfähigkeit. Sie sind in den Versionen 650, 900 und 1200 V erhältlich.

Zu den Systemvorteilen von SiC-Dioden und -MOSFETs gehören ein höchstmöglicher Wirkungsgrad durch eine geringere Verlustleistung, eine höhere Leistungsdichte, eine höhere Betriebsfrequenz, der Betrieb bei erhöhten Temperaturen und eine reduzierte EMI.

SiC-basierte Boost-/Aufwärtswandler enthalten SiC-Dioden und SiC-MOSFETs und werden in DC/DC-Wandlerstufen eingesetzt. Der vollständig integrierte Ansatz reduziert parasitäre Elemente und verbessert das Wärmeverhalten, vereinfacht das Design und reduziert den Platzbedarf auf der Leiterplatte.

Neben diesen Lösungen bietet onsemi auch isolierte Gate-Treiber für WBG-Schalter (Wide-Bandgap) an, um die Systemeffizienz und -zuverlässigkeit verbessern.

Ein breites Netz von DC-Schnellladestationen gilt als entscheidender Faktor für den steigenden Absatz von Elektrofahrzeugen in den nächsten Jahren. Es gibt mehrere Standards verschiedener Branchenvereinigungen, und obwohl es erhebliche Unterschiede gibt, besteht eine Gemeinsamkeit: der Bedarf an mehr Leistung und Effizienz.

SiC-Bauelemente sind der Schlüssel zum schnellen Laden, das Elektrofahrzeuge erfolgreich und alltäglich machen wird. Mit einem umfassenden Angebot an SiC-Dioden, MOSFETs, Leistungsmodulen und zugehörigen Gate-Treibern ist onsemi dabei führend in diesem Bereich.

Anbieter zum Thema

zu Matchmaker+

Lesen Sie mehr zum Thema


Das könnte Sie auch interessieren