Analog Devices

Stromversorgungen für Fahrassistenzsysteme verbessern

30. November 2022, 08:00 Uhr | Ying Cheng, Analog Devices
Evaluation-Kit
© Analog Devices | Componeers GmbH

Fahrerassistenzsysteme sind für den Fahrer hilfreich, mit ihnen steigt aber auch die Leistungsaufnahme. Damit können Schaltregler mit niedrigem Ausgangsstrom nicht mehr genutzt werden. Eine Alternative: Hochstrom-Abwärtsregler.

Diesen Artikel anhören

Fortsetzung des Artikels von Teil 1

Hochstrom-Wandler auf Basis des monolithischen LT8648S

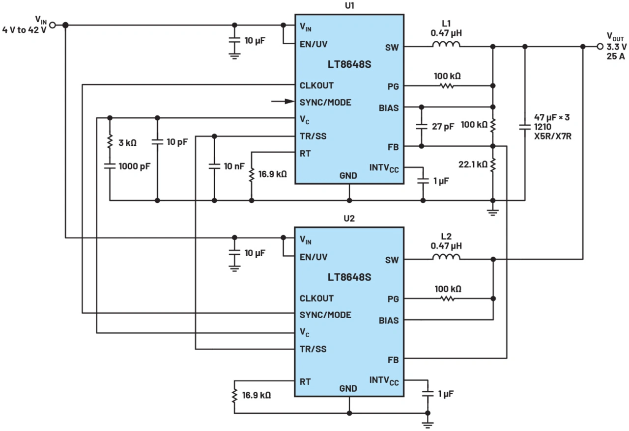
Bild 5
Bild 5. Zwei parallelgeschaltete LT8648S enthält diese Schaltung mit 2 MHz Taktfrequenz, einer Ausgangsspannung von 3,3 V und einem Ausgangsstrom von 25 A.
© Analog Devices

Eine komplexe ADAS-Applikation erfordert mehr als ein SoC sowie mehrere Kameras und Sensoren. Ein System, das erlaubt, dass der Fahrer das Lenkrad während der Fahrt loslässt, kann mehrere energiehungrige Chips sowie bis zu 11 Kameras benötigen. Da er für einen höheren Ausgangsstrom ausgelegt ist als der LT8638S, eignet sich der LT8648S zum Erzeugen der Zwischenspannung für diese komplexeren ADAS-Applikationen. Als monolithischer Abwärtsregler für 42 V und 15 A kommt der LT8648S bezüglich des Ausgangsstroms und der Leistung bereits nah an Controller-Lösungen mit externen MOSFETs heran, und durch Parallelschalten mehrerer LT8648S lassen sich sogar noch höhere Ausgangsströme unterstützen.

Bild 5 zeigt eine mit 2 MHz getaktete Schaltung aus zwei parallelgeschalteten LT8648S, die einen Ausgang mit 3,3 V/25 A bereitstellt. Die Ein- und Ausgänge der beiden LT8648S sind hier zusammengeschaltet, und auch die Pins EN/UV und SS sind jeweils miteinander verbunden, um sicherzustellen, dass beide Regler gleichzeitig und mit derselben Anstiegsrate hochfahren. Da der LT8648S mit der Spitzenstromregelung arbeitet, richtet sich die Ausgangsspannung VC des Fehlerverstärkers nach dem Laststrom. Durch das Verbinden der Pins VC und FB kommen die beiden parallelgeschalteten LT8648S ohne zusätzlichen Schaltungsaufwand auf einen guten Stromausgleich. Der CLKOUT-Pin des mit U1 bezeichneten LT8648S ist mit dem SYNC/MODE-Pin des Bausteins U2 verbunden. Dies sorgt dafür, dass beide Regler um 180° phasenversetzt arbeiten.

Bild 6
Bild 6. Wirkungsgrad und Temperaturanstieg der Schaltung aus Bild 6
© Analog Devices

In Bild 6 sind der Wirkungsgrad und der Temperaturanstieg der Schaltung aus Bild 6 dargestellt. Die Tatsache, dass U1 und U2 nahezu dieselbe Temperatur erreichen, lässt auf einen guten Stromausgleich zwischen beiden Bausteinen in dieser Parallelschaltung schließen. Die hohe Schaltfrequenz und die externe Kompensation ergeben ferner ein gutes Einschwingverhalten. Das Lastsprungverhalten der Schaltung aus Bild 5 geht aus Bild 7 hervor.

Bild 7
Bild 7. Verhalten der Schaltung aus Bild 6 bei einem Lastsprung von 10 A auf 20 A
© Analog Devices

Fazit

In diesem Beitrag wurden zwei monolithische Hochstrom-Schaltregler der Silent Switcher Familie vorgestellt. Der hohe Wirkungsgrad und die äußerst geringen Störaussendungen der Bausteine LT8638S und LT8648S räumen etwaige Bedenken bezüglich der thermischen und EMI-relevanten Eigenschaften in Automobil-Anwendungen mit rauen Umgebungsbedingungen aus. Dank ihrer integrierten MOSFETs sorgen der LT8638S und der LT8648S für kleine Lösungsabmessungen bei Hochstrom-Stromversorgungen zum Erzeugen der Zwischenspannungen für die rapide an Verbreitung gewinnenden Fahrassistenzsysteme.

Autorin:

Ying Cheng
Ying Cheng/Analog Devices
© Analog Devices

Ying Cheng arbeitet als Staff Applications Engineer für Power-Produkte bei der Industrial and Multimarkets Business Group von Analog Devices im kalifornischen Santa Clara. Sie ist bereits seit 2010 bei ADI tätig und arbeitet derzeit im Applikations-Support für nicht-isolierte monolithische Abwärtswandler. Zu den Interessensgebieten von Ying Cheng im Bereich Power Management gehören leistungsfähige Leistungswandler und -regler mit hohem Wirkungsgrad, hoher Leistungsdichte und niedrigem EMI-Aufkommen für Automotive-, Telekommunikations-, Medizin- und Industrie-Anwendungen. Sie erwarb an der Shanghai Jiao Tong University in China ein Bachelor- und ein Master-Diplom in Elektrotechnik und promovierte im selben Fachgebiet an der Missouri University of Science and Technology (vormals University of Missouri-Rolla) in Rolla (Missouri/USA).


  1. Stromversorgungen für Fahrassistenzsysteme verbessern
  2. Hochstrom-Wandler auf Basis des monolithischen LT8648S


Lesen Sie mehr zum Thema


Das könnte Sie auch interessieren