Analog Devices

Stromversorgungen für Fahrassistenzsysteme verbessern

30. November 2022, 09:00 Uhr | Ying Cheng, Analog Devices
Evaluation-Kit
© Analog Devices | Componeers GmbH

Fahrerassistenzsysteme sind für den Fahrer hilfreich, mit ihnen steigt aber auch die Leistungsaufnahme. Damit können Schaltregler mit niedrigem Ausgangsstrom nicht mehr genutzt werden. Eine Alternative: Hochstrom-Abwärtsregler.

Diesen Artikel anhören

Fahrassistenzsysteme setzen sich in modernen Kraftfahrzeugen immer mehr durch, denn sie minimieren menschliche Fehler und kommen damit der Verkehrssicherheit zugute. Die ersten ADAS-Lösungen bestanden lediglich aus einer automatisierten Fahrassistenz-Funktion. Ein Beispiel: Abstandsregel-Tempomaten auf Basis eines einzigen Radarsensors. Inzwischen aber gibt es in Automobilen immer mehr ADAS-Funktionen wie etwa Notbremsassistent, Totwinkelüberwachung, Fahrzeug- und/oder Fußgängererkennung, Spurhalteassistent usw. Aufgrund der weiterentwickelten ADAS-Systeme nimmt der Stromverbrauch unweigerlich zu, denn die Zahl der Sensoren und Kameras steigt, es sind umfangreichere Datenverarbeitungs- und Berechnungsoperationen in Echtzeit erforderlich und auch die Kommunikation muss mit äußerst hoher Geschwindigkeit erfolgen. Ein ADAS-SoC der ersten Generation wie das Mobileye EyeQ aus dem Jahr 2008 nahm noch zwischen 2 und 3 W auf. Bei neu auf den Markt gekommenen ADAS-SoCs wie dem NVIDIA Xavier mit seinen leistungsfähigen Datenverarbeitungs- und Rechenfunktionen beträgt die Leistungsaufnahme dagegen 20 bis 30 W. Versorgt werden die ADAS-Lösungen aus dem 12-V-Bordnetz, dessen Spannung zunächst auf 5 V oder 3,3 V herabgesetzt wird. Diese Zwischenspannung wandelt man anschließend in die verschiedenen, vom SoC-Kern, den Schnittstellen, den Peripheriefunktionen usw. benötigten niedrigeren Spannungen um. Da die Leistungsaufnahme der ADAS-SoCs zunimmt, sollte der Spannungswandler zum Erzeugen der Zwischenspannung für einen Ausgangsstrom von mindestens 10 A ausgelegt sein.

Traditionell setzt man beim Design solcher Hochstrom-Wandler zum Erzeugen der Zwischenspannung auf Buck-Controller. Diese benötigen jedoch externe MOSFETs und ergeben damit insgesamt große Lösungsabmessungen. Dementsprechend anspruchsvoll ist die Aufgabe, eine solche Stromversorgung bei den für Automotive-Anwendungen typischen, beengten Platzverhältnissen unterzubringen. Ein weiteres Problem im Zusammenhang mit getakteten Stromversorgungen sind die elektromagnetischen Störaussendungen (Electromagnetic Emissions, EMI). Beim Design müssen deshalb die strikten Grenzwerte beachtet werden, die die Automobilindustrie hinsichtlich der abgestrahlten und leitungsgeführten Störgrößen vorgibt. Die Einhaltung dieser Vorgaben wird zudem umso schwieriger, je mehr die Leistungsaufnahme zunimmt. Um den Restriktionen bezüglich der Leistung, der Abmessungen und der elektromagnetischen Störemissionen gerecht zu werden, entwickelte Analog Devices die beiden monolithischen, für 42 V und hohe Ausgangsströme konzipierten Silent Switcher Schaltregler »LT8638S« und »LT8648S«.

Kompakte Stromversorgungs-Lösung mit dem LT8638S

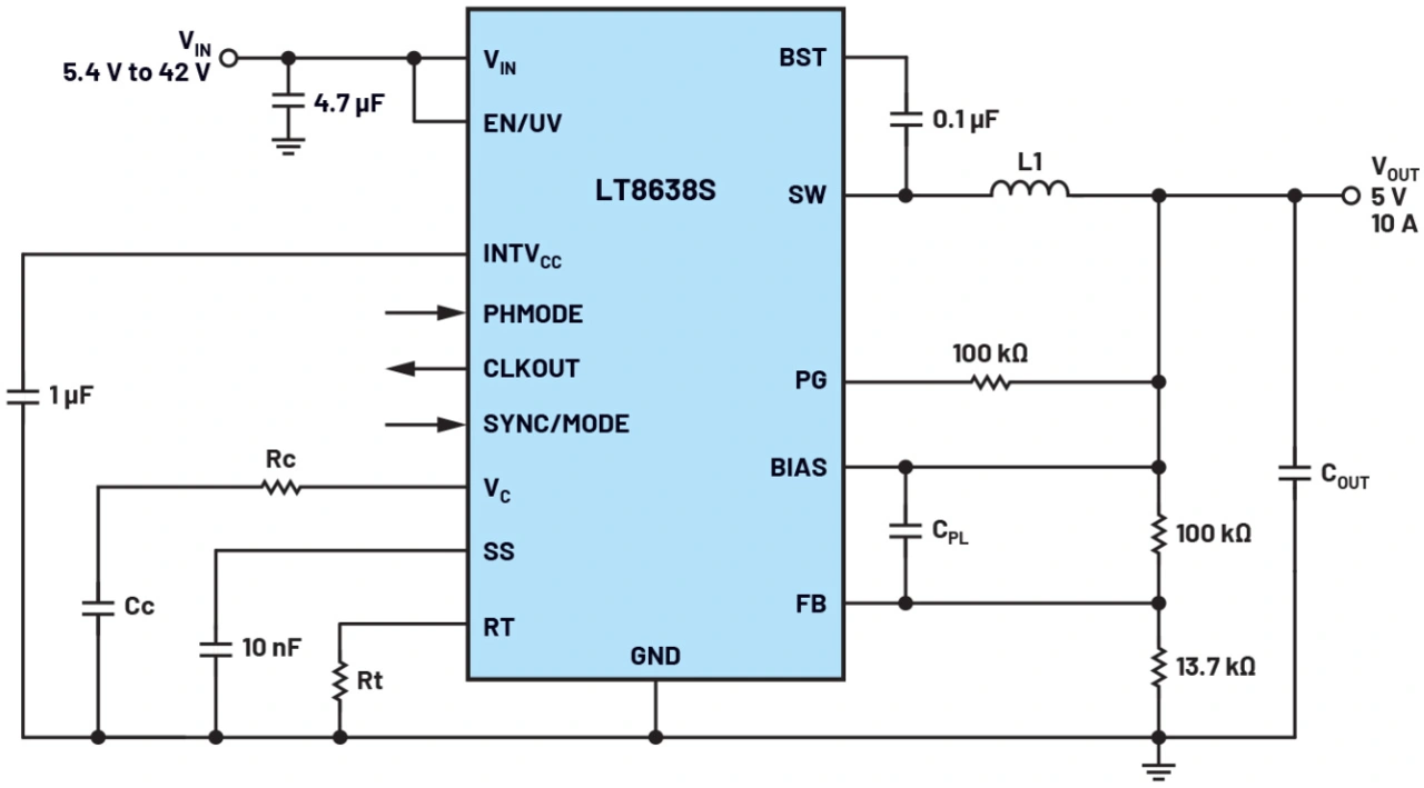
Der LT8638S ist ein für 42 V und 10 A dimensionierter, einkanaliger Abwärtsregler, der neben sämtlichen Regelschaltungen auch die MOSFETs in einem LQFN-Gehäuse mit den Maßen 4 mm x 5 mm zusammenfasst. Für kurze Zeit darf der Ausgangsstrom einen Spitzenwert von 12 A erreichen. Der LT8638S eignet sich ideal als kompakte Lösung, um die Zwischenspannung mit einem Strom von 10 A bereitzustellen. Bild 1 zeigt den Baustein in einer typischen, für 5 V/10 A dimensionierten Schaltung.

Bild 1
Bild 1. Stromversorgungs-Schaltung für 5 V und 10 A auf Basis des LT8638S
© Analog Devices

Die Schaltfrequenz kann auf Werte zwischen 300 kHz und 3 MHz eingestellt werden. Die folgende Tabelle listet die Werte der wichtigsten Bauteile für Schaltungen mit einer Taktfrequenz von 400 kHz bzw. 2 MHz auf.

Schaltfrequenz400 kHz2 MHz
L1

3,3 µH (10 x 11,3 x 10) mm3)

0,56 µH (6,36 x 6,56 x 6,1 mm3)
COUT47 µF × 347 µF × 1
Rt

105 kΩ

16,9 kΩ
Rc9,31 kΩ13,7 kΩ
CC820 pF220 pF
CPL33 pF10 pF

Aus Bild 2 wiederum sind der Wirkungsgrad und der Temperaturanstieg des LT8638S auf dem Demo-Board DC2929A bei Schaltfrequenzen von 400 kHz und 2 MHz zu entnehmen.

Bild 2
Bild 2. Wirkungsgrad und Temperaturanstieg der Schaltung aus Bild 1
© Analog Devices

Vergleicht man die beiden Schaltungsvarianten mit 400 kHz bzw. 2 MHz Schaltfrequenz, so erkennt man, dass die Induktivität der 400-kHz-Ausführung um den Faktor 2,5 mehr Platz beansprucht, während der Ausgangskondensator hier sogar dreimal größer ist als bei der Version mit 2 MHz Schaltfrequenz. Wenn es also auf geringen Platzbedarf und niedrige Kosten ankommt, ist die 2-MHz-Variante eindeutig zu bevorzugen. Die wichtigsten Gründe, die beim Design einer Stromversorgung gegen eine Schaltfrequenz von 2 MHz sprechen können, sind der Wirkungsgrad und die thermischen Eigenschaften, denn die Schaltverluste können bei der hohen Schaltfrequenz deutlich höher ausfallen. Der LT8638S räumt diese Bedenken allerdings großenteils aus, da er die Schaltverluste dank steiler Schaltflanken minimiert. Wie aus Bild 2 hervorgeht, beträgt die Temperaturzunahme des Bausteins bei 2 MHz Schaltfrequenz und 50 W Ausgangsleistung lediglich 60 °C, und der Wirkungsgrad-Unterschied zwischen 400 kHz und 2 MHz macht bei 10 A Laststrom nicht mehr als 1,5 Prozentpunkte aus.

Bild 4
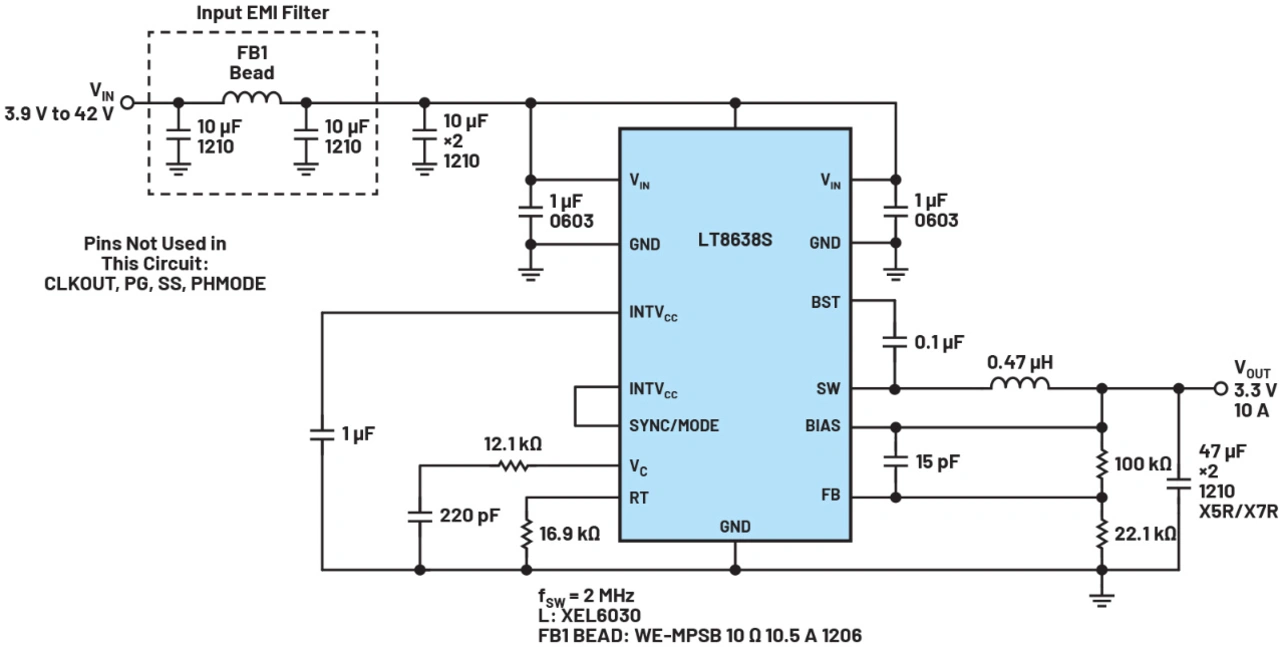
Bild 3. Ein äußerst niedriges EMI-Niveau kennzeichnet diese Schaltung mit dem LT8638S.
© Analog Devices

Steile Schaltflanken wirken sich günstig auf den Wirkungsgrad bei hohen Schaltfrequenzen aus, können allerdings zur verstärkten Erzeugung elektromagnetischer Störaussendungen führen. Da der LT8638S aber auf der Silent Switcher Architektur basiert, kann er trotz steiler Schaltflanken mit sehr geringen elektromagnetischen Störaussendungen, gepaart mit deutlich kleineren Lösungsabmessungen, aufwarten. In Bild 3 ist eine mit 2 MHz getaktete LT8638S-Schaltung zu sehen, die durch äußerst geringe Störemissionen gekennzeichnet ist. Um optimale EMI-Eigenschaften zu erreichen, arbeitet der Regler im Spread-Spectrum-Modus. Hierzu wird der SYNC/MODE-Pin mit dem INTVCC-Pin verbunden.

Bild 4
Bild 4. Abgestrahlte und leitungsgeführte Störaussendungen der Schaltung aus Bild 4 (Eingang: 12 V; Ausgang: 3,3 V/10 A)
© Analog Devices

Bild 4 zeigt die Störaussendungen der Schaltung aus Bild 4 auf Basis eines in der Norm CISPR 25 definierten Versuchsaufbaus. Die Grenzwerte gemäß CISPR 25, Klasse 5 (der strengsten EMI-Spezifikation der Automobilindustrie) sind in Rot eingezeichnet. Wie man sieht, kann der LT8638S – kombiniert mit den wenigen, in Bild 4 gezeigten Bauteilen zum Konfigurieren eines Eingangsfilters – die strengen Spitzen- und Durchschnittswerte der Norm CISPR 25, Klasse 5 erfüllen.

Anbieter zum Thema

zu Matchmaker+

  1. Stromversorgungen für Fahrassistenzsysteme verbessern
  2. Hochstrom-Wandler auf Basis des monolithischen LT8648S


Lesen Sie mehr zum Thema


Das könnte Sie auch interessieren