Von Gleichspannung zur PWM-Steuerung:

Ein lohnender Wandel

15. Dezember 2015, 14:06 Uhr | Raimund Wagner
© Rohm

Wie sich die herkömmliche Gleichspannungs-Steuerung von Motoren zur effizienteren PWM-Steuerung konvertieren lässt.

Diesen Artikel anhören

Mehr als ein Jahrhundert ist vergangen, seit der erste Elektromotor erfunden wurde, und der Bereich erweitert sich auch heute noch auf vielfältige Weise. Im Bereich der kompakten Motoren findet man vor allem Motoren mit Kollektor, die sich durch geringe Größe und Gewicht, hohen Wirkungsgrad, niedrigen Preis, leichte Bedienung und einfache Struktur auszeichnen. Rohm entwickelt H-Brücken-Motortreiber für diese Motoren; das Augenmerk liegt dabei auf dem Aufbau einer umfangreichen Produktpalette, der Wirkungsgradsteigerung, der Zuverlässigkeit und der Senkung des Energiebedarfs. 

Um diese Ziele zu erreichen, ist die H-Brücken-Treiber-Serie BD62XX (Bild 1) zusätzlich zur konventionellen Gleichspannungs-Steuerung mit einer internen PWM-Steuerung ausgestattet.

H-Brücken-Motorsteuerung

Die H-Brückenschaltung wurde entwickelt, um vier Aktionen auszuführen: Vorwärts- und Rückwärtsdrehung des Motors, Stoppen und Leerlauf. Diese Aktionen werden auf einfache Weise mit verschiedenen Ansteuerungen der beiden Anschlüsse des Motors durchgeführt (Bild 2):

  • Vorwärtsdrehung mit positiver Vorspannung (obwohl nicht bestimmt ist, welche Richtung positiv ist),
  • Rückwärtsdrehung mit negativer Vorspannung,
  • Stoppen bei einem Kurzschluss und
  • Standby-Modus (Leerlauf) im Release-Modus.

Anbieter zum Thema

zu Matchmaker+

Bilder 1 bis 3

Ersatzschaltung des H-Brücken-Motortreibers der Serie BD62XX.
© Rohm
Vier mögliche Schaltungen eines DC-Motors.
© Rohm
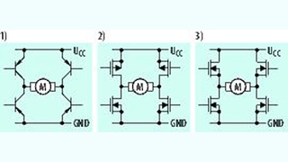
Verwendung verschiedener Transistoren: 1) Kombination aus pnp- und npn-Bipolar-Transistoren; 2) Kombination aus p- und n-­Kanal-MOSFETs; 3) Kombination aus n- und n-Kanal-MOSFETs.
© Rohm

Alle Bilder anzeigen (3)

Die Ansteuerschaltung besteht aus vier Transistoren, die als Antwort auf ein Steuersignal ein- und ausgeschaltet werden und den erforderlichen Strom für den Motorantrieb liefern. Beim Strom, der durch die Transistoren fließt, muss die Transistorverlustleistung berücksichtigt werden. Bipolar-Transistoren werden in vielen Fällen verwendet, um der hohen Spannung standzuhalten. Allerdings ist die Sättigungsspannung UCE von Bipolar-Transistoren im Vergleich zu MOSFETs relativ hoch; daher sind in modernen Treiber-Schaltungen immer mehr MOSFETs zu finden (Bild 3). Hierbei gilt es zu beachten, dass z.B. n-Kanal-MOSFETs sowohl auf der oberen Seite als auch auf der unteren Seite verwendet werden sollten, um einen niedrigen Durchlasswiderstand RON zu erreichen. Um einen n-Kanal-MOSFET an der oberen Seite zu treiben, ist eine Spannung höher als UCC erforderlich; in den meisten Fällen ist daher eine Boost-Schaltung integriert, mit deren Hilfe UCC gesteigert wird.

Mit einer p-n-Kanal-Konfiguration wäre eine solche Spannungserhöhung nicht erforderlich, allerdings ist der ROn eines p-Kanal-MOSFET im Vergleich zu dem des n-Kanal-MOSFET hoch. Zwar gibt es p-Kanal-MOSFETs mit niedrigerem ROn, aber durch deren Verwendung steigen die Systemkosten deutlich.


  1. Ein lohnender Wandel
  2. Antriebsmethoden

Lesen Sie mehr zum Thema


Das könnte Sie auch interessieren

Jetzt kostenfreie Newsletter bestellen!

Weitere Artikel zu ROHM Semiconductor GmbH

Weitere Artikel zu Motion Control