Die wesentlichen Designkonzepte

So gelingt die Integration von Energiespeichern in PV-Netze

9. Januar 2022, 12:23 Uhr | Jayanth Rangaraju, Systems Manager bei Texas Instruments
tl6781/Adobe Stock
© tl6781/Adobe Stock

Mit Hilfe eines schlanken Designs, der bidirektionalen Leistungswandlung, hohen Batteriespannungen und der Erfassung von Strom- und Spannungswerten lassen sich Energiespeicher effektiv in Solarnetze integrieren.

Diesen Artikel anhören

Angesichts der ständig wachsenden Zahl an Photovoltaik-Installationen (PV) erweist sich die Diskrepanz zwischen Angebot und Nachfrage immer mehr als entscheidender Mangel. Solarenergie steht naturgemäß vorwiegend um die Mittagszeit in großem Umfang zur Verfügung, wenn der Energiebedarf nicht sehr hoch ist. Die Folge ist, dass die Konsumenten während der morgendlichen und abendlichen Spitzenlastzeiten die höchsten Stromtarife bezahlen.

Energiespeichersysteme (ESS) für private und gewerbliche PV-Anlagen und solche, die von Energieversorgungs-Unternehmen (EVUs) betrieben werden, ermöglichen, die über den Tag geerntete Energie zu speichern. Alternativ kann zu Schwachlastzeiten Energie aus dem Netz bezogen werden, um sie dann in Zeiten hohen Bedarfs wieder in das Netz einzuspeisen. Mit der Ergänzung einer netzgekoppelten PV-Anlage durch ein ESS erhalten die Eigner die Chance, durch Peak Shaving Kosten zu sparen.

Bidirektionale Leistungswandlung

Konventionelle PV-Anlagen sind mit unidirektionalen DC/AC- und DC/DC-Leistungsstufen ausgestattet, was allerdings ein ernst zu nehmendes Hindernis für die Einbindung eines ESS darstellt. Der größere Aufwand an Komponenten, Modulen und Subsystemen lässt die Kosten für die Integration eines ESS in eine bestehende PV-Anlage stark ansteigen.

Soll eine vorhandene PV-Installation durch einen Energiespeicher ergänzt werden, müssen zwei Pfade zum Laden bzw. Entladen der Batterie zu einem gemeinsamen Pfad kombiniert werden, der sowohl die Leistungsfaktor-Korrektur (Power Factor Correction, PFC) als auch den Wechselrichter einschließt. Wie aber lässt sich ein bidirektionaler Leistungswandler bauen, der zwei unidirektionale Leistungswandler ersetzen kann?

Bild 1: Blockschaltbild einer bidirektionalen PFC- und Wechselrichterstufe.
Bild 1: Blockschaltbild einer bidirektionalen PFC- und Wechselrichterstufe.
© Texas Instruments

Die fortschrittlichen bidirektionalen Leistungswandler-Topologien in Bild 1 ermöglichen die sichere und effiziente Übertragung von Energie zwischen dem Netz, dem PV-Array und dem Batteriemanagement-System. Mikrocontroller (MCUs), wie zum Beispiel die Echtzeit-MCUs der C2000-Familie von Texas Instruments, werden gern in solchen Topologien eingesetzt, denn sie können eine oder mehrere Leistungsstufen steuern, um eine digital geregelte, bidirektionale Leistungswandler-Architektur für einen ESS-geeigneten PV-Wechselrichter zu realisieren. Die MCU-gestützte Regelung gestattet die Anwendung ausgefeilter PWM-Verfahren (Pulsweiten-Modulation) für die Leistungsschalter in den DC/AC- und DC/DC-Wandlern.

Ein Hybrid-Wechselrichter verhilft den Umwandlungsstufen zu einem höheren Wirkungsgrad, und dies wiederum ist in einem Mikronetz mit integriertem ESS von großer Bedeutung, weil hier mehrere Umwandlungen erfolgen. Leistungswandler-Systeme nutzen DC/DC-Wandler zum Laden und Entladen der Batterien sowie DC/AC- und AC/DC-Stufen zum Rückspeisen der in der Batterie gespeicherten Energie in das Netz und umgekehrt.

Batterien mit höheren Spannungen

In einem Mikronetz mit integriertem Energiespeicher besteht die Aufgabe der Batterie hauptsächlich darin, Solarenergie zu speichern und sie bei Bedarf in das Netz einzuspeisen. Kennzeichnend für Lithium-Ionen-Akkus ist, dass sie wesentlich mehr Ladung speichern können als konventionelle Bleibatterien.

Weil auf dem Gebiet der Elektrofahrzeuge 400-V-Akkusätze immer populärer werden, geht auch bei den PV-Anlagen der Trend dahin, anstelle der bisherigen 48-V-Akkusätze Batteriesysteme mit höheren Spannungen einzusetzen. Wie aber lässt sich die Leistungswandlung für 400-V-Batterien bewältigen?

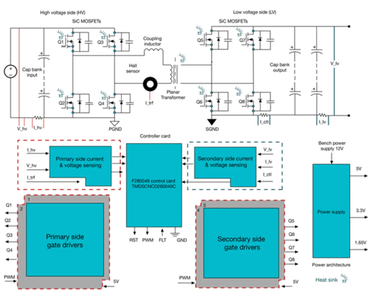
Neben den MCUs, die die Regelungs- und Überwachungsfunktionen übernehmen und damit bei der Integration eines ESS in übergreifende Systeme helfen, sorgen auch verlustarme und hocheffiziente Leistungsschalter für die Sicherheit und Robustheit von Energiespeicher-Systemen. Kompakte Leistungsschalter auf der Basis von Siliziumkarbid (SiC) und Galliumnitrid (GaN) tragen gemeinsam mit Echtzeitsteuerungs-MCUs dazu bei, bidirektionale Wandler so anpassungsfähig zu machen, dass sie mit unterschiedlichen DC-Energiespeichersystemen kombinierbar sind (Bild 2).

Bild 2: Ein DC/DC-Wandler mit zwei aktiven Brückenschaltungen ermöglicht den bidirektionalen Betrieb zum Laden und Entladen der Batterie.
Bild 2: Ein DC/DC-Wandler mit zwei aktiven Brückenschaltungen ermöglicht den bidirektionalen Betrieb zum Laden und Entladen der Batterie.
© Texas Instruments

Wide-Bandgap-Halbleiter (WBG) wie etwa SiC oder GaN werden eine wichtige Rolle für Leistungswandler-Systeme spielen, die sich dank ihrer höheren Leistungsdichte und ihrer reduzierten Schaltverluste für immer größere Batteriespannungs-Bereiche eignen. Überdies helfen die Leistungswandler-Systeme den Batteriesätzen dabei, besser mit dem schwankenden Energieangebot in dezentralen Energieerzeugungs-Systemen zurecht zu kommen und bei höheren und größeren Spannungsbereichen für einen intelligenten und belastbaren Netzbetrieb zu sorgen.

Langfristig könnten in PV-Anlagen die in Elektrofahrzeugen eingesetzten Akkusätze Verwendung finden. Zunehmend wird die Auffassung vertreten, dass die zuerst in Elektrofahrzeugen verwendeten Batterien eine Second-Life-Nutzung in netzgekoppelten Energiespeichersystemen erfahren könnten.

passend zum Thema


  1. So gelingt die Integration von Energiespeichern in PV-Netze
  2. Wide-Bandgap-Materialien für Effizienz und natürliche Konvektion


Lesen Sie mehr zum Thema


Das könnte Sie auch interessieren