Störungsfreie bipolare Spannung

Spannungsversorgung mit isolierten MicroModulen

25. Januar 2023, 10:59 Uhr | Von Timur Uludag
Hohe Anforderungen moderne Industrieanlagen an die Zuverlässigkeit und Störsicherheit . Einzelne Bestandteile der Anlagen versorgen DC-Bussystemen. Wie eine störungsarme bipolare Versorgung im Niederspannungsbereich realisieren lässt?
Das isolierte MicroModul 1769205132 der FIMM-Serie (Fixed Isolated MicroModule), vereint die Eigenschaften eines isolierten Power-Moduls mit denen eines klassischen MicroModuls.
© Würth Elektronik

Industrieanlagen stellen hohe Anforderungen an Zuverlässigkeit und Störsicherheit von Stromversorgungen. Typischerweise werden einzelne Anlagenbstandteile von DC-Bussystemen versorgt. Wie sich eine störungsarme bipolare Versorgung im Niederspannungsbereich realisieren lässt, zeigt der Beitrag.

Diesen Artikel anhören

Industrieanlagen, beispielsweise Lagerlogistik, Abfüllanlagen, Walzwerke, Förderbänder und Druckpressen, erfordern für eine sichere Funktion in aller Regel den Einsatz einer Auswahl folgender Elemente:

➔ Isolationsverstärker, Analog-Digital- Umsetzer

➔ die Isolierung von digitalen Schaltkreisen

➔ Mess- und Datenerfassung

Eine typische Industrieanwendung mit besonderen Anforderungen an die Spannungsversorgung ist beispielsweise ein Lagerlogistiksystem
Bild 1. Eine typische Industrieanwendung mit besonderen Anforderungen an die Spannungsversorgung ist beispielsweise ein Lagerlogistiksystem.
© Würth Elektronik eiSos

All diese Elemente haben eines gemeinsam, die Isolierung der Eingangsversorgungsspannung von der versorgenden Busspannung. Warum ist diese galvanische Trennung erforderlich? Sie verhindert, dass sich transiente Störungen von der Versorgungsspannung in den Bus ausbreiten und dessen Betrieb stören können. Bild 1 zeigt ein Anwendungsbeispiel aus der Lagerlogistik.

MicroModul mit hohem Wirkungsgrad

Ein Power-Modul mit galvanischer Trennung sorgt in seiner Funktion als isolierter DC/DC-Wandler in dem Beispiel aus der Lagerlogistik (Bild 1) für eine zuverlässige Versorgung eines Analog-Digital-Umsetzers. Genauer gesagt handelt es sich um das isolierte MicroModul 1769205132 der FIMM-Serie (Fixed Isolated MicroModule), das die Eigenschaften eines isolierten Power-Moduls mit denen eines klassischen MicroModuls vereint. Durch den Einsatz der Chiplet-SIP-Technologie war es möglich, die Abmessungen (9 x 7 x 3,1 mm3) um 80 % zu verringern und auch den Platzbedarf (9 x 7 mm2) im Vergleich zu einem klassischen SMT-8-Power-Modul um mehr als 50 Prozent zu reduzieren.

ufbau des isolierten MicroModuls 1769205132 der FIMM-Serie. Es umfasst ein Halbleiter-IC, Gleichrichterdioden, Eingangs- und Ausgangskondensatoren sowie einen Transformator
Bild 2. Aufbau des isolierten MicroModuls 1769205132 der FIMM-Serie. Es umfasst ein Halbleiter-IC, Gleichrichterdioden, Eingangs- und Ausgangskondensatoren sowie einen Transformator.
© Würth Elektronik eiSos

Basis des MagI3C-Power-Moduls 1769205132 ist eine Vollbrückentopologie. In dem Modul sind ein Halbleiter-IC, Gleichrichterdioden, Eingangs- und Ausgangskondensatoren und ein Transformator untergebracht (Bild 2). Da es keinen Rückkopplungspfad vom Ausgang zum Eingang gibt, ist das Tastverhältnis auf 50 Prozent festgelegt und unabhängig von der Last. Die Ausgangsspannung ist hierbei ungeregelt und wird durch das Windungsverhältnis des Transformators bestimmt. Bis zu einer Umgebungstemperatur von TA=100 °C kann das Modul seine Ausgangsleistung von 1 W ohne Derating zur Verfügung stellen. Bedingt durch den Aufbau des Moduls beträgt die parasitäre Koppelkapazität zwischen Primär- und Sekundärseite maximal 8 pF. Mit einem Wirkungsgrad von 91 Prozent ist es das »Best-in-Class« im kompletten isolierten Portfolio von Würth Elektronik.

Der DC/DC-Wandler mit galvanisch getrenntem Eingangs- und Ausgangskreis ist speziell für Anwendungen konzipiert, bei denen eine isolierte Spannung in einem verteilten Stromversorgungssystem erforderlich ist. Besonders geeignet ist das Modul für Anwendungen wie etwa sensible analoge Niederfrequenzschaltungen und relaisgesteuerte Schaltungen mit höherem Störpotenzial. Denn durch die galvanische Isolation mit sehr niedriger parasitärer Kapazität zwischen Eingangs- und Ausgangskreis ist eine starke Entkopplung von hochfrequenten Störungen gewährleistet. Durch die sehr niedrige Koppelkapazität zwischen Primär- und Sekundärseite ist dafür gesorgt, dass Störungen vom Primärkreis auf dem Sekundärkreis nur in einem geringen Maße überkoppeln können.

Sensible Sensorik versorgen

Anwendungsbeispiel einer Sensoranwendung, bei der eine entkoppelte Dualspannungsversorgung (rote Platine) zum Einsatz kommt
Bild 3. Anwendungsbeispiel einer Sensoranwendung, bei der eine entkoppelte Dual-spannungsversorgung (rote Platine) zum Einsatz kommt.
© Würth Elektronik eiSos

Applikationen wie etwa die Mess- und Datenerfassung sind oft mit Analog-Digital-Umsetzern (ADCs) aufgebaut, welche die analogen Messwerte wie beispielsweise einen Temperaturwert oder eine Spannung in eine digitale Größe umsetzen. Zur Erfassung von positiven und negativen Messsignalen wird eine duale Spannungsversorgung benötigt. Üblicherweise kommt dafür eine Versorgung von ±5 V zum Einsatz.

Die Auflösung, die ein A/D-Umsetzer realisieren kann, also wie viele Bits er effektiv zur Verfügung stellt, ist unter anderem vom Rauschanteil der Versorgungsspannung abhängig.

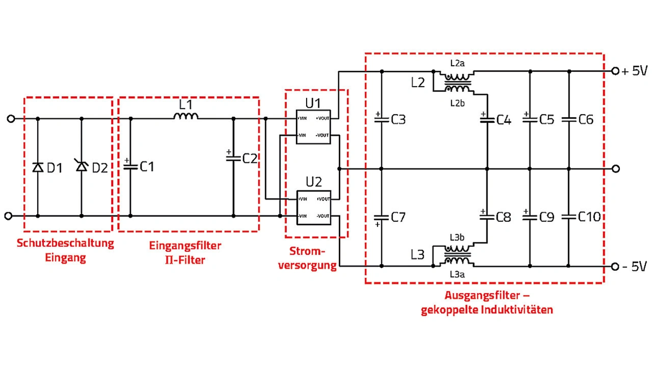
Die entkoppelte Dualspannungsversorgung (rote Platine in Bild 3) umfasst eine eingangsseitige Schutzschaltung, einen eingangsseitigen Filter, ein Power Modul (FIMM) sowie einen ausgangsseitigen Filter
Bild 4. Die entkoppelte Dualspannungsversorgung (rote Platine in Bild 3) umfasst eine eingangsseitige Schutzschaltung, einen eingangsseitigen Filter, ein Power Modul (FIMM) sowie einen ausgangsseitigen Filter.
© Würth Elektronik eiSos

Die rote Leiterplatte in der Applikation in Bild 3 erzeugt aus einer Eingangsspannung von 5 V eine galvanisch isolierte Dualspannung von ±5 V. Zu den Besonderheiten der Schaltung zählen sehr geringe Restwelligkeit am Ausgang und breitbandige Entkopplung zwischen Eingang und Ausgang. Im Großen und Ganzen besteht die Dualspannungsversorgung aus vier verschiedenen Funktionsblöcken (Bild 4):

➔ Eingangsseitige Schutzschaltung: Die Schutzschaltung integriert einen Verpolungsschutz und einen Schutz gegen Spannungstransienten.

➔ Eingangsseitiger Filter: Die erste Filterstufe dient der Dämpfung leitungsgebundener EMV-Störpegel. Durch die Schaltvorgänge des DC/DC- Wandlers erzeugte Harmonische in Richtung versorgende Quelle werden in ihrem Pegel reduziert. Zudem können über die Spannungsversorgung Störungen zum Power-Modul gelangen, die von dem Filter gedämpft werden.

➔ Das Power-Modul selbst: Es wandelt die Spannung um und sorgt für eine galvanische Trennung zwischen Eingang und Ausgang.

➔ Ausgangsseitiger Filter: Der Strom, den das Power-Modul liefert, ist eine Überlagerung aus einem DC-Strom mit einem AC-Anteil. Der AC-Anteil ist der Teil, der durch den Filter in seiner Amplitude reduziert wird, um eine »saubere« DC-Spannung für die zu versorgende Applikation wie etwa einem ADC zur Verfügung zu stellen.

Eingangsseitige Schutzschaltung

Die eingangsseitige Schutzbeschaltung ist zweistufig aufgebaut (Bild 4 links). Diode D1 erfüllt zwei Aufgaben. Sie schützt den Eingang vor negativen transienten Störungen und verhindert im Falle einer Verpolung eine Beschädigung des Eingangs des Power-Moduls. Mit einer Flussspannung von 0,3 V @ 0,3 A klemmt sie die Spannung auf einen Wert unterhalb des Maximalwerts, der für das Power-Modul spezifiziert ist.

Diode D2 schützt die Schaltung vor positiven Spannungstransienten. Bei einer positiven Spannungstransiente zwischen 6 bis 9 V in Bezug auf die Kathode zur Anode »bricht« die Diode D2 durch. Die effektive Klemmspannung liegt dann typischerweise bei 5,7 V und somit im Bereich des Absolut-Maximum-Ratings des Power-Moduls.

Eingangsseitiger Filter

Intern arbeitet das Power-Modul mit einer internen Schaltfrequenz von typisch 300 kHz. Die speisenden Netzteile haben in der Regel eine Schaltfrequenz von typisch 50 kHz bis 500 kHz. Daraus ergibt sich eine Filterkombination, die bereits ab etwa 100 kHz eine Dämpfung von circa 50 bis 75 dB aufweist, um die Transienten-Störungen zu filtern.

Verlauf der Einfügedämpfung der ersten Filterstufe als Simulation in RedExpert. Es ist deutlich zu sehen, dass bereits ab 50 kHz eine Dämpfung von circa 80 dB erreicht wird
Bild 5. Verlauf der Einfügedämpfung der ersten Filterstufe als Simulation in RedExpert. Es ist deutlich zu sehen, dass bereits ab 50 kHz eine Dämpfung von circa 80 dB erreicht wird.
© Würth Elektronik eiSos

Durch die Kombination aus C1, L1 und C2 bildet sich eine sogenannte π-Filter-Struktur. Ausgewählt wurden die Werte der einzelnen Filterkomponenten mit dem Ziel, dass sie bereits ab 100 kHz eine Einfügedämpfung von etwa 50 dB bieten. Bild 5 zeigt den Verlauf der Einfügedämpfung der ersten Filterstufe. Hier ist deutlich zu sehen, dass bereits ab 50 kHz eine Dämpfung von circa 80 dB erreicht wird.

Die Berechnung/Simulation kann mit dem Filterdesigner in RedExpert [1] durchgeführt werden. Das Tool verwendet für die Berechnung die realen Eigenschaften der Bauelemente, die auf Messungen basieren. So decken sich die Ergebnisse besser mit der Praxis. So wurde die Berechnung der Einfügedämpfung hier mit einer Quell- und Lastimpedanz von 50 Ω durchgeführt. Entscheidend für eine hohe Einfügedämpfung in der Praxis ist ein HF-gerechter Aufbau, welcher Kopplungen zwischen den Komponenten vermeidet.

Ausgangsseitiger Filter         

Prinzipbedingt handelt es sich bei der Ausgangsspannung eines DC/DC-Wandlers um keine reine Gleichspannung wie etwa bei einem Linearregler. Sie ist eher eine Kombination aus einer DC-Spannung mit einem überlagerten AC-Anteil. Der AC-Anteil wird im Datenblatt als »Output voltage ripple & noise« Wert in mV als Spitze-Spitzewert (mVPP) angegeben. ADC-Schaltungen sind hier empfindlich, da sie nur bei einem kleinen Störsignal, das geringer sein muss als die Auflösung des A/D-Umsetzers, optimal arbeiten können. Bei dem in Bild 4 rechts gezeigten Schaltungsteil handelt es sich um einen Filter, der die Störspannung des FIMM ausgangsseitig vermindert. Aufgebaut ist der lineare Zweitor-Filter aus einer gekoppelten Induktivität, mit den Wicklungen L2a/L2b und den Kondensatoren C3 und C4.

Wicklung L2a führt den Gleichstromanteil zum Verbraucher (wie eine »Glättungsdrossel«), der Wechselstromanteil fließt über die Wicklung L2b und den Kondensator C4 gegen Masse. Das Impedanzverhalten des Kondensators C3 bewirkt, dass er den hochfrequenten Anteil gegen Masse ableitet.

Wesentlich für die Filterfunktion ist dabei die magnetische Kopplung zwischen den beiden Wicklungen, das heißt die Gegenkopplungsinduktivität, die über den Kopplungsfaktor k beschrieben wird. Aufgrund des Wicklungssinns der beiden Wicklungen der gekoppelten Induktivität wird der AC-Anteil des Stromes, der durch die Wicklung L2b fließt, auf die Wicklung L2a übertragen. Der AC-Anteil des Stroms überlagert sich dann mit dem DC-(AC-)Strom, wodurch der AC-Anteil im Laststrom ausgelöscht sowie über die magnetische Kopplung kompensiert und dadurch reduziert wird.

Ein Faktor k von 1 bedeutet eine 100-prozentige Kopplung zwischen den beiden Spulenwicklungen. Aufgrund des Schaltungsaufbaus, der einem Filter zweiter Ordnung gleicht, sollten gekoppelte Induktivitäten eingesetzt werden, deren k < 0,99 ist, da die Schaltung sonst leicht in eine Serienresonanz (Notch-Filter) gerät, und im Frequenzbereich über der Serienresonanz eine geringere Filterwirkung zeigt. Ideal ist ein k von unter 0,98. Die im Beispiel verwendete gekoppelte Induktivität WE-DD 744877220 hat einen Kopplungsfaktor von circa 0,98.

Es ist notwendig, dass die verwendeten Kondensatoren einen möglichst geringen ESR-Wert aufweisen, um die erwünschte Filterwirkung zu erzielen. Als gepolter 22-µF-Kondensator ist beispielsweise der Aluminium-Polymer-Kondensator WCAP-PTHR 870055673002 einsetzbar, der im Frequenzbereich ab 1 kHz bis 50 MHz einen ESR-Wert von unter 100 mΩ aufweist.

Messungen haben gezeigt, dass für die Ripple-Spannung des +5V-Zweigs eine Reduzierung um bis zu 50 Prozent des AC-Anteils – bezogen auf den ungefilterten Wert – erreicht werden konnte.

Anbieter zum Thema

zu Matchmaker+

  1. Spannungsversorgung mit isolierten MicroModulen
  2. Galvanisch isolierte Messsignalübertragung


Lesen Sie mehr zum Thema


Das könnte Sie auch interessieren