Digitale Isolatoren

Galvanische Trennung einfach realisieren

8. Juli 2024, 16:54 Uhr | Engelbert Hopf
In industriellen Umgebungen ist häufig eine galvanische Trennung von Schaltungsteilen erforderlich. Mit kapazitiven digitalen Isolatoren lassen sich einfach Nutzsignale sicher und zuverlässig über eine Isolationsbarriere übertragen
Der digitale Isolator von Würth Elektronik besteht aus einem Oszillator und einem Modulator auf der Primärseite. Auf der Sekundärseite befinden sich ein Demodulator und ein Signalpuffer. Die primärseitigen Komponenten sind von den sekundärseitigen Komponenten durch eine kapazitive Struktur mit einer Isolationsbarriere aus SiO2 galvanisch getrennt.
© Würth Elektronik
Diesen Artikel anhören

Fortsetzung des Artikels von Teil 1

Kapazitive digitale Isolatoren

Der digitale Isolator von Würth Elektronik [1,2] besteht aus einem Oszillator und einem Modulator auf der Primärseite. Auf der Sekundärseite befinden sich ein Demodulator und ein Signalpuffer. Die primärseitigen Komponenten sind von den sekundärseitigen Komponenten durch eine kapazitive Struktur mit einer Isolationsbarriere aus SiO2 galvanisch getrennt.

Prinzipieller Aufbau eines digitalen Isolators von Würth Elektronik
Bild 4. Prinzipieller Aufbau eines digitalen Isolators von Würth Elektronik.
© Würth Elektronik

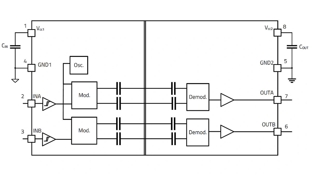
Die Signalübertragung über die Isolationsbarriere hinweg erfolgt mit einem Modulationsverfahren, dem sogenannten On/Off-Keying. Der im Chip integrierte Oszillator wird zur Modulation des Eingangssignals, das über einen Schmitt-Trigger läuft, eingesetzt. Der Modulator erzeugt ein Differenzsignal, das über die kapazitiven Isolationsleitungen übertragen wird.

Bild 4 zeigt die Grundstruktur eines kapazitiven digitalen Isolators. Der Demodulator, auf der Sekundärseite des Isolators, übernimmt die Funktionen der Verstärkung, Filterung und Rekonstruktion des Eingangssignals. Dabei sind die Signalverzögerung und die Signalverzerrung minimal. Abschließend leitet ein Puffer das Signal vom Demodulatorausgang zum Gesamtausgang, wobei der Puffer das Signal auf den erforderlichen Pegel verstärkt. Bild 5 veranschaulicht den internen Aufbau.

Blockschaltung des digitalen Isolators CDIS 18012x15411x von Würth Elektronik
Bild 5. Blockschaltung des digitalen Isolators CDIS 18012x15411x von Würth Elektronik.
© Würth Elektronik

Digitale Isolatoren werden in Standard-CMOS-Technologie hergestellt und nutzen daher Materialien und Prozesse, die bekannt und erprobt sind. Die Kondensatoren der Transmitterseite und der Empfängerseite sind auf einem Leadframe aufgebracht. Die Kondensatoren selbst, die in Abbildung 4 grau dargestellt sind, befinden sich zwischen den beiden horizontalen Kontakten in rot. Das dielektrische Material zwischen den Elektroden bzw. den Kondensatorplatten dient als galvanische Isolationsbarriere.

Die durch das Verfahren erreichte Isolationsdicke liegt im Bereich von einigen zehn Mikrometern. In digitalen Isolatoren wird SiO2 als Isoliermaterial im Kondensator verwendet, weil es aufgrund seiner viel höheren Durchschlagfestigkeit von 500 V/m wesentlich weniger Platz für den Isolierspalt benötigt. Andere gebräuchliche Isoliermaterialien wie Polyimid haben eine Durchschlagfestigkeit von nur 300 V/m. Die beiden Kondensatoren sind mit einem Bonddraht elektrisch verbunden, sodass zwei Kondensatoren in Reihe geschaltet sind, wie in der Blockschaltung in Bild 4 dargestellt. Um die gesamte Struktur zu schützen, werden das Die und der Leadframe mit einem Standard-IC-Montageverfahren vergossen.

Sicherheit und Zuverlässigkeit

Im Ernstfall sollen die digitalen Isolatoren Menschen vor gefährlichen Spannungen schützen.

Sie müssen daher höchste Anforderungen an die Sicherheit und Haltbarkeit erfüllen. Die digitalen Isolatoren der CDIP- und CDIS-Serie von Würth Elektronik sind vom VDE in Deutschland nach der neuesten und anspruchsvollsten Norm DIN EN IEC 60747-17 (VDE 0884-17):2021-10 „Magnetische und kapazitive Koppler für Basisisolierung und verstärkte Isolierung“ zertifiziert worden.

ParameterIEC 60747-17(VDE 0884-17)IEC 60747-17(VDE 0884-17)
  Basis-Isolation Verstärkte Isolation
Gehäuse SOIC-8NB SOIC-16WB
VIOSM - max. Surge
Isolationsspannung
 5000 V pk 7070 V pk
Test

 VTEST = 1,3 x VIOSM
 VTEST = 6,5 kV

 VTEST = 1,6 x VIOSM
 VTEST = 11,3 kV
Fehlerrate über die
Lebensdauer
 ≤ 1000 ppm ≤ 1 ppm

Aber was bedeuten jetzt eigentlich die Begriffe „Basis“ und „verstärkt“ für die Sicherheit einer Person? Die Norm für sich gibt hier nur eine eher abstrakte Definition, siehe IEC 60747-17:202X:

  • Wann nimmt man nun eine Basis- oder verstärkte Isolation? Vereinfacht ausgedrückt sind hier die Punkte „Einzelfehlerbedingung“ und „normale Betriebsbedingungen“ von Bedeutung. Eine verstärkte Isolation gewährleistet auch unter einer Einzelfehlerbedingung im normalen Betrieb einen Schutz gegen elektrischen Schlag. Eine Basis-Isolation ist nur wirksam im normalen Betrieb, also ohne Betrachtung eines Einzelfehlers.

Literatur

[1] Uludag, T.: Reliable Galvanic Isolation, Simplified. Power Electronics News, December 2023, S. 6ff.

[2] Digitale Isolatoren WPME-CDIS von Würth Elektronik: https://www.we-online.com/de/components/products/DIGITAL-ISOLATORS-WPME-CDIS

Die Autoren

Timur Uludag von Würth Elektronik
Timur Uludag von Würth Elektronik.
© Würth Elektronik

Timur Uludag

erwarb seinen Abschluss eines Dipl.-Ing. in Mechatronik an der Fachhochschule Regensburg. Anschließend arbeitete er mehrere Jahre als Hardware-Ingenieur auf den Gebieten Schaltnetzteile und analoges Schaltungsdesign. Seit 2015 ist Uludag als Senior Technical Marketing Manager bei Würth Elektronik eiSos in der Geschäftseinheit MagI³C Power Modules tätig. Dort ist er auf die Roadmap-Planung und Markteinführung neuer Leistungsmodule spezialisiert.

Heinz Zenkner von Würth Elektronik
Heinz Zenkner von Würth Elektronik.
© Würth Elektronik

Dr.-Ing. Heinz Zenkner

hat Elektrotechnik mit Schwerpunkt Nachrichten- und Hochfrequenztechnik studiert und promoviert. Er ist seit vielen Jahren öffentlich bestellter und vereidigter Sachverständiger für EMV. Neben zahlreichen wissenschaftlichen Veröffentlichungen betätigt er sich häufig als Autor in vielen Werken zur EMV. Zusätzlich hat Zenkner an verschiedenen Universitäten, an der IHK und an zahlreichen Seminaren als Dozent gearbeitet. Seit vielen Jahren beschäftigt er sich mit industrieller Elektronik, von der ersten Idee eines Produktes bis hin zur Serienproduktion. Sein besonderes Interesse gilt der drahtlosen Energieübertragung, zu der er theoretisch als auch praktisch eigene Konzepte entwickelt hat.


  1. Galvanische Trennung einfach realisieren
  2. Kapazitive digitale Isolatoren


Lesen Sie mehr zum Thema


Das könnte Sie auch interessieren

Strom Forum

Stromversorgungen

»Der Markt wird 2025 deutlich anziehen«

Strom Forum

Power-Branche erwartet 2024 Lagerabbau

»Der Bedarf wird 2025 deutlich anziehen«

400-V-SiC-MOSFETs für Industriestromversorgungen?

Stromversorgungsdiskussion Teil 3

400-V-SiC-MOSFETs für Industriestromversorgungen?

Aktuelle Versorgungslage

Stromversorgungsdiskussion Teil 2

Stromversorgung: Das ist die aktuelle Versorgungslage

Power Talk_Teaserbild_Artikel 1

Stromversorgungdiskussion Teil 1

Stromversorgung: Nach verhaltenem Start hellt sich 2024 auf

Mean Well

Leistungs-Derating in der Praxis

Netzteile vor Überhitzung und vorzeitigem Ausfall schützen

JB Hyperspectral/Traco Power

DC/DC-Wandler für die Landwirtschaft

Gesundes Grünzeug leuchtet rot

TDK Cera

Energiedicht von bis zu 1000 Wh/L

TDK stellt neue Akku-Technologie vor

TW Strom

Alle Beiträge im Überblick

Online-Themenwoche: Stromversorgung

Thilo Hack, Ansmann Schutzzölle wären kontraproduktiv, wir brauchen die Batterien und Akkus aus China, da wir in Deutschland und Europa auf absehbare Zeit nicht über die notwendigen eigenen Produktions-kapazitäten verfügen

Keine Erholung des Batteriemarktes

»Konsumermarkt läuft stabiler als das Industriesegment«

Gavin Griggs

XP Power wendet feindliche Übernahme ab

725 Millionen Dollar Cash sind nicht genug

mornsun

Katz- und Maus-Spiel mit neuen Namen

Mornsun versucht Maßnahmen der Sanktionsliste zu entziehen

advertorial_würth

Advertorial: Würth Elektronik

Thermische Modellierung - Nennstrom anwendungsabhängig bestimmen

Block Transformatoren-Elektronik

Block Transformatoren-Elektronik

Drastische Größen- und Gewichtsersparnis

Traco Power

Traco über Ersatz von Mornsun-Wandlern

»Schnelle Lösungen werden nicht immer möglich sein«

Phoenix Contact

Poenix Contact

Trio Power jetzt auch in dreiphasiger Version

Hopf Engelbert

Kommentar

Feuer unterm Dach!

Medizintechnik Power Stromversorgung Medizingeräte Entwicklung Netzteil

Galerie - Medizinische Stromversorgung

Spannende Power-Neuheiten für die Medizintechnik

Würth-Video-Teaserbild

Video: Digital-Isolatoren

Kapazitiv hat viele Vorteile

Grafik Strom

Folgen der Marktkorrektur seit 2023

Deutsche Stromversorgungsbranche setzt auf das zweite Halbjahr

Cosel

Für Industrie- und Medizinanwendungen

Erhöhte Zuverlässigkeit und Wirkungsgrade mit Nachfolgerserie PDA

Die Signalübertrager WE-BMS von Würth Elektronik sind jetzt auch für eine Betriebsspannung von 1500 VDC verfügbar.

Maximale Isolation für BMS

Würth Elektronik erweitert Übertragerserie für Energiespeicher

Nahaufnahme von DC-Leitungen von Lapp

DC-Pilotprojekt

Lapp punktet mit Gleichstrom-Expertise bei Autobauer

Recom Power

De-Risking im Stromversorgungsbereich

Neues Recom Werk in Thailand

Gustav Erl und Christopher Haas, TDK-Lambda Germany

Gustav Erl geht in Ruhestand

Neuer Geschäftsführer für TDK-Lambda Germany

Einkaufswagen

Große Markt&Technik-Umfrage

Wie Strategische Einkäufer ihre Bestellungen für 2024 planen

Würth Elektronik erweitert Online-Simulationstool REDEXPERT um MagI³C Power Module Designer

Online-Simulationstool

Power Module Design-In leicht gemacht