FPGA-Eval-Board »Lattice CertusPro-NX«

Energiezufuhr auf Maß getrimmt

16. Februar 2024, 08:47 Uhr | Von James R. Staley und Matthias Bust
Moderne FPGAs wie die CertusPro-NX-Bausteine von Lattice Semiconductor eignen sich für viele Anwendungsbereiche, aber ihre Stromversorgung muss an die Anwendung angepasst werden
© stock.adobe.com

Moderne FPGAs wie die CertusPro-NX-Bausteine von Lattice Semiconductor eignen sich für viele Anwendungsbereiche, aber ihre Stromversorgung muss an die Anwendung angepasst werden.

Diesen Artikel anhören

Fortsetzung des Artikels von Teil 1

Die µModule-Stromversorgung

Die Modullösung andererseits ermöglicht dank der µModule-Technologie die kleinste und einfachste Lösung – und das ohne Leistungseinbußen gegenüber anderen Ansätzen. Die µModule-Regler von Analog Devices sind komplette Power-Management-SiPs (System-in-a-Package) mit integrierten DC/DC-Controllern, Leistungstransistoren, Ein- und Ausgangskondensatoren, Kompensationskomponenten und Spulen in einem kompakten oberflächenmontierbaren BGA- oder LGA-Gehäuse. µModule-Stromversorgungsprodukte unterstützen Funktionen wie Abwärtswandlung, Ab-/Aufwärtswandlung, Batterieladen sowie isolierte Wandler und LED-Treiber.

Die µModule-Stromversorgungsstruktur
Bild 5: Die µModule-Stromversorgungsstruktur
© Analog Devices

Bild 5 zeigt die Stromversorgungsstruktur für das CertusPro-NX-Evaluierungs-Board mit µModule-Bauteilen. Die erste Stufe nach der externen 12-V-Eingangsversorgung ist ein µModule-DC/DC-Regler-Array. Die nächste Stufe besteht aus Linearreglern. Die gewählten Linearregler für das µModule-Design (Bild 5) sind dieselben Komponenten wie im diskreten Design (Bild 4).

Schaltregler-Module

Ein mögliches Schaltreglermodul ist der LTM8078. Dabei handelt es sich um einen Silent-Switcher-µModule-Step-Down-Regler mit max. 40 VIN und zwei 1,4-A-Ausgängen, die zu einem 2,8-A-Ausgang kombiniert werden können. Seine Silent-Switcher-Architektur minimiert EMI und bietet einen hohen Wirkungsgrad bei Schaltfrequenzen von bis zu 3 MHz. Im Gehäuse sind der Controller, die Leistungsschalter, Spulen und weitere Komponenten integriert. Der Regler arbeitet in einem weiten Eingangsspannungsbereich und mit einer Schaltfrequenz zwischen 300 kHz bis 3 MHz. Um das Design zu komplettieren sind nur noch die nötigen Ein- und Ausgangs-Filterkondensatoren notwendig – damit ist er eine ideale Stromversorgungsoption für das CertusPro-NX-Evaluierungs-Board.

Als zweite Möglichkeit kommt der LTM4625 infrage, ein Step-Down-5A-µModule-Schaltregler in einem winzigen BGA-Gehäuse mit 6,25 mm x 6,25 mm x 5,01 mm Kantenlänge. Das Modul weist einen hohen Wirkungsgrad auf und kann bis zu 5 A kontinuierlichen Ausgangsstrom liefern. Es werden auch hier nur zusätzlich die Ein- und Ausgangskondensatoren benötigt. Eine hohe Schaltfrequenz und die Current-Mode-Regelung erlauben ein schnelles Einschwingverhalten bei Eingangsspannungs- und Lastwechseln ohne die Reglerstabilität zu verschlechtern.

Diskreter Aufbau in der Praxis

Nach den im Datenblatt des CertusPro-NX-Evaluierungs-Boards empfohlenen Betriebsbedingungen sollen alle Versorgungsspannungen innerhalb von ±5 Prozent ihres typischen Wertes liegen.

Die Daten des Wirkungsgrads und der Ausgangswelligkeit
Tabelle 1. Die Daten des Wirkungsgrads und der Ausgangswelligkeit.
© Analog Devices

Der typische Fehler der Ausgangsspannung für solche Designs setzt sich hauptsächlich durch die Toleranzen der Feedback-Widerstände, die VREF-Spannung der Regler, die Welligkeit (Ripple) der Ausgangsspannung und die Lastausregelung zusammen. In diesem Design wird das <5-Prozent-Ziel für alle Regler eingehalten und erlaubt somit einen zuverlässigen Betrieb des FPGA.

Schiene 1: VDD_1V8
VDD_1V8 benötigt eine 1,8-V-Ausgangsspannung und sollte bis zu 1,35 A Ausgangsstrom liefern können. Dies wird mit dem Einsatz eines Kanals des LT8653S erreicht. Der erlaubte Gesamtfehler von ±5 Prozent der Ausgangsspannung bei maximaler Ausgangslast der Applikation wurde während der Entwicklung sorgfältig untersucht, um sicherzustellen, dass die empfohlenen Betriebsbedingungen auch eingehalten werden.

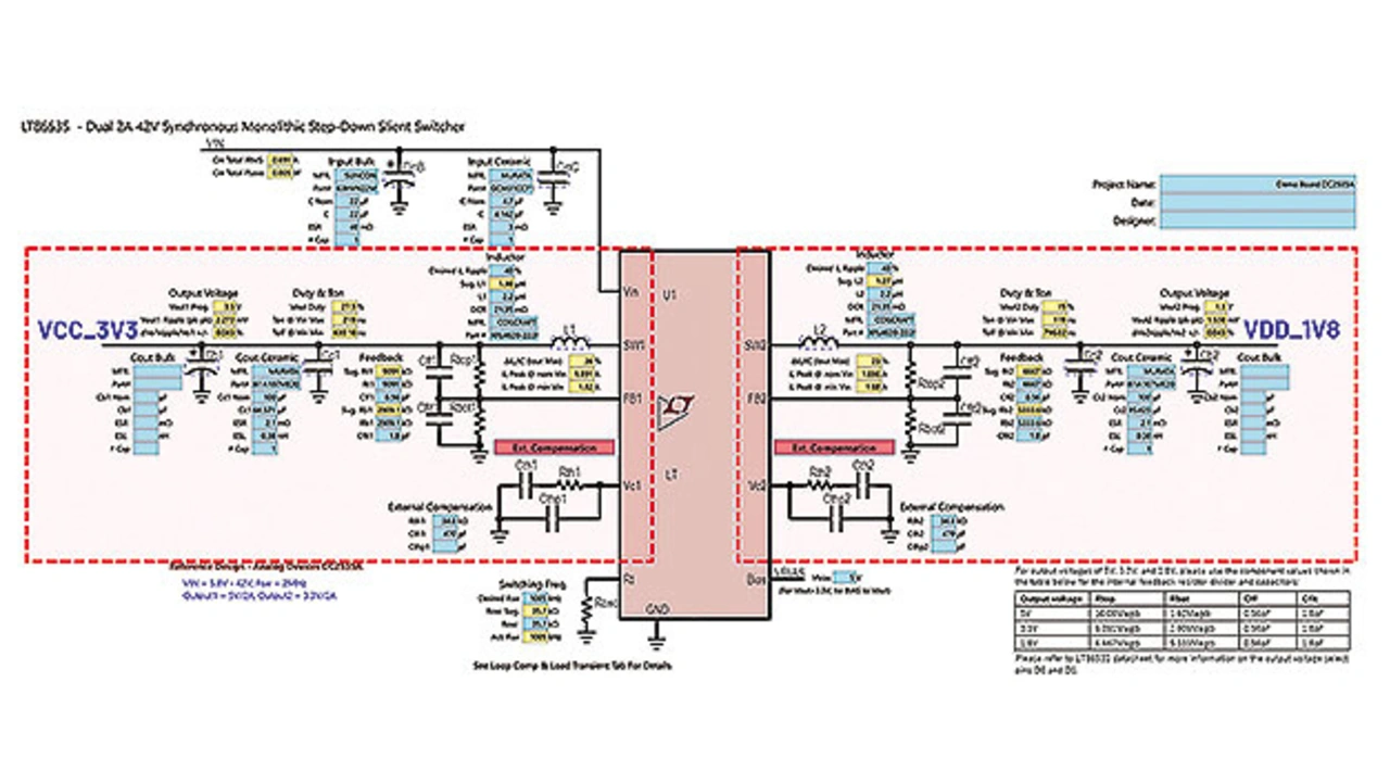
Das Schaltungsschema für die diskrete Lösung mit VDD_1V8- und VCC_3V3-Pegeln
Bild 6: Das Schaltungsschema für die diskrete Lösung mit VDD_1V8- und VCC_3V3-Pegeln.
© Analog Devices

Um eine hohe DC-Genauigkeit zu erzielen, wird die interne Referenzeinstellung genutzt. Der Kanal dieses Bausteins ist auf 1,8 V Feedback- Referenzspannung konfiguriert. Damit werden die Fehler durch die nun externen Feedback-Widerstände eliminiert. Bild 6 zeigt das von »LTpowerCAD« generierte Schaltbild für VDD_1V8 und VCC_3V3.

Um während der Untersuchung dieses Spannungsreglers sicherzustellen, dass der Ausgang innerhalb der empfohlenen Betriebsbedingungen liegt, wurde die Lastausregelung mit einem sehr schnellen und hohen Lastsprung als Stimulus evaluiert. Der Lastsprung erfolgt zwischen Ausgangsstromwerten von 0 auf 1 A mit einer Anstiegsrate von 10A/µs und einer Pulsdauer von 150 µs

Daten zur Lastregelung des VDD_1V8-Pegels
Tabelle 2. Daten zur Lastregelung des VDD_1V8-Pegels.
© Analog Devices

Mit diesem Ergebnis und unter Einbeziehung der Über- und Unterschwinger während eines Lastsprungs und einschließlich der Ausgangsspannungswelligkeit liegt die Spannung innerhalb der empfohlenen Betriebsbedingung von ±5 Prozent (Tabelle 2).

Schiene 2: VCC_3V3
VCC_3V3 nutzt den zweiten Kanal des LT8653S zusammen mit dem Pegel VDD_1V8. Genau wie dieser muss auch VCC_3V3 in der Lage sein, einen Ausgangsstrom von 1,35 A zur Versorgung der VCCIO-Pins des CertusPro-NX-FPGAs zu liefern. Es gibt auch hier eine IC-Option für eine feste Ausgangsspannung von 3,3 V, die mit einem intern getrimmten Feedback-Spannungsteiler arbeitet und deshalb zu einer hohen DC-Genauigkeit führt.Der Schaltplan und die Werte der Schaltungskomponenten sind in Bild 6 zu sehen.

Daten zur Lastregelung der VCC_3V3-Schiene
Tabelle 3. Daten zur Lastregelung der VCC_3V3-Schiene.
© Analog Devices

Tabelle 3 listet die Ergebnisse der Lastausregelung auf, wobei sowohl die Über- als auch Unterschwinger, einschließlich der Ausgangswelligkeit, eine Spannung innerhalb der empfohlenen Betriebsbedingung von ±5 Prozent einhalten.

Schiene 7: VCC_ADJ
VCC_ADJ erfordert eine 1,8-V-Ausgangsspannung und sollte bis zu 4 A Ausgangsstrom an VCCIO und den FMC-Stecker liefern können. Bei dieser Applikation wurde sorgfältig darauf geachtet, dass der Fehler der Ausgangsspannung von insgesamt ±3 Prozent bei maximaler Last nicht überschritten wird, um die empfohlenen Betriebsbedingungen einzuhalten.

Um eine hohe DC-Genauigkeit zu erzielen, wird wieder die interne Referenz genutzt. Der Fehlerverstärker dieses Bauteils ist auf eine Feedback-Referenzspannung von 1,8 V konfiguriert und kompensiert damit auch wieder die sonst auftretenden Widerstandstoleranzen.

Werte des transienten Lastverhaltens des VDD_1V8-Pegels
Tabelle 4. Werte des transienten Lastverhaltens des VDD_1V8-Pegels.
© Analog Devices

Das Einschwingverhalten dieses Reglers wurde mit einer schnellen Laststromänderung evaluiert, um sicherzustellen, dass die Ausgangsspannung im Betrieb stets innerhalb der Toleranzgrenzen liegt. Der Lastsprung von 0 auf 1 A wurde mit einer Anstiegsrate von 10 A/µs und einer Pulsdauer von 150 µs eingestellt.

Betrachtet man die Ergebnisse der Über- und Unterschwinger (Tabelle 4) während des Lastwechsels einschließlich der Welligkeit der Ausgangsspannung, liegt die Spannung innerhalb der empfohlenen ±5 Prozent und ist besser als der Zielwert von ±3 Prozent.

Schiene 8: VDD_3V3

Werte des transienten Lastverhaltens von VDD_3V3
Tabelle 5. Werte des transienten Lastverhaltens von VDD_3V3.
© Analog Devices

VDD_3V3 muss einen Ausgangsstrom von 3 A als Versorgung für die FMC-Stecker-Pins des CertusPro-NX-FPGA-Boards liefern können. Tabelle 5 listet die Ergebnisse des transienten Lastverhaltens auf, bei dem sowohl Über- als auch Unterschwinger einschließlich der Ausgangsspannungswelligkeit innerhalb des empfohlenen Betriebsbereichs von ±3 Prozent liegen.


  1. Energiezufuhr auf Maß getrimmt
  2. Die µModule-Stromversorgung
  3. Designlösung mit µModule in der Praxis


Lesen Sie mehr zum Thema


Das könnte Sie auch interessieren